
User Manual
Mod.-Nr.: 305663
Safety guidelines for this device![]()
- To prevent hazards and to comply with safety regulations, repairs to the device and the power cable should only be carried out by our customer service personnel. In case of repair please contact our customer service department by phone or e-mail.
- Please disconnect the mains plug and allow the device to cool down if necessary before cleaning it.
- The device should not be treated with liquids or immersed in liquids for electrical safety reasons.
- The product should not be exposed to rain, direct sunlight and impact.
- Potentially explosive materials, such as aerosol containers with flammable gas, should not be kept in this device.
- Food items should be packaged and kept in the cooler box.
- The device is intended for domestic use and other similar applications like: in the staff kitchen in shops, offices and other similar work areas, in agricultural properties, by custom- ers in hotels, motels and other typical residential facilities as well as in B&Bs.
- The product is not intended for commercial use, including catering and similar large scale applications.
- The device is suitable for use in camping.
- It is not advisable to use the device daily over several months.
- The cyclopentane gas used in the insulation should be specifically mentioned during sale, delivery or handing over for recyling.
- The device can be operated by children from 8 years of age and above, as well as by people with reduced physical, sensory or mental capacities and/or who lack knowledge or experience, if they have been supervised or instructed regarding safe use of the device, and have understood the resultant dangers.
- Children should not play with the device.
- Cleaning and user maintenance should not be carried out by children without supervision.
- Caution! Please keep children away from packaging materials. There is risk of suffocation.
- Never block the fans of the device.
- Never place any objects on the device to ensure adequate air circula- tion and to ensure that the ventila-tion slots are not covered.
- Please do not allow any liquids to enter the fan openings or into the cooler box.
- Neither the device nor the power cables should be exposed to external heat.
- Two or more power cables should not be connected simultaneously.
- Please check the complete device including the power cable and any accessories before use for defects and damage that could affect the functionality of the device.
- For example, if the device has fallen down or has been pulled using the power cable, there may be damages which are not visible from the outside. Do not use the device any more in such cases.
- Disconnect the mains plug each time after use, in case of malfunctions during use and/or before cleaning.
- Please do not disconnect the mains plug from the socket by pulling the power cable but always grip the mains plug.
- If the device is operated incorrectly or misused, we do not accept liability for any resulting damage.
- Make sure that the power cable is always connected correctly and firmly. A loose connection can cause the ca- ble and socket to heat up and result in damage or even a fire.
- WARNING! Do not damage the coolant circuit.
- Before using the device for the first time, place it on its feet in a desired location and leave it switched off for 24 hours so that the coolant can settle in the correct place. When transporting the device again, please let it stand for 2 hours before putting it into operation. If you do not do this, the compressor may be damaged.
- At the end of its service life, dispose of the device in accordance with local regulations because it uses flammable gases and coolants.
- If the power cable of this cooling unit is damaged, it should be replaced by customer service.
- This cooling unit should only be repaired by qualified technicians, improper repairs can result in significant hazards.
- Cleaning and user maintenance should not be carried out by children without supervision.
- Children should be supervised to ensure that they do not play with the cooling unit.
- Always keep the cooling unit out of reach of children under the age of 8 years.
- Do not store explosive substances such as spray cans with flammable propellant in the cooling unit.
- Do not use electrical devices inside the cooling unit unless they are unless they are recommended by the manufacturer recommended for this purpose.
- Do not place the cooling unit near open flames or other heat sources (heaters, direct sunlight, gas stoves, etc.). There is a risk of overheating!
- Always ensure proper ventilation so that the heat generated during operation is dissipated. Make sure that the cooling unit is placed away from walls and other objects so that the air can circulate.
- Ensure that the ventilation openings are not covered.
- Do not fill the inner container with ice or liquid.
- Do not immerse the cooling unit in water.
- Protect the cooling unit and cable from heat and moisture.
- Please check whether the cooling capacity of the device is sufficient for storing food or medicines that you want to cool.
- The device can be operated with a DC on-board power supply from a vehicle, boat or caravan, a DC auxiliary battery or an AC power supply via an AC adapter.
Thank you for choosing a Brandson product. Please read the following user manual carefully so as to get the most from the product you have purchased.
Scope of delivery
- Cooler box
- 12-24V car on-board voltage connection
- 110-230V mains voltage
Technical data
| Power supply | • 110-240 V AC (via AC power cable) • DC12-24V (via DC power cable; vehicle port) |
| Capacity | Approx. 30 l |
| Maximum cooling / heating capacity | • Cooling: up to approx. -22 °C • Heating: up to approx. 20 °C |
| Buttons | • POWER ON/OFF button • SETUP button • Value UP (Up button) • Value DOWN (Down button) |
| Protection class | III |
| Coolant | R600a / 42g |
| Climate category | SN N ST T |
| Insulation material | C5H10/C-Pentane |
| Permissible ambient temperature | 16-43 °C |
Caution! The cooling capacity may vary depending on the power source and the ambient temperature.
Product details

4. Before initial use
Take the device out of the package and remove all the packaging material. Clean the device as described in “Cleaning and care” before using it for the first time.
5. Initial use
Then insert the power cable plug into the appropriate power supply sockets.
Make sure that you connect the cooler box either to 12V-24V DC (using the cigarette lighter power cable provided) or to 110V-230V (using the conventional power cable).
Do not use any voltage that does not match the specification on the typeplate.
5.1 Operation![]()
To start the device, press the “ON/OFF” button on the control panel. To switch off the device, press and hold the “ON/OFF” button on the control panel for about 5
seconds.
Select display unit between °C and °F: Press and hold the “DOWN” and “SET” keys for 10 seconds. The temperature unit selection mode is indicated by a flashing “°C” or “°F” in the display and is available for 5 seconds. During this time, press the “DOWN” or “UP” keys to switch between units. After 5 seconds of inactivity, the unit will return to normal operation.
Then touch the “UP” or “DOWN” button to select the temperature unit Celsius or Fahrenheit. The selected temperature unit appears and flashes on the display for
a few seconds. Then the display automatically returns to the current temperature. Setting the cooling temperature: Touch the “SET” button once and then the “UP+”
and “DOWN -” buttons to set the desired cooling temperature. The selected temperature flashes on the display for a few seconds, then the display automatically shows the
measured ACTUAL temperature again.
Setting the battery monitor to protect against low voltage
The cooling unit comes with a 3-level battery monitor that protects your vehicle battery from excessive discharge when the device is connected to the on-board electrical system.
If the cooler box is operated when the vehicle ignition is switched off, the cooler box switches off automatically as soon as the supply voltage drops below a certain value. The cooler box switches on again as soon as the battery is charged to the restarting voltage.
Caution! There is a risk of damage!
After being switched off by the battery monitor, the battery is no longer fully charged. Avoid repeated starting or operation without prior longer charging phases.
In the “H3” level, the battery monitor responds faster than in the “H1” and “H2” levels.
If the cooling unit is powered by the battery after starting, select the battery monitor level “H3”. If the cooling unit is connected to a supply battery, the battery monitor level “H1” is sufficient.
| Monitor level | •H1 | •H2 | •H3 | |
| 12V | Switch-off voltage | 10.3 V | 10.8 V | 11.3 V |
| Re-starting voltage | 11.1 V | 11.8 V | 12.6 V | |
| 24V | Switch-off voltage | 21.5 V | 22.3 V | 24.3 V |
| Re-starting voltage | 22.7 V | 23.7 V | 25.7 V | |
Switch on the cooling unit. There are 3 levels for the battery monitor setting to protect against low voltage: H1, H2 and H3. Touch the “UP” and “DOWN” buttons
simultaneously for about five seconds. “H1” or “H2” or “H3” flash on the screen. Touch the “UP” or “DOWN” button to select the battery monitor level “H1” or “H2” or “H3” and to protect your vehicle battery.
The selected monitor level “H1” or “H2” or “H3” flashes in the display for a few seconds. A few seconds after setting, the indicator flashes several times before returning to the current temperature.
Operating mode setting
The device has two operating modes:
Operating mode HH: In this mode, the cooling unit works in standard mode. The LED “on” light turns red.
Operating mode ECO: The cooling unit works in power-saving mode. The LED “on” light turns green in this operating mode.
Selecting the operating mode: Press the “SET” key twice in succession.
The currently set mode is displayed (“HH” or “ECO”).
Now select the desired mode with the “UP” or “DOWN” keys.
The display continues to flash as long as the selection option is still available (approx. 5 sec.).
Afterwards, the selection is accepted and the display changes back to the current temperature.
Cleaning and Care
Disconnect the plug and allow the device to cool down completely before cleaning. The device should not be treated with liquids or even immersed in liquids for electrical safety reasons.
Never use harsh or abrasive cleaning agents.
Wipe the cover with a damp cloth and then dry it completely.
The container may be cleaned with a damp cloth and with some mild cleaning agent if necessary. Allow the cooler box to dry completely before using it again.
Error-Codes
| Error code | Possible reason | Suggested solution |
| E0 | Input voltage is low | Connect or replace the sensor |
| E1 | Problem with the ventilation fan | Check the battery or adjust the of the battery monitor |
| E2 | Compressor self-protection started | Check if the fan is blocked or has a short circuit |
| E3 | Compressor protects itself against unusual running speed | Disconnect the unit from the power for 30 minutes and then restart it. |
| E4 | Warning of overheating of control panels | Change the working mode from the control panel of the unit |
| E5 | Input voltage is low | Move the unit to a place with a well-ventilated installation environment |
Safety instructions and disclaimer
Never try to open the device to repair or make modifications. Avoid contact with the mains voltage. Do not short-circuit the product. The device is not approved for outdoor use. Therefore please use it only in dry surroundings. Protect it from high humidity, water and snow. Keep the device away from high temperatures. Do not expose the device to sudden changes in temperature or strong vibrations, as this could damage the electronic components. Check the device for any damage before using it. The device should not be used if it was subject to impact or has been damaged in some other manner. Please comply with the local regulations and restrictions. Do not use the device for purposes other than those described in the user manual. This product is not a toy. Keep it out of the reach of children or mentally disabled persons. Any repair or modification to the device, which is not carried out by the original supplier, will void any warranty and guarantee claims. The device should be used only by persons who have read and understood this user manual. The specifications of the device may be changed without prior intimation.
Disposal instructions
In line with the European WEEE directive, electrical and electronic devices should not be disposed of along with domestic waste. Their components have to be sent separately for recycling or disposal, as improper disposal of toxic and dangerous components may permanently damage the environment.According to the electrical and electronic equipment act (ElektroG), you are obliged (as a consumer) to return (free of charge) electrical and electronic devices to the manufacturer, the point of sale or public collection points at the end of their service life. The relevant local laws regulate the details in this regard. The symbol displayed on the product, in the user manual or/and on the packaging refers to these regulations. With this manner of sorting, recycling and disposal of used devices, you make an important contribution towards protecting our environme
WEEE directive: 2012/19/EU WEEE Register no.: DE 67896761
The company WD Plus GmbH hereby certifies that the device 305663 complies with the fundamental requirements and all other relevant stipulations. A complete conformity statement can be obtained from: WD Plus GmbH, Wohlenbergstraße 16, 30179 Hannover
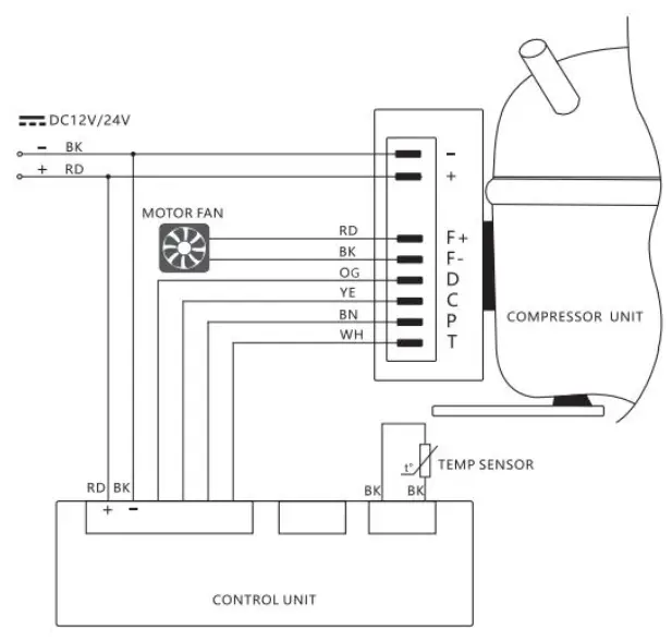
Electric Circuit Drawing
Notes
WD Plus GmbH
Wohlenbergstraße 16 · 30179 Hannover
Germany
V1.1















