
COOLMARKET SBS 430 WHITE / INOX / DARK
Refrigerator

Instruction manual
![]()
SAFETY INSTRUCTIONS
Read the instructions carefully before using the device for the first time and keep this instruction manual for future reference or new users.
– It is important to make sure all users are familiar with its operation and safety features to prevent faults and unnecessary accidents.
– Make sure that the mains voltage in your house matches the voltage stated on the rating label of the product.
– This appliance can be used by children aged 8 and above, and persons with reduced physical, sensory or mental capabilities or lack of experience and knowledge, as long as they have been given supervision or instruction concerning the use of the appliance in a safe way and understand the hazards involved. Children must not play with the appliance. The cleaning and maintenance of the appliance should not be carried out by children without supervision.
– Keep the packaging material away from children, as there is a risk of suffocation.
– WARNING: if the interior light is damaged, contact the Cecotec Technical Support Service. Do not try to repair it on your own.
– WARNING: when positioning the appliance, make sure the power cord is not trapped or damaged. A crushed or damaged connector may heat up and cause a fire.
– Make sure you can access the device main connector after the installation.
– Do not place food directly against the air outlet on the interior of the device.
– Keep the ventilation openings clear from obstructions.
– Do not place carbonated or fizzy drinks in the freezer compartment as this creates pressure in the container and could explode and damage the appliance.
– WARNING: do not use mechanical devices or other means to accelerate the defrosting process, other than those recommended by Cecotec.
– WARNING: do not damage the refrigeration circuit.
– If the cable is damaged, it must be replaced by the manufacturer, the supplier or qualified personnel in order to avoid a hazard.
– WARNING: do not use electrical appliances inside the refrigerator.
– We recommend you check the power cord regularly to detect any sign of possible damage, do not use the device if the cord is damaged.
– To avoid injuries or death because of an electric shock, do not use the device with your hands wet, nor over a wet surface.
– You should never use this refrigerator with an extension cord or a multiple connector. Make sure the device is plugged in directly to a power supply.
– When installing the appliance, make sure that there is a free space in the rear part, as this is the main heat outlet. This will allow for adequate ventilation.
– Do not place hot food or drinks in the refrigerator, allow them to cool down to room temperature before.
– Do not place any other appliance on the refrigerator and do not wet it.
– Do not store explosive substances such as aerosols or flammable propellants in this appliance.
– This product is exclusively designed for household use. Do not use this unit outdoors or in damp environments.
– WARNING: to avoid any risk due to the instability of the refrigerator, you must install it according to the instructions.
– This device has a built-in earthed plug. Make sure the power supply in your house is properly grounded.
– Wait 5 minutes after a power failure before switching the appliance back on. Otherwise, the compressor may be damaged.
– This appliance is not intended to be operated by means of an external timer or separate remote-control system.
– Always handle the device carefully to avoid any damage on it.
– Frozen food can cause ice burns if it is consumed right after removing it from the freezer compartment.
– Do not remove or touch items in the freezer compartment with your hands wet, as it could cause skin abrasions or frost/freeze burns.
– Never use the base, drawers or door as support.
– Do not overload the door shelves or place too much food on the drawers to prevent items from falling off and damaging the device.
– WARNING: do not attach multi-plug power strips or multiple power supplies to the rear part of the device.
– The two-star compartments are suitable for storing pre-frozen food, storing or making ice cream and making ice cubes.
– Compartments with one, two or three stars are not suitable for freezing fresh food.
– Before carrying out any maintenance and cleaning task, turn off the device and unplug it from the main power socket.
– It is advisable to wait for at least four hours before connecting the device to allow oil to flow through the compressor.
– Air must flow around the device: lack of air leads to overheating. To achieve a good ventilation, follow the installation instructions.
– Whenever possible, the rear part of the product should not be too close to the wall to prevent it from touching or reaching the hot parts (the compressor and the condenser). To avoid risk of fire, follow the installation instructions.
– Make sure the power cord is accessible after the device installation.
– All electrical work required to maintain this appliance must be carried out by a qualified electrician.
– Clean the surfaces that come into contact with food and with the accessible draining systems regularly.
REFRIGERANT
– Isobutane refrigerant (R600a) is contained within the refrigeration circuit of the appliance; it is a natural gas with a high level of environmental compatibility, however, it is flammable. Make sure that no components of the refrigeration circuit have been damaged during the transport and installation of the appliance.
– WARNING: the refrigerant and the insulator gas are flammable. When disposing of the device, only dispose of it at an authorised waste disposal facility. Do not expose it to flames.
– WARNING: the devices contain refrigerant and gases in the insulation. The device and gases must be disposed of professionally as they may cause injuries to eyes or ignition. Make sure the refrigeration circuit pipe is not damaged before disposing of it correctly.
– WARNING: risk of fire. If the refrigeration circuit is damaged:
– Avoid open flames and sources of ignition.
– Completely air the room where the device is located.
1. PARTS AND COMPONENTS
Fig. 1
- LED light
- Door shelves (freezer compartment)
- Shelves (freezer compartment)
- Lower shelf
- Freezer compartment drawer
- Refrigerator compartment drawer
- Egg holder
- Shelves (refrigerator compartment)
- Door shelves (refrigerator compartment)
Note:
The graphics in this manual are schematic representations and may not exactly match the product.
2. BEFORE USE
– This product includes a packaging designed to protect it during transport. Take the refrigerator out of the box. You can keep the original box and other elements in a safe place, this will help you prevent product damage when transporting it in the future. In case the original packaging is disposed of, make sure all packaging materials are recycled accordingly.
– Make sure all parts and components are included and in good conditions. If there is any piece missing or not in good condition, immediately contact the Technical Support Service of Cecotec.
Levelling
– Make sure you level your refrigerator with the front levelling feet. If it is not levelled, the refrigerator performance will be affected, or it can even cause a malfunction.
– After installing the refrigerator, wait 4 hours before using it, to allow the refrigerant to stabilise.
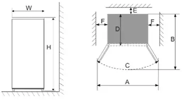
3. INSTALLATION
The location you choose for the refrigerator must be properly ventilated and away from heat sources. Do not place the refrigerator near heat sources, like a cooker, and avoid direct sunlight to ensure the cooling effect and save on energy consumption. It is not recommended to place the refrigerator in a wet place, as it may rust and cause electrical leakage.
During operation, the refrigerator releases heat into the environment. Therefore, you should leave at least 300 mm of free space at the top, more than 100 mm on both sides and more than 50 mm at the rear of the refrigerator.
| Width (mm) | 839 |
| Depth (mm) | 637 |
| Height (mm) | 1763 |
| A (mm) | 1447 |
| B (mm) | 1013 |
| C (°) | 140 |
| E (mm) | 50 |
| F (mm) | 100 |
Fig. 2
Note
Figure 2 only illustrates the space required for the refrigerator.
Stable surface
Place the refrigerator on a solid, flat surface to keep it stable, otherwise vibrations and noises will occur.
Ensure a ventilation free of obstacles around the refrigerator.
Preparing for use
Waiting time
Once the refrigerator is installed and clean, do not turn it on immediately, wait at least 4 hours before connecting it to the power supply.
Cleaning
Check the position of the shelves and drawers in the interior of the refrigerator and clean the interior with a soft cloth.
On
Connect the plug into a power socket to switch on the refrigerator. After one hour, open the freezer compartment door, if the temperature inside the freezer compartment has clearly dropped, the cooling system is operating normally.
Food storage
– Once the refrigerator is operating, insert the food.
– When the temperature is high, food may take longer to cool completely (try to open the refrigerator doors as infrequently as possible).
If the refrigerator is installed in a wet place, you must check the earthed cord and the leakage breaker are working normally. If vibration noises occur due to contact of the refrigerator with the wall or if the wall turns black due to air convection around the compressor, remove the refrigerator from the wall.
The installation of the refrigerator may cause noise interference or image problems in mobile phones, landline phones, radio receivers or televisions near the refrigerator, so in this case, keep the refrigerator as far away from these objects as possible.
4. OPERATION
Fig. 3 Control panel
- Freezer compartment icon
- Smart icon
- Inverter icon
- Fast freeze icon
- Temp. Zone button
- Function button
- Unlock button
- Refrigerator compartment icon
- Digital temperature indicator
- Temperature button
- OK button
When you connect the refrigerator to the power supply for the first time, all icons on the display will light up for 2 seconds, and the system will activate the Smart function by default. When all doors are closed, the display will automatically switch off if no button is pressed within 3 minutes. The display will light up if you open a door or press a button. Please note that the child lock is activated after 3 minutes of inactivity so the buttons will be inactive until you deactivate the child lock.
The Inverter icon will light up when the refrigerator is connected to the mains and the compressor starts.
Functions
Temperature setting
Setting the refrigerator compartment temperature
Press the Temp. Zone button until the refrigerator compartment icon starts flashing, then press the temperature button to select the desired temperature; finally, press the OK button to confirm the setting.
The temperature setting cycles of the refrigerator compartment are:
5ºC > 6ºC > 7ºC > 8ºC > OFF > 2ºC > 3ºC > 4ºC > 5ºC
OFF means the refrigerator compartment is off, and when you activate this function, the refrigerator will stop cooling.
Make sure you remove all the food from the refrigerator compartment before setting this function.
Setting the freezer compartment temperature
Press the Temp. Zone button until the freezer compartment icon starts flashing, then press the temperature button to select the desired temperature; finally, press the OK button to confirm the setting.
The temperature setting cycles of the freezer compartment are:
-18ºC > -17ºC > -16ºC > -24ºC > -23ºC > -22ºC > -21ºC > -20ºC > -19ºC > -18ºC
Fast freeze
When you activate the fast freeze function, the freezer compartment temperature will be set to -32°C automatically. The fast freeze function is used to prevent loss of nutritional quality and to preserve the freshness of the food.
You cannot modify the temperature of the freezer compartment in the fast freeze function.
Activation of the fast freeze function
Press the Function button until the fast freeze icon starts flashing, then press the OK button within 5 seconds to confirm your choice. If you do not press the OK button within 5 seconds, the function will not be activated.
Deactivation of the fast freeze function
After 26 hours of operation, the fast freeze function will be automatically deactivated. With the fast freeze function activated, press the Function button until the fast freeze icon starts flashing, then press the OK button to confirm and the fast freeze function will be deactivated.
When you activate the Smart function, the fast freeze function is automatically deactivated.
Smart
When you activate the Smart function, the temperature in the refrigerator compartment will be set to 5°C and the temperature in the freezer compartment will be set to -18°C, so that food will be preserved in the best possible conditions and the refrigerator will operate as efficiently as possible.
You cannot modify any temperature in the Smart function.
Activation of the Smart function
Press the Function button until the Smart icon starts flashing, then press the OK button within 5 seconds to confirm your choice. If you do not press the OK button within 5 seconds, the function will not be activated.
Deactivation of the Smart function
– With the Smart function activated, press the Function button until the Smart icon starts flashing, then press the OK button within 5 seconds to confirm your choice. The Smart function will be deactivated.
– When you activate the fast freeze function, the Smart function is automatically deactivated.
Child lock system
– When you activate the child lock, you cannot change the temperature and function to prevent undesired changes.
– If you do not press any button within 3 minutes, the child lock function will be activated automatically.
Manual deactivation of the child lock
Hold down the Unlock button for 3 seconds to deactivate the child lock.
Note
The child lock function is not available on the product with glass door.
Open door alarm
If any door is open for more than 3 minutes, the refrigerator will emit an alarm sound, which can be stopped by pressing any key, but will sound again if the door is still open 3 minutes later. The alarm sound will not stop until you close the door.
Function memory after a power failure
In the event of a power failure, the refrigerator will save the functions set before the power failure and will activate them when the power is restored.
Delay start
To prevent damage to the refrigerator compressor in the event of a short power failure (i.e. less than 5 minutes), the compressor will not start immediately after switching on.
Overheating warning (only after a power failure)
When the refrigerator cooling system is on, if the freezer compartment temperature is above -10°C, the freezer compartment temperature digits will flash on the display. The display will show the temperature of the freezer compartment when you press any button, and it will return to its usual state when you press any button again or after 10 seconds.
Fault alarm
If the display shows E0, E1, E2, EH or EC, it indicates there has been a refrigerator failure. Contact the Technical Support Service of Cecotec.
5. INSTRUCTIONS ON FOOD STORAGE
Use cautions
– The refrigerator may not operate consistently (there may be some defrosting of the contents or the temperature may become too hot in the freezer compartment if placed in locations with a temperature out of the temperature range for which they are designed for a long period of time).
– The internal temperature may be affected by factors such as the location of the refrigerator, room temperature and the door opening frequency, etc., and you should take these factors into account if you decide to use any temperature control devices.
– Effervescent or carbonated drinks should not be stored in the freezer compartment or drawer of the refrigerator.
Food location
– Due to the circulation of cold air in the refrigerator, the temperature in each zone is different, so food must be placed in different zones.
– The refrigerator compartment is suitable to store food that does not need to be frozen, cooked food, beer, eggs, some seasonings that need to be kept cold, milk, fruit juice, etc. The fruit and vegetable crisper drawer is the best place to store fruit and vegetables.
– The freezer compartment is suitable to store ice cream, frozen foods and foods that need to be kept for a long time.
Use of the refrigerator compartment
– Shelves: to remove the shelves, first lift them up and then pull them out; to put them back, put them into their position before lowering them. Keep the rear edge of the shelf facing upwards, to prevent food from coming into contact with the wall. When removing and fitting shelves, hold them firmly and handle them carefully to avoid damage.
– Refrigerator compartment drawer: pull out the fruit and vegetable crisper drawer to access the food. After using or cleaning the bottom shelf of the refrigerator (the drawer cover), put it back in place so that the internal temperature of the drawer is not affected.
Humidity control of the drawer
– The selector for the drawer humidity is designed to keep moisture steady and the vegetable freshness.
– If you slide the humidity selector to the right, more gaps will be exposed and the drawer will have a lower humidity level.
– If you slide the humidity selector to the left, less gaps will be exposed and the drawer will have a higher humidity level.
Care for food storage
– Clean and dry food completely before storing it in the refrigerator. Before introducing food in the refrigerator, it is advisable to seal it to prevent water evaporation and thus keep fruit and vegetables fresh on the one hand, and to prevent odours on the other.
– Leave enough space between the food; if they are too close together, they will block the flow of cold air, which will affect the cooling effect. Do not store too much or too heavy food to prevent the shelves from bending. When storing food, leave a distance from the interior wall; do not place water-rich food too close to the inner wall of the refrigerator to prevent it from freezing on the interior wall.
– Food storage by category: place daily food items at the front of the shelf so that you can reduce the door opening time and avoid food spoilage due to shelf life.
– Energy saving tips: let hot food cool down to room temperature before introducing it in the refrigerator. Place frozen food in the refrigerator compartment to defrost it.
Storage of fruits and vegetables
Please note that some types of fresh vegetables and fruits are sensitive to cold and therefore not suitable for storage in the refrigerator crisper drawer.
Use of the freezer compartment
The temperature of the freezer compartment is kept at -18ºC, so it is advisable to store food that you wish to keep for a long period of time in the freezer compartment, always respecting the storage time indicated on the food packaging. The freezer compartment drawers are suitable to store food which needs to be frozen. Large fish and meat should be cut into small pieces and placed in freezer bags before placing them in the freezer compartment drawers.
– Let hot food cool down to room temperature before introducing it in the freezer compartment.
– Do not place a glass container with liquid or sealed canned liquid in the freezer compartment to prevent them from exploding due to volume expansion after freezing the liquid.
– Divide food into small portions.
– Food should be packed or covered with suitable materials that are firm, tasteless, impermeable to air and water, non-toxic and non-polluting, to avoid cross-contamination and odour transfer.
Use of the ice cube tray
Place the ice cube tray in the upper part of the freezer compartment so that it freezes as quickly as possible.
6. CLEANING AND MAINTENANCE
If the refrigerator is not to be used for a long period of time:
– Turn off the refrigerator and unplug it from the power supply.
– Remove all the food.
– Clean and dry the interior completely. To prevent mould or unpleasant odours from forming, leave the door slightly open: lock it open or remove it if necessary.
– Store the appliance in a ventilated and dry place, away from heat sources; place the appliance carefully and do not place heavy objects on it.
– The unit must be kept out of the reach of children to prevent them from playing with it.
Before cleaning, disconnect the power plug; do not connect or disconnect the power plug with your hands wet, as there is a risk of electric shock and injury. Do not spill water directly on the refrigerator to avoid rust, electrical leakage and accidents. Do not reach into the bottom of the refrigerator, as you may get scratched by the sharp metal corners.
Interior and exterior cleaning
– Food residues in the refrigerator can cause undesired odours, so you should clean the refrigerator regularly. The refrigerator compartment should be cleaned once a month.
– Remove all shelves, the crisper drawer, etc., and clean them with a soft cloth or sponge dampened with warm water or neutral detergent.
– Clean the dust that accumulates on the rear panel and side panels of the refrigerator regularly.
– After using neutral detergent, make sure you rinse it with clean water, and then dry it with a cloth.
Do not use bristle brushes, steel wire brushes, detergent, soap powder, alkaline detergent, benzine, petrol, acid, hot water or other corrosive elements to clean the refrigerator surface, door gasket, plastic decorative parts, etc., to avoid damage.
– Carefully dry the door gasket and clean the slot with a wooden stick wrapped with cotton. After cleaning, fix the four corners of the door gasket and then gradually push it into the slot in the door.
Power failure or cooling system fault
– If you receive an early power failure warning:
1. Activate the fast freeze function, so that food is completely frozen. Set the temperature back to the original setting when the power supply returns to normal.
Note:
It is advisable to run the refrigerator uninterruptedly once you start using it.
Defrost
This refrigerator includes an automatic defrost function, so there is no need to defrost it manually.
Light bulb substitution
The refrigerator has a LED light with low consumption and a long shelf life. In case of malfunction, contact the official Technical Support Service of Cecotec. The light bulb can only be substituted by the manufacturer.
Note:
If the power cord and/or plug are damaged or dusty, electric shock and fire may occur. If there is any malfunction, disconnect the cord and contact the Technical Support Service of Cecotec.
7. TROUBLESHOOTING
For the following minor malfunctions, please try to solve the problem yourself before contacting Cecotec Technical Support Service.
| Fault | Possible causes | Possible solutions |
| The refrigerator does not work. | – The refrigerator is not connected to the mains. – The circuit breakers or fuses are damaged. – There is no power or the fuse trips. | – Plug the refrigerator into the mains. – Open the door and check the light is on. – Check the electrical installation and protection elements. |
| Abnormal noise | – The refrigerator is not stable. – The refrigerator is in contact with the wall. | – Set the adjustable feet of the refrigerator. – Separate the refrigerator from the wall. |
| Low cooling efficiency | – The food introduced is hot or there is too much food. – You open the door too often. – The door gasket has objects that do not allow to close it completely. – The refrigerator receives direct sunlight or is close to a heat source. – The refrigerator is not well ventilated. – The selected temperature is too high. | – Introduce food in the refrigerator when it is at room temperature. – Check and close the door. – Remove the refrigerator from the heat source. – Keep the recommended distances in the installation section so the refrigerator is well ventilated. – Set a suitable temperature. |
| Unpleasant smells in the refrigerator | – There is spoiled food inside. – The refrigerator is dirty. – You introduced food with strong smells. | – Dispose of food which is spoiled. – Clean the refrigerator. – Pack food, especially if it has a strong smell. |
| The buttons do not work | Check if the child lock is active. | Hold down the Unlock button for 3 seconds to deactivate the child lock and press any button. (To get more information, read the instructions on the child lock). |
| You cannot set the temperature. | Check if the Smart or fast freeze functions are not active on the control panel. | Deactivate the special functions and then set the temperature (for more details, check the Functions section). |
| The temperature on the freezer compartment is shown on the panel, but it flashes. | Check that the power supply has not been cut off before. | Press any button to activate the alarm (check the overheating warning section) and check that the food inside the refrigerator is not spoiled. |
Note
– If none of these situations match your problem, do not attempt to disassemble or repair the refrigerator yourself. Repairs carried out by unqualified persons may result in injury or serious malfunctions. Please contact the place where you bought the appliance or the Cecotec Technical Support Service. The repair must be carried out by an authorised technician and you must use only original spare parts.
– When the unit is not to be used for a long period of time, disconnect it from the mains, empty all food and clean the refrigerator, leaving the door slightly open to avoid unpleasant odours.
8. TECHNICAL SPECIFICATIONS
You can access the product database where the information for this model is stored by scanning the QR code on the energy label.
| Product | Bolero CoolMarket SBS 430 White | Bolero CoolMarket SBS 430 Inox | Bolero CoolMarket SBS 430 Dark |
| Reference: | 02381 | 02382 | 02383 |
| QR code | ![]() | ![]() | ![]() |
| Voltage | 220-240 V | ||
| Rated frequency | 50/60 Hz | ||
| Rated current | 1,9 A | ||
| Climate class | SN/N/ST/T* | ||
| Refrigerant | R600a (72 g) | ||
| Insulation | Cyclopentane | ||
(*) Refrigerator intended for use at room temperatures between 10 °C and 43 °C.
This product features a light source with an energy efficiency grade G.
Technical specifications may change without prior notification to improve product quality.
Manufactured in China | Designed in Spain
9. DISPOSAL OF OLD ELECTRICAL APPLIANCES
This symbol indicates that, according to the applicable regulations, the product and/or battery must be disposed of separately from household waste. When this product reaches the end of its shelf life, you should dispose of the batteries/accumulators and take them to a collection point designated by the local authorities.
Consumers must contact their local authorities or retailer for information concerning the correct disposal of old appliances and/or their batteries.
Compliance with the above guidelines will help to protect the environment.
10. TECHNICAL SUPPORT AND WARRANTY
Cecotec shall be liable to the end user or consumer for any lack of conformity that exists at the time of delivery of the product under the terms, conditions and deadlines established by the applicable regulations.
It is recommended that repairs be carried out by qualified personnel.
If at any moment you detect any problem with your product or have any doubt, do not hesitate to contact Cecotec official Technical Support Service at +34 963 210 728.
11. COPYRIGHT
The intellectual property rights over the texts in this manual belong to CECOTEC INNOVACIONES, S.L. All rights reserved. The contents of this publication may not, in whole or in part, be reproduced, stored in a retrieval system, transmitted or distributed by any means (electronic, mechanical, photocopying, recording or similar) without the prior authorization of CECOTEC INNOVACIONES, S.L.


Fig. 1 Fig. 3

Fig. 2 Fig. 4
Cecotec Innovaciones S.L.
C/ de la Pinadeta s/n, 46930
Quart de Poblet, Valencia (Spain)
YV01220209





















