VIVOTEK AU-001 Network Horn Speaker Installation Guide
INTRODUCTION
AU-001 IP Network Horn Speaker is an outdoor speaker providing long range voice alarm to warn the intruders who can be detected and triggered by smart VCA. It is also compatible with VAST2 for all the functionalities.
The loudspeaker has a high sound with a sensitivity of 104 dB. The AU-001 can be placed anywhere, enabling a flexible, scalable and cost-effective approach to system design. It is easy to install with built-in PoE (Power over Ethernet).
PACKAGE CONTENTS
- 1x Network Horn Speaker
- 1x Quick Installation Guide
- 1x Cable Gland
IMPORTANT:
- Use CAT5/5e/6/6e UTP/STP cables.
- Default User name: admin
- Default Password: 1234
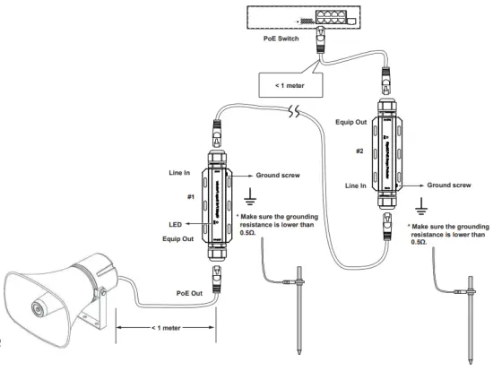
CONNECTION


All specifications are subject to change without noice.
Copyright © 2021 VIVOTEK INC. All rights reserved.
VIVOTEK INC.
6F, No.192, Lien-Cheng Rd., Chung-Ho, New Taipei City, 235, Taiwan, R.O.C.
|T: +886-2-82455282| F: +886-2-82455532| E: [email protected]
VIVOTEK USA, INC.
2050 Ringwood Avenue, San Jose, CA 95131
|T: 408-773-8686| F: 408-773-8298| E: [email protected]
VIVOTEK Europe
Zandsteen 15, 2132 MZ Hoofddorp Delta Electronics
T: +31 (0)20 800 3817 E: [email protected]



















