
Installation and Operation Data
Installation and
Operation Manual
Jandy ® Cartridge
Pool Filters
CL and CV Versa-Plumb ™
Series Filters
WARNING
FOR YOUR SAFETY – This product must be installed and serviced by a professional pool/ spa service technician. The procedures in this manual must be followed exactly. Improper installation and/or operation can create dangerous high pressure which can cause the filter lid to be blown off, possibly causing death, serious injury or property damage. Improper installation and/or operation will void the warranty. Before installing this product, read and follow all warning notices and instructions that
accompany this filter. Failure to follow warning notices and instructions may result in property damage, serious injury, or death.
EQUIPMENT INFORMATION RECORD
DATE OF INSTALLATION………….
INITIAL PRESSURE GAUGE READING (WITh CLEAN FILTER)…………..
PUMP MODEL…………….
HORSEPOWER…………….
FILTER MODEL…………..
SERIAL NUMBER……………
NOTES:…………………………..
Section 1. Safety Information
1.1 Important Safety Warning
WARNING
- Do not connect the system to an unregulated city water system or another external source of pressurized water producing pressures greater than 35 PSI.
- Pressurized air in the system can cause the filter lid to be blown off which can result in death, serious personal injury, or property damage. Be sure all air is out of the system before operating or testing the equipment.
WARNING
MAXIMUM OPERATING PRESSURE OF ThE FILTER IS 50 PSI. NEVER SUBJECT ThE FILTER TO ANY OPERATING PRESSURE EXCEEDING 50 PSI.
This filter operates under high pressure. When any part of the circulating system, i.e., filter, pump, valve(s), clamp, etc. is serviced, air can enter the system and become pressurized when the system is restarted. Pressurized air can cause the filter lid to be blown off which can result in death, serious personal injury or property damage. To avoid this potential hazard, follow all of the instructions in this manual.
WARNING
To minimize the risk of severe injury or death the filter and/or pump should not be subjected to the piping system pressurization test.
Local codes may require the pool piping system to be subjected to a pressure test. These requirements are generally not intended to apply to the pool equipment such as filters or pumps. Jandy pool equipment is pressure tested at the factory.
If however this WARNING cannot be followed and pressure testing of the piping system must include the filter and/or pump BE SURE TO COMPLY WITH THE FOLLOWING SAFETY INSTRUCTIONS:
- Check all clamps, bolts, lids, lock rings, and system accessories to ensure they are properly installed and secured before testing.
- RELEASE ALL AIR in the system before testing.
- Water pressure for the test must NOT EXCEED 35 PSI.
- Water temperature for the test must NOT EXCEED 100°F (38°C).
- Limit test to 24 hours. After the test, visually check the system to be sure it is ready for operation.
Notice: These parameters apply to Jandy equipment only. For non-Jandy equipment, consult the equipment manufacturer.
General Safety Instructions
ATTENTION INSTALLER:
This manual contains important information about the installation, operation and safe use of this product. This information should be given to the owner/operator of this equipment.
- Use equipment only in a pool or spa installation.
- Before repositioning valve(s) and before beginning the assembly, disassembly, or adjustment of the clamp, or any other service of the circulating system; (A) turn the pump off and shut off any automatic controls to ensure the system is not inadvertently started during servicing; (B) open the air release valve; (C) wait until all pressure is relieved (air will have stopped flowing from the air release valve).
- Whenever installing the filter clamp follow Section 3.4 of this manual, “Clamp Installation”.
- Once service on the circulation system is complete, follow Section 4 of this manual, “Start-up and Operation”.
- Maintain circulation system properly. Replace worn or damaged parts immediately.
- Be sure that the filter is properly mounted and positioned according to these installation instructions.
- Do not pressure test above 35 PSI. Pressure testing must be done by a trained pool professional.
SAVE THESE INSTRUCTIONS.
Section 2. General Information
2.1 Introduction
This manual contains information for the proper installation and operation of the Jandy ® CL and CV Series Cartridge Filters. Procedures in this manual must be followed exactly. To obtain additional copies of this manual contact us at 707.776.8200 ext. 237. For address, information see back cover.
2.2 Description
Cartridge filters do not require sand or diatomaceous earth as the filter medium. Instead, the filter contains filter elements that are easily removed for cleaning or replacement.
Dirty water flows into the filter tank through the water line connected to the lower bulkhead (inlet) on the bottom half of the tank body. It is directed through the filter cartridge inside of the filter. The debris is collected in the filter and the clean water flows out of the filter through the upper bulkhead (outlet) on the bottom half of the tank body. Clean water is returned through the piping system to the pool.
As debris collects in the filter, the pressure will rise and water flow to the pool will diminish. The filter will eventually become so plugged with debris that it will be necessary to remove the filter cartridges and clean them with soap and water.
NOTE A filter removes dirt and other suspended particles but does not sanitize the pool. Pool water must be sanitized and chemically balanced for clear water. The filtration system should be designed to meet local health codes. At a minimum, the system should turnover the total volume of water in your pool two to four times in a 24 hour period.
2.3 General Requirements
- For best overall performance place the system as close to the pool as possible.
- The filter should be located on a level concrete slab so that the orientation of the valve outlets and the pressure gauge are convenient and accessible for the installation and operation of the unit.
- Protect the filter from the weather.
- If fitting a chlorinator and/or any other device into the filtration plumbing circuit, great care must be exercised to ensure that the appliance is installed in accordance with the Manufacturer’s Instructions and any standards that may exist.
- We recommend the use of barrel unions to connect each component of the water conditioning system to ease in future servicing. Barrel unions are
provided with all Jandy filters.
WARNING The maximum operating pressure for this filter is 50 psi. Never subject the filter to operating pressure exceeding 50 psi. Operating pressures above 50 psi can cause the lid to be blown off, which can result in death, serious personal injury, or property damage. - When performing hydrostatic pressure tests or when testing for external leaks of the completed filtration and plumbing system, ensure that the maximum pressure the filtration system is subjected to does not exceed the maximum working pressure of any of the components within the system.
2.4 Specifications and Dimensions
See Table 1 and Figure 1.
Table 1. Cartridge Filter Specifications
| CL/CV | 340 | 460 | 580 |
| Filter Area (ft2) | 340 | 460 | 580 |
| Max. Flow (GPM) | 127 | 150 | 150 |
| Six-Hour Capacity (gal.) | 45,720 | 54,000 | 54,000 |
| Max. Working Pressure (psi) | 50 | 50 | 50 |
| Normal Start Up Pressure (psi) | 6-15 | 6-15 | 6-15 |
| Dimension “A” | 41 in. | 41 in. | 47 in. |

Figure 1. Dimensions, Jandy CL and CV Series Cartridge Filters
Section 3. Installation Instructions
WARNING
Use equipment only in a pool or spa installation.
Do not connect the system to an unregulated city water system or another external source of pressurized water producing pressures greater than 35 psi.
3.1 Filter Location
- Select a well-drained area, one that does not flood when it rains. Damp, non-ventilated areas should be avoided.
- Provide solid mounting for the filter and pump system. Install the system on a concrete slab or solid concrete blocks to avoid the risk of settlement. Do not use sand to level the filter as the sand will wash away. Filter systems can weigh up to 800 lbs.
- Install electrical controls at least five (5) feet from the filter. This will allow enough room to stand away from the filter during start-up.
- Allow sufficient clearance around the filter to permit a visual inspection of the clamp ring (see Fig. 2).
- Allow sufficient space above the filter to remove the filter lid and filter element for cleaning and servicing.
- Position the filter to safely direct water drainage. Align the air release valve to safely direct purged air or water.
WARNING
Water discharged from an improperly positioned filter or valve can create an electrical hazard that can cause death, serious injury or property damage.
CAUTION
Maintain your pressure gauge in good working order. The pressure gauge is the primary indicator of how the filter is operating.
- If the filter needs to be located above the water level of the pool, it can be raised 2.5 ft. without affecting the pump efficiency. A check valve is recommended on the suction line to the pump.
- If the filter is to be installed below the water level of the pool, isolation valves should be installed on both the suction and return lines to prevent back flow of pool water during any routine servicing that may be required.
3.2 Anchor Bracket Installation
In some areas, for example Florida, building codes require that all appliances be securely fastened to the equipment pad in order to withstand high wind pressures created by hurricanes. Jandy provides an anchor bracket kit for this purpose. Please see the Parts List in Section 9 of this manual for the correct part number. Follow the Anchor Bracket Installation Kit Instructions to attach the brackets to the filter.
NOTE Anchor screws and washers for securing the anchor bracket to the equipment pad are not included with the filter or the anchor bracket kit. Jandy recommends that a ¼” x 2¼” long stainless steel Tapcon ® concrete screw and stainless steel flat washer are used to mount each anchor bracket to the equipment pad. The Tapcon concrete screw meets Florida building code requirements.
After placing the filter on the equipment pad, as outlined in Section 3.1, drill a 5/32″ hole in the concrete at each of the four brackets on the filter. (The correct size concrete drill bit should be obtained when the concrete screws are purchased.) Install the Tapcon ® screws and washers through each of the four (4) anchor brackets to secure the filter to the equipment pad. See Figure 3. Do not over-torque the screws.
3.3 Filter Preparation
- Check the carton for damage due to rough handling in shipment. If the carton or any filter components are damaged, notify the carrier immediately.
- Carefully remove the accessory package.
- A visual inspection of all parts should be made now. See parts list in Section 9.
- With the carton in an upright position, remove the filter tank from the carton.
- To mount the pressure gauge/air release assembly to the top of the filter tank (located in the accessory bag):
a. Place the smaller, thicker o-ring onto the threads of the tank adapter (see Figure 4). Slide the tank adapter through the coupling

Figure 3. Anchor Bracket Installation

Figure 4. Pressure Gauge/Air Release Assembly nut and into the filter tank. Use the flats on the tank adapter to tighten. Do not overtighten.
b. Place the larger, thinner o-ring onto the gauge housing. Thread the housing into the coupler on the tank adapter.
c. Orient the gauge/air release assembly in the desired position. Raise and thread the locknut onto the bottom of the gauge/air release assembly. Hand tighten the nut only. Using a wrench to tighten the nut may damage the nut, gauge or air release assembly.
3.4 Filter Plumbing
- This filter operates under pressure. When clamped properly and operated without air in the water system, this filter will operate in a safe manner.
- If the system can be subjected to higher pressure than the maximum rating of any component, install an ASME-approved automatic pressure relief valve or pressure regulator in the circulation system. Set the relief valve or pressure regulator to lowest working pressure of any of the components in the system.
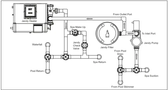
- Place the filter on the concrete pad, lined up with the inlet/outlet pipes (see Figures 5 and 5A).
- To reduce pressure losses, 2″ (minimum) piping is recommended for plumbing the system.
- For best efficiency use the fewest possible number of fittings. This will prevent a restriction in the water flow.
5.1 The CV model filter comes with a Jandy Sweep Elbow for this purpose. The sweep elbow also includes a threaded port and plug so that a ½” hose bib can be connected for
pressure testing. See Figure 7.
5.2 To install the sweep elbow use the following instructions:

a. Switch off the circuit breaker to the equipment and open the air relief valve on top of the filter (leave it open during this procedure).
NOTE If the filter is below pool level, close the suction and return line valves to isolate the filtration system. Remove the drain plug from the filter. Let the water drain from the filter.




b. Be sure there is a minimum distance of 7½ inches between the center of the pump outlet port and the filter inlet bulkhead to accommodate the sweep elbow(s). See Figure 8 for recommended installation configuration.
NOTE The SHP pump shown in Figure 8 is for reference only. The Jandy sweep elbow also works with the MHP and PHP series pumps.
NOTE Be sure to use 2″ or 2½” schedule 40 PVC pipe.
c. Clean the cut ends of the pipe and both ends of the sweep elbow(s) with an appropriate NSF ® approved All Purpose cleaner/primer. Glue the sweep elbow(s) onto the cut pipe ends using an appropriate All-Purpose NSF ® approved adhesive/glue.
NOTE: Jandy recommends Weld-On 724 PVC to CPVC Cement to glue Schedule 40 PVC.
d. After the glue is cured, close the pressure relief valve on top of the filter, start the system and check for proper water flow.
6. Make all plumbing connections in accordance with local plumbing and building codes. Filter connections are provided with an o-ring seal. To avoid damage to the o-rings, use only a silicone base lubricant on the o-rings. Do not use pipe joint compound, glue or solvent on inlet/outlet union coupling nuts.
7. Keep piping tight and free of leaks. Pump suction line leaks may cause air to be entrapped in filter tank or loss of prime at the pump. Pump discharge line leaks may show up as dampness or jets of water.
8. Support the inlet/outlet pipes independently to prevent any undue strains on the filter valve.
9. Connect the pipes using the unions supplied with the filter. Do not use Teflon tape or pipe dope on any unions. Assemble the unions dry and hand tighten. See Figure 6.
10. If desired, the CV filter drain can be plumbed using a Jandy universal union. The plumbing must contain a ball valve as shown in Figure 6.
Be sure that all provisions for wastewater disposal meet local, state or national codes. During any draining process, one hundred gallons (100 gals.) or more of pool water will be discharged. CL and CV (Cartridge) Filters are not subject to backwashing. Do not discharge water where it will cause flooding or damage.


3.5 Clamp Installation
- Be certain the o-ring is in position in the lower tank half. Press the filter lid over the lower half sandwiching the o-ring between the two halves.
- Holding the ends of the filter clamp apart, position the hinged segment of the filter clamp over both upper and lower tank flanges. Bring the ends of the filter clamp together.
- Place the “T” nut and threaded rod assembly into the clamp. Be sure the “T” nut is seated in the clamp in the proper orientation (See Fig. 9).
- Use a 9/16″ socket on the tightening nut until the clamp ring halves touch each other, or are within 1/16″ (See Fig. 9) but do not overtighten as the clamp can break. If unable to tighten as indicated, do not operate the filter and call a service technician immediately.
- After the first week of operation, check the clamp and retighten if necessary.
- Check the filter clamp at least once a month.
WARNING
Follow these instructions carefully.
Improper clamp installation can cause the filter lid to be blown off, which can result in death, serious personal injury, or property damage.
Section 4. Start-Up and Operation
NOTE This section applies to both new pool and seasonal start-ups.
- Turn off the pump. Switch off the circuit breaker to the pump motor.
- Check that the drain plug for CL filters or drain cap for CV filters is in place and tight.
- Check that the tank clamp is correctly seated and tight (See Figs. 9 and 10).
WARNING
NEVER start the pump while standing within five (5) feet of the filter. Starting the pump while there is pressurized air in the system can cause the filter lid to be blown off, which can cause death, serious personal injury or property damage.
WARNING
NEVER operate the filter system at more than 50 psi of pressure. Operating the filter system in excess of 50 psi can cause the filter lid to be blown off, which can cause death, serious personal injury or property damage.
CAUTION
DO NOT operate filter at water temperatures above 105° F (40.6° C). Water temperatures above the manufacturer’s recommendations will shorten the life span of the filter and void the warranty. - Open the pump hair/lint pot lid and fill the pump basket with water to prime the system. Replace the lid. (You may have to do this several times on new and seasonal start-ups.)
- Completely open the air release valve on the gauge/air release assembly by turning the knob on the back of the assembly fully counterclockwise (do not remove the knob).
- Be sure to open any filter isolation valves that were installed in the system.
- Stand clear of the filter and start the pump to circulate water through the system. When a steady stream of water starts to come out of the air release valve, close the valve.
- Watch the pressure gauge to be sure that the pressure does not exceed 50 psi (with clean cartridges). If the pressure approaches 50 psi, immediately turn the pump off and clean the filter cartridges (see Section 6.3). If the pressure remains high after cleaning the filter, refer to the troubleshooting guide in Section 8 for possible causes and solutions.

- After the pressure gauge has stabilized, turn the bezel ring so that the arrow next to the word “CLEAN” aligns with the needle of the gauge. As the filter cleans the water, and the cartridges begin to clog the pressure begins to increase. When the needle of the pressure gauge aligns with the arrow next to the word “DIrTy” on the bezel, it is time to clean the filter (see Section 6.3). This indicates an increased pressure of between 10 and 12 psi above original starting pressure.
Section 5. Filter Disassembly and
Assembly
- Turn off the pump. Switch off the circuit breaker to the pump motor.
- IMPORTANT: Completely open-air release valve on top of the filter tank to release all pressure from inside the tank and system.
- Close the filter isolation valves on the system to prevent flooding.
- Remove the drain plug located at the bottom of the filter tank and allow the tank to drain.
- Replace the drain plug.
- Loosen the tank clamp ring retainer and remove the clamp ring.
- remove the top of the filter tank by lifting it straight up until it clears the cartridges on the inside of the tank.
- Remove the manifold assembly by lifting it off of the outlet tube and out of the tank.
- Pull the cartridges out of the filter tank and clean the cartridge using the instructions in Section 6.3.
- Using new cartridges or the clean original ones, place the cartridges back into the filter tank. Be sure that they are correctly seated on the cartridge support on the bottom of the tank.
- Inspect the o-ring at the top of the outlet tube for cracks and wear marks. Replace if necessary.
- reinstall the manifold making sure that it fits squarely over the cartridges and outlet tube.
- Inspect the tank o-ring for cracks or wear marks. Replace if necessary. Place the o-ring back onto the filter bottom.
- Place the filter lid onto the filter tank bottom.
- Replace the tank clamp ring. See Section 3.4 for clamp installation.
- Start the pump by following the procedures outlined in steps 2 through 7 of Section 4.1.
Section 6. Maintenance
6.1 General Maintenance
- Wash outside of the filter with a mild detergent and water. Rinse off with a hose. Do not use solvents to clean the filter, solvents will damage the plastic components of the filter.
- Check pressure during operation at least once a week.
- Remove any debris from the skimmer basket and hair/lint pot on the pump.
- Check the pump and filter for any leaks. If any leaks develop, turn off the pump and call a qualified pool service technician.
- Product safety signs or labels should be periodically inspected and cleaned by the product user as necessary to maintain good legibility for safe viewing distance.
- Product safety signs or labels should be replaced by the product user when a person with normal vision, including corrected vision, is no longer able to read the safety signs or label message panel text at a safe viewing distance from the hazard. In cases where the product has an extensive expected life or is exposed to extreme conditions,
the product user should contact either the product manufacturer or some other source to determine means for obtaining replacement signs or labels. - Installation of new replacement safety signs or labels should be in accordance with the sign or label manufacturer’s recommended procedure.
6.2 Pressure Gauge
- During the operation of the filtration system, check the pressure gauge/air release assembly for air or water leaks at least once a week.
- Keep the pressure gauge in good working order. If you suspect a problem with the gauge, Jandy recommends you call a qualified service technician to do any work on the filter/pump system.
CAUTION
Maintain your pressure gauge in good working order. The pressure gauge is the primary indicator of how the filter is operating.
6.3 Cleaning the Filter Cartridge
- Follow the procedures outlined in steps 1 through 8 of Section 5.1 to expose the cartridge elements inside the filter.
- Remove cartridge elements and place them upright in an area suitable for washing.
- Use a garden hose and nozzle to wash each pleat of each element.
NOTE Algae, suntan oil, calcium and body oils can form coatings on filter element which may not be removed by normal hosing. To remove such materials, soak the element in a de-greaser and then a de-scaler. Your local pool dealer will be able to recommend suitable products. - Inspect each cartridge for holes, tears or excessively worn pleats. Replace if necessary.
- To reassemble the filter with the new or clean cartridges follow the procedure outlined in steps 10 through 16 of Section 5.
Section 7. Winterizing
- Turn off the pump and circuit breakers.
- Open-air release valve on top of the filter.
- remove the drain plug at the base of the filter to ensure that the tank is empty. Store the drain plug and seal in a safe place. Do not reinstall until next season at start-up.
- Drain system piping of all water.
- Cover the system with a tarpaulin or plastic sheet to protect it from the weather.
Section 8. Troubleshooting
- For a list of common problems and solutions see the Troubleshooting Guide below.
- Jandy recommends that you call a qualified service technician to do any work on the filter/pump system. For technical service call 707.776.8200, ext. 260.
Table 2. Troubleshooting Guide
| Fault Symptom | Possible Problems | Solutions |
| Water is not clear. | Insufficient disinfectant level. Incorrect pool chemistry. Heavy bathing and/or dirt loads. Insufficient running times. Filter is dirty. Hole in filter element. | Check and adjust the disinfectant level. Test and adjust water chemistry. Adjust filter time and/or water chemistry. Increase pump run time. Clean filter cartridges per instructions. Replace cartridge. |
| Low water flow. | Filter system strainer baskets dirty. Air leaks on the suction side of the pump. Restrictions or blockage in either suction or return lines. Filter cartridges need to be cleaned or replaced. Pool water level too low. The pump not primed. Pump impeller vanes blocked. Strainer baskets not being used and/or broken. (Allow debris into pump.) Pump operating under speed (low voltage). | Check and clean strainer baskets. Check all connections between pool intake and pump. Check all lines for debris or partially closed valves. Clean or replace filter cartridges per instructions. Fill pool so level is above pump inlet line. Fill pump with water at the basket and replace lid. Technician required. Replace baskets. Technician or electrician required. |
| Short filter cycles. | Presence of algae clogging the filter. Incorrect water chemistry. Pump output exceeds the design flow rate of filter. Ineffective cleaning. | Check disinfectant content. Check pH, total alkalinity and TDS. Check pump performance. Clean or replace filter cartridge per instructions. |
| High pressure on start-up. | Small eyeball fitting in Pool/Spa. The partially closed valve on the return line. Too large of the pump. Filter cartridges are dirty. | Replace with larger diameter fitting. Check and fully open all valves on the return line. Check pump and filter selection. Clean filter cartridges per instructions. |
| Dirt returns to pool. | Hole in the filter cartridge. Worn o-ring seal inside filter. | Replace filter cartridge per instructions. Replace o-ring. |
Section 9. Parts List and Exploded View
9.1 Jandy ®
CL and CV Cartridge Filter Parts List
| Key No. | Description | Model No. | Part No. |
| 1 | Handle Assembly w/ hardware (set of 2) | All | R0357100 |
| 2 | Handle Hardware (set of 4) | All | R0359900 |
| 3 | Gauge/Air Release Assembly | All | R0357200 |
| 4 | Pressure Gauge | All | R0359600 |
| 5 | Tank Adapter w/O-ring – Union | All | R0552000 |
| 6 | Tank Top Tank Top | 580 | R0357300 R0554700 |
| 7 | Top Spacer | 340,460 | R0357700 |
| 8 | Breather Tube Assembly | All | R0358700 |
| 9 | Manifold Assembly | All | R0357600 |
| 10 | Filter Cartridge, 145 sq. ft. (4 required) Filter Cartridge, 115 sq. ft. (4 required) Filter Cartridge, 85 sq. ft. (4 required) | All | R0357900 R0554600 R0554500 |
| 11 | Tank Clamp Ring w/Rod Assembly | 580 | R0357400 |
| 12 | Threaded Rod and Retainer | 460 | R0357500 |
| 13 | Tank O-ring | 340 | R0357800 |
| 14 | Outlet Tube/Elbow Assembly w/ O-rings | All | R0555100 |
| 15 | Inlet Elbow w/O-ring | All | R0358400 |
| 16 | Filter Cartridge Support | All | R0358500 |
| 17 | O-ring Replacement Kit (not shown) | All | R0358000 |
| 18 | Ring, Retaining | All | R0405200 |
| 19 | Bulkhead Assembly w/O-ring, CV Filter | All | R0465600 |
| 20 | Anchor Bracket (Qty 4) | All | R0465500 |
| 21 | Tank Bottom Assembly, CV Filter | All | R0465400 |
| 22 | Tank Bottom Assembly, CL Filter | All | R0466500 |
| 23 | Universal Half Unions (Set of 3) and Drain Plug Cap | All | R0461800 |
| 24 | Sweep Elbow (Not Shown) | All | SEFL1002 |
9.2 Jandy ® CL and CV Filters Exploded View

Section 10. Head Loss Curves
10.1 Jandy ® CL and CV Cartridge Filter Design Head Loss Curves
LIMITED WARRANTY
Thank you for purchasing Jandy
pool and spa products. Jandy Pool Products, Inc. warrants all parts to be free from manufacturing defects in materials and workmanship for a period of one year from the date of retail purchase, with the following exceptions: ®
RS units installed with Jandy Surge Protection Kits will be covered for two years.
- NeverLube
- AquaLink ® valves are warranted for the life of pool and/or spa on which they were originally installed.
- AquaPure ® TM Electronic Chlorine Generator Electrolytic Cells carry a 5 year limited warranty on a prorated basis. This warranty is limited to the first retail purchaser, is not transferable, and does not apply to products that have been moved from their original installation sites. The liability of Jandy Pool Products, Inc. shall not exceed the repair or replacement of defective parts and does not include any costs for labor to remove and reinstall the defective part, transportation to or from the factory, and any other materials required to make the repair. This warranty does not cover failures or malfunctions resulting from the following:
- Failure to properly install, operate or maintain the product(s) in accordance with our published Installation, Operation and Maintenance Manuals provided with the roduct(s).
- The workmanship of any installer of the product(s).
- Not maintaining a proper chemical balance in your pool and/or spa [pH level between 7.2 and 7.8, Total Alkalinity (TA) between 80 to 120 ppm, Total Dissolved Solids (TDS) less than 2000 not including salt ppm].
- Abuse, alteration, accident, fire, flood, lightning, rodents, insects, negligence or acts of God.
- Scaling, freezing, or other conditions causing inadequate water circulation.
- Operating the product(s) at water flow rates outside the published minimum and maximum specifications.
- Use of non-factory authorized parts or accessories in conjunction with the product(s).
- Chemical contamination of combustion air or improper use of sanitizing chemicals, such as introducing sanitizing chemicals upstream of the heater and cleaner hose or through the skimmer.
- Overheating; incorrect wire runs; improper electrical supply; collateral damage caused by failure of O-Rings, DE grids, or cartridge elements; or damage caused by running the pump with insufficient quantities of water.
LIMITATION OF LIABILITY:
This is the only warranty given by Jandy Pool Products, Inc. No one is authorized to make any other warranties on behalf of Jandy Pool Products, Inc. THIS WARRANTY IS IN LIEU OF ALL OTHER WARRANTIES, EXPRESSED OR IMPLIED, INCLUDING BUT NOT LIMITED TO ANY IMPLIED WARRANTIES OF FITNESS
FOR A PARTICULAR PURPOSE AND MERCHANTABILITY. JANDY POOL PRODUCTS, INC. EXPRESSLY DISCLAIMS AND EXCLUDES ANY LIABILITY FOR CONSEQUENTIAL, INCIDENTAL, INDIRECT OR PUNITIVE DAMAGES FOR BREACH OF ANY EXPRESSED OR IMPLIED WARRANTY. This warranty gives you specific legal rights. You may also have other rights which vary by state or province.
WARRANTY CLAIMS:
For prompt warranty consideration, contact your dealer and provide the following information: proof of purchase, model number, serial number and date of installation. The installer will contact the factory for instructions regarding the claim and to determine the location of the nearest designated service center. If the dealer is not available, you can locate a service center in your area by visiting www.jandy.com or by calling our technical support department at (707) 776-8200 extension 260. All returned parts must have a Returned Material Authorization number to be evaluated under the terms of this warranty.
6000 Condor Drive, Moorpark, CA, USA 93021 • 707.776.8200 FAX 707.763.7785
Jandy Pool Products, Inc.
6000 Condor Drive • Moorpark, CA USA 93021 • 707.776.8200 • Fax 707.763.7785
Litho in U.S.A. © 2008 Jandy Pool Products, Inc. 0801
For technical support call 707.776.8200, ext. 260



















