AXMINSTER Craft AC15AFS 230V Air Filter


CENTRAL SAFETY RULES
WARNING!
READ AND UNDERSTAND ALL INSTRUCTIONS
Failure to follow all instructions listed below may result in electric shock, fire, and/or serious injury.
SAVE THESE INSTRUCTIONS
WORK AREA
- Keep your work area clean and well lit. Cluttered benches and dark areas invite accidents.
- Do not operate electric products in explosive atmospheres, such as in the presence of flammable liquids, gases, or dust.
- Keep bystanders, children, and visitors away while mounting or maintaining the 3- speed air cleaner.
ELECTRICAL SAFETY
- Grounded products must be plugged into an outlet properly installed and grounded in accordance with all codes and ordinances. Never remove the grounding prong or modify the plug in any way. Do not use any adapter plugs. Check with a qualified electrician if you are in doubt as to whether the outlet is properly grounded. If the product should be electrically malfunction or break down, grounding provides a low resistance path to carry electricity away from the user.
- Double insulated products are equipped with a polarized plug (one blade is wider than the other). This plug will fit in a polarized outlet only one way. If the plug does not fit fully in the outlet, reverse the plug. If it still does not fit, contact a qualified electrician to install a polarized outlet. Do not change the plug in any way. Double insulation eliminates the need for the three wire grounded power cord and grounded power supply system.
- Avoid body contact with grounded surfaces such as pipes, radiators, ranges, and refrigerators. There is an increased risk of electric shock if your body is grounded.
- Do not expose this product to rain or wet conditions. Water entering an electric product will increase the risk of electric shock.
- Do not abuse the Power Cord. Never use the Power Cord to carry the product or pull the Plug from an outlet. Keep the Power Cord away from heat, oil, sharp edges, or moving parts. Replace damaged Power Cords immediately. Damaged Power Cords increase the risk of electric shock.
- Stay alert. Watch what you are doing, and use common sense when operating a power product. Do not use a power product while tired or under the influence of drugs, alcohol, or medication.
- Dress properly. Do not wear loose clothing or jewelry. Contain long hair. Keep your hair clothing, and gloves away from moving parts. Loose clothes, jewelry, or long hair can be caught in moving parts.
- Avoid accidental starting. Be sure the Power Switch is off before plugging in.
- Use safety equipment. Always wear eye protection. During installation use non-skid safety shoes and ANSI approved safety goggles.
TOOL USE AND CARE
- Use the correct product for your application. The correct product will do the job better and safer at the rate for which it is designed.
- Do not use the power product if the Power Switch does not turn it on or off. Any product that cannot be controlled with the Power Switch is dangerous and must be replaced.
- Disconnect the Power Cord Plug from the power source before storing the tool.
- Store idle products out of reach of children and other untrained persons. Products are dangerous in the hands of untrained users.
- Maintain products with care. Keep products clean. Do not use a damaged product. Tag damaged products “Do not use” until repaired.
- Check for misalignment or binding of moving parts, breakage of parts, and any other condition that may affect the product’s operation. If damaged, have the product serviced. Before using. Many accidents are caused by poorly maintained products.
- Product service must be performed only by qualified repair personnel. Service or maintenance performed by unqualified personnel could result in a risk of injury.
- When servicing a product, use only identical replacement parts. Follow instructions in the “Inspection, Maintenance, And Cleaning” section of this manual. Use of unauthorized parts or failure to follow maintenance instructions may create a risk of electric shock or injury.
SPECIFIC SAFETY RULES
- Maintain labels and nameplates on the Air Filtration System. These carry important information. If unreadable or missing, contact the seller for a replacement.
- Always wear safety impact eye goggles when mounting or performing maintenance on the Air Filtration System. Using personal safety devices reduce the risk for injury.
- Maintain a safe working environment. Keep the work area well lit. Make sure there is adequate surrounding workspace. Always keep the work area free of obstructions, grease, oil, trash, and other debris. Do not use a power product in areas near flammable chemicals, dusts, and vapors. Do not use this product in a damp or wet location.
- If placing this 3-SPEED AIR CLEANER on a table or shelf, make sure that the machine is placed securely on a flat, level surface, capable of supporting the weight of the machine.
- If attaching the Air Filtration System to a ceiling, make sure the machine is attached securely to joists capable of supporting the weight of the machine.
- Make sure the Switch is in the “Off” position before plugging in the power cord.
- Keep the Filter Net (Part 1) and the Filter Bag (Part 2) clean, in place, and in good working order.
- Always unplug the 3-SPEED AIR CLEANER from its electrical outlet before performing any inspection, maintenance, or cleaning procedures.
- WARNING! People with pacemakers should consult their physician(s) before using this product. Operation of electrical equipment in close proximity to a heart pacemaker could cause interference or failure of the pacemaker.
SPECIFICATION
| Motor and electricals | ||
| Motor power input (w) | 1/8HP | 1/6HP |
| Voltage | 230V 50HZ | 120V 60HZ |
| Motor speed | 1000/1200/1400 | 1200/1400/1700 |
| Remote control system | remote controller (radio frequency) | remote controller (radio frequency) |
| Timer setting | y | y |
| Performance | ||
| Filter efficiency | G4+F6 | G4+F6 |
| Filter net | G4 (5-micron) | G4 |
| Filter bag | F6 (1-micron) | F6 |
| flows air | 350/400/450CFM | 400/450/S00CFM |
| MAIN SIZE | ||
| Overall dimensions, assembled (L x Wx H) | 525x435x275 | 525x435x275 |
| Overall dimensions, shipping carton (L x W x H) | 575x495x320 | 575x495x320 |
GROUNDING
WARNING!
Improperly connecting the grounding wire can result in the risk of electric shock. Check with a qualified electrician if you are in doubt as to whether the outlet is properly grounded. Do not modify the power cord plug provided with the product. Never remove the grounding prong from the plug. Do not use the product if the power cord or plug is damaged. If damaged, have it repaired by a service facility before use. If the plug will not fit the outlet, have a proper outlet installed by a qualified electrician
GROUNDED PRODUCT: PRODUCTS WITH THREE PRONG PLUGS
- Products marked with “Grounding as Required” have a three wire cord and three prong grounding The plug must be connected to a properly grounded outlet. If the product should electrically malfunction or break down, grounding provides a low resistance path to carry electricity away from the user, reducing the risk of electric shock. (See Figure A.)
- The grounding prong in the plug is connected through the green wire inside the cord to the grounding system in the The green wire in the cord must be the only wire connected to the product’s grounding system and must never be attached to an electrically “live” terminal. (See Figure A.)
- Your product must be plugged into an appropriate outlet, properly installed and grounded in accordance with all codes and ordinances. The plug and outlet should look like those in the following illustration. (See Figure A.)

EXTENSION CORDS
- Grounded tools require a three wire extension cord. Double Insulated tools can use either a two or three wire extension cord.
- As the distance from the supply outlet increases, you must use a heavier gauge extension cord. Using extension cords with inadequately sized wire causes a serious drop in voltage, resulting in loss of power and possible product damage.
- The smaller the gauges number of the wire, the greater the capacity of the cord. For example, a 14 gauge cord can carry a higher current than a 16 gauge cord.
- When using more than one extension cord to make up the total length, make sure each cord contains at least the minimum wire size required.
- If you are using one extension cord for more than one product, add the name plate amperes and use the sum to determine the required minimum cord size.
- If you are using an extension cord outdoors, make sure it is marked with words to indicate it is acceptable for outdoor use.
- Make sure your extension cord is properly wired and in good electrical condition. Always replace a damaged extension cord or have it repaired by a qualified electrician before using it.
- Protect your extension cords from sharp objects, excessive heat, and damp or wet areas.
UNPAKCING
When unpacking. Check to make sure all the parts shown on the Parts List are included.
ASSEMBLY AND OPERATING INSTRUCTIONS
CAUTION: Always make sure the Power Cord of the 3-SPEED AIR CLEANER is unplugged from its electrical outlet prior to making any adjustments to the product.
- Locate the desired ceiling location and ceiling joists, upon which to attach the 3-SPEED AIR CLEANER.
- With assistance or lifting equipment (not included), raise the unit to the desired location. Caution: Make sure other people or pets are well clear of the area during this procedure.
- Align the four Eye Bolts (30) with the ceiling joists and measure for eyelet bolt location. Insert four eyelet bolts (28) through the ceiling into the underside of the ceiling joists.
Note: The eyelet bolts must be capable of supporting the weight of the Air Filtration System, and be of compatible size with the Eye Bolt (30). When hanging 6 the unit, make sure each Eye Bolt (30) fits completely inside the loop of each eyelet bolt to ensure a safe mounting of the 3-SPEED AIR CLEANER from its electrical outlet prior to making any adjustments to the product.
MANUAL CONTROL OPERATION
Note: The fuse is housed on the Switch Plate (20). If the unit suffers a fuse failure, unscrew the fuse cover, remove and replace the fuse, and screw the cover back in place.
- Plug the Power Cord (23) into an outlet.
- Press the “On/Speed” button once for high power, twice for medium, and three times for low power. The corresponding LED will light to show the unit’s speed.
- When you are finished using the unit, press the off button. (See Figure B)

REMOTE CONTRON (27) USAGE
- Press the “On/Speed” button once for low speed, twice for medium, and three times for high speed.
- Press the Time button once for 1 hr. automatic shut off, twice for 2 hour automatic shut off, or three times for 4 hour automatic shut off.
- To turn off the unit manually, press the OFF button. (Figure C)
Note: To change batteries in the Remote Control (27); remove the back panel, replace the two “AAA” batteries, and then replace the back panel.
INSPECTION, MAINTENANCE, AND CLEANING
- WARNING! Make sure the Switch Plate (20) of the 3-SPEED AIR CLEANER is in its “OFF” position and that the product is unplugged from its electrical outlet before performing any inspection, maintenance, or cleaning procedures.
- BEFORE EACH USE, inspect the general condition of the 3-SPEED AIR CLEANER. Check for loose screws, misalignment or binding of moving parts, cracked or broken parts, damaged electrical wiring, and any other condition that may affect its safe operation. If abnormal noise or vibration occurs, have the problem corrected before further use. Do not use damaged equipment.
- Periodically, inspect the Filter Net (1) for dirt and debris, and if necessary, remove and change the Filter Net (1). On the rear of the unit, unlatch the two metal clasps to release the Filter Net (1). Remove the Filter Net (1) and inspect it to see whether it needs a simple cleaning, or it needs replacement. Reinsert a Filter Net (1) (old or new) and lock it in place with the two clasps. (See Figure D).
Note: During this procedure, wear ANSI approved safety goggles and dust protection. - Periodically, inspect the Inner Filter (2) for dirt and debris, and if necessary, remove and change the Inner Filter (2). On the rear of the unit, unlatch the two metal clasps to release the Filter Net (1). Remove the Filter Net (1). Then, remove the Inner Filter (2) and inspect it. If necessary, use compressed air to blow dirt and debris from the Inner Filter (2) Replace the Inner Filter (2) and the Filter Net (1) in the rear of the unit and lock them in place with the two clasps. (See Figure E).

TROUBLESHOOTING
Note: Any repairs suggested below should be completed by an authorized service technician.
| Trouble | Probable Cause | Correction |
| Motor does not run when power switch is pressed on. |
|
|
| Motor does not run at full speed. |
|
|
| Motor will not reach full power. |
|
|
| Motor overheats. |
|
|
| Insufficient suction power. |
|
|
| Unit is shaking. |
|
|
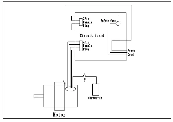
WIRING DIAGRAM

PARTS DIAGRAM 
PART LISTING
| Part # | Description | Qty | Part # | Description | Qty | |
| 1 | Filter net | 1 | 16 | Hex nut M5 | 4 | |
| 2 | Inner filter(bag) | 1 | 17 | Motor | 1 | |
| 3 | Plate | 1 | 18 | Cover plate | 1 | |
| 4 | PHLP head screw M5x8 | 14 | 19 | PC board | 1 | |
| 5 | Handle | 1 | 20 | Switch plate | 1 | |
| 6 | Main body | 1 | 21 | PHLP head screw M4x20 | 3 | |
| 7 | Rubber foot | 4 | 22 | Switch plate label | 1 | |
| 8 | Socket hex head screw M5x25 | 4 | 23 | Power cord | 1 | |
| 9 | PHLP head screw M4x8 | 8 | 24 | Fuse | 1 | |
| 10 | Flange | 1 | 25 | Strain belief | 1 | |
| 11 | Fan | 1 | 26 | Hex wrench 3 | 1 | |
| 12 | Socket hex head screw M4x8 | 8 | 27 | Remote control | 1 | |
| 13 | Fan housing | 1 | 28 | Eyelet bolt M4X40 | 4 | |
| 14 | Rubber shock absorber pad | 4 | 29 | Steel chain | 4 | |
| 15 | Flat washer 5 | 4 | 30 | Eye bolt M6x40 | 4 |
The Axminster guarantee is available on Craft, Trade, Engineer, Air Tools & CNC Technology Series machines
Buy with confidence from Axminster!
So sure are we of the quality, we cover all parts and labour free of charge for three years!
For more information visit axminstertools.com/3years
The packaging is suitable for recycling.
Please dispose of it in a responsible manner.
EU Countries Only
Do not dispose of electric tools together with household waste material. By law they must be collected and recycled separately.























