Wharfedale Pro Delta X215L Wireless Speaker

IMPORTANT WARNINGS & SAFETY INSTRUCTIONS
- Read these instructions
- Follow these instructions
- Keep these instructions for future reference
- Heed all warnings
- Do not use this system near moisture or water
- Clean only with a dry cloth
- Install in accordance with these Wharfedale Pro operating instructions
- Follow the manufacturer’s operating instructions for all peripheral devices such as amplifiers and processors
- Do not install near heat sources such as radiators, heat registers, stoves or any other apparatus that produces heat (for example lighting systems and ampli ers)
- Use only accessories speci ed or supplied by Wharfedale Pro
- Do not use shielded microphone/instrument cables to connect ampli ers and speakers, use only approved speaker cables with proper connectors
- Use caution with placement and operation of this speaker system, permanent hearing damage can be caused by prolonged exposure to excessive sound pressure levels
- Refer all servicing to quali ed professionals. Servicing is required when the loudspeaker has been damaged in any way, such as impact damage, liquid ingress or foreign object damage. In addition the loudspeaker should be
referred to quali ed service personnel if there is any kind of malfunction.
Rigging, suspending and mounting should only be attempted by experience quali ed professionals. Incorrect usage can result in damage to equipment and property, injury and even death. Under no circumstances should you attempt to rig, suspend or mount these speakers unless you are fully quali ed and certi ed to do so by relevant local, state and national authorities. If you are not properly quali ed or do not know of pertinent regulations consult quali ed personnel for advice. Consult a structural engineer before suspending a speaker system and ensure that the total weight of your system can be held by the truss or mounting surface.
Inspect all mounting hardware before rigging, suspending or mounting. If there is any damage or distortion to any mounting hardware do not proceed until any damaged hardware is repaired or replaced.
REFINEMENT IN DETAIL
Constructed from 15 mm plywood and covered in the highest quality Rhino Rock paint, the new Delta X215L is instantly recognisable by its engraved iconic Wharfedale Pro ‘boomerang’ logo on its cabinets. The fresh cosmetic design however is not the only improvement the engineering team have made.
Internally Delta X215L has a new crossover design and construction from previous models of Delta. Using new component positioning and bracing, the sensitive crossover electronics have been re engineered to improve long term performance and reliability- even at the highest of volumes.
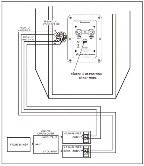
With rear panel switching, Delta X215L can operate in either Bi-Amp or Full range ‘PASSIVE’ modes. This routing flexibility allows
Custom Wharfedale Pro transducers have also been selected. High output, low physical distortion cast frame woofers delive unparalleled low frequency response. A 2″ titanium compression driver is coupled to 90°x45° elliptical waveguide for impressive output level and smooth HF dispersion.
PRODUCT FEATURES
- Robust crossover design
- Plywood construction with internal bracing
- Externally switchable full range/bi-amp mode
- 4-way high impact plastic carry handles
- High power, low distortion cast frame woofers
- 1000 w Continuous
- 2000 w Programme
- 4000 w Peak
INSTALLATION
- Before attempting to install a Delta Series loudspeaker system please refer to the important warnings and safety instructions. Only quali ed personnel should install a loudspeaker system.
Improper installation of a loudspeaker system can cause serious harm and even death if correct procedure is not followed. Anyone attempting installation assumes all liability arising from such use.
- Bi-amp switching – ensure that the internal passive network selector is in the correct position. When using an external active network select the bi-amp setting. Failiure to do his can result in damage to the drivers of your Delta Series loudspeakers.
DELTA X215L Bi-AMP WIRING


DIMENSIONAL DRAWING

SPECIFICATIONS
| Model Name | DELTA X215L |
| System Type | Passive |
| Configuration | Quasi Three-way |
| Frequency Response (+/-3 dB) | 40 Hz-20 KHz |
| Frequency Range (-10 dB) | 35 Hz-20 KHz |
| Sensitivity (2.83 v / 1 m) | 101 dB |
| Calculated Maximum SPL @1 m | 137 dB |
| System Rated Impedance | 4 Ω |
| Low Frequency Transducer | |
| Size | 2 x 404 mm / 15″ |
| Voice Coil Size | 77.1 mm / 3″ |
| Rated Impedance | 2 x 8 Ω |
| LF Power (re:AES2-2012) | 2 x 500 W |
| High Frequency Transducer | |
| HF Driver Type | Compression Driver |
| Voice Coil Size | 50.8 mm / 2″ |
| Exit Size | 35.6 mm / 1.4″ |
| Diaphragm Material | Titanium |
| Rated Impedance | 8 Ω |
| HF Power (re:AES2-2012) | 50 W |
| Nominal Coverage (H x V) | 90⁰ x 45⁰ |
| Power | |
| System Continuous Power | 1000 W |
| System Programme Power | 2000 W |
| System Peak Power | 4000 W |
| rossover frequency | 1.8 kHz |
| Input Connector | 2 x NL4 (speakON Compatible) |
| Hardware | |
| Pole Mount | |
| Handles | 2 on Sides / 1 on Back |
| Enclosure | |
| Enclosure Material | 15 mm Plywood |
| Finish | black paint |
| Grille Material & Finish | 1.5 mm Steel Black |
| Dimensions – Unpacked | |
| Height | 1400 mm / 55.1″ |
| Width Front | 488 mm / 19.2″ |
| Width Rear | 306.4 mm / 12.6″ |
| Depth | 500 mm / 19.7″ |
| Dimensions – Packed | |
| Height | 1487 mm / 58.5″ |
| Width Front | 623 mm / 24.5″ |
| Width Rear | 364 mm / 14.3″ |
| Depth | 582 mm / 22.9″ |
| Weight | |
| Net Weight (kg / lbs) | 60.9 kg / 133.98 lbs |
WHARFEDALE PRO LIMITED WARRANTY
Wharfedale Pro products are warranted of manufacturing or material defects for a period of one year from the original date of purchase. In the event of malfunction, contact your authorised Wharfedale Pro dealer or distributor for information.
Please be aware that the warranty details may differ from country to country. Contact your dealer or distributor for information (available at www.wharfedalepro.com). These terms donot infringe your statutory rights.
Wharfedale Professional
IAG House 13/14 Glebe Road Huntingdon Cambridgeshire PE29 7DL UK
www.wharfedalepro.com
Wharfedale Professional reserves the right to alter or improve specifications without notice.
All rights reserved © 2021 Wharfedale Pro. Wharfedale Pro is a member of the IAG Group.



















