ESAB 0367967880 Origo Tig 3000i AC/DC Water Cooled Tig Welder

SAFETY
Meaning of symbols
As used throughout this manual: Means Attention! Be Alert!
DANGER! Means immediate hazards which, if not avoided, will result in immediate, serious personal injury or loss of life.
WARNING! Means potential hazards which could result in personal injury or loss of life.
CAUTION! Means hazards which could result in minor personal injury.
WARNING! Before use, read and understand the instruction manual and follow all labels, employer´s safety practices and Safety Data Sheets (SDSs).
Safety precautions
Users of ESAB equipment have the ultimate responsibility for ensuring that anyone who works on or near the equipment observes all the relevant safety precautions. Safety precautions must meet the requirements that apply to this type of equipment. The following recommendations should be observed in addition to the standard regulations that apply to the workplace.
All work must be carried out by trained personnel well-acquainted with the operation of the equipment. Incorrect operation of the equipment may lead to hazardous situations which can result in injury to the operator and damage to the equipment.
- Anyone who uses the equipment must be familiar with:
- Its operation
- Location of emergency stops
- Its function
- Relevant safety precautions
- Welding and cutting or other applicable operation of the equipment
- The operator must ensure that:
- No unauthorized person is stationed within the working area of the equipment when it is started up
- No-one is unprotected when the arc is struck or work is started with the equipment
- The workplace must: be suitable for the purpose be free from drafts.
- Personal safety equipment:
- Always wear recommended personal safety equipment, such as safety glasses, flame-proof clothing, safety gloves
- Do not wear loose-fitting items, such as scarves, bracelets, rings, etc., which could become trapped or cause burns
- General precautions:
- Make sure the return cable is connected securely
- Work on high voltage equipment may only be carried out by a qualified electrician
- Appropriate fire extinguishing equipment must be clearly marked and close at hand
- Lubrication and maintenance must not be carried out on the equipment during operation
WARNING! Arc welding and cutting can be injurious to yourself and others. Take precautions when welding and cutting.
ELECTRIC SHOCK – Can kill
- Install and ground the unit in accordance with instruction manual.
- Do not touch live electrical parts or electrodes with bare skin, wet gloves or wet clothing.
- Insulate yourself from work and ground.
- Ensure your working position is safe
ELECTRIC AND MAGNETIC FIELDS – Can be dangerous to health
- Welders having pacemakers should consult their physician before welding. EMF may interfere with some pacemakers.
- Exposure to EMF may have other health effects which are unknown.
- Welders should use the following procedures to minimize exposure to
EMF:- Route the electrode and work cables together on the same side of
your body. Secure them with tape when possible. Do not place your body between the torch and work cables. Never coil the torch or work cable around your body. Keep welding power source and cables as far away from your body as possible. - Connect the work cable to the workpiece as close as possible to the area being welded.
- Route the electrode and work cables together on the same side of
FUMES AND GASES – Can be dangerous to health
- Keep your head out of the fumes.
- Use ventilation, extraction at the arc, or both, to take fumes and gases away from your breathing zone and the general area.
ARC RAYS – Can injure eyes and burn skin - Protect your eyes and body. Use the correct welding screen and filter lens and wear protective clothing.
- Protect bystanders with suitable screens or curtains.
NOISE – Excessive noise can damage hearing
Protect your ears. Use earmuffs or other hearing protection. - MOVING PARTS – Can cause injuries
- Keep all doors, panels and covers closed and securely in place. Have only qualified people remove covers for maintenance and troubleshooting as necessary. Reinstall panels or covers and close doors when service is finished and before starting engine.
- Stop engine before installing or connecting unit.
- Keep hands, hair, loose clothing and tools away from moving parts.
FIRE HAZARD.
- Sparks (spatter) can cause fire. Make sure that there are no inflammable materials nearby.
- Do not use on closed containers.
MALFUNCTION – Call for expert assistance in the event of malfunction.
PROTECT YOURSELF AND OTHERS!
CAUTION! This product is solely intended for arc welding.
WARNING! Do not use the power source for thawing frozen pipes.
CAUTION! Class A equipment is not intended for use in residential locations where the electrical power is provided by the public low-voltage supply system. There may be potential difficulties in ensuring electromagnetic compatibility of class A equipment in those locations, due to conducted as well as radiated disturbances.
NOTE! Dispose of electronic equipment at the recycling facility! In observance of European Directive 2012/19/EC on Waste Electrical and Electronic Equipment and its implementation in accordance with national law, electrical and/or electronic equipment that has reached the end of its life must be disposed of at a recycling facility.
As the person responsible for the equipment, it is your responsibility to obtain information on approved collection stations.
For further information contact the nearest ESAB dealer.
ESAB has an assortment of welding accessories and personal protection equipment for purchase. For ordering information contact your local ESAB dealer or visit us on our website.
INTRODUCTION
The Tig 3000i AC/DC is a TIG welding power source for alternating current (AC) or direct current (DC). It can also be used for MMA welding.
ESAB accessories for the product can be found in the “ACCESSORIES” chapter of this manual.
Equipment
The power source is supplied with: Instruction manual for the welding power source, instruction manual for the control panel and 5 m return cable. Instruction manuals in other languages can be downloaded from the Internet: www.esab.com
Control panel
TA24 AC/DC

See the separate instruction manual for a detailed description of the control panel.
TECHNICAL DATA
| Tig 3000i AC/DC | |
| Mains voltage | 400 V, ±10%, 3~ 50/60 Hz |
| Mains supply | Ssc min 5.3 MVA |
| Primary current | |
| Imax TIG | 18 A |
| Imax MMA | 22 A |
| No-load power demand when in the energy-saving mode, 6.5 min. after welding | 26 W |
| Setting range | |
| TIG, AC* / DC | 4-300 A |
| MMA | 16-300 A |
| Permissible load at TIG, AC/DC | |
| 35% duty cycle | 300 A / 22 V |
| 60% duty cycle | 240 A / 19.6 V |
| 100% duty cycle | 200 A / 18 V |
| Permissible load at MMA | |
| 30% duty cycle | 300 A / 32 V |
| 60% duty cycle | 230 A / 29.2 V |
| 100% duty cycle | 190 A / 27.6 V |
| Power factor at maximum current | |
| TIG AC | 0.85 |
| TIG DC | 0.90 |
| MMA | 0.91 |
| Efficiency at maximum current | |
| TIG AC | 71 % |
| TIG DC | 71 % |
| MMA | 76 % |
| Open-circuit voltage MMA | 58 V |
| Operating temperature | -10 to + 40° C |
| Transportation temperature | -20 to + 55° C |
| Constant A-weighted sound pressure | < 70 dB |
| Dimensions l x w x h | 652 x 249 x 423 mm |
| Weight | 48.5 kg |
| Insulation class transformer | H |
| Enclosure class | IP 23 |
| Application class | S |
The minimum current during AC welding depends on the alloy used for the aluminum plates and their surface cleanliness.
Duty cycle
The duty cycle refers to the time as a percentage of a ten-minute period that you can weld or cut at a certain load without overloading. The duty cycle is valid for 40 °C / 104 °F, or below.
Enclosure class
The IP code indicates the enclosure class, i.e. the degree of protection against penetration by solid objects or water.
Equipment marked IP23 is intended for indoor and outdoor use.
Application class
The symbol indicates that the power source is designed for use in areas with increased electrical hazard.
Mains supply, Ssc min
Minimum short circuit power on the network in accordance with IEC 61000-3-12.
INSTALLATION
The installation must be carried out by a professional.
NOTE!
Mains supply requirements
This equipment complies with IEC 61000-3-12 provided that the short-circuit power is greater than or equal to Sscmin at the interface point between the user’s supply and the public system. It is the responsibility of the installer or user of the equipment to ensure, by consultation with the distribution network operator if necessary, that the equipment is connected only to a supply with a short-circuit power greater than or equal to Sscmin. Refer to the technical data in the TECHNICAL DATA chapter.
Lifting instruction
Location
Position the welding power source such that its cooling air inlets and outlets are not obstructed.
Mains power supply
Check that the welding power source is connected to the correct mains power supply voltage, and that it is protected by the correct fuse size. A protective earth connection must be made in accordance with regulations. Rating plate with supply connection data
Recommended fuse sizes and minimum cable area
| Tig 3000i AC/DC | TIG | MMA |
| Mains voltage | 400 V 1-3~ 50/60 Hz | 400 V 1-3~ 50/60 Hz |
| Mains cable area mm2 | 4 mm / phase | 4 mm / phase |
| Phase current I1eff | 9 A | 12 A |
| Fuse | ||
| anti-surge | 10 A | 16 A |
| type C MCB | 16 A | 16 A |
NOTE!
The mains cable areas and fuse sizes as shown above are in accordance with Swedish regulations. For other regions, supply cables must be suitable for the application and meet local and national regulations.
NOTE!
The welding power source is designed for connection to a 230 / 400 volt system with four conductors.
If the power source is to be used in countries with a higher supply voltage, the power source must be connected via a safety transformer.
OPERATION
General safety regulations for handling the equipment can be found in the “SAFETY” chapter of this manual. Read it through before you start using the equipment!
Connections and control devices
- Control panel, see separate instruction 5 Connection for return cable manual
- Mains voltage switch
- Connection for welding cable or welding torch
- Connection for shielding gas
- Connection for start signal from the welding torch
- CAN connection for cooling unit or remote 8 Connection for gas to the torch control unit

Key to symbols
Fan control
The power source has a time control that means that the fans continue to run for 6.5 minutes after welding has stopped, and the unit switches to energy-saving mode. The fans start again when welding restarts.
The fans run at reduced speed for welding currents up to 110 A, and at full speed for higher currents.
Overheating protection
The welding power source has overheating protection that operates if the temperature becomes too high. When this occurs the welding current is interrupted and a fault code is displayed on the control panel.
The overheating protection resets automatically when the temperature has fallen.
MAINTENANCE
NOTE! Regular maintenance is important for safe and reliable operation.
CAUTION! All warranty undertakings from the supplier cease to apply if the customer attempts any work to rectify any faults in the product during the warranty period.
Only those persons who have appropriate electrical knowledge (authorized personnel) may remove the safety plates to connect or carry out service, maintenance or repair work on welding equipment.
Inspection and cleaning
Power source
Check regularly that the welding power source is not clogged with dirt.
How often and which cleaning methods apply depend on: the welding process, arc times, placement, and the surrounding environment. It is normally sufficient to blow down the power source with dry compressed air (reduced pressure) once a year.
Clogged or blocked air inlets and outlets otherwise result in overheating.
Welding torch
- The wear parts of the welding torch should be cleaned and replaced at regular intervals in order to achieve trouble-free wire feed. Blow the wire guide clean regularly and clean the contact tip.
FAULT-TRACING
Try these recommended checks and inspections before sending for an authorized service technician.
| Type of fault | Corrective action |
| No arc. |
|
| The welding current is interrupted during welding. |
|
| The overheating protection trips frequently. | Make sure that you are not exceeding the rated data for the welding power source (i.e. that the unit is not being overloaded). |
| Poor welding performance. |
|
ORDERING SPARE PARTS
Tig 3000i AC/DC is designed and tested in accordance with the international and European standards IEC/EN 60974-1, IEC/EN 60974-3 and IEC/EN 60974-10. It is the obligation of the service unit which has carried out the service or repair work to make sure that the product still conforms to the said standard.
Spare parts and wear parts can be ordered through your nearest ESAB dealer, see esab.com. When ordering, please state product type, serial number, designation and spare part number in accordance with the spare parts list. This facilitates dispatch and ensures correct delivery.
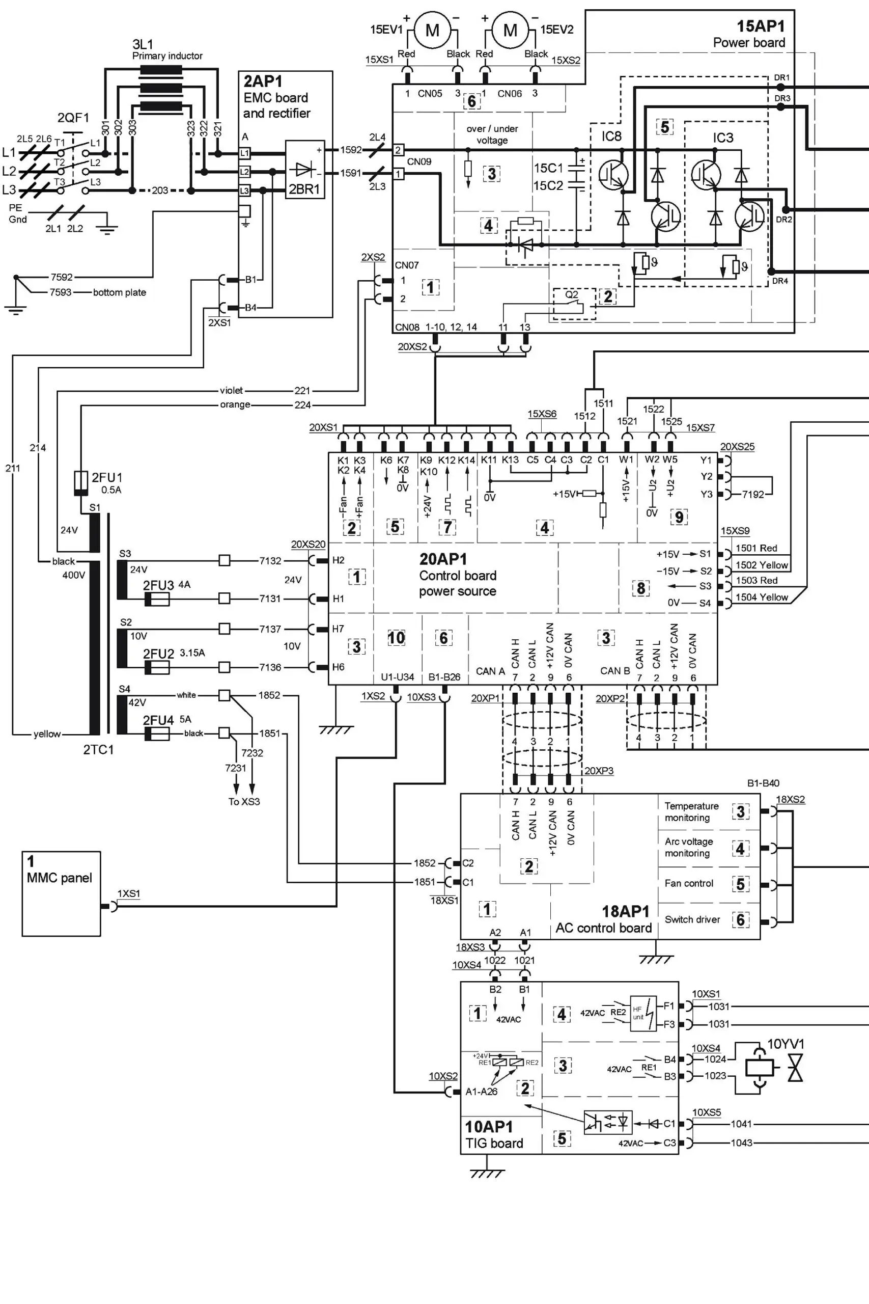
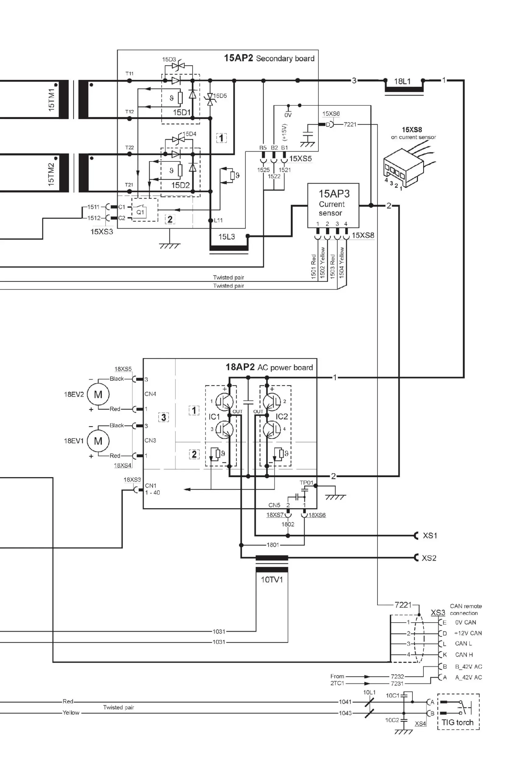
DIAGRAM
DIAGRAM
ORDERING NUMBERS
| Ordering no. | Denomination | Type |
| 0459 735 880 | Welding power source | Origo™ Tig 3000i AC/DC, TA24 AC/DC |
| 0459 839 006 | Spare parts list | Tig 3000i AC/DC |
| 0459 839 003 | Spare parts list | Control panel Origo™ TA24 AC/DC |
| 0459 944 | Instruction manual | Control panel Origo™ TA24 AC/DC |
Technical documentation is available on the Internet at: www.esab.com
ACCESSORIES
Information on Tig torches can be found in separate brochures.
A WORLD OF PRODUCTS AND SOLUTIONS
For contact information visit esab.com ESAB AB, Lindholmsallén 9, Box 8004, 402 77 Gothenburg, Sweden, Phone +46 (0) 31 50 90 00
http://manuals.esab.com




































