QUANTUM AUDIO QPX2000.1M Car Subwoofer Amplifier

INTRODUCTION
Congratulations on your purchase of this Quantum Audio amplifier. Your selection of a Quantum product indicates a true appreciation of fine musical reproduction. To ensure proper use of this unit, please make sure to read the owner’s manual carefully before operating and keep it for future reference.
KEEP YOUR SALES RECEIPT
Take this time to attach your sales receipt to the manual and out in a safe place. In case of any unforseen reason this product may need warranty service, your receipt will be necessary to establish purchase date.
RECOMMENDATION
An amplifiers perfomance is only as good as its installation. Proper installation will maximize the system’s overall performance. It is recommended that you have our product installed by an authorized Quantum retailer. If you decide to install it yourself, please carefully read through this manual and take your time to do a quality installtion. Due to continuing product improvements and possible manual revisions, we recommend checking our website for the latest product information at: www.quantumxaudio.com
IMPORTANT! Before making any connections, disconnect the vehicle’s battery until the installation is completed to avoid possible damage to the electrical system.
WARNING!
Exposure to high power sound system can cause hearing loss or damage. Listening to your system at loud levels while driving will impair your ability to hear traffic sounds and emergency vehicles. Use common sense when listening to your system.
Serial# ________ _
Model # ________ _
QPX2000.1M / QPX2500.1D / QPX3000.1D / QPX4000.1D / QPXS000.1 D / QPX6000.1 D
Features:
- Class D Monoblock Amplifier
- 1 Ohm Stable capability
- Amber-Glow Logo Badge
- Audiophile Grade Components
- Speaker Short Circuit Protection
- High Efficiency Mosfet Design
- 12 dB Variable Low Pass X-over *2 Ohm Stable
- 12 dB Variable Bass Boost
- 12 dB Variable Subsonic Filter 15Hz – 55Hz
- Variable Phase Shift
- Double Sided PCB
- Q Link Master/ Slave Technology@ 2 Ohm
- Bass Remote Included
Specifications:

4 Channel & 2 Channel
Features
- Class A/B Circuitry
- 2 Ohm Load Stereo Capability
- Amber-Glow Logo Badge
- Audiophile Grade Components
- Speaker Short Circuit Protection
- High Efficiency Mosfet Design
- 12 dB Variable High Pass and Low Pass X-over
- Selectable: 0, 6, 12 dB/ Octive Bass Boost
- Buffered Line Output for Easy Daisy-Chaning
Specifications:
Safety Precautions
Fuse amplifiers power wire at the battery
Be sure to fuse the power wire within 12″ of the car’s battery. T his will protect the car’s battery in case of a short circuit between the power amplifier and battery. THIS IS A MUST, the amplifier’s built-in fuse will only protect the power amplifier not the car’s battery!
Use high grade wire connectors
To ensure maximum power transfer and secure safe connections, it is recommended to use high grade barrier spades (for connection at amplifier) and terminal rings (for connection at battery).
Do not run any wires underneath vehicle
Exposed wires have a chance of being cut or damaged. It is best to run all wires through the vehicle under the carpet and/or side panels. This lends to a cleaner installation and less risk of damage.
Use caution when mounting amplifier
Remember there are many electrical wires, gas lines, vacuum lines, brake lines as well as a gas tank in the automobile. Make sure you now where they are when mounting the amplifier to avoid puncturing lines, shorting wires or drilling holes in the gas tank.
Run signal wires away from electrical wires
To avoid possibility of induced noise from the car’s electrical system (i.e. popping noises or engine noise), run wires away from the car’s electrical wiring.
Make all ground wires as short as possible and at the same point
In order to reduce the chance of ground loops (i.e. engine noise), make the grounding wire as short as possible to reduce the wire’s resistance. Also, when using multiple components, make sure all units are grounded at the same point.
Avoid sharp edges when running the wires
To avoid the possibility of power, signal or speaker shorts, be careful not to allow the amplifiers wires to come in contact with sharp edges. Use a grommet to protect the wire when running through the fire wall.
Features And Benefits
DC Offset Protection
This circuit protects the output of the amplifier against DC voltage. If for some reason DC voltage is detected at the output stage, the amplifier will shut down protecting the speakers from direct current.
Short Circuit Protection
The circuit protects the amplifier from damage due to a short found in the speakers or wiring. If one of the speakers or its wiring comes in contact with ground, the amplifier will shut down. To resume normal operation, correct the problem and turn the head unit off, then back on. The amplifier will reset and play again.
Thermal Protection
To protect the amplifier circuitry against damage caused by prolonged exposure to high temperatures, a thermal protection circuit is activated if the amplifier reaches excessively high operating temperature. Once the thermal circuit is activated, the amplifier will shut down to cool off. The amplifier will automatically turn back on once it cools down to a safe operating temperature.
Power Indicator
The diagnostic L.E.D. illuminates when the amplifier is on and receiving power.
Built-in Crossover
The Quantum QPX2000.4, QPX2800.4 and QPX1200.2 are equiped with a built in variable crossover network allowing you to select the crossover function and frequency for each the front channels or rear channels of the amplfier independently. The Quantum QPX2000.1 M, QPX2500.1 D, QPX3000.1 D, QPX4000.1 D, QPX5000.1 D and QPX6000.1 D are equipped with a built in variable lowpass crossover network allowing you to select the crossover function and frequency for each the front channels or rear channels of the amplfier independently.
Power and Speaker Distribution Blocks
Heavy gauge bare wire distribution blocks are provided for maximum power and signal transfer with minimal resistance.
Monoblack Amplifier
Master & Slave RCA Connection
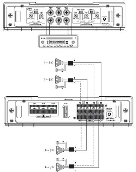
Qlink Input Connection (MASTER & SLAVE RCA Connection)
Using a Qlink configuration, the MASTER amplifier has total control over the SLAVE amplifier.When using dual amplifier to operate subwoofer, the positive terminal of the subwoofer’s voice coil must be connected to the positive terminal of the MASTER amplifier and the negative terminal of the subwoofer’s voice coil must be connected to positive terminal of the SLAVE amplifier.Be advised that the dual amplifier configuration has tremendous output potential, so ensure that your subwoofers
can handle such a large amount of power.
RCA Connections Monoblack
Full range line outputs have been provided for convenient connection to additional amplifiers in the system. The outputs are buffered to reduce signal loss.
Power Fusing
This protects the amplifier against short circuits and excessive current.
Remote Turn-on
Automatically turns amplifier on when connected to the head unit’s remote output. amplifier will turn on and off with the head unit to save current consumption. This control also operates the reset circuit for the amplifier’s protection. It must be connected withthe head unit in order to reset protection circuits.
Adjustable Input Sensitivity
Allows you to fine-tune the level matching between your source and the power amplifier.
| QPX2000.4 QPX2800.4 | 2 Ohms Stereo 2 Ohms Stereo | SOmm/1.96″ SOmm/1.96″ | 220mm/8.6“ 220mm/8.6“ | 280 mm 111″ 348 mm I 13.7″ |
| 2 CHANNEL STEREO AMPLIFIERS | ||||
| QPX1200.2 | 2 Ohms Stereo | SOmm/1.96″ | 220mm/8.6“ | 250mm/9.8″ |
| MONOBLOCK AMPLIFIERS | ||||
| QPX2000.1M | 2 Ohms Stereo | SOmm/1.96″ | 220mm/8.6“ | 280 mm /11″ |
| QPX2500.1D | 1 Ohm Stereo | SOmm/1.96″ | 220mm/8.6″ | 257 mm/11″ |
| QPX3000.1D | 1 Ohm Stereo | SOmm/1.96″ | 220mm/8.6“ | 190 mm 17.50″ |
| QPX4000.1D | 1 Ohm Stereo | SOmm/1.96″ | 220mm/8.6“ | 230 mm /9.05″ |
| QPX5000.1D | 1 Ohm Stereo | SOmm/1.96″ | 220mm/8.6“ | 280 mm /11″ |
| QPX6000.1D | 1 Ohm Stereo | SOmm/1.96″ | 220mm/8.6“ | 302 mm 111.87″ |
Built-in Crossover
4 Channel Stereo Amplifiers
The Quantum QPX2000.4 and QPX2800.4 are equipped with a built in variable crossover network allowing you to select the crossover function and frequency for each the front channels or rear channels of the amplfier independently. Channels 1 and 2 feature a high pass filter to protect your high frequency speakers from low bass or the option to run your speakers full range. Channels 3 and 4 allow the user to select a High pass, Low Pass or full range signal to the loud speakers.
Power Connections
It is important that you read this manual very carefully and follow it for your installation carefully. Before you start your installation.please consider following concerns.
- Disconnect the negative (-) battery cable before mounting the amplifier orma king any connections. Check the battery and alternator ground(-) connections. Make sure they are properly connected and free of corrosion.
- Before selecting a mounting location for amplifier, please take some concerns into consideration with cooling efficiency and safety.
- Power connection
Before installing amplifier,disconnect the negative(-) wire from battery to protect any accidental damage to your amplifier and System.This Amplifier is designed to use 4 AWG POWER and GROUND cables. - Ground connection
Locate a secure grounding connection as close to the amplifier as possible. Make sure the location is clean and provides a direct electrical connection to the frame of the vehicle.Connect one end of a short piece of the same size cables as the power cable to the grounding point.Run the other end of the cable to the amplifier mounting location. Connecting the ground cable to the screw terminal labeled as GND. - Remote connection
Run a remote turn on cable from the switched+ 12V source you will be using to turn on the system components. This may be a toggle switch, a relay, or your source unit’s remote trigger wire, or power antenna trigger wire. Connect the remote turn on cable to the power terminal labeled as REM. Run this lead to the amplifier mounting location. Using 16AWG wire or larger.
MODELS:
QPX2000.1M / QPX2500.1D / QPX3000.1D / QPX4000.1D /
QPXS000.1 D / QPXG000.1 D
Built – In – Crossover
The Quantum Audio QPX mono amplifiers are equipped with a 24 dB per octave variable Low Pass crossover. They also feature a variable Sub Sonic filter between 15Hz – 55 Hz to protect your subwoofers from ultra-low frequencies when using vented enclosures. A Variable Bass Boost is available to tune your subwoofer enclosure.
Power Connection Leads

Notes on the power supply
Connect the+ 12V power input lead only after all other leads have been connected.Be sure to connect the ground wire of the unit securely to a metal part of the car. A lose connection may cause a malfunction of the amplifier.
REMOTE: The unit is turned on by applying+ 12Volts to this terminal. This terminal does not draw heavy current like the two power terminal so a thinner connecting wire is acceptable. Standard 18 GUAGE is fine and the standard color is yellow. If the power antenna wire is already in use, you can still splice into it. With this method, the unit will turn on automatically with the radio. Use the power supply lead with a fuse attached whose value is the same as original fuse. Place the fuse in the power supply lead as close as possible to the car battery. During a full power operation. Maximum current will run through the system. Therefore, Make sure that the leads to be connected to the+ 12V and GND terminals of the unit respectively must be larger than 10-Guage (AWG 1 O)
System 1: 4 Channel Mode





















