PARKSIDE 356347 CORDLESS CIRCULAR SAW



Introduction
Congratulations on the purchase of your new appliance. You have chosen a high-quality product. The operating instructions are part of this product. They contain important information about safety, usage and disposal. Before using the product, please familiarize yourself with all operating and safety instructions. Use the product only as described and for the range of applications specified. Please also pass these operating instructions on to any future owner.
Intended use
This cordless circular saw (hereinafter “appliance”) is designed for longitudinal, cross and mitre cuts in firmly supported solid wood, chipboard, plastics and lightweight construction materials. Any other uses of or modifications to the machine are deemed to be improper usage and may result in serious physical injury. Not for commercial use.
Features
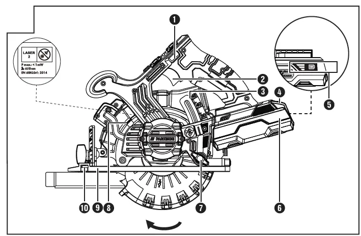
Figure A
- Safety lock-out
- ON/OFF switch
- Cutting depth scale
- Release button for battery pack
- Battery charge level button/battery display LED
- Battery pack
- Locking screw
- Spindle lock
- Base plate
- Rip fence slot
Figure B - ON/OFF switch laser
- Auxiliary handle
- Laser warning
- Laser aperture
- Cutting angle scale
- Wing screw for cutting angle pre-selector
- Wing screw for rip fence slot
- Rip fence
- Blade guard
- Clamping flange
- Clamping screw
- Release lever for the blade guard
- Saw blade
- Chip ejector
- Vacuum adapter for dust extraction
- Hex key
Figure C - Charger
- Red control LED
- Green control LED
Package contents
- Cordless circular saw
- Rip fence
- Vacuum adapter for dust extraction
- Hex key
- Saw blade (pre-assembled)
- Operating manual
Technical Data
Cordless circular saw PHKSA 20-Li A2
- Rated voltage 20 V (DC)
- Rated idle speed n0 3800 rpm
- 150mm Saw blade 1x Ø 150 mm x
- Ø 16 mm, 24 teeth
- max. 48 mm
- Max. cutting depth At 0° 48 mm
- At 45° 36 mm
Battery PAP 20 A1
- Type LITHIUM I ON
- Rated voltage 20 V (DC)
- Capacity 2 Ah
- Cells 5
Charger PLG 20 A1
INPUT
- Rated voltage 230–240 V ∼, 50 Hz (AC)
- Rated power consumption 65 W
- Fuse (internal) 3.15 A T3.15A
OUTPUT
- Rated voltage 21,5 V (DC)
- Rated current 2.4 A
- Charging time approx. 60 min
- Protection class II / (double insulation)
BATTERY AND CHARGER ARE NOT INCLUDE
Noise emission value
Noise measurement value determined in accordance with EN 62841. The A-rated noise level of the power tool is typically as follows:
- Sound pressure level LPA = 74.3 dB (A)
- Uncertainty K KPA = 3 dB
- Sound power level LWA = 85.3 dB (A)
- Uncertainty K KWA = 3 dB
Wear hearing protection!
Vibration emission value
Total vibration values (vector total of three directions) determined in accordance with EN 62841:
- Sawing wood = 5.33 m/s2
- Uncertainty K = 1.5 m/s2
NOTE
- The vibration emission values and the noise emission values given in these instructions have been measured in accordance with a standardised test procedure and can be used for comparison of the power tool with another tool.
- The specified total vibration values and the noise emission values can also be used to make a provisional load estimate.
WARNING!
- Depending on the manner in which the power tool is being used, and in particular the kind of workpiece that is being worked, the vibration and noise emission values can deviate from the values given in these instructions during actual use of the power tool.
- Try to keep the load as low as possible. Measures to reduce the vibration load are, e.g. wearing gloves and limiting the working time. Wherein all states of operation must be included (e.g. times when the power tool is switched off and times where the power tool is switched on but running without load).
General power tool safety warnings
WARNING!
- Read all safety warnings, instructions, illustrations and specifications provided with this power tool. Failure to follow all instructions listed below may result in electric shock, fire and/or serious injury.
Save all warnings and instructions for future reference.
The term “power tool” in the warnings refers to your mains-operated (corded) power tool or battery-operated (cordless) power tool.
- Work area safety
- Keep work area clean and well lit. Cluttered or dark areas invite accidents.
- Do not operate power tools in explosive atmospheres, such as in the presence of flammable liquids, gases or dust. Power tools create sparks which may ignite the dust or fumes.
- Keep children and bystanders away while operating a power Distractions can cause you to lose control.
- Electrical safety
- Power tool plugs must match the outlet. Never modify the plug in any Do not use any adapter plugs with earthed (grounded) power tools. Unmodified plugs and matching outlets will reduce risk of electric shock.
- Avoid body contact with earthed or grounded surfaces, such as pipes, radiators, ranges and There is an increased risk of electric shock if your body is earthed or grounded.
- Do not expose power tools to rain or wet Water entering a power tool will increase the risk of electric shock.
- Do not abuse the Never use the cord for carrying, pulling or unplugging the power tool. Keep cord away from heat, oil, sharp edges or moving parts. Damaged or entangled cords increase the risk of electric shock.
- When operating a power tool outdoors, use an extension cord suitable for outdoor Use of a cord suitable for outdoor use reduces the risk of electric shock.
- If operating a power tool in a damp location is unavoidable, use a residual current device (RCD) protected Use of an RCD reduces the risk of electric shock.
- Personal safety
- Stay alert, watch what you are doing and use common sense when operating a power Do not use a power tool while you are tired or under the influence of drugs, alcohol or medication. A moment of inattention while operating power tools may result in serious personal injury.
- Use personal protective equipment. Always wear eye Protective equipment such as a dust mask, non-skid safety shoes, hard hat or hearing protection used for appropriate conditions will reduce personal injuries.
- Prevent unintentional Ensure the switch is in the off-position before connecting to power source and/or battery pack, picking up or carrying the tool. Carrying power tools with your finger on the switch or energizing power tools that have the switch on invites accidents.
- Remove any adjusting key or wrench before turning the power tool A wrench or a key left attached to a rotating part of the power tool may result in personal injury.
- Do not Keep proper footing and balance at all times. This enables better control of the power tool in unexpected situations.
- Dress Do not wear loose clothing or jeweler. Keep your hair and clothing away from moving parts. Loose clothes, jeweler or long hair can be caught in moving parts.
- If devices are provided for the connection of dust extraction and collection facilities, ensure these are connected and properly used. Use of dust collection can reduce dust-related.
- Do not let familiarity gained from frequent use of tools allow you to become complacent and ignore tool safety principles. A careless action can cause severe injury within a fraction of a second.
- Power tool use and care
- Do not force the power tool. Use the correct power tool for your The correct power tool will do the job better and safer at the rate for which it was designed.
- Do not use the power tool if the switch does not turn it on and off. Any power tool that cannot be controlled with the switch is dangerous and must be repaired.
- Disconnect the plug from the power source and/or remove the battery pack, if detach- able, from the power tool before making any adjustments, changing accessories, or storing power Such preventive safety measures reduce the risk of starting the power tool acci- dentally.
- Store idle power tools out of the reach of children and do not allow persons unfamiliar with the power tool or these instructions to operate the power Power tools are dangerous in the hands of untrained users.
- Maintain power tools and Check for misalignment or binding of moving parts, breakage of parts and any other condition that may affect the power tool’s operation. If damaged, have the power tool repaired before use. Many accidents are caused by poorly maintained power tools.
- Keep cutting tools sharp and clean. Properly maintained cutting tools with sharp cutting edges are less likely to bind and are easier to
- Use the power tool, accessories and tool bits in accordance with these instructions, taking into account the working conditions and the work to be performed. Use of the power tool for operations different from those intended could result in a hazardous situation.
- Keep handles and grasping surfaces dry, clean and free from oil and grease. Slippery handles and grasping surfaces do not allow for safe handling and control of the tool in unexpected
- Battery tool use and care
- Recharge only with the charger specified by the A charger that is suitable for one type of battery pack may create a risk of fire when used with another battery pack.
- Use power tools only with specifically designated battery Use of any other battery packs may create a risk of injury and fire.
- When battery pack is not in use, keep it away from other metal objects, like paper clips, coins, keys, nails, screws or other small metal objects, that can make a connection from one terminal to another. Shorting the battery terminals together may cause burns or a fire.
- Under abusive conditions, liquid may be ejected from the battery; avoid If contact accidentally occurs, flush with water. If liquid contacts eyes, additionally seek medical help. Liquid ejected from the battery may cause irritation or burns.
- Do not use a battery pack or tool that is damaged or modified. Damaged or modified batteries may exhibit unpredictable behavior resulting in fire, explosion or risk of injury.
- Do not expose a battery pack or tool to fire or excessive Exposure to fire or temperature above 130 °C (265°F) may cause explosion.
- Follow all charging instructions and do not charge the battery pack or tool outside the temperature range specified in the instruct Charging improperly or at temperatures outside the specified range may damage the battery and increase the risk of fire.
CAUTION! RISK OF EXPLOSION!
Never charge non-rechargeable batteries!
Protect the recharge- able battery from heat, for example from continuous exposure to sunlight, fire, water and moisture. There is a risk of explosion.
- Service
- Have your power tool serviced by a qualified repair person using only identical replacement This will ensure that the safety of the power tool is maintained.
- Never service damaged battery Service of battery packs should only be performed by the manufacturer or authorized service providers.
Appliance-specific safety instructions for circular saws
Safety instructions for all saws
Sawing method
- DANGER! Keep your hands clear of the sawing area and the saw Hold the auxiliary handle or motor housing with your other hand. When both hands are being used to hold the saw, neither can be injured by the saw blade.
- Do not reach underneath the workpiece. The blade guard cannot protect you from the saw blade below the workspace.
- Set the cutting depth to match the thickness of the Less than a full tooth height should be visible below the workpiece.
- Never hold the workpiece to be sawn in your hand or over your Fasten the workpiece onto a stable working surface. It is important to fasten the workpiece securely to minimize the danger of bodily contact, jamming of the saw blade or loss of control.
- Hold the power tool only by the insulated handles when you are carrying out work during which the accessory tool may come into contact with concealed power cables or the tool’s own power Contact with a live wire will also make exposed metal parts of the power tool live and could give the operator an electric shock.
- When making longitudinal cuts, always use a rip fence or a straight edge guide. This will improve the accuracy of your cut and reduce the likelihood of the saw blade.
- Always use saw blades of the correct size and with an appropriate central fixing bore (e.g. star-shaped or round). Blades that do not match the mounting hardware of the saw will run eccentrically, causing loss of control.
- Never use damaged or incorrect blade washers or The blade washers and bolts were specially designed for your saw, for optimum performance and safety of operation.
Further safety instructions for all saws Kickback – causes and corresponding safety instructions
- A kickback is a sudden reaction caused as a result of the saw blade catching, jamming or being falsely aligned, causing the saw to jump up uncontrollably and out of the workpiece in the direction of the operator;
- if the saw blade catches or jams in a narrowing saw cut, the blade can no longer rotate and the power of the motor throws the appliance back in the direction of the operator;
- if the saw blade twists in the saw cut or becomes misaligned, the teeth at the rear edge of the saw blade can become caught in the wood surface, causing the saw blade to jump out of the cut and the saw to jump backwards in the direction of the
Kickback is a result of saw misuse and/or incorrect operating procedures or conditions. This can be avoided by taking proper precautions as described below.
- Hold the saw firmly in both hands and position your arms such that they can absorb the force of a Always stand to the side of the saw blade and never in line with it. If a kickback occurs, the circular saw may jump backwards. However, by taking appropriate precautions the operator can control the kick- back forces.
- If the saw blade jams or you stop working, switch the saw off and hold it steadily in the workpiece until the saw blade has completely stopped turning. Never attempt to remove the saw from the workpiece or pull it backwards while the saw blade is still moving as this could lead to a Investigate and take corrective actions to eliminate the cause of blade binding.
- If you want to restart a saw that is still in the workpiece, center the saw blade in the cut and check to ensure that the teeth are not caught anywhere in the workpiece. If the saw blade catches it can jump out of the workpiece or cause a kickback when the saw is
- Support large panels to minimize the risk of blade pinching and kickback. Large panels tend to bend under their own weight. Panels/ boards must be supported on both side: e. both in the vicinity of the saw cut and also at the edge.
- Do not use blunt or damaged saw Saw blades with blunt or misaligned teeth may cause excessive friction as the saw cut is too narrow, and this can cause a saw blade jam and kickback.
- Before sawing, ensure that the fastenings for the cut depth and cut angle settings are tight- If the settings change while sawing, the saw blade might jam and cause a kickback.
- Be particularly careful when sawing in existing walls or other obscured The inserted saw blade could get caught on hidden objects and cause a kickback.
Function of the lower blade guard
- Check whether the lower blade guard closes properly before each Do not operate the saw if lower blade guard does not move freely and close instantly. Never clamp or tie the lower blade guard into the open position. If the saw is accidentally dropped, lower blade guard may be bent. Raise the blade guard with the release lever and make sure it moves freely and does not touch the blade or any other part at all angles and cut depths.
- Check the operation of the lower blade guard Have the saw serviced before using it if the lower blade guard and spring are not working properly. Damaged parts, sticky deposits or accumulations of chippings can cause the lower blade guard to operate slowly.
- The lower blade guard may be retracted manually only for special cuts such as “plunge cuts” and “compound cuts”. Raise the lower blade guard with the release lever and release it as soon as blade enters the mate- For all other sawing, the lower blade guard should operate automatically.
- Always ensure that the lower blade guard is covering the blade before placing the saw down on the workbench or floor. An unprotected, coasting saw blade will move the saw in the opposite direction to the cutting direction and saw anything in its path. Always, take into account that the saw blade takes some time to stop spinning.
Safety guidelines for battery chargers
- This appliance may be used by children aged 8 years and above and by persons with limited physical, sensory or mental capabilities or lack of experience and knowledge, provided that they are under supervision or have been told how to use the appliance safely and are aware of the potential Do not allow children to use the appliance as a toy. Cleaning and user maintenance tasks may not be carried out by children unless they are supervised.
- To avoid potential risks, damaged mains cables should be replaced by the manufacturer, their customer service department or a similarly qualified person.
The charger is suitable for indoor use only.
ATTENTION!
- This charger can only charge the following batteries: PAP 20 A1/PAP 20 A2/PAP 20 A3.
- A current list of battery compatibility can be found at www.lidl.de/Akku.
WARNING!
- Do not operate the appliance with a damaged cable, power cable or power plug. A damaged power cable poses a threat of a fatal electric shock.
Supplementary notes
- Do not use any grinding
- Use only saw blades with diameters corresponding to the label on the saw.
- Always use the right saw blade for the material being worked.
- Use only saw blades with a speed marking that corresponds to or is higher than the speed specified for the power tool.
- Saw blades that are intended for use on wood or similar materials must comply with EN 847-1.
- When sawing plastic, avoid melting the
- Wear a dust mask when
- Only use recommended saw
- Always wear hearing protection!
Safety information for circular saw blades
- Wear protective gloves! Wear a dust mask!
- Wear protective goggles!
- Wear hearing protection!
CAUTION!
RISK OF EXPLOSION! Never charge non-rechargeable batteries!
Original accessories/auxiliary equipment
- Only use the accessories and additional equipment which are specified in the operating instructions and are compatible with the appliance.
WARNING! Do not use any accessories not recommended by PARKSIDE. This can lead to electric shock and fire.
WARNING! Protect yourself from laser radiation!
P max. < 1 mW · λ 650 nm · EN 60825-1:2014 Never look directly into the laser beam or the opening from which it emerges.
WARNING: Looking at a laser beam through optical instruments (e.g. magnifying glasses etc.) can cause eye injuries.
Caution: If operating and adjustment equipment or procedures other than those specified here are used, this may result in hazardous radiation exposure.
Never aim the laser beam at reflective surfaces, people or animals. Even brief visual contact with a laser beam can result in eye injuries.
CAUTION: If operating and adjustment equipment is used or procedures other than those specified here are carried out, this may result in hazardous radiation exposure.
Before Use
Charging the Battery
CAUTION! Always unplug the appliance before you remove the battery pack from or connect the battery pack to the charger .
NOTE: Never charge the battery pack if the ambient temperature is below 10°C or above 40°C. If a lithium-ion battery is to be stored for an extended period, the charge level should be checked regularly. The optimum charge level is between 50% and 80%. The storage climate should be cool and dry and the ambient temperature should be between 0°C and 50°C.
- Connect the battery pack to the battery charger (see fig. C).
- Insert the power plug into the socket. The red control LED lights up.
- The green control LED indicates that the charging process is complete and the battery pack is ready.
CAUTION!
- If the red control LED flashes, this means that the battery pack has overheated and cannot be charged.
- If the red and green control LEDs both flash, this means that the battery pack is broken.
- Never recharge a battery pack again immediately after rapid charging. There is a risk that the battery pack will overheat and this will reduce the lifespan of the battery.
- Switch off the charger for at least 15 minutes between successive charging sessions. Also disconnect the power plug from the mains power socket.
Attaching/disconnecting the battery pack to/from the appliance
Inserting the battery pack
- Allow the battery pack to click into the handle.
Removing the battery pack
- Press the release button and remove the battery pack .
Checking the battery charge level
Press the battery charge level button to check the status of the battery (see fig. A). The charge status will be shown on the battery display LED as follows:
- RED/ORANGE/GREEN = maximum charge
- RED/ORANGE = medium charge
- RED = low charge – charge the battery
Checking blade guard functionality
Pull the release lever for the blade guard as far as it will go.
The blade guard should move without jamming. When letting go of the release lever for the blade, it should automatically jump back to its original position.
Operation
Fitting/changing the saw blade
Always remove the battery pack before changing the saw blade !
- Set the cutting depth (using the locking screw ) to the minimum position, 0 mm.
- Swing the blade guard back using the release lever and put the appliance down.
- Press the spindle lock button (until it engages) and use the hex key to release the clamping screw . Now remove the clamping screw and the clamping flange (see also fig. A).
Fig. A: Changing the saw blade - Remove the saw blade .
- Fitting a saw blade is carried out in the reverse order.
- Press the spindle lock button (until it engages) and use the hex key to tighten the clamping screw/washer .
WARNING!
- The arrow on the saw blade must correspond to the arrow showing the direction of rotation (running direction shown on the blade guard ).
- Ensure that the saw blade is suitable for the rotational speed of the tool.
Rip fence
- Undo the wing screw and insert the rip fence into the rip fence slot .
- Set the desired cut width with the help of the scale on the rip fence and the cut out in the base plate (see also fig. B).The right recess in the base plate is for a cutting angle of 0°. The left-hand recess in the base plate is for a cutting angle of 45°.
ATTENTION!
- Adjust the rip fence so that it can never come into contact with the blade guard or the saw blade !

- Retighten the wing screw.
Connecting the sawdust extraction device
- Attach the adapter for dust extraction to the chip ejector . Optional, depending on the diameter of the dust and sawdust extraction.
- Connect an approved dust and chip extraction device.
NOTE
When sawing wood or other materials that create dusts that are hazardous to health, always connect the appliance to a suitable, certified suction appliance.
Use
Switching on and off
Switching on
- Push the safety lock-out to the left or right and keep it pressed.
- Press the ON/OFF switch . Once the saw is running, you can release the safety lock-out .
Switching off
- Release the ON/OFF switch .
Setting the cutting angle
You can select the cutting angle using the cutting angle scale .
- Undo the wing screw of the cutting angle preselect or , set the desired cutting angle on the cutting angle scale and then retighten the wing screw .
Setting the cutting depth
NOTE
- Select a cutting depth of approx. 3 mm more than the thickness of the material. This ensures that you achieve a clean cut.
- Undo the locking screw , set the desired cutting depth on the cutting depth scale and then retighten the locking screw .
Working with the circular saw
- Switch on the appliance – as described in “Switching on and off” – and then place it with the front edge of the base plate on the material.
- Align the machine using the rip fence or by using a marked line.
- Hold the machine in both hands using the handles and saw by exerting an even pressure.
Switching the laser on and off
Switching on
- Press the ON/OFF switch laser
Switching off
- Press the ON/OFF switch laser
Tips and tricks
- Avoid damaging the cutting edge of sensitive materials, e.g. coated chip boards or doors, by sticking masking tape along the cutting line. This also makes it easier to mark a line on the tape than on a shiny surface. An even more effective method of protecting the cutting edges is to clamp a thin piece of wood along the cutting line (this wood is also sawn).
Maintenance and cleaning
WARNING! RISK OF INJURY!
Always switch the appliance off and remove the battery before carrying out any work on the appliance.
The cordless hand-held circular saw is maintenance-free.
- The appliance must always be kept clean, dry and free from oil or grease.
- Never allow liquids to get into the appliance.
- Use a soft, dry cloth to clean the housing.
Never use petrol, solvents or cleansers which can damage plastic. - The blade guard must always move freely and close automatically. Therefore, keep the area around the blade guard clean at all times. Remove dust and chips by blowing them out with compressed air or with a brush.
- If a lithium-ion battery is to be stored for an extended period, the charge level should be checked regularly. The optimum charge level is between 50% and 80%. The optimum storage environment is cool and dry.
NOTE - Replacement parts not listed (such as batteries, battery charger) can be ordered via our service hotline.
Disposal
The packaging is made from environmentally friendly material which can be disposed of at your local recycling plant.
Do not dispose of power tools in the normal domestic waste! European Directive 2012/19/EU requires that worn-out power tools be collected separately and recycled in an environmentally compatible manner.
Do not dispose of batteries in your normal household waste! Remove the batteries from the tool before disposal. Defective or worn-out rechargeable batteries must be recycled according to Directive 2006/66/EC. Take the battery pack and/or tool to a nearby collection
facility. Please contact your local authority or town council for information about disposal options for used power tools/battery packs.
Dispose of the packaging in an environmentally friendly manner. Note the labelling on the packaging and separate the packaging material components for disposal if necessary. The packaging material is labelled with abbreviations (a) and numbers (b) with the following meanings: 1–7: plastics, 20–22: paper and cardboard, 80–98: composites.
Your local community or municipal authorities can provide information on how to dispose of the worn-out product.
The product is recyclable, subject to extended producer responsibility and is collected separately.
Warranty
Dear Customer,
This appliance has a 3-year warranty valid from the date of purchase. If this product has any faults, you, the buyer, have certain statutory rights. Your rights are not restricted in any way by the warranty described below. Warranty conditions The warranty period starts on the date of purchase. Please keep your receipt in a safe place. This will be required as proof of purchase. If any material or manufacturing fault occurs within three years of the date of purchase of the product, we will either repair or replace the product for you or refund the purchase price (at our discretion). This warranty service requires that you present the defective appliance and the proof of purchase (receipt) within the three-year warranty period, along with a brief written description of the fault and of when it occurred. If the defect is covered by the warranty, your product will either be repaired or replaced by us. The repair or replacement of a product does not signify the beginning of a new warranty period. X 12 V and X 20 V Team Series battery packs come with a 3-year warranty valid from the date of purchase. Warranty period and statutory claims for defects The warranty period is not prolonged by repairs effected under the warranty. This also applies to replaced and repaired components. Any damage and defects present at the time of purchase must be reported immediately after unpacking. Repairs carried out after expiry of the warranty period shall be subject to a fee. Scope of the warranty This appliance has been manufactured in accordance with strict quality guidelines and inspected meticulously prior to delivery.
The warranty covers material faults or production faults. The warranty does not extend to product parts subject to normal wear and tear or to fragile parts which could be considered as consumable parts such as switches or parts made of glass.
The warranty does not apply if the product has been damaged, improperly used or improperly maintained. The directions in the operating instructions for the product regarding proper use of the product are to be strictly followed. Uses and actions that are discouraged in the operating instructions or which are warned against must be avoided.
This product is intended solely for private use and not for commercial purposes. The warranty shall be deemed void in cases of misuse or improper handling, use of force and modifications / repairs which have not been carried out by one of our authorized Service Centres.
The warranty period does not apply to:
- Normal reduction of the battery capacity over time
- Commercial use of the product
- Damage to or alteration of the product by the customer
- Non-compliance with safety and maintenance instructions, operating errors
- Damage caused by natural hazards
Warranty claim procedure
To ensure quick processing of your case, please observe the following instructions:
- Please have the till receipt and the item number (e.g. IAN 12345) available as proof of purchase.
- You will find the item number on the type plate on the product, an engraving on the product, on the front page of the operating instructions (below left) or on the sticker on the rear or bottom of the product.
- If functional or other defects occur, please contact the service department listed either by telephone or by e-mail.
- You can return a defective product to us free of charge to the service address that will be provided to you. Ensure that you enclose the proof of purchase (till receipt) and information about what the defect is and when it occurred.

You can download these instructions along with many other manuals, product videos and installation software at www.lidl-service.com.
This QR code will take you directly to the Lidl service page (www.lidl-service.com) where you can open your operating instructions by entering the item number (IAN) 356347_2004.
WARNING!
- Have the power tool repaired by the service Centre or a qualified electrician and only using genuine replacement parts. This will ensure that the safety of the appliance is maintained.
- Always ensure that the power plug or the mains cable is replaced only by the manufacturer of the appliance or by an approved customer service provider. This will ensure that the safety of the appliance is maintained.
Service
Service Great Britain
Tel.: 0800 404 7657
E-Mail: [email protected]
Service Ireland
Tel.: 1890 930 034
(0,08 EUR/Min., (peak))
(0,06 EUR/Min., (off peak))
E-Mail: [email protected]
Importer
Please note that the following address is not the service address. Please use the service address provided in the operating instructions.
KOMPERNASS HANDELS GMBH BURGSTRASSE 21
44867 BOCHUM
GERMANY
www.kompernass.com
Ordering a replacement battery
If you want to order a replacement battery for your appliance, you can do so easily via the Internet on www.kompernass.com or by telephone.
Due to limited stocks, this item may sell out in a relatively short time.

NOTE
Online ordering of replacement parts is not possible in all countries. In this case, please contact the Service hotline.
Telephone ordering
Service Great Britain Tel.: 0800 404 7657
Service Ireland Tel.: 1890 930 034
(0,08 EUR/Min., peak · 0,06 EUR/Min., off peak)
To ensure a fast processing of your order, have the article number of you appliance to hand (e.g. IAN 356347) in case of questions. The article number can be found on the type plate or the title page of these instructions.

Fig. A: Changing the saw blade



















