newtech 9424 Broadway Ambience Back-Lit Round Mirror

INSTALLATION INSTRUCTIONS
Please read these instructons carefully before installaton. Installaton should be carried out by a qualified electrician.
- This product conforms to AS/NZS Safety Standards and must be installed in accordance with current IEE wiring regulations and building regulations (part p). This product must be earthed, and should not be connected to an unearthed circuit.
- If there are only two wires coming from your power supply it means that this fitting can be wired to an unearthed circuit.
- Ensure that connections are turned off at the consumer unit or fuse board before installing or carrying out any maintenance.
- This product is for in door use only.
- This product is IP44 rated and can be installed in bathroom zone 2 (as defined by the IEE wiring regulations) and beyond.
See bathroom diagram below. - Replace failed lamps immediately. Allow the glass, lamp and fitting to cool before replacing the lamp.
IEE Bathroom Zones

OUTSIDE ZONES
DO NOT strike mirror glass with hard or pointed items. It is recommended that the product is cleaned with a soft, dry, non abrasive cloth. DO NOT use cleaning agents or abrasive materials on any type of finished surface. DO NOT allow moisture to come into contact with the electrical components.
Compliance: This product complies with the following safety standards: AS/NZS 60598.2.1:2014 AS/NZS 60598.1:2013
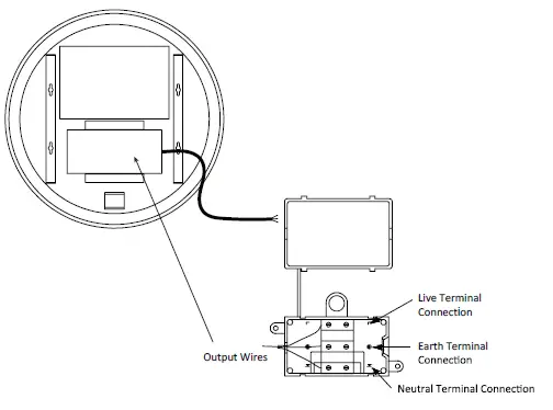
Wiring: This product is manufactured to class 1 category and requires an earth connection
COLOUR CODING:
- Live = Brown
- Neutral = Blue
- Earth = Green & Yellow
Demister Information: Typically, a mirror fogs up due to the difference in temperature of the mirror and the temperature in the bathroom. The bathroom is warm from the shower or bath whilst the mirror is cold and this difference in temperature causes it to fog up. The mirror demister warms the mirror slowly to reduce the difference in temperature leading to the mirror to defog slowly. The rate at which it defogs will be dependant on the size of the Mirror, the demister pad and the size and environment of the bathroom.
IMPORTANT
- When working at heights, please use a suitable platorm to work from.
- Please note: For new installations, check for any electrical cables or pipe work (gas/water) in the vicinity of the intended mounting point before proceeding with the installation.
- Ensure that the fixing location is able to take the weight of the complete fixing. Wear suitable eye protection when drilling. Be careful when using power tools near water.
Installation Procedure
- Open the carton and make sure all the parts listed below are present.

- Mark a desired height of the mirror. Drill the required holes and insert the wall plugs. Note: Wall plugs supplied are only suitable for solid stone/brick walls. Please ensure the screws are fully tight. The mirror can be mounted either portrait or landscape.

- Make the electrical connections ensuring first that the electrical supply has been turned off. This mirror is a class 1 product and requires an earth connection. It should be installed in accordance with the latest IEE regulations.

- Hang the mirror onto the wall

Head Office:
281 Heads Road, Wanganui [email protected] 06 349 0194 or 0800 728 662
Auckland Concept Showroom:
525 Great South Road, Penrose, Auckland
- Phone: 09 930 6200
- Email: [email protected]
- www.newtech.co.nz





















