Tibbo WS1102 Programmable Wireless Controller Owner's Manual

Programmable Hardware
Manual
WS1102
© 2021 Tibbo Technology Inc
WS1102 Programmable Wireless RS232/422/485 Controller

Introduction
The WS1102 is a compact Tibbo BASIC/C-programmable wireless controller equipped with an RS232/422/485 serial port. The product targets serial-over-IP (SoI) and serial control applications.
This cloud-native device incorporates Wi-Fi (802.11a/b/g/n over 2.4GHz/5GHz) and Bluetooth Low Energy (BLE) interfaces that introduce several new features, such as Wi-Fi auto-connects, wireless debugging, over-the-air (OTA) updates, and Transport Layer Security (TLS) support. As a vendor-agnostic product, it can communicate with Microsoft Azure, Google Cloud, Amazon Web Services (AWS), and virtually any other cloud services provider.
There are eight LEDs on the device’s front: green and red main status LEDs, a yellow access point association (link) LED, and five blue LEDs, which can be used for Wi-Fi signal strength indication or other purposes. A buzzer is provided as well.
Each WS1102 is supplied with a DIN rail and wall mounting plates.
The WS1102 comes preloaded with a full-featured Serial-over-IP (SoI) application that turns the WS1102 into a powerful serial-over-IP (SoI) device (a.k.a. a “device server”). A versatile Modbus Gateway application is also available.
Hardware Features
- Powered by Tibbo OS (TiOS)
- Stores up to two compiled Tibbo BASIC/C binaries (apps)(1)
o A Device Configuration Block (DCB) (2) defines which of the two apps normally runs on power-up
o Forced launch of APP0 through the MD button - Wi-Fi interface (802.11a/b/g/n)
o Controlled via a simple-to-use, yet sophisticated API
o TLS1.2 with RSA-2048 cryptosystem(3)
o Optional “autoconnect” — automatic association with a designated Wi-Fi network as defined by the DCB (2)
o Optional debugging of Tibbo BASIC/C applications via the Wi-Fi interface (4) - Bluetooth Low Energy (BLE 4.2)
o Controlled via a simple-to-use, yet sophisticated API
o Can access the DCB via a new, integrated console (2) - Internal Wi-Fi/BLE antenna
- RS232/422/485 port on a DB9M connector
o Port modes are software-selectable
o TX, RX, RTS, CTS, DTR(5), and DSR (5) lines
o Baudrates of up to 921,600bps
o None/even/odd/mark/space parity modes
o 7 or 8 bits/character
o RTS/CTS and XON/XOFF flow control - Built-in buzzer
- RTC (no backup battery)
- 58KB SRAM for Tibbo BASIC/C variables and data
- 4MB flash for code storage
o System files and TiOS occupy a combined 2,408KB
o 1,688KB available for storing up to two app binaries - Additional 4MB flash for the hardened fault-tolerant file system
- 2048-byte EEPROM for data storage
- Eight LEDs
o Green and red main status LEDs
o Yellow access point association (link) LED
o Five blue LEDs (for Wi-Fi signal strength indication, etc.) - Power: 12VDC (9 ~ 18V) (6)
o Current consumption at idle of 55mA ~ 65mA @12VDC
o Current consumption when in operation (transferring data) of ~80mA @12VDC with spikes of up to 130mA - Dimensions (LxWxH): 90 x 48 x 25mm
- Operating temperature range: –40°C to +85°C (6)(7)
- Firmware and compiled Tibbo BASIC/C apps can be updated via:
o Serial port
o Wi-Fi interface
o Bluetooth Low Energy (BLE) interface - Tibbo BASIC/C applications can be debugged via Wi-Fi (4) or serial port (5)
- Supplied with an SoI app preloaded
- Supplied with an SoI companion app preloaded
o The app allows editing of the DCB from the L.U.I.S. smartphone app (available for iOS and Android)
o Users are free to modify the app for additional functionality
- Although two independent Tibbo BASIC/C compiled binaries (apps) can be stored in the WS1102’s flash memory, only one can run at a time.
- Several of the WS1102’s configuration parameters are stored in the DCB, which is accessible via a new integrated console. Our BLE Terminal web app leverages the Web Bluetooth API (compatible with the Chrome, Chromium, Edge, and Opera web browsers) to connect to the WS1102’s console.
Configuration properties can also be read and set through Tibbo BASIC/C code. - TLS is supported on a single outgoing TCP connection.
- To enable Wi-Fi debugging, you must enable auto connect — automatic association with a designated Wi-Fi network. This can be accomplished via the integrated BLE console or in code.
- The TX and RX line of the debugging UART are connected to the DTR and DSR lines of the serial port. When the serial debugging is enabled, these lines cease functioning as the DTR and DSR lines. To avoid occupying the DTR and DSR lines for debugging, use wireless debugging instead. The debug mode can be selected via the integrated BLE console or in code.
- The WS1102 is compliant with the IEC/EN 62368-1 safety standard in the –40°C to +85°C range. To maintain this compliance in the field, use an external DC power source outputting 0.5A @ 9VDC ~ 18VDC (less than 15W) that is also IEC/EN 62368-1 certified and can operate in the –40°C to +85°C range.
- Tested according to procedures I, II, and III of MIL-STD-810H Method 501.7 and MIL-STD-810H Method 502.7.
Programming features
- Platform objects:
o adc — provides access to three ADC channels
o beep — generates buzzer patterns (1)
o bt — in charge of the BLE (Bluetooth Low Energy) interface (1)
o button — monitors the MD (setup) line
o fd — manages the flash memory file system and direct sector access (1)
o io — handles I/O lines, ports, and interrupts
o kp — works with matrix and binary keypads
o pat — “plays” patterns on up to five LED pairs
o ppp — accesses the Internet over a serial modem (GPRS, etc.)
o pwm — handles pulse-width modulation channels (1)
o romfile — facilitates access to resource files (fixed data)
o rtc — keeps track of date and time
o ser — controls the serial ports (UART, Wiegand, clock/data modes) (1)
o sock — socket comms (up to 32 UDP, TCP, and HTTP sessions) and support for TLS (2)
o ssi — controls serial synchronous interface channels (SPI, I²C)
o stor — provides access to the EEPROM
o sys — in charge of general device functionality (1)
o wln — handles the Wi-Fi interface1 - Function groups: String functions, trigonometric functions, date/time conversion functions, encryption/hash calculation functions, and more
- Variable Types: Byte, char, integer (word), short, dword, long, real, and string, as well as user- defined arrays and structures
Notes:
- These platform objects are either new or have new features (as compared to the EM2000).
- TLS1.2 with RSA-2048 cryptosystem, supported on a single outgoing TCP connection.
Power Arrangement
The WS1102 can only be powered through the power jack.
The power jack accepts “small” power connectors with a 3.5mm diameter.
On the power jack, the ground is “on the outside,” as shown in the figure below.

Serial Port
The WS1102 features a multimode RS232/422/485 port. Physically, the port is implemented as a single DB9M connector.
Note: See Definition of RS422 and RS485 Modes for information on how these modes are implemented on the WS1102.
Port pin assignment
In the RS232 mode, the serial port of the WS1102 has three output and three input lines. In the RS422 mode, you get two output and two input line pairs. The RS485 mode offers one output line pair and one input line pair. These are not independent — they operate in the half-duplex mode.
The serial port of the WS1102 is controlled via the ser. object (see the TIDE, TiOS, Tibbo BASIC, and Tibbo C Manual).

* When serial debugging is enabled, this line ceases to work as the DTR line of the serial port and becomes the TX line of the debug serial port.
** When serial debugging is enabled, this line ceases to work as the DSR line of the serial port and becomes the RX line of the debug serial port.
*** Serial debugging is not possible in these modes.
Selecting the serial port mode
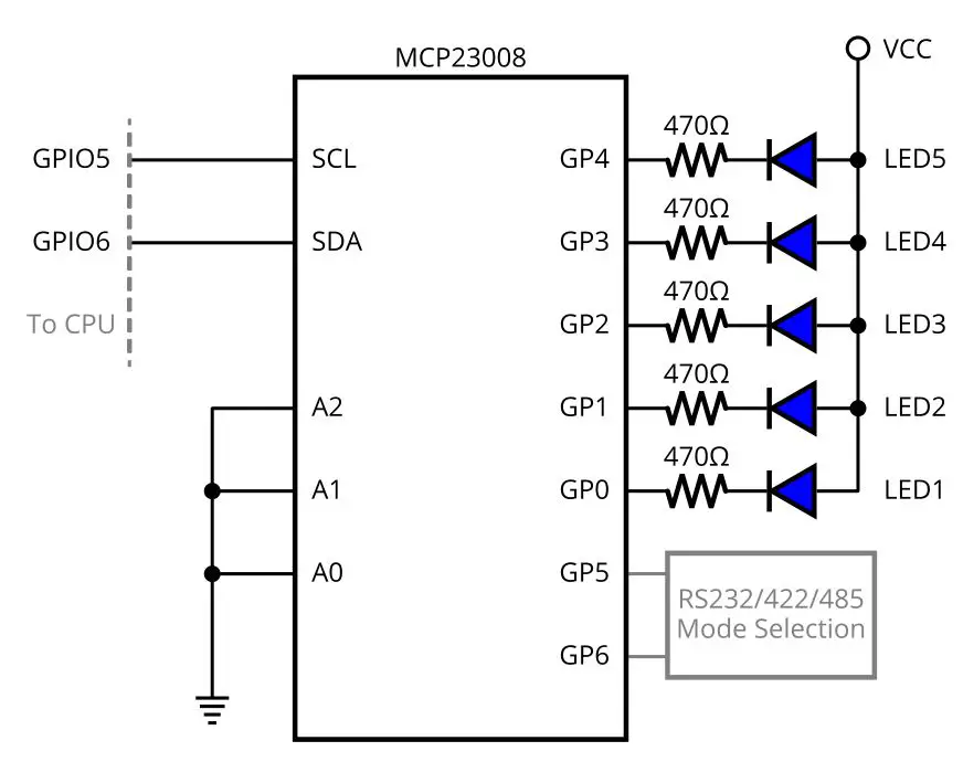
On the WS1102, the serial port mode is controlled via Microchip’s MCP23008 I/O expander IC. The I²C interface of this IC is connected to GPIO5 and GPIO6 of the WS1102’s CPU, as shown in the diagram below.

Use the ssi. object (see the TIDE, TiOS, Tibbo BASIC, and Tibbo C Manual) to communicate with the MCP23008. To select the desired serial port mode, set the state of the I/O expander’s lines GP5 and GP6 as shown in the table below (these lines are not to be confused with GPIO5 and GPIO6, which are the CPU lines driving the I²C interface of the I/O expander). Both GP5 and GP6 should be configured as outputs.

Direction control in the RS485 mode
In the RS485 mode, which is half-duplex, the PL_IO_NUM_3_INT1 GPIO line acts as the direction control line. The line must be configured as an output.

Definition of RS422 and RS485 Modes
To avoid any misunderstanding of what the RS422 and RS485 modes are, let’s clarify that the term “RS422 mode” refers to a full-duplex differential signaling interface with at least RX and TX signals, and possibly with CTS and RTS signals. Each signal is carried by a pair of “+” and “–” lines.
The term “RS485 mode” refers to a half-duplex differential signaling interface with RX and TX lines, where each signal is also carried by a pair of “+” and “–” lines. The RTS line of the serial port is used (within the serial controller) to control the direction, so TX and RX lines can be combined (externally) to form a two-wire bus that carries data in both directions. On a physical signal level (voltages, etc.), there is no difference between the RS422 and RS485 modes — they are implemented in the same way.
The RS422 and RS485 modes typically require termination circuits. No such circuits are provided within the WS1102. A simple 120Ω resistor (added externally) is sufficient to terminate one “+/–” pair properly
Flash and EEPROM Memory
These are the three types of flash memory that you will encounter on the WS1102:
- Unified flash memory – stores the TiOS firmware, compiled Tibbo BASIC/C app, and, optionally, the flash disk. All flash space not occupied by TiOS is available to the compiled Tibbo BASIC/C app. All flash space left over from TiOS and the app can be formatted as a fault-tolerant flash disk. The flash disk is accessible through the fd. object (see the TIDE, TiOS, Tibbo BASIC, and Tibbo C Manual).
- Program flash memory — stores the TiOS firmware and compiled Tibbo BASIC app(s). All flash space not occupied by TiOS is available to the compiled Tibbo BASIC/C app.
- Data flash memory — the entire memory space can be formatted as a fault-tolerant flash disk. The flash disk is accessible through the fd. object.
In addition, the WS1102 is equipped with EEPROM memory. A small area at the bottom of the EEPROM is occupied by the Special Configuration Section (SCS) that stores the device’s MAC(s) and password. The rest of the EEPROM is available to Tibbo BASIC/C applications. The EEPROM is accessible through the stor. object (see the TIDE, TiOS, Tibbo BASIC, and Tibbo C Manual).

On the advice of one of our customers, we are giving you the following reminder: Like all other EEPROMs on the market, EEPROM ICs used in Tibbo devices allow for a limited number of write cycles. As the Wikipedia article on EEPROM states, the EEPROM “… has a limited life for erasing and reprogramming, now reaching a million operations in modern EEPROMs. In an EEPROM that is frequently reprogrammed while the computer is in use, the life of the EEPROM is an important design consideration.” When planning to use the stor. object, please carefully consider if the planned mode of EEPROM use will allow the EEPROM to work reliably through the entire projected life of your product.
Like all other flash memory devices on the market, flash ICs used in Tibbo products only allow for a limited number of write cycles. As the Wikipedia article on flash memory explains, modern flash ICs still suffer from comparatively low write endurance. In Tibbo devices, this
endurance is about 100,000 write cycles per sector. When you are using the flash memory for file storage, the fd. object employs sector wear leveling to maximize the life of the flash IC (but the life still remains limited). If your application employs direct sector access, then it is your job to plan the application around the life limitations of the flash memory. For data that changes often, consider using the EEPROM instead — EEPROMs have much better endurance.
Buzzer
The buzzer is on the WS1102. The buzzer’s center frequency is 2,750Hz.
Your application can control the buzzer through the “beeper” (beep.) object (see the TIDE, TiOS, Tibbo BASIC, and Tibbo C Manual).
The buzzer is connected to the PL_IO_NUM_9 GPIO line. The recommended value for the beep.frequency property is 2750.
Built-in Wi-Fi and BLE
The WS1102 features built-in Wi-Fi and BLE interfaces. These interfaces are accessible via wln. and bt. objects.
The expanded wln. object supports automatic association with a designated network, wireless debugging, and Transport Layer Security (TLS) 1.2 encryption.
LED Bar
The WS1102 features an LED bar comprised of five blue LEDs. The bar can be used for signal strength indication and other purposes.
Note: The green, red, and yellow status LEDs are described in the Status LEDs topic.

On this wireless controller, the LEDs are controlled via Microchip’s MCP23008 I/O expander IC. The I²C interface of this IC is connected to GPIO lines 5 and 6 of the WS1102’s CPU, as shown in the diagram below.

Use the ssi. object (see the TIDE, TiOS, Tibbo BASIC, and Tibbo C Manual) to communicate with the MCP23008.
To turn an LED on, configure the corresponding line of the IC as an output and set it LOW.
Refer to the MCP23008 datasheet for information on how to achieve this.
The WS1102 is fully supported by CODY, Tibbo’s project code wizard. CODY can generate the scaffolding for your WS1102 projects, including the code to control the LED bar.
DIN Rail and Wall Mounting Plates
The WS1102 ships with two mounting plates — one for installation on a DIN rail and one for mounting on a wall.
Both plates are secured onto the device using two screws (included with each device).

The wall mounting plate can be used to mount the WS1102 on a wall in a semi-permanent or permanent manner. The diagram below shows the installation footprint.

Status LEDs (LED Control Lines)
Every Tibbo device has two status LEDs — green and yellow — that indicate various device modes and states. We refer to these LEDs as “Status Green” (SG) and “Status Red” (SR). These LEDs are used:
- By the Monitor/Loader (M/L)
- By Tibbo OS (TiOS):
o When a Tibbo BASIC/C app is not running, these LEDs show the current state of the device
o When a Tibbo BASIC/C app is running, the status LEDs are under the app’s control through the pat. object (see the TIDE, TiOS, Tibbo BASIC, and Tibbo C Manual)
Many Tibbo programmable devices also have a “Status Yellow” (SY) LED. This LED is commonly used to indicate that a network link has been established, but it serves other functions in certain situations.
Federal Communications Commission (FCC) Statement
You are cautioned that changes or modifications not expressly approved by the part responsible for compliance could void the user’s authority to operate the equipment.
This device complies with Part 15 of the FCC Rules. Operation is subject to the following two conditions:
- this device may not cause harmful interference, and
- this device must accept any interference received, including interference that may cause undesired operation of the device.
This equipment has been tested and found to comply with the limits for a Class B digital device, pursuant to part 15 of the FCC rules. These limits are designed to provide reasonable protection against harmful interference in a residential installation. This equipment generates, uses and can radiate radio frequency energy and, if not installed and used in accordance with the instructions, may cause harmful interference to radio communications. However, there is no guarantee that interference will not occur in a particular installation. If this equipment does cause harmful interference to radio or television reception, which can be determined by turning the equipment off and on, the user is encouraged to try to correct the interference by one or more of the following measures:
-Reorient or relocate the receiving antenna.
-Increase the separation between the equipment and receiver.
-Connect the equipment into an outlet on a circuit different from that to which the receiver is connected.
-Consult the dealer or an experienced radio/TV technician for help.
FCC RF Radiation Exposure Statement:
This equipment complies with FCC radiation exposure limits set forth for an uncontrolled environment. This equipment should be installed and operated with minimum distance 20cm between the radiator & your body. This transmitter must not be co-located or operating in conjunction with any other antenna or transmitter.
Online Documentation
For the most up-to-date documentation of the WS1102, please refer to Tibbo’s online documentation.



















