GEIGER GJ56 E14-1002 Venetian Blinds Instruction Manual
General information
Dear customer,
By purchasing a GEIGER motor you have decided on a quality product from GEIGER.
Thank you very much for your decision and the confidence placed in us.
Before you put this drive into operation please observe the following safety instructions. It serves for the prevention of danger and for the avoidance of personal injury and damage to property.
The installation and operating instructions contain important information for the installer, the specialist electrician and the user. Please pass on these instructions if you transfer the product.
These instructions should be kept by the user.
Guarantee
In the case of incorrect installation contrary to the installation and operating instructions and/ or constructional modification, the legal and contractual guarantee for property damage and product liability lapses.
Intended use
The motors of the model range GJ56.. E14-1002 with electronic end stop are designed exclusively for the operation of Venetian blinds and terrace shading.
The motors may not be used for the operation of roller grilles, garage doors, furniture and lifting tools.
Safety instructions
ATTENTION: Important safety instructions. For personal safety, it is important to follow these instructions. Please keep these instructions for future reference.
- f Do not allow children to play with stationary controls. Keep remote controls away from children.
- The installation is to be checked regularly for defective balance, signs of wear or damaged cables and springs, if relevant.
- Do observe the moving sun protection system and keep persons away until it has closed completely.
- When operating the manual release with the sun protection system open, please be cautious as it can fall down quickly if springs or tapes wear off or are broken.
- Do not operate the device if operations such as, for example, window cleaning are to be carried out in the vicinity.
- Disconnect the automatic controlled device from the mains power supply if operations such as, for example, window cleaning are being carried out in the vicinity.
- During operation observe the danger zone.
- Do not use the installation if people or objects are in the danger zone.
- Urgently shut down damaged installations until repair.
- Unconditionally shut down the unit during maintenance and cleaning operations.
- Pinching and shearing points are to be avoided and must be secured.
- This appliance can be used by children aged 8 and above and persons whose physical, sensorial or mental capacities are impaired, or who have no experience or know-how if they have been supervised or been given instructions on the use of the appliance and if they understand the possible resulting dangers. Children are not permitted to play with the device. Cleaning and maintenance should not be carried out by children.
- The rated sound pressure level is less than 70 dB(A).
- Disconnect the device from the mains power supply for maintenance and replacement of parts.
If the motor is disconnected via a plug connection the operator must be able to control – from any place to which it has access – that the plug is removed.
If this is not possible – due to design or installation – the disconnection from the power supply must be ensured via locking in the disconnected position (e.g. isolator). - The motor tube can get very hot during prolonged use.
When working on the unit, do not touch the tube before it has cooled down.
Safety instructions for assembly
ATTENTION: Important safety instructions. Follow all installation instructions, as incorrect installation can lead to serious injuries
- When mounting the motor without any mechanical protection of the driven parts and of the tube which may become hot, the motor must be installed at a height of at least 2.5 m above the ground or of another level which provides access to the drive.
- Before the motor is installed, all cables which are not needed are to be removed and all equipment which is not needed for power-operated actuation is to be put out of operation.
- The actuating element of a manual release must be mounted at a height of less than 1.8 m.
- If the motor is controlled by a switch or pushbutton, the switch or pushbutton must be mounted within eyeshot of the motor. The switch or pushbutton must not be located in the vicinity of moving parts. The height of installation must be at least 1.5 m above the floor.
- Permanently installed control devices must be attached visibly.
- In case of devices extending horizontally, a horizontal distance of at least 0.4 m must be respected between the fully extended part and any other fixed element.
- The rated speed and the rated torque of the motor must be compatible with the device.
- The mounting accessories that are used must be designed in accordance with the selected rated torque.
- Good technical knowledge and good mechanical skills are necessary for the motor installation. Incorrect installation can lead to serious injury.
Electrical work must be carried out by a qualified electrician in accordance with the regulations in force locally. - Only use connecting cables that are suitable with the environmental conditions and which meet the construction requirements. (see accessories catalogue)
- If the device is not equipped with a connecting cable and a plug, or other means for disconnecting from the mains with a contact opening on each pole according to the conditions of the overvoltage category III for full disconnection, a disconnecting device of this type must be incorporated into the permanently installed electrical installation according to the wiring rules.
- Do not mount the connecting cables near hot surfaces.
- A plug for the disconnection of the motor from the power supply must be accessible after installation.
- Damaged connecting cables must be replaced by GEIGER connecting cables of the same type.
- The device must be mounted as described in the installation instructions. Fixationshall not be made with adhesives since they are regarded as unreliable.
Installation instructions
Prior to installation please check to ensure there is no visible damage to the motor like cracks or open cables.
Before fixing please check the strength of the masonry and of the surface.
Information for the specialist electrician
Caution: Important installation instructions.
Please follow all instructions since incorrect installation can lead to the destruction of the motor and the switching unit.
- UP and DOWN commands). The operations with the service clamps may be accomplished only by an electrical specialist.
- Motors with electronic limit stops can be connected in parallel.
- In this case the maximum load of the switching unit must not be exceeded.
- When changing the running direction the switchover must be effected through an off-position.
- When changing the running direction the switchover time must be at least 0.2 s.
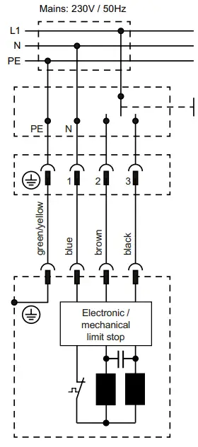
- With a three-phase network, please use the same external conductor in order to control the UP and DOWN directions.
- Connecting cables with plug connectors of the Hirschmann Company are tested and approved with couplings of the Hirschmann Company.
- In order to prevent a malfunction caused by coupling, the supply line (ref. NYM) from the actuator/switch to the motor must not exceed 100m in case of motors with electronic end stops.

Setting of the end stops
General information
In order to set the end positions of the GJ56.. E14-1002 motors, any setting switch can be used that has a programming key or that allows a simultaneous UP/DOWN command. In this case, the UP/DOWN keys must be activated simultaneously instead of the programming key
Important: please observe the connecting diagram on the back of the GEIGER setting switch.
| Article number / GEIGER setting switch | |
| M56F152 | with service terminal (D), 5 wires, SMI compatible |
| M56F153 | with service terminal (CH), 5 wires, SMI compatible |
| M56F154 | with service terminal (D), 4 wires |
Factory setting
- The motor is set on the middle position at the factory.
- The motor command is in normal operation.
If the factory setting has been carried out, max. 100/500 revolutions can be done upwards or downwards.
Reset to factory settings for a further run downwards.
Activate the programming mode
Prerequisite: The motor is positioned between the upper and the lower end position.
The GJ56.. E14-1002 can be set with any setting switch that permits a simultaneous UP/DOWN command. In this case, the UP/DOWN keys must be simultaneously pressed instead of the programming key.
Programming mode
Press the programming key of the limit stop switch until, after about 3 seconds, the motor confirms “end position
programming activated” with 1 x click-clack. Then release the key

Programming/changing the upper end stops
How to program or change the upper end stop:
Activate the programming mode.
- Run the motor in the direction of the upper end position. The motor interrupts its run just to show that it is in the programming mode:
- The direction in which the motor moves after the break* determines the end stop to be programmed.
(UP = upper end stop, DOWN = lower end stop) - When the upper end position is reached, move the motor in the opposite direction until 2 short breaks* show the last saved position.
- The programming is completed.
* As long as the interruption of movement has not yet occurred, corrections can be done.
Start the setting process again to readjust the end positions.
The lower end position is detected automatically (torque shutoff) and programmed.
Cancel the programming mode:
In order to cancel the programming mode, press the programming key or simultaneously the UP/DOWN key until the motor confirms the cancellation of the programming mode after about 3 seconds with 2 x click-clack.
Resetting to factory settings
Press the programming key or simultaneously the UP/DOWN key for about 20 seconds until the motor jerks 1 x after 3 seconds and 4 x after 20 seconds. Then the motor is reset to factory settings.
Obstacle detection and anti-freeze protection
After an obstacle detection (e.g. obstacle or blind frozen to the window sill), the direction in which the obstacle was detected is blocked.
A short command in the opposite direction releases the driving direction.
What to do if…
| Problem | Solution |
| Motor does not run. | • Motor not plugged in. Please check the plug connection. • Check connecting cable for possible damage. • Check the mains voltage and allow the cause of the voltage breakdown to be tested by a specialist electrician. |
| Instead of in the downwards direction, motor runs upwards. | • The control leads are interchanged. Exchange black/brown control leads. |
| Motor only runs in one direction. | • Motor in the end position. Run motor in the opposite direction. Readjust the end positions, if necessary. |
| After running several times, the motor breaks down and no longer responds. | • The motor became too hot and has switched off. Try it again after a cooling time of about 15 min. |
Maintenance
The drive is maintenance-free.
Technical data
| Technical data GJ56.. E14-1002 with electronic end stop | ||
| GJ5603 | GJ5620 | |
| Voltage | 230 V~/50 Hz | |
| Current | 0,75 A | 0,85 A |
| Cos Phi (cosj) | > 0,95 | |
| Inrush current (factor) | x 1,2 | |
| Power | 170 W | 190 W |
| Torque | 3 Nm | 2 x 10 Nm |
| Speed | 124 rpm | 26 rpm |
| Protection class | IP 54 | |
| Limit switch range | 1.000 rotations | 200 rotations |
| Operating mode | S2 4 min. | |
| Length | 356,7 mm | 361,7 mm |
| Diameter | 55 mm | |
| Weight | ca. 2,20 kg | |
| Humidity | dry and non-condensing place | |
| Storage temperature | T = -15°C .. +70°C | |
Notes on waste disposal
Recycling of packaging materials
In the interest of environmental protection, please contact your local government’s recycling or solid waste management department to learn more about the services it provides.
Waste disposal of electric and electronic equipment
Electrical and electronic equipment must be collected and disposed of separately in accordance with EU regulations.
Declaration of conformity



















