GYS WCU 1KW A Cooling Unit

GENERAL INSTRUCTIONS
Read and understand the following safety recommendations before using or servicing the unit. Any change or servicing that is not specified in the instruction manual must not be undertaken. The manufacturer is not liable for any injury or damage due to a non-compliance with the instructions featured this manual . In the event of problems or uncertainties, please consult a qualified person to handle the installation properly.
ENVIRONMENT
This equipment must only be used for welding operations in accordance with the limits indicated on the descriptive panel and/or in the user manual. The operator must respect the safety precautions that apply to this type of welding. In case of inedaquate or unsafe use, the manufacturer cannot be held liable for damage or injury.
This equipment must be used and stored in a place protected from dust, acid or any other corrosive agent. Operate the machine in an open, or well-ventilated area.
- Operating temperature:
Use between -10 and +40°C (+14 and +104°F).
Store between -20 and +55°C (-4 and 131°F). - Air humidity:
Lower or equal to 50% at 40°C (104°F).
Lower or equal to 90% at 20°C (68°F). - Altitude:
Up to 1000 meters above sea level (3280 feet).
PROTECTION OF THE INDIVIDUALS
Arc welding can be dangerous and can cause serious injury or even death.
Welding exposes the user to dangerous heat, arc rays, electromagnetic fields, risk of electric shock, noise and gas fumes. People wearing pacemakers are advised to consult a doctor before using the welding machine. Protect yourself and others. Ensure the following safety precautions are taken:
- In order to protect you from burns and radiations, wear clothing without cuffs. These clothes must be insulating, dry, fireproof, in good condition, and cover the whole body.
- Wear protective gloves which guarantee electrical and thermal insulation.
- Wear welding protective gear for the whole body: hood, gloves, jacket, trousers… (variable, depending on the application). Protect your eyes during cleaning procedures. Contact lenses are prohibited during use. It may be necessary to install fireproof welding curtains to protect the area against arc rays, weld spatter and sparks. Inform people who are around the working area to never look at the arc ray or the molten metal, and to wear protective clothes.
- Wear ear protection if the work exceeds the authorised noise limit. The same applies to anyone in the welding area.
- Keep hands, hair and clothes away from moving parts such as fans, and engines. Never remove the safety covers from the cooling unit when the machine is plugged in. The manufacturer is not liable for any injury or damage due to non-compliance with the safety precautions.
- Parts that have just been welded will be hot and may cause burns when touched. During the maintenance of the torch, make sure that the torch has sufficiently cooled down and wait at least 10 minutes before any operation. When using a water-cooled torch, make sure that the cooling unit is switched on to avoid any burns that could potentially be caused by the liquid. It is important to secure the working area before leaving it to ensure protection of the goods and the safety of people.
WELDING FUMES AND GAS
The fumes, gases and dust produced during welding are hazardous. It is mandatory to ensure adequate ventilation and/or extraction to keep fumes and gases away from the work area. An air fed helmet is recommended in cases of insufficient air supply in the workplace. Check that the air intake complies with safety standards. Care must be taken when welding in small areas, and the operator will need supervision from a safe distance. Welding certain pieces of metal containing lead, cadmium, zinc, mercury or beryllium can be extremely toxic. The user will also need to degrease the workpiece before welding. Gas cylinders must be stored in an open or ventilated area. The cylinders must be in a vertical position secured to a support or trolley. Do not weld in areas where grease or paint are stored.
FIRE AND EXPLOSION RISKS
Protect the entire welding area. Compressed gas containers and other inflammable material must be moved to a minimum safe distance of 11 meters. A fire extinguisher must be readily available. Be careful of spatter and sparks, even through cracks. It can be the source of a fire or an explosion. Keep people, flammable objects and containers under pressure at a safe distance. Welding of sealed containers or closed pipes should not be undertaken. If opened, the operator must remove any inflammable or explosive materials (oil, petrol, gas). Grinding operations should not be directed towards the device itself or any flammable materials.
ELECTRIC SAFETY
The machine must be connected to an earthed electrical supply. Use the recommended fuse size. An electrical discharge can directly or indirectly cause serious accidents, if not deadly. Never touch live parts inside and outside of the device when it is on (Torches, clamps, cables, electrodes) as they are connected to the welding circuit. Before opening the device, it is imperative to disconnect it from the grid and wait 2 minutes so that all the capacitors are discharged. Do not touch the torch or electrode holder and earth clamp at the same time. Be sure to change the cables and torches if they are damaged, to be performed by qualified and authorised personnel. The dimensions of these accessories should be sufficient. Always wear dry clothes in good condition, in order to be insulated from the electrical circuit. Wear insulating shoes, regardless of the environment in which you work in.
TRANSPORTATION OF THE MACHINE
It is preferable to drain the cooling unit before transport. Do not place/carry the unit over people or objects.
INSTALLATION
Rules to follow:
- Put the machine on the floor (maximum incline of 10°.)
- Ensure the work area has sufficient ventillation for welding, and that there is easy access to the control panel.
- The machine must be placed in a sheltered area away from rain or direct sunlight.
- The machine must not be used in an area with metal dusts.
- The machine protection level is IP23, which means :
- Protection against acess to dangerous parts from solid bodies of a ≥12.5mm diameter and,
- Protection against the rain inclined at 60% towards the vertical.
These devices can be used outside in accordance with the IP23 protection index.
MAINTENANCE / RECOMMENDATIONS
Maintenance should only be carried out by a qualified person.
Ensure the machine is unplugged, and that the ventilator inside has stopped before carrying out maintenance work. High Voltage and Currents inside the machine.
- Remove the casing 2 or 3 times a year to remove any excess dust. Take this opportunity to have the electrical connections checked by a qualified person, with an insulated tool.
- Regularly check the condition of the power supply cable. If the power cable or connection cables are damaged, they must be replaced by the manufacturer, its after sales service or an equally qualified person to prevent danger.
- Ensure the ventilation holes of the device are not blocked to allow adequate air circulation.
The cooling liquid must be changed every 12 month in order to avoid sediments which could block the torch cooling circuit. Any leak or residual fluid after use, must be handled within the appropriate purification factory. If possible, recycle the product. It is prohibited to empty the product into a river, sceptic tank or a draining system. The diluted fluid must not be emptied in the sewers, unless authorised by the local regulations.
INSTALLATION – PRODUCT OPERATION
Only qualified personnel authorized by the manufacturer should perform the installation of the welding equipment. During set up, the operator must ensure that the machine is unplugged.
HARDWARE DESCRIPTION
The cooling unit is a system designed to cool the water cooled torches connected to your TIG :
| Compatibility | TIG 220 DC | TIG 300 DC | TIG 220 AC/DC | |
| WCU 0.5 KWA | – | – | ||
| WCU 1 KWA | – | |||
| WCU 1 KWB | – | – |
The WCU1KWA and WCU1KWB cooling units feature:
- with a water level protection making sure the filling is at the minimum level for the good functioning of the cooling system but also for a good torch cooling.
- with a water flow protection in order to protect the torch against a blockage at the level of the water circuit or a damage of the torch connection.
- The recommended cooling system unit is automatically detected by the machine. In the OPTION menu, this cooling unit system can be deactivated. Warning ! Do not plug the cooling unit whilst the TIG machine is on.
INSTALLATION AND CONNECTION


COOLING LIQUID
The operator must fill the tank up to its maximum indicated on the front of the cooling unit but never under the minimum line or a warning message will be displayed on the screen. The cooling liquid recommended by the manufacturer, must be used (ref. 052246). The use of any other coolant, and including the special automotive one, can lead, by electrolysis effect, to the accumulation of dumps in the cooling system, damaging it and even more by blocking the circuit. The maximum level indication is essential to optimize the duty cycle of the machine. Any damage caused to the machine by the use of another cooling liquid will not be taken under warranty. The recommended cooling system unit is automatically detected by the machine. In the OPTION menu, this cooling unit system can be deactivated.
Make sure that the cooling unit is turned off before disconnecting the inlet and outlet hoses for torch liquid. The coolant is harmful and irritates the eyes, the mucus membranes and the skin. Hot liquid may cause burns.
TROUBLESHOOTING
This device integrates a default management system. This allows the operator to diagnose the errors and anomalies with the help of the instruction manual (Troubleshooting chapter).
WARRANTY
The warranty covers faulty workmanship for 2 years from the date of purchase (parts and labour). The warranty does not cover:
- Transit damage.
- Normal wear of parts (eg. : cables, clamps, etc..).
- Damages due to misuse (power supply error, dropping of equipment, disassembling).
- Environment-related failures (pollution, rust, dust).
In case of failure, return the unit to your distributor together with:
- The proof of purchase (receipt etc …)
- A description of the fault reported
SPARE PARTS

| WCU0.5kW A | WCU1kW A | WCU1kW B | ||||
| 039490 | 039773 | 032217 | ||||
| 1 | Pump | 71746 | ||||
| 1a | Pump | If manufactured before 05/2019 | 71771 | |||
| 1b | If manufactured after 05/2019 | 71772 | ||||
| 2 | Shield | 56120 | 56061 | |||
| 3a | Female valve coupler D9 | 71694 | ||||
| 3b | 71695 | |||||
| 4 | Fill plug | If manufactured before 11/2019 | 71326 | 71299 | ||
| If manufactured after 01/2020 | 71334 | |||||
| If manufactured between 11/2019 and 01/2020 | consulter SAV consult SAV | |||||
| 91053 | 90791 | |||||
| – | 71766 | |||||
| 7 | Water flow sensor | – | 81100 | |||
| 8 | Transformer | – | 63701 | 63711 | ||
| 9 | 12pts connection cable | – | 91679 | |||
| 10 | 6pts connection cable | – | 91680 | |||
| 11 | Cooling unit circuit | – | 97333 | 97379 | ||
| 12 | Water radiator | 71751 | ||||
| 51030 | ||||||
| 14 | Fuse holder | – | 51387 | |||
| 15 | Passe fil | 56098 | 56098 | |||
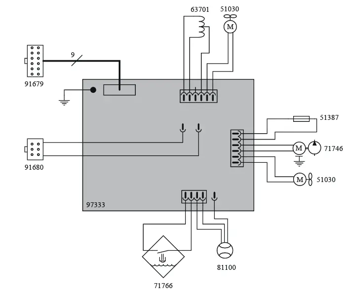
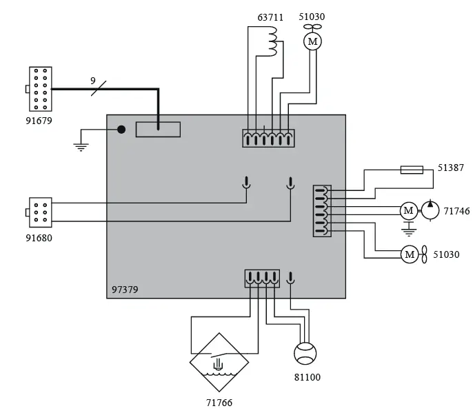
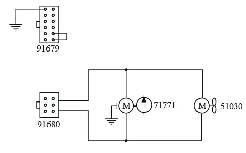
ELECTRIC DIAGRAM
WCU 1KWA:

WCU 1KWB:

WCU 0.5KWA:

TECHNICAL SPECIFICATIONS
| COOLING UNIT | WCU0.5kW_A | WCU1kW_A | WCU1kW_B |
| Primary | |||
| Power supply voltage | 230V +/- 15% | 110V / 230V +/- 15% | 400V +/- 15% |
| Mains frequency | 50 / 60 Hz | ||
| Fuse | 5A | ||
| Cooling power at 1l/min at 25°C | 0.5kW | 1kW | |
| Maximum pressure | 0.33 MPa | 0.4 MPa | |
| Functioning temperature | -10° +40°C | ||
| Storage temperature | -25° +55°C | ||
| Protection level | IP23 | ||
| Dimensions (Lxlxh) | 47 x 23 x 16 cm | 52 x 24 x 26 cm | |
| Weight | 8 kg | 14 kg | 15 kg |
| Compatible machines | TIG 220 DC | TIG 220 DC TIG 220 AC DC | TIG 300 DC |
SYMBOLS
![]() | Caution! Read the user manual. |
| EN60974-2 | This equipment is compliant with standard EN 60974-2. |
| 50/60 Hz | Two-phase power supply 50 or 60Hz |
50/60 Hz ![]() | Single phase power supply 50 or 60 Hz |
| U1 | Assigned voltage |
| A | Amperes |
| I1max | Maximum rated power supply current (effective value) |
![]() | Cooling unit system |
| V | Volt |
| P 1L/min | Cooling power for 1Litre per minute |
| kW | – Kilowatt |
| Pmax | Maximum output pressure | |||
| MPa | Megapascal | |||
| IP23 | Protection against access to dangerous parts of solids with a diameter >12.5 mm and protection against rain directed at 60° from the vertical. | |||
| 5A fuse | ||||
![]() | – Water inlet | |||
![]() | – Water outlet | |||
| MAX | Maximum water level | |||
| MIN | – Minimum water level
| |||
|
| – Device(s) compliant with European directives. The certificate of compliance is available on our website. | |||
![]() | – EAEC Conformity marking (Eurasian Economic Community). | |||
![]()
| This hardware is subject to waste collection according to the European directives 2002/96/UE. Do not throw out in a domestic bin !
| |||
| – This product should be recycled appropriately. | ||||
![]() | – Equipment in compliance with British requirements. The British Declaration of Conformity is available on our website (see home page). | |||
| – Equipment in conformity with Moroccan standards. The declaration Cم (CMIM) of conformity is available on our website (see cover page). | ||||
GYS SAS
1, rue de la Croix des Landes
CS 54159
53941 SAINT-BERTHEVIN Cedex
FRANCE




























