

Carbon Suspension Seatpost
Instruction Manual
355 Cane Creek Rd, Fletcher NC USA 28732
canecreek.com
828-641-9560
Seatpost Installation Instructions
- Confirm your frame has the correct diameter seat tube for your new eeSilk+ Seatpost. silk seat posts are available in 27.2mm and 31.6mmpost diameter but Cane Creek offers several Seatpost adapters to accommodate larger size tubes.

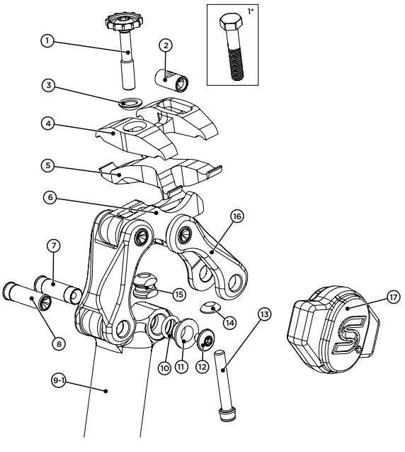
ID Number Description Qty 1 AAE0096Ti M6 x 1 x 33 Thumb Bolt – Ti 1 2 AAE0135 Barrel Nut 15.5mm – SS 1 3 AAE0120 Spherical Washer M6 1 4 AAE0089 Upper Clamp 1 5 AAE0088 Lower Seat Clamp 1 6 AAE0280 Clamp Cradle 1 7 AAE0282 Removable Axle 1 8 AAE0281 Press Axle 3 9-1 AAE0289 Carbon Post – 27.2 x 350 1 9-2 AAE0286 Aluminum Post – 27.2 x 375 1 9-3 AAE0291 Carbon Post – 31.6 x 350 1 9-4 AAE0290 Aluminum Post – 31.6 x 375 1 10 AAE0285 0-ring 7.8×1.9 – NBR 4 11 AAE0300 Arm Bushing 8 12 AAE0283SS Axle Bolt 1 13 AAE0097Ti M5 x 0.8 x 33 Bolt – Ti 1 14 AAE0090 Spherical Washer M5 1 15 AAE0115 Spherical Nut 1 16 AAE0313 Arm 2 17 AAE0323 Elastomer – Medium 1 1′ AAE0302 M6 x 1 x 32 – 10mm Hex 1 - eeSilk+: Grease shim (if applicable) and Seatpost before installing into the frame. DO NOT lubricate seat tubes of carbon frames unless specified by the manufacturer. eeSilk+Carbon: Cane Creek recommends using carbon fiber paste with the carbon post. For carbon frames, ensure the carbon paste is approved by the manufacturer.
- Insert a shim (if applicable) into the bicycle frame with the split aligned with the split in the seat tube.
- Install the eeSilk+ Seatpost into the bicycle frame to approximately the correct height using the height indicators on the back of the post and fasten the Seatpost clamp to the frame manufacturer’s specifications. Confirm the Seatpost is installed so that the minimum insertion line is not exposed above the seat tube of the bicycle frame.
- Loosen the two saddle clamp bolts until the threads are barely engaging the Barrel Nut and the Spherical Nut. Be sure grease is applied to the interface between the lower clamp and cradle.

- Place one rail of the saddle in position between the upper and lower clamps. Then rotate the saddle so the other rail slips over the far edge of the upper clamp and into position in the rail grooves of the lower clamp. eeSilk+ seat posts are designed to accommodate 7mm diameter metal seat rails and 7mm by 9mm oval composite seal rails. Begin to tighten the front and rear clamp bolts. The saddle tilt is controlled by these two bolts. Check that the saddle tilt and position of the saddle are correct before final tightening. The front bolt can be adjusted by hand, a 4mm hex, or 17mm wrench on eeSilk+ Carbon, or a 10mm wrench on eeSilk+. The rear bolt must be tightened to 44in*lb (5.0 N*m). The front bolt must receive an additional half turn of preload once the rear bolt has been properly torqued.
- Adjust saddle height if necessary.
Selecting
NOTICE – The eeSilk + Seatpost must be set up with the appropriate elastomer before riding. See below for elastomer instructions. The maximum allowable rider weight is 250lb (113kg).
| Rider Weight | Elastomer Rating |
| ≤110lb | Extra |
| 100-160lb | Soft |
| 150-210lb | Medium |
| 200-250lb | Firm |
| 200-250lb | Extra |
The eeSilk+ Seatpost can be tuned for different rider weights and riding styles by selecting the elastomer that best fits rider needs and performance preferences. The eeSilk+ Seatpost is shipped with a Medium elastomer installed. Extra Soft, Soft, Firm, and Extra Firm elastomers are sold separately.
Changing Elastomers
- Using a 4mm hex wrench and a 3mm hex wrench, loosen the axle on the bottom of the rear parallelogram arm and remove the 3mm bolt.
- Install the pin tool provided in the packaging onto the axle and push the axle out of the axle bore.
- Lift the arm away from the axle bore on the post and remove the current elastomer.

- Insert the new elastomer in the opened arms, orienting the elastomer into the arm profile.
- With the new elastomer placed between the two arms, push the arm down to line up the axle hole on the post and the axle holes on the arm.
- Using the pin tool as a guide for the axle to enter the axle bore, push the axle into the axle bore pin side first. Remove the pin from the axle once the axle is fully inserted into the axle bore.
- Fasten the 3mm hex bolt back into the axle. Holding the 4mm axle bolt, fasten the 3mm hex bolt to 4.0 Nm (35.4 in-lb)
Maintenance
Occasionally check the torque of the 4mm axle bolt to make sure the axle nut and axle bolt are not loose. Additionally, the pivot axles could be periodically lubricated with light oil.
NOTICE – eeSilk + seat posts are designed to absorb small bumps only. You should still stand up when encountering large obstacles on the road or trail.
Warranty Information
LIMITED ONE (1) YEAR WARRANTY ON CANE CREEK eeSilk+
eeSilk+ seatposts are warranted against defects in materials or workmanship for one year from the date of purchase. This warranty applies to the original owner only. At their discretion, Cane Creek Cycling Components will repair or replace any defective Seatpost with the same or comparable model. This warranty is void if the Seatpost is damaged as a result of abuse, alterations, modifications, improper adjustment, lack of maintenance, crashes, or other conditions judged by Cane Creek Cycling Components to be abnormal, excessive, or improper. It is mandatory that a Return Authorization Number (RA#) is received (by calling or emailing Cane Creek) before any return is made. Additionally, a dated Proof of Purchase must accompany the Seatpost when returned.






















