Hoover HHT6300-2X-1 Cooker Hood

Product Information
Product Name: Cooker Hood
A cooker hood is a domestic appliance that helps to remove odours and smoke from the kitchen while cooking. The appliance is designed to be installed above the cooking surface and requires proper installation and maintenance to ensure safety and efficient performance. The cooker hood comes with grease filters that need to be installed before use.
Product Usage Instructions
- Before using the cooker hood, make sure that the grease filters are installed properly as per the installation instructions provided in the user manual
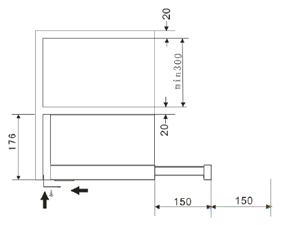
- Ensure that the minimum distance between the supporting surface for the cooking vessels on the hob and the lowest part of the
cooker hood is maintained (When the cooker hood is located above a gas appliance, this distance shall be at least 65 cm). - Always put lids on pots and pans when cooking on a gas cooker to prevent steam and odours from spreading in the room.
- When using the cooker hood in extraction mode, make sure that proper ventilation measures are being observed.
- Do not leave frying pans unattended during use because overheated fats or oils might catch fire.
- Never leave naked flames under the cooker hood.
- Clean and maintain the cooker hood regularly as per the instructions provided in the user manual.
- If the cooker hood is damaged, do not attempt to use it.
- If the supply cord is damaged, it must be replaced by the manufacturer, its service agent or similarly qualified persons in order to avoid a hazard.
- This appliance can be used by children aged from 8 years and above and persons with reduced physical, sensory or mental capabilities or lack of experience and knowledge if they have been given supervision or instruction concerning use of the appliance in a safe way and understand the hazards involved.
SAFETYINSTRUCTIONS
Thismanual explains the proper installation and use of your cooker hood, please read itcarefully beforeusing evenifyouarefamiliarwiththeproduct.Themanualshould bekept in a safe place for future reference.
- Always switch off the electricity supply at the mains during installation and maintenance such as light bulb replacement.
- Never use the cooker hood without the grease filters or if the filters are excessively greasy.
- Do not install above a cooker with a high-level grill.
- Do not leave frying pans unattended during use because overheated fats or oils might catch fire.
- Never leave naked flames under the cooker hood.
- If the cooker hood is damaged, do not attempt to use.
- The minimum distance between the supporting surface for the cooking vessels on the hob and the lowest part of the cooker hood should be maintained (When the cooker hood is located above a gas appliance, this distance shall be at least 65 cm).
- The air must not be discharged into a flue that is used for exhausting fumes from appliances burning gas or other fuels.
- Always put lids on pots and pans when cooking on a gas cooker.
- When in extraction mode, air in the room is being removed by the cooker hood. Please make sure that proper ventilation measures are being observed. The cooker hood removes odours from room but not steam.
- Cooker hood is for domestic use only.
- If the supply cord is damaged, it must be replaced by the manufacturer, its service agent or similarly qualified persons in order to avoid a hazard.
- This appliance can be used by children aged from 8 years and above and persons with reduced physical, sensory or mental capabilities or lack of experience and knowledge if they have been given supervision or instruction concerning use of the appliance in a safe way and understand the hazards involved. Children shall not play with the appliance. Cleaning and user maintenance shall not be made by children without supervision.
Never to do:
- Do not try to use the cooker hood without the grease filters or if the filters are excessively greasy!
- Do not install above a cooker with a high level grill.
- Do not leave frying pans unattended during use because overheated fats or oils might catch fire.
- Never leave naked flames under the cooker hood.

- If the cooker hood is damaged, do not attempt to use.
- Do not flambé under the cooker hood.
- CAUTION: Accessible parts may become hot when used with cooking appliances.
- The minimum distance between the supporting surface for the cooking vessels on the hob and the lowest part of the cooker hood. (When the cooker hood is located above a gas appliance, this distance shall be at least 65 cm)
- The air must not be discharged into a flue that is used for exhausting fumes from appliances burning gas or other fuels.

Always to do
- Important! Always switch off the electricity supply at the mains during installation and maintenance such as light bulb replacement.
- The cooker hood must be installed in accordance with the installation instructions and all measurements followed.
- All installation work must be carried out by a competent person or qualified electrician.
- Please dispose of the packing material carefully. Children are vulnerable to it.
- Pay attention to the sharp edges inside the cooker hood especially during installation and cleaning.
- Make sure the ducting has no bends sharper than 90 degrees as this will reduce the efficiency of the cooker hood.
Warning: Failure to install the screws or fixing device in accordance with these instructions may result in electrical hazards Before obtaining access to terminals, all supply circuits must be disconnected. - Always put lids on pots and pans when cooking on a gas cooker.
- When in extraction mode, air in the room is being removed by the cooker hood. Please make sure that proper ventilation measures are being observed. The cooker hood removes odours from room but not steam.
- Cooker hood is for domestic use only.

- If the supply cord is damaged, it must be replaced by the manufacturer, its service agent or similarly qualified persons in order to avoid a hazard.
- This appliance can be used by children aged from 8 years and above and persons with reduced physical, sensory or mental capabilities or lack of experience and knowledge if they have been given supervision or instruction concerning use of the appliance in a safe way and understand the hazards involved. Children shall not play with the appliance. Cleaning and user maintenance shall not be made by children without supervision.

- Warning: Before obtaining access to terminals, all supply circuits must be disconnected.
- Caution: The appliance and its accessible parts can become hot during operation. Be careful to avoid touching the heating elements. Children younger than 8 years old should stay away unless they are under permanent supervision.
- There shall be adequate ventilation of the room when the cooker hood is used at the same time as appliances burning gas or other fuels.
- There is a fire risk if cleaning is not carried out in accordance with the instructions
- Regulations concerning the discharge of air have to be fulfilled.
- Clean your appliance periodically by following the method given in the chapter MAINTENANCE.
- For safety reason, please use only the same size of fixing or mounting screw which are recommended in this instruction manual.
- Regarding the details about the method and frequency of cleaning, please refer to maintenance and cleaning section in the instruction manual.
- Cleaning and user maintenance shall not be made by children without supervision.
- When the cooker hood and appliances supplied with energy other than electricity are simultaneously in operation, the negative pressure in the room must not exceed 4 Pa (4 x 10-5 bar).
- WARNING: Danger of fire: do not store items on the cooking surfaces.
- A steam cleaner is not to be used. NEVER try to extinguish a fire with water, but switch off the appliance and A steam cleaner is not to be used. NEVER try to extinguish a fire with water, but switch off the appliance and then cover flame e.g. with a lid or a
fire blanket.
INSTALLATION(VENTOUTSIDE)
MOUNTING OF THE V-FLAP
Note
- The following models include the v-flap:RHT6300/2LIN, RHT6300/ 2LRB, RHT6300/2 LPN
- The v-flap is optional for model HHT6300/2X.
If the cooker hood does not have an assembled V-flap 1, you should mount the half-parts to its body. The images only show an example of how to mount the V-flap,the outlet may be various according to different models and configuration.
To mount the V-flap 1 you should:- Mount two half-parts 2 into the body 6
- a pin 3 should be top oriented;
- the axis 4 should be inserted in the holes 5 on body;
- repeat all the operations for the 2nd half-part
Note: The product is provided with v-flap accessory. This accessory is not mandatory for installation, operation and use of the product.
INSTALLATION(WallMounting)
- Decide the location of the holes for fixing the cooker hood.

- Install the L-shaped bracket on the top of the hood by two screws (4mm x 10mm)

- The cooker hood is wall mounted by 4 screws (4mm x 30mm) and wall plugs. Mount the cooker hood on the wall on the back of the cooker hood by 2 screws
(4mm x 30mm) and wall plugs. Then fix the cooker hood on the wall by 2 screws
(4mm x 30mm) and wall plugs through the small L-shaped bracket.
- Fix the one-way-valve to the air outlet of the cooker hood.

INSTALLATION(CabinetMounting)
- Fix the one-way-valve to the air outlet of the cooker hood.

- Mount the cooker hood on the cabinet by 6 screws (4x35mm) and flat washers.




If there is gap between the wall and the cooker hood, you may install the L-shaped bracket on the bottom of the hood by two screws (3 x 12mm).The installation of the L-shaped bracket is optional.
WARNING
- For safety reason, pl ease use only the same size of fi xing or m ounting screw which are recommended in this instruction manual.
- Failure to install the screws or fixing device in accordance with these instructions may result in electrical hazards.
Start Using Your Cooker Hood Rocker switch
- Insertthepowerplugintothesocket.
- Pushswitch①to the lamp will be on; push switch①to “0”,the lamp will be off.
- Pushtheswitch ② into“I II”,themotorwillbe on“low high” two speeds, pushinto “0”, the motor will be off.
- Thepowerwill be connectedwhen pull outthefrontpanel. Conversely,thepower willbeautomaticallydisconnected.
TROUBLESHOOTING
| Fault | Possible Cause | Solution |
|
Light on, but motor does not work |
Fan switch turned off | Select a fan switch position. |
| Fan switch failed | Contact service center. | |
| Motor failed | Contact service center. | |
| Light does not work, motor does not work | House fuses blown | Reset/Replace fuses. |
| Power cord loose or disconnected | Refit cord to power outlet. Switch power outlet on. | |
|
Oil leakage |
One way valve and the outlet are not tightly sealed | Take down the one way valve and seal with sealant. |
| Leakage from the connection of chimney and cover | Take chimney down and seal. | |
| Lights not working | Broken/Faulty globes | Replace globes as per this instruction. |
|
Insufficient suction |
The distance between the
cooker hood and the gas top is too far |
Refit the cooker hood to the correct distance. |
| The Cooker hood inclines | The fixing screw not tight enough | Tighten the hanging screw and make it horizontal. |
NOTE: Any electrical repairs to this appliance must conform to your local, state and federal laws.Please contact the service centre if in any doubt before undertaking any of the above.Always disconnect the unit from the power source when opening the unit.
MAINTENANCEAND CLEANING
Caution
- Before maintenance or cleaning is carried out, the cooker hood should be disconnected from the main power supply. Ensure that the cooker hood is switched off at the wall socket and the plug removed.

- External surfaces are susceptible to scratches and abrasions, so please follow the cleaning instructions to ensure the best possible result is achieved without damage
GENERAL
Cleaning and maintenance should be carried out with the appliance cold especially when cleaning.Avoid leaving alkaline or acid substances (lemon juice, vinegar etc.) on the surfaces.
STAINLESS STEEL The stainless steel must be cleaned regularly (e.g.weekly) to ensure long life expectancy.Dry with a clean soft cloth. A specialized stainless steel cleaning fluid may be used.
NOTE: Ensure that wiping is done along with the grain of the stainless steel to prevent any unsightly crisscross scratching patterns from appearing.
CONTROL PANEL SURFACE
The inlay control panel can be cleaned using warm soapy water. Ensure the cloth is clean and well wrung before cleaning. Use a dry soft cloth to remove any excess moisture left after cleaning.
Important: Using neutral detergents and avoid using harsh cleaning chemicals, strong household detergents or products containing abrasives,as this will affect the appliance appearance and potentially remove any printing of artwork on the control panel and will void manufactures warrantee.
GREASE MESH FILTERS
The mesh filters can be cleaned by hand. Soak them for about 3 minute in water with a grease-loosening detergent then brush it gently with a soft brush. Please do not apply too much pressure, avoid to damage it . (Leave to dry naturally out of direct sun light)Filters should be washed separately to crockery and kitchen utensils. it is advisable not to use rinse aid.
INSTALLING GREASE MESH FILTERS
- To install filters for the following four steps.
- Angle the filter into slots at the back of the hood.
- Push the button on handle of the filter.
- Release the handle once the filter fits into a resting position.
- Repeat to install all filters.
CARBON FILTER- not supplied
Activated carbon filter can be used to trap odors. Normally the activated carbon filter
should be changed at three or six months according to your cooking habit. The installation procedure of activated carbon filter is as below.
- Slide the front part of the cooker hood.
- The al filter should be detached first. Press the lock and pull it downward.
- Take out the carbon filter by rotating the carbon filter anti-clockwise.
- Replace the new carbon filter.

NOTE:
- Make sure the filter is securely locked. Otherwise, it would loosen and cause dangerous.
- When activated carbon filter attached, the suction power will be lowered.
BULB REPLACEMENT
- Switch off the appliance and unplug it.
- Slide the front part of the cooker hood.
- The al filter should be detached first. Press the lock and pull it downward.
- Replace with same type of light.
- ILCOS D code for this lamp is: DBS-2/65-H-120/33.
- Max wattage: 2W
- Voltage range: AC 110-240V
- Dimensions:


- ILCOS D code for this lamp is: DBS-2/65-H-120/33.
ENVIRONMENTALPROTECTION
This appliance is labelled in accordance with European Directive 2012/19/EU on Waste Electrical and Electronic Equipment Regulations 2013 regarding electric and electronic appliances (WEEE). The WEEE contain both polluting substances (that can have a negative effect on the environment) and base elements (that can be reused). It is important that the WEEE undergo specific treatments to correctly remove and dispose of the pollutants and recover all the materials. Individuals can play an important role in ensuring that the WEEE do not become an environmental problem; it is essential to follow a few basic rules:
- the WEEE should not be treated as domestic waste;
- the WEEE should be taken to dedicated collection areas managed by the town council or a registered company.
ln many countries, domestic collections may be available for large WEEEs. When you buy a new appliance, the old one can be returned to the vendor who must accept it free of charge as a one-off, as long as the appliance is of an equivalent type and has the same functions as the purchased appliance.
NOTE: The following shows how to reduce total environmental impact (e.g. energy use) of the cooking process).
- Install the cooker hood in a proper place where there is efficient ventilation.
- Clean the cooker hood regularly so as not to block the airway.
- Remember to switch off the cooker hood light after cooking.
- Remember to switch off the cooker hood after cooking.
INFORMATION FOR DISMANTLING
Do not dismantle the appliance in a way which is not shown in the user manual. The appliance could not be dismantled by user. At the end of life, the appliance should not be disposed of with household waste. Check with you Local Authority or retainer for recycling advice.




















