IO 50 SQFlex
Instructions
IO 50 SQFlex
Installation and operating instructions
Limited warranty
Products manufactured by GRUNDFOS PUMPS CORPORATION (Grundfos) are warranted to the original user only to be free of defects in material and workmanship for a period of 24 months from date of installation, but not more than 30 months from date of manufacture. Grundfos’ liability under this warranty shall be limited to repairing or replacing at Grundfos’ option, without charge, F.O.B. Grundfos’ factory or authorized service station, any product of Grundfos’ manufacture. Grundfos will not be liable or any costs of removal, installation, transportation, or any other charges which may arise in connection with a warranty claim. Products which are sold but not manufactured by Grundfos are subject to the warranty provided by the manufacturer of said products and not by Grundfos’ warranty. Grundfos will not be liable for damage or wear to products caused by abnormal operating conditions, accident, abuse, misuse, unauthorized alteration or repair, or if the product was not installed in accordance with Grundfos’ printed installation and operating instructions.
To obtain service under this warranty, the defective product must be returned to the distributor or dealer of Grundfos’ products from which it was purchased together with proof of purchase and installation date, failure date, and supporting installation data. Unless otherwise provided, the distributor or dealer will contact Grundfos or an authorized service station for instructions. Any defective product to be returned to Grundfos or a service station must be sent freight prepaid; documentation supporting the warranty claim and/or a Return Material Authorization must be included if so instructed.
GRUNDFOS WILL NOT BE LIABLE FOR ANY INCIDENTAL OR CONSEQUENTIAL DAMAGES, LOSSES, OR EXPENSES ARISING FROM INSTALLATION, USE, OR ANY OTHER CAUSES. THERE ARE NO EXPRESS OR IMPLIED WARRANTIES, INCLUDING MERCHANTABILITY OR FITNESS FOR A PARTICULAR PURPOSE, WHICH EXTEND BEYOND THOSE WARRANTIES DESCRIBED OR REFERRED TO ABOVE.
Some jurisdictions do not allow the exclusion or limitation of incidental or consequential damages and some jurisdictions do not allow limit actions on how long implied warranties may last. Therefore, the above limitations or exclusions may not apply to you. This warranty gives you specific legal rights and you may also have other rights which vary from jurisdiction to jurisdiction.
General information
Read this document before you install the product. Installation and operation must comply with local regulations and accepted codes of good practice.
2.1 Hazard statements
The symbols and hazard statements below may appear in Grundfos installation and operating instructions, safety instructions and service instructions.
DANGER
Indicates a hazardous situation which, if not avoided, will result in death or serious personal injury.
WARNING
Indicates a hazardous situation which, if not avoided, could result in death or serious personal injury.
CAUTION
Indicates a hazardous situation which, if not avoided, could result in minor or moderate personal injury.
The hazard statements are structured in the following way:
SIGNAL WORD
Description of the hazard Consequence of ignoring the warning
• Action to avoid the hazard.
2.2 Notes
The symbols and notes below may appear in Grundfos installation and operating instructions, safety instructions and service instructions.
Observe these instructions for explosion-proof products.
A blue or grey circle with a white graphical symbol indicates that an action must be taken.
A red or grey circle with a diagonal bar, possibly with a black graphical symbol, indicates that an action must not be taken or must be stopped.
If these instructions are not observed, it may result in malfunction or damage to the equipment.
Tips and advice that make the work easier.
Applications
The IO 50 SQFlex switch box is made for solar-powered SQFlex systems and is an on/off switch for the system power supply.
In addition, the IO 50 functions as a connection point for all necessary cables.
By means of the on/off switch, it is possible to
- start/stop the pump
- reset alarms.
All installations must comply with local or National Electrical Codes (NEC article 690, Solar Photovoltaic Systems).
Installation
Warning
Before starting any work on the IO 50, make sure that the power supply has been disconnected and that it cannot be accidentally connected.
4.1 Mechanical installation
The IO 50 SQFlex must be placed on a firm and stable surface that fits the box.
4.2 Electrical connection
The electrical connection must be carried out by an authorized electrician in accordance with local regulations.
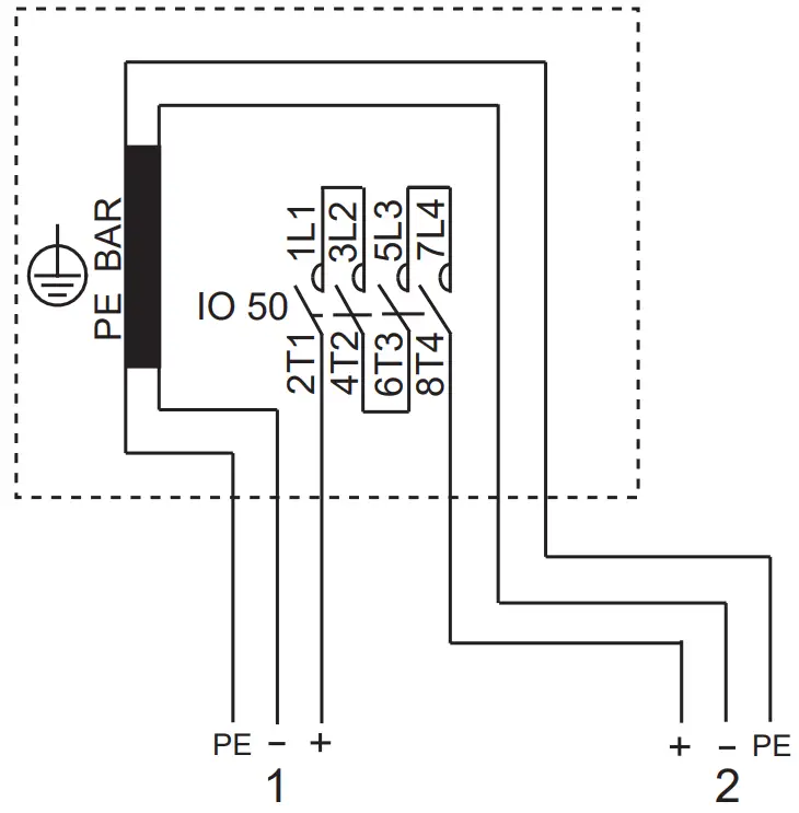
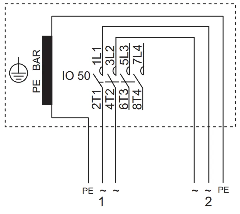
Two typical wirings are shown in section A.1. Appendix.
- One DC conductor grounded. This option is intended for permanently mounted solar panels.
Note: For systems with an open-circuit voltage above 50 V, one conductor must be grounded, NEC 690. - AC connection. This option is intended for portable AC generators or systems with an open-circuit voltage below 50 VDC.
Position of wire jumpers
| Wiring | Place the wire jumpers between |
| One DC conductor grounded | 1L1 – 3L2…………..5L3 – 7L4………….4T2 – 6T3 |
Explanation
The jumpers are necessary in order to meet the demands of the circuit breaker due to the complexity of handling DC currents. This means that contact sets in series connection are required.
Warning
Never make any connections in the IO 50 unless the power supply has been disconnected.
The IO 50 must be connected in accordance with the rules and standards in force for the application in question.
Use appropriate compression fittings to ensure watertight cable entries.
The IO 50 must be grounded.
The DC supply voltage is stated on the nameplate. Make sure that the IO 50 is suitable for the power supply on which it will be used.
Technical data
System voltages
- DC: Maximum 300 V, PE.
- AC: Maximum 254 V, 50/60 Hz, PE.
All four relay contacts must be used to meet the rated DC voltage. See the connection diagrams in section A.1. Appendix.
Maximum current……………………….16 A
Ambient temperature…………………………. Tamb.: -30 °C to 50 °C.
Enclosure class…………………………………… NEMA 3R or IP55.
Disposing of the product
This product or parts of it must be disposed of in an environmentally sound way.
- Use the public or private waste collection service.
- If this is not possible, contact the nearest Grundfos company or service workshop.
See also end-of-life information at www.grundfos.com/product-recycling.
A.1. Appendix

| Pos. | Description |
| 1 | Solar Module |
| 2 | SQ Flex |

Connection diagram, AC connection
| Pos. | Description |
| 1 | Solar Module |
| 2 | SQ Flex |
Install the jumpers as indicated in section 4.2 Electrical connection.
Grundfos companies
| Argentina Bombas GRUNDFOS de Argentina S.A. Ruta Panamericana km. 37.500industin 1619 – Garín Pcia. de B.A. Tel.: +54-3327 414 444 Fax: +54-3327 45 3190 Australia GRUNDFOS Pumps Pty. Ltd. P.O. Box 2040 Regency Park South Australia 5942 Tel.: +61-8-8461-4611 Fax: +61-8-8340-0155 Austria GRUNDFOS Pumpen Vertrieb Ges.m.b.H. Grundfosstraße 2 A-5082 Grödig/Salzburg Tel.: +43-6246-883-0 Fax: +43-6246-883-30 Belgium N.V. GRUNDFOS Bellux S.A. Boomsesteenweg 81-83 B-2630 Aartselaar Tel.: +32-3-870 7300 Fax: +32-3-870 7301 Belarus Представительство ГРУНДФОС вМинске 220125, Минск ул. Шафарнянская, 11, оф. 56, БЦ «Порт» Тел.: +375 17 397 397 3 +375 17 397 397 4 Факс: +375 17 397 397 1 E-mail: [email protected] Bosnia and Herzegovina GRUNDFOS Sarajevo Zmaja od Bosne 7-7A BiH-71000 Sarajevo Tel.: +387 33 592 480 Fax: +387 33 590 465 www.ba.grundfos.com E-mail: [email protected] Brazil BOMBAS GRUNDFOS DO BRASIL Av. Humberto de Alencar Castelo Branco, 630 CEP 09850 – 300 São Bernardo do Campo – SP Tel.: +55-11 4393 5533 Fax: +55-11 4343 5015 Bulgaria Grundfos Bulgaria EOOD Slatina District Iztochna Tangenta street no. 100 BG – 1592 Sofia Tel.: +359 2 49 22 200 Fax: +359 2 49 22 201 E-mail: [email protected] Canada GRUNDFOS Canada inc. 2941 Brighton Road Oakville, Ontario L6H 6C9 Tel.: +1-905 829 9533 Fax: +1-905 829 9512 | China GRUNDFOS Pumps (Shanghai) Co. Ltd. 10F The Hub, No. 33 Suhong Road Minhang District Shanghai 201106 PRC Tel.: +86 21 612 252 22 Fax: +86 21 612 253 33 Columbia GRUNDFOS Colombia S.A.S. Km 1.5 vía Siberia-Cota Conj. Potrero Chico, Parque Empresarial Arcos de Cota Bod. 1A. Cota, Cundinamarca Tel.: +57(1)-2913444 Fax: +57(1)-8764586 Croatia GRUNDFOS CROATIA d.o.o. Buzinski prilaz 38, Buzin HR-10010 Zagreb Tel.: +385 1 6595 400 Fax: +385 1 6595 499 www.hr.grundfos.com Czech Republic GRUNDFOS Sales Czechia and Slovakia s.r.o. Čajkovského 21 779 00 Olomouc Tel.: +420-585-716 111 Denmark GRUNDFOS DK A/S Martin Bachs Vej 3 DK-8850 Bjerringbro Tel.: +45-87 50 50 50 Fax: +45-87 50 51 51 E-mail: [email protected] www.grundfos.com/DK Estonia GRUNDFOS Pumps Eesti OÜ Peterburi tee 92G 11415 Tallinn Tel.: + 372 606 1690 Fax: + 372 606 1691 Finland OY GRUNDFOS Pumput AB Trukkikuja 1 FI-01360 Vantaa Tel.: +358-(0) 207 889 500 France Pompes GRUNDFOS Distribution S.A. Parc d’Activités de Chesnes 57, rue de Malacombe F-38290 St. Quentin Fallavier (Lyon) Tel.: +33-4 74 82 15 15 Fax: +33-4 74 94 10 51 Germany GRUNDFOS GMBH Schlüterstr. 33 40699 Erkrath Tel.: +49-(0) 211 929 69-0 Fax: +49-(0) 211 929 69-3799 E-mail: [email protected] Service in Deutschland: [email protected] Greece GRUNDFOS Hellas A.E.B.E. 20th km. Athinon-Markopoulou Av. P.O. Box 71 GR-19002 Peania Tel.: +0030-210-66 83 400 Fax: +0030-210-66 46 273 | Hong Kong GRUNDFOS Pumps (Hong Kong) Ltd. Unit 1, Ground floor, Siu Wai industrial Centre 29-33 Wing Hong Street & 68 King Lam Street, Cheung Sha Wan Kowloon Tel.: +852-27861706 / 27861741 Fax: +852-27858664 Hungary GRUNDFOS Hungária Kft. Tópark u. 8 H-2045 Törökbálint Tel.: +36-23 511 110 Fax: +36-23 511 111 India GRUNDFOS Pumps india Private Limited 118 Old Mahabalipuram Road Thoraipakkam Chennai 600 097 Tel.: +91-44 2496 6800 Indonesia PT GRUNDFOS Pompa Graha intirub Lt. 2 & 3 Jln. Cililitan Besar No.454. Makasar, Jakarta Timur ID-Jakarta 13650 Tel.: +62 21-469-51900 Fax: +62 21-460 6910 / 460 6901 Ireland GRUNDFOS (Ireland) Ltd. Unit A, Merrywell Business Park Ballymount Road Lower Dublin 12 Tel.: +353-1-4089 800 Fax: +353-1-4089 830 Italy GRUNDFOS Pompe Italia S.r.l. Via Gran Sasso 4 I-20060 Truccazzano (Milano) Tel.: +39-02-95838112 Fax: +39-02-95309290 / 95838461 Japan GRUNDFOS Pumps K.K. 1-2-3, Shin-Miyakoda, Kita-ku Hamamatsu 431-2103 Japan Tel.: +81 53 428 4760 Fax: +81 53 428 5005 Korea GRUNDFOS Pumps Korea Ltd. 6th Floor, Aju Building 679-5 Yeoksam-dong, Kangnam-ku, 135-916 Seoul, Korea Tel.: +82-2-5317 600 Fax: +82-2-5633 725 Latvia SIA GRUNDFOS Pumps Latvia Deglava biznesa centrs Augusta Deglava ielā 60 LV-1035, Rīga, Tel.: + 371 714 9640, 7 149 641 Fax: + 371 914 9646 Lithuania GRUNDFOS Pumps UAB Smolensko g. 6 LT-03201 Vilnius Tel.: + 370 52 395 430 Fax: + 370 52 395 431 |
| Malaysia GRUNDFOS Pumps Sdn. Bhd. 7 Jalan Peguam U1/25 Glenmarie industrial Park 40150 Shah Alam, Selangor Tel.: +60-3-5569 2922 Fax: +60-3-5569 2866 Mexico Bombas GRUNDFOS de México S.A. de C.V. Boulevard TLC No. 15 Parque industrial Stiva Aeropuerto Apodaca, N.L. 66600 Tel.: +52-81-8144 4000 Fax: +52-81-8144 4010 Netherlands GRUNDFOS Netherlands Veluwezoom 35 1326 AE Almere Postbus 22015 1302 CA ALMERE Tel.: +31-88-478 6336 Fax: +31-88-478 6332 E-mail: [email protected] New Zealand GRUNDFOS Pumps NZ Ltd. 17 Beatrice Tinsley Crescent North Harbour Industrial Estate Albany, Auckland Tel.: +64-9-415 3240 Fax: +64-9-415 3250 Norway GRUNDFOS Pumper A/S Strømsveien 344 Postboks 235, Leirdal N-1011 Oslo Tel.: +47-22 90 47 00 Fax: +47-22 32 21 50 Poland GRUNDFOS Pompy Sp. z o.o. ul. Klonowa 23 Baranowo k. Poznania PL-62-081 Przeźmierowo Tel.: (+48-61) 650 13 00 Fax: (+48-61) 650 13 50 Portugal Bombas GRUNDFOS Portugal, S.A. Rua Calvet de Magalhães, 241 Apartado 1079 P-2770-153 Paço de Arcos Tel.: +351-21-440 76 00 Fax: +351-21-440 76 90 Romania GRUNDFOS Pompe România SRL S-PARK BUSINESS CENTER, Clădirea A2, etaj 2 Str. Tipografilor, Nr. 11-15, Sector 1, Cod 013714 Bucuresti, Romania Tel.: 004 021 2004 100 E-mail: [email protected] Russia ООО Грундфос Россия ул. Школьная, 39-41 Москва, RU-109544, Russia Тел. (+7) 495 564-88-00 (495)737-30-00 Факс (+7) 495 564 8811 E-mail [email protected] | Serbia Grundfos Srbija d.o.o. Omladinskih brigada 90b 11070 Novi Beograd Tel.: +381 11 2258 740 Fax: +381 11 2281 769 www.rs.grundfos.com Singapore GRUNDFOS (Singapore) Pte. Ltd. 25 Jalan Tukang Singapore 619264 Tel.: +65-6681 9688 Faxax: +65-6681 9689 Slovakia GRUNDFOS s.r.o. Prievozská 4D 821 09 BRATISLAVA Tel.: +421 2 5020 1426 sk.grundfos.com Slovenia GRUNDFOS LJUBLJANA, d.o.o. Leskoškova 9e, 1122 Ljubljana Tel.: +386 (0) 1 568 06 10 Fax: +386 (0)1 568 06 19 E-mail: [email protected] South Africa GRUNDFOS (PTY) LTD 16 Lascelles Drive, Meadowbrook Estate 1609 Germiston, Johannesburg Tel.: (+27) 10 248 6000 Fax: (+27) 10 248 6002 E-mail: [email protected] Spain Bombas GRUNDFOS España S.A. Camino de la Fuentecilla, s/n E-28110 Algete (Madrid) Tel.: +34-91-848 8800 Fax: +34-91-628 0465 Sweden GRUNDFOS AB Box 333 (Lunnagårdsgatan 6) 431 24 Mölndal Tel.: +46 31 332 23 000 Fax: +46 31 331 94 60 Switzerland GRUNDFOS Pumpen AG Bruggacherstrasse 10 CH-8117 Fällanden/ZH Tel.: +41-44-806 8111 Fax: +41-44-806 8115 Taiwan GRUNDFOS Pumps (Taiwan) Ltd. 7 Floor, 219 Min-Chuan Road Taichung, Taiwan, R.O.C. Tel.: +886-4-2305 0868 Fax: +886-4-2305 0878 Thailand GRUNDFOS (Thailand) Ltd. 92 Chaloem Phrakiat Rama 9 Road Dokmai, Pravej, Bangkok 10250 Tel.: +66-2-725 8999 Fax: +66-2-725 8998 Turkey GRUNDFOS POMPA San. ve Tic. Ltd. Sti. Gebze Organize Sanayi Bölgesi Ihsan dede Caddesi 2. yol 200. Sokak No. 204 41490 Gebze/ Kocaeli Tel.: +90 – 262-679 7979 Fax: +90 – 262-679 7905 E-mail: [email protected] | Ukraine Бізнес Центр Європа Столичне шосе, 103 м. Київ, 03131, Україна Tel.: (+38 044) 237 04 00 Fax: (+38 044) 237 04 01 E-mail: [email protected] United Arab Emirates GRUNDFOS Gulf Distribution P.O. Box 16768 Jebel Ali Free Zone, Dubai Tel.: +971 4 8815 166 Fax: +971 4 8815 136 United Kingdom GRUNDFOS Pumps Ltd. Grovebury Road Leighton Buzzard/Beds. LU7 4TL Tel.: +44-1525-850000 Fax: +44-1525-850011 U.S.A. GRUNDFOS Water Utility Headquarters 856 Koomey Road Brookshire, Texas 77423 USA Uzbekistan Grundfos Tashkent, Uzbekistan The Representative Office of Grundfos Kazakhstan in Uzbekistan 38a, Oybek street, Tashkent Tel.: (+998) 71 150 3290 / 71 150 3291 Fax: (+998) 71 150 3292 |

© 2021 Grundfos Holding A/S, all rights reserved.
Trademarks displayed in this material, including but not limited to Grundfos
the Grundfos logo and “be think innovate” are registered trademarks owned by The Grundfos Group. All rights reserved.
97631965 0821
ECM: 1321563
References
Slovak (Slovakia) | The full range supplier of pumps and pump solutions. As a renowned pump manufacturer, Grundfos delivers efficient, reliable, and sustainable solutions all over the globe. Step into our world.
Bosnian (Bosnia) | The full range supplier of pumps and pump solutions
Dansk (Danmark) | Den komplette leverandør af pumper og pumpeløsninger. Som en berømt pumpeproducent leverer Grundfos effektive, pålidelige og bæredygtige løsninger over hele kloden. Gå ind i vores verden.
Product sustainability | Grundfos



















