![]()
OWNER′S MANUAL
TWO CHANNEL AMPLIFIER
AAB-1200.2D
CLASS D
https://ALPHARD.AUDIO
INTRODUCTION
Thank you for purchasing this Deaf Bonce product! Our company is committed to the creation of extremely loud sound systems with no loss of quality.
To ensure proper use, please carefully read through this manual before using this product. It is especially important that you read and observe caution in this manual. Please keep the manual in a safe and accessible place for future reference.
SAFETY INSTRUCTIONS
- Make sure that your vehicle has a 12V DC electrical system with negative grounding. Before installing the amplifier in cars, trucks, or buses, check the battery voltage.
- Check the state of the onboard power supply of your vehicle, the battery, and the alternator. When the engine is running, depending on the ambient temperature, the voltage to be outputted by the alternator must be within the range of 14 to 14.7 V. Open circuit voltage (OCV) of the battery must be within the range of 12.5 to 13 V. Make sure that the rated current of the alternator and the battery capacity is enough to provide increased consumption.
For example, for the power of the amplifier 1000 W, the rated current of the alternator is required at the rate of 1000 W / 13 V = 77 amperes. A more powerful amplifier requires a more powerful alternator as well as an additional battery. - Do not place the amplifier in the engine compartment and also in the places exposed to water, moisture, dust, or dirt.
- Never stretch the cables outside of the car and near the moving parts of the car. This can lead to the destruction of the insulating layer, short circuits,s, and fire.
- The amplifier should be installed in areas of the car where the temperature varies from 0 °C (32 °F) to 55 it (131 °F). The amplifier should be in a place with good air circulation. The horizontal position of the amplifier is the best way to install it.
- During the operation, the amplifier may be heated up to 80 °C (176 °F). Before you touch it, make sure it is not overheated which may be dangerous.
- To improve the cooling of the amplifier, it is recommended to clean periodically the heatsink from dust. When cleaning the heatsink strong solvents should not be used as they may damage the amplifier. Do not use compressed air, because solids can penetrate inside the amplifier. Cleanings are best done with wet towels or cloth.
- Make sure that the location of the amplifier does not violate the proper operation of mechanical and electrical devices of the vehicle.
- Make sure that during the installation and connection of the battery, the power cables are not shorted.
- When performing plumbing, drilling or cutting works with the car, make sure that there is no wiring, brake lines, fuel pipe, or other structural elements underthe place of work. Follow the safety rules! Use protective glasses and gloves.
- To protect the wires use rubber gaskets if the wire passes through a hole in the plate, or other similar materials if it lies close to the parts exposed to heat
- Make sure that all the cables are fixed over the entire length. Also, make sure that their outer protective shell is non-combustible. Use a clamping screw to secure the positive and negative cables next to the appropriate terminals of the amplifier.
- Select a diameter of the power cable in accordance with the power of the amplifier and the recommendations provided here. Power cables are extremely important since they directly affect the system damping factor and sound quality. The cables to the battery must be in the copper crimp terminals pressed with the help of a hydraulic press, and well-fixed to the battery terminals.
- To avoid accidental damage, keep the amplifier in its original packaging prior to installation.
- Use high-quality copper speakers and power cables.
CAUTION!!! High sound pressure can damage your health!
Please use common sense when controlling volume!
TYPICAL INSTALLATION SEQUENCE
- Before installing the amplifier disconnect the battery from the electrical system.
- To connect the amplifier it is necessary to stretch the power cable from the location of the battery to the place of installation of the amplifier. Select the power cable with the appropriate regulations in AWG (see Table: Selection of the diameter of the power cables)
- Connect the power supply with the correct polarity. Connect all (+) terminals of the amplifier to the cables stretching from the positive terminal of the battery and all (-) terminals of the amplifier- to the cables stretching from the negative terminal of the battery.
- Place the fuse holder for each positive cable within 40 cm from the positive terminal of the battery and connect one end of the power cable to the holder after connecting the other end to the amplifier. Do not install the fuse(s).
- Route all signal cables next to each other and separately from the power cables.
- Connect the wires of RCA input The input signal power must be between 0.2 V and 6 V.
- To connect the power wire supply is necessary to use special power cables.
- Fasten the amplifier properly when installing it in the vehicle. If the component is disconnected during driving, it may cause serious damage to the passengers of the vehicle or another vehicle. It is not recommended to screw the amplifier directly to the metal it can lead to distortions in the signal outputs.
- After installation is complete, check the wiring of the system and make sure that all connections have been made correctly. Before installing the fuses, disconnect the positive lead from the battery and then install the fuse in the fuse holder. Using the light bulb 12 V 21 W, connect the positive lead to one contact of the bulb and the other contact of the bulb to the positive terminal of the battery. When properly connected, the bulb must briefly light up and go out. Now you may connect the positive lead to the (+) of the battery. If the light does not go out, then something is wrong. This will prevent damage to the amplifier in case of reverse polarity and unwanted sparks when connecting. Install the rest of the fuses.
- To activate the amplifier, it is necessary to apply the positive potential of 12 volts to the control input of the amplifier (REM) through a switch or a corresponding control output (REMOTE) with the head unit (HU).
- The LED indicator on the front of the amplifier turns blue to indicate that the amplifier is turned on. If the indicator does not light up see chapter “Possible faults and their solutions” for more information.
- The sound level is calibrated by adjusting the volume of the source up to 3/4 of its maximum level. Then, adjust the sensitivity level of the amplifier up until you hear distortions.
SELECTION OF THE DIAMETER OF POWER CABLES AND SPEAKER CABLES
| Selection of the diameter of the power cables Use the table below to select the desired diameter based on the length and the current consumption. | Selection of the diameter of the speaker cables Use the table below to select the desired diameter based on the length and the power consumption. |
![]() | ![]() |
WIRING DIAGRAMS
Connect the speaker cables from the positive and negative terminals of the speakers to the respective outputs of the amplifier terminal marked with CH1 / CH2 SPEAKERS OUTPUTS, as shown in the diagram. To connect the power wire supply it is necessary to use special power cables. The fuse is placed in the holder and fixed in the cable cut. One end of the cable is connected to the positive terminal of the battery, and the second one — is to the amplifier terminals marked with +12V. Be sure to use a fuse with the parameters sufficient for use in the system. The length and diameter of the grounding cable must conform to the length and diameter of the cable +12V. Connect one end to the negative terminal of the battery and the other end of the grounding cable to the terminals marked with GND. Connect the head unit (HU) to low-level inputs of the amplifier using an RCA cable.
Standard wiring diagram of the two-channel amplifier to two speakers.
Step 1. Connect the speaker cable from the (+) terminal of the amplifier to the (+) terminal of the speaker.
Step 2. Connect the speaker cable from the (-) terminal of the amplifier to the (-) terminal of the speaker.
Step 3. Repeat the installation sequence Step 1 and Step 2 for each speaker.
Caution!!! The minimum permissible connection load impedance at every single channel is 1 Ohm .
For model AAB-1200.2D the operating voltage is 9-15V.
Standard wiring diagram of the two-channel amplifier to one subwoofer
Step 1. Connect the speaker cable from the (+) terminal of the amplifier to the (+) terminal of the subwoofer.
Step 2. Connect the speaker cable from the (-) terminal of the amplifier to the (-) terminal of the subwoofer.
Caution!!! The minimum permissible connection load impedance for bridged connection is 2 Ohm.
For model AAB-1200.2D the operating voltage is 9-15 V.
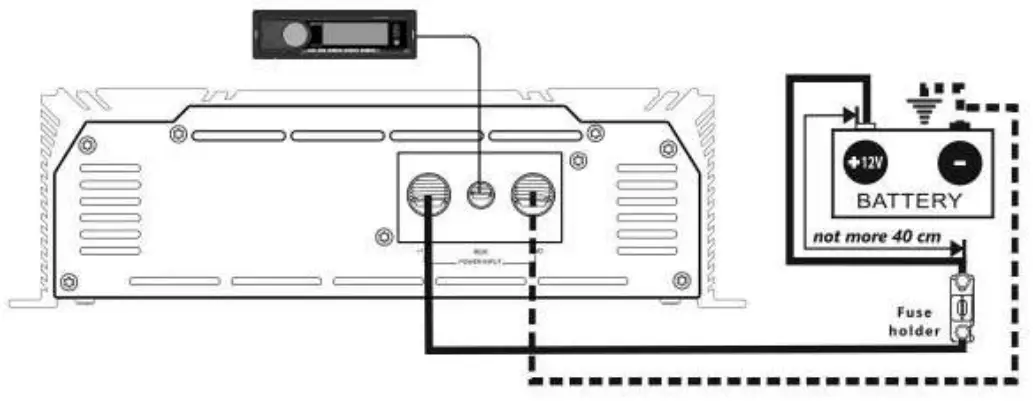
Standard wiring diagram of the two-channel amplifier to battery
Step 1. Connect one end of the power cable from the (+) terminal of the battery and the second end to the amplifier terminal marked with +12V. Do not forget to protect the positive power cable with an appropriate fuse.
Step 2. Connect one end of the power cable from the (-) terminal of the battery and the second end of the grounding cable to the terminals marked with GND.
Step 3. Connect one end of the cable to the Remote output terminal at the HU and the second end to the amplifier terminal marked with REM.

Standard wiring diagram of the two-channel amplifier to Head Unit
Step 1. Connect one end of the RCA cable to the RCA output terminals at the HU and the second end to the amplifier RCA inputs terminals marked with INPUT.

Application of connectors and controls


- INPUT – signal input RCA jacks
- CROSSOVER – HPF – High pass fitter (15 Hz -1 kHz at 12 dB/Oct)
- CROSSOVER – LPF – low pass filter (50 Hz – 20 kHz at 12 dB/Oct)
- GAIN – input signal level adjustment
- BASS BOOST – bass level adjustment (0-12 dB at 45 Hz)
- REMOTE – input for connection of the bass remote control
- POWER – LED for operation (blue)
- CLIP – LED on the clip (orange)
- PROTECT – LED for protection (red)
- SPEAKERS OUTPUTS- speakers connection terminals
- +12V – power supply terminal (+121.0
- REM – the connector of remote activation of the amplifier
- GND – grounding supply terminal 4t-*
- POWER – LED for operation (blue)
- GAIN – input signal level adjustment
CONNECTION METHODS
The minimum permissible load impedance at the single-channel is 1 Ohm, in bridged mode 2 Ohm.
SPEAKERS WIRING DIAGRAMS
In any case, do not expose the amplifier to loads lower than specified by the manufacturer. Use these schematics to calculate the load impedance of different connection types.
Serial connection of the speakers

| Voice coil | Total impedance |
| 4 Ohm | 8 Ohm |
| 8 Ohm | 16 Ohm |

| Voice coil | Total impedance |
| 4 Ohm | 12 Ohm |
| 8 Ohm | 24 Ohm |

| Voice coil | Total impedance |
| 4 Ohm | 16 Ohm |
| 8 Ohm | 32 Ohm |
Parallel connection of the speakers

| Voice coil | Total impedance |
| 4 Ohm | 2 Ohm |
| 8 Ohm | 4 Ohm |

| Voice coil | Total impedance |
| 4 Ohm | 1.33 Ohm |
| 8 Ohm | 2.66 Ohm |

| Voice coil | Total impedance |
| 4 Ohm | 1 Ohm |
| 8 Ohm | 2 Ohm |
The mixed connection between the speakers

| Voice coil | Total impedance |
| 4 Ohm | 4 Ohm |
| 8 Ohm | 8 Ohm |
Caution!!! High sound pressure can damage your health! please Use common sense when controlling volume!
SUBWOOFERS WIRING DIAGRAMS
The minimum permissible load impedance at the single-channel is 1 ohm, in bridged mode 2 ohm. Use these formulas to calculate the load impedance of various types of connections.
Series connection
Total impedance= ΩSub 1 + ΩSub2+ ΩSub3…
Parallel connection
| Total impedance= | ![]() |
SCHEMES OF ENABLING THE LOAD OF THE SUBWOOFER
In any case, do not expose the amplifier to loads lower than specified by the manufacturer. Use these schematics to calculate the load impedance of different connection types.
Voice coils 1+1,2+2,4+4 Ohm
The subwoofer has voice coil D1, D2, or D4.
One subwoofer, coils in series

| Voice coil | Total impedance |
| 1 + 1 Ohm | 2 Ohm |
| 2 + 2 Ohm | 4 Ohm |
| 4 + 4 Ohm | 8 Ohm |
One subwoofer, coils in parallel

| Voice coil | Total impedance |
| 1 + 1 Ohm | 0.5 Ohm |
| 2 + 2 Ohm | 1 Ohm |
| 4 + 4 Ohm | 2 Ohm |
Subwoofer in series, coils in parallel
| Voice coil | Total impedance |
| 1 + 1 Ohm | 1 Ohm |
| 2 + 2 Ohm | 2 Ohm |
| 4 + 4 Ohm | 4 Ohm |

| Voice coil | Total impedance |
| 1 + 1 Ohm | 1.5 Ohm |
| 2 + 2 Ohm | 3 Ohm |
| 4 + 4 Ohm | 6 Ohm |

| Voice coil | Total impedance |
| 1 + 1 Ohm | 2 Ohm |
| 2 + 2 Ohm | 4 Ohm |
| 4 + 4 Ohm | 8 Ohm |
Subwoofers in series, coils in series

| Voice coil | Total impedance |
| 1 + 1 Ohm | 4 Ohm |
| 2 + 2 Ohm | 8 Ohm |
| 4 + 4 Ohm | 16 Ohm |

| Voice coil | Total impedance |
| 1 + 1 Ohm | 6 Ohm |
| 2 + 2 Ohm | 12 Ohm |
| 4 + 4 Ohm | 24 Ohm |

| Voice coil | Total impedance |
| 1 + 1 Ohm | 8 Ohm |
| 2 + 2 Ohm | 16 Ohm |
| 4 + 4 Ohm | 32 Ohm |
Subwoofers in parallel, coils in series

| Voice coil | Total impedance |
| 1 + 1 Ohm | 1 Ohm |
| 2 + 2 Ohm | 2 Ohm |
| 4 + 4 Ohm | 4 Ohm |

| Voice coil | Total impedance |
| 1 + 1 Ohm | 0.66 Ohm |
| 2 + 2 Ohm | 1.33 Ohm |
| 4 + 4 Ohm | 2.66 Ohm |

| Voice coil | Total impedance |
| 1 + 1 Ohm | 0.5 Ohm |
| 2 + 2 Ohm | 1 Ohm |
| 4 + 4 Ohm | 2 Ohm |
Subwoofers in parallel, coils in parallel

| Voice coil | Total impedance |
| 1 + 1 Ohm | 0.25 Ohm |
| 2 + 2 Ohm | 0.5 Ohm |
| 4 + 4 Ohm | 1 Ohm |

| Voice coil | Total impedance |
| 1 + 1 Ohm | 0.16 Ohm |
| 2 + 2 Ohm | 0.33 Ohm |
| 4 + 4 Ohm | 0.66 Ohm |

| Voice coil | Total impedance |
| 1 + 1 Ohm | 0.125 Ohm |
| 2 + 2 Ohm | 0.25 Ohm |
| 4 + 4 Ohm | 0.5Ohm |
CAUTION!!! High sound pressure can damage your health! Please use common sense when controlling volume!
SPECIFICATIONS
| Model | AAB-1200.2D |
| Power RMS 4 Ohm* (W) | 580 x 2 |
| Power RMS 2 Ohm* (W) | 780 x 2 |
| Power RMS 1 Ohm* (W) | 1210 x 2 |
| Power RMS 4 Ohm bridged mode* (W) | 1560 x 1 |
| Power RMS 2 Ohm bridged mode* (W) | 2420 x 1 |
| High pass filter (Hz) | 15 – 1000 |
| Low pass filter (Hz) | 50 – 20 000 |
| Crossover (dB/Oct) | 12 |
| Bass level adjustment (dB at 45 Hz) | 0-12 |
| Frequency response (Hz) | 15 – 20 000 |
| Input sensitivity (V) | 0.2 – 6 |
| Signal-to-noise ratio (dB) | 100 |
| Damping factor | ≥ 260 |
| Input terminal connection (AWG/mm2) | 2 / 33.6 |
| Output terminal connection (AWG/mm2) | 8/8/37 |
| Working voltage (V) | 9-15 |
| The simultaneous operation of LPF and HPF | Yes |
| Minimum permissible load on the single-channel (Ohm) | 1 |
| Minimum permissible load in a bridged mode (Ohm) | 2 |
| Size (LxWxH mm) | 215 x 247 x 73.5 |
| Size (LxWxH inch) | 8.46 x 9.72 x 2.89 |
*RMS Power at 14.4 V, THD 1%
POSSIBLE FAULTS AND THEIR SOLUTIONS
Deaf Bonce amplifiers are high-quality and technically perfect products. The problems often arise due to improper use, the faulty connection of components or lack of power supply of the onboard network.
- The amplifier does not turn on. Problem solution: Check all the contacts and the presence of 9-15 V at the amplifier terminals. Check whether the control input of the amplifier “REM” receives the positive potential of +12 V.
- Power turns on, but goes into protection (security indicator lights up) Problem solution: Check if there is a short circuit (fault) on the amplifier output which is connected to the speakers or subwoofers. Make sure that the commutation of the voice coils of the subwoofer is correct. The rated impedance of the voice coils should not be lower than the permissible rated load impedance of the amplifier. Check the supply voltage of the amplifier. It must be within the range of 9-15 V.
- The amplifier turns on but at a high volume it goes in to protection. Problem solution: The amplifier may lack power, Make sure that the rated current of the alternator and the battery capacity is enough to power this amplifier. Check the amplifier for overheating. Check the load impedance.
- The amplifier is turned on, but there is no sound from the speakers or subwoofer. Problem solution: Check the connection of the amplifier, the integrity of the interconnecting cable, HU, the speakers or the subwoofer.
BOX CONTENTS
- Amplifier – 1 pc.
- Owner’s Manual -1 pc.
- Warranty card -1 pc.
- Remote control -1 pc.
- Mounting Kit- 1 pc.
- Window decals – 2 pc.
WARRANTY AND MAINTENANCE INFO
Deaf Bonce products are warranted against defects concerning materials and their manufacturing under normal functioning conditions.
While the product is under warranty, defective parts will be repaired or replaced at the manufacturer’s discretion. The defective product, along with a notification about it, must be returned to the dealer from which it was purchased together with the warranty certificate duly filled in, complete with the original packaging. If the product is no longer under warranty, it will be repaired at the current costs.
Our company does not undertake any liability for damages due to transportation. Our company does not take any responsibility for costs or loss of profit due to the impossibility to use the product, other accidental or consequential costs, expenses or damages suffered by the customer. Warranty according to laws in force. For more information visit our website and carefully read warranty card. The manufacturer reserves the right to change design and specification without prior notice.
INFORMATION ON DISPOSAL OF THE ELECTRICAL AND ELECTRONIC EQUIPMENT (FOR THE EUROPEAN COUNTRIES WITH SEPARATE WASTE COLLECTION)
Items marked “crisscrossed wheeled bin” are not allowed to be disposed of together with usual household waste. These electrical and electronic products should be disposed of in special reception centers, equipped for recycling such products and components. For information about the location of the nearest disposal/recycling spot and the rules of delivery of waste please contact your local municipal office. Recycling and proper disposal help to protect the environment and prevent harmful effects on health.
Manufacturer: Ningbo Sound Solution I&E Trading Co., Ltd
Made in China
https://deafbonce.com/amplifiers/apocalypse-aab-1200-2d
https://alphard.audio






















