Electrolux ERI522DSD 52cm Integrated Rangehood
IMPORTANT INSTRUCTIONS
Important Information that may impact your Manufacturer’s Warranty Adherence to the directions for use in this manual is extremely important for health and safety. Failure to strictly adhere to the requirements in this manual may result in personal injury, property damage and affect your ability to make a claim under the Electrolux manufacturer’s warranty provided with your product. Products must be used, installed and operated in accordance with this manual. You may not be able to claim on the Electrolux manufacturer’s warranty in the event that your product fault is due to failure to adhere to this manual.
BEFORE USING YOUR APPLIANCE
Before you use the appliance, we recommend that you read through the relevant sections of this manual, which provides the description of your appliance and its functions. To avoid the risks that are always present when you use an appliance, it is important that the appliance is installed correctly and that you read the safety instructions carefully to avoid misuse and hazards. We recommend that you keep this instruction booklet for future reference and pass it on to any future owners.
This appliance complies with the requirements of Australian Standards AS/NZS 60335.2.31
IMPORTANT
Check for any damage or marks. If you find the appliance is damaged or marked, you must report it within 7 days if you wish to claim for damage/marks under the manufacturer’s warranty. This does not affect your statutory rights.
INFORMATION ON DISPOSAL FOR USERS
ENVIRONMENT
Most of the packing materials are recyclable. Please dispose of those materials through your local recycling depot or by placing them in appropriate collection containers. If you wish to discard this appliance, please contact your local authorities and ask for the correct method of disposal.
- This appliance is not intended for use by persons (including children) with reduced physical, sensory or mental capabilities, or lack of experience and knowledge, unless they have been given supervision or instruction concerning use of the appliance by a person responsible for their safety. Children should be supervised to ensure that they do not play with the appliance.
- Life-threatening; danger of poisoning through backdrafting of combustion gasses!
- Never use the appliance to extract air while using a cooker that consumes air from the room, unless the room is sufficiently ventilated. Cooking appliances that consume air in the room (such as equipment that heats using gas, oil, wood or coal, geysers, hot water appliances) draw the combustion air out of the room and carry these gasses outside via the outlet (e.g. chimney). In combination with an activated cooker hood, air is withdrawn from the kitchen and the adjacent rooms. This creates negative pressure if there is insufficient air supply. Poisonous gasses from the chimney or outlet channel are then backdrafted into the living area. Always provide adequate ventilation!
- The maximum permitted negative pressure is 4 Pa.
- Local regulations concerning the discharge of air have to be fulfilled.
- This appliance is only designed for household use.
- The appliance is not intended to be operated by means of an external timer or separate remote control system.
- I n connection with electrical safety, the appliance shall not be cleaned with high-pressure cleaners or steam cleaners.
WARNING - Avoid the risk of electric shock; make sure the appliance is switched off before replacing the lighting or cleaning the appliance.
- Only use the appliance inside the home.•
- Do not use the cooker hood if the grease filter has not been fitted properly!
- Do not lean against the cooker hood.
- Never use the cooker hood as a working surface unless this is indicated explicitly.•
- I f the cooker hood is used in combination with a gas hob ensure sufficient ventilation.
- The outlet should not be connected to a flue used by other appliances.
- Never flambé under a cooker hood and clean the filters on time. To prevent hot fat catching fire you should only deep fry under continuous supervision.•
- The cooker hood and filters should be cleaned regularly both on the outside as well as the inside (at least 1 x per month). Insufficient cleaning or a delay in the replacement of filters can cause fire hazard.•
- The grease filters can become hot during use. After cooking wait at least 30 minutes before cleaning.
- Please note! Intensive use can lead to condensation on the cooker hood. Condensation is simple to remove with a dry cloth.
- Grease and oil are inflammable when overheated. Remain in the cooking area when preparing meals.
- Follow the instructions in the manual for cleaning or replacing the grease filters and/or carbon filters!
- Risk of fire! There is a risk of fire if the instructions for cleaning or replacing grease filters and/or carbon filters are not followed.
- The appliance may have sharp edges; please be careful during cleaning. The light emitted by LED lights is very dazzling, and can damage the eyes. Do not look directly into the switched on LED lights for longer than 100 seconds.
- When washing grease filters in the dishwasher it is recommended to use a short, non-intensive programme. Check the grease filter after washing in the dishwasher for wear (loose material). Wear can occur as a result of frequent washing. If loose material is visible, replace the filters in order to prevent this loose material from ending up in the food that is cooked.
DESCRIPTION

CONTROLS

- Switch lighting on/off
- Switch fan on/off + fan speed 1
- Switch on fan speed 2/switch on carbon filter indicator Switch on fan speed 3/reset grease filter indicator
- Switch on intensive setting / switch on/off Hob to Hood remote control function
- Filter indicator
USING THE APPLIANCE
Switching the fan on and off
- Use the On/Off button to switch on the fan, then select the desired fan speed setting with the
- or buttons. The LED indication on the buttons shows which setting has been selected.
- Use the button to switch on the intensive setting.
- The intensive setting switches off automatically after 6 minutes. After these 6 minutes the speed is reduced to the setting previously selected.
Switch the lighting on and off
- Use the button to switch the lighting on and off. Grease filter indication
- Press and hold the button for 3 seconds
- The ‘F’ indicator light switches on when the grease filter needs to be cleaned.
- The indicator light switches on after the extractor hood has been in use for 100 hours. This is to indicate that the grease filter needs to be cleaned.
- Press and hold the button for 3 seconds to reset the indication. The ‘F’ indicator light flashes 3 times to confirm that the setting has been reset.
Carbon filter indicator
- Press and hold the button for 3 seconds
- To activate the carbon filter contamination indication. The LED indication on the button flashes 2 times in confirmation.
- After the extractor hood has been in use for 200 hours with the carbon filter contamination indication activated, the ‘F’ indicator light starts to flash. This indicates that the carbon filter needs to be replaced.
- Press and hold the button again for 3 seconds to switch off the alarm. The LED indication on the button flashes 1 time in confirmation.
Hob to Hood remote control
NOTE: This Hood can be switched on remotely by certain cooktops that have compatible Hob to Hood capability. To switch on/off the Hob to Hood function, press and hold for 3 seconds, the indicator LED will flash twice to confirm the function is activated. To disable this function, press and hold for 3 seconds, the LED will flash once to confirm the function has been disabled.
TECHNICAL DATA
MAINTENANCE
CLEANING
WARNING
Before performing any maintenance operation, isolate the hood from the electrical supply by switching off at the connector and removing the connector fuse. Or if the appliance has been connected through a plug and socket, then the plug must be removed from the socket. The cooker hood should be cleaned regularly (at least with the same frequency with which you carry out maintenance of the fat filters) internally and externally. Do not use abrasive products. Do not use alcohol!
WARNING
Failure to carry out the basic cleaning recommendations of the cooker hood and replacement of the filters may cause fire risks. Therefore, we recommend observing these instructions. The manufacturer declines all responsibility for any damage to the motor or any fire damage linked to inappropriate maintenance or failure to observe the above safety recommendations.
Cooker hood
Clean the cooker hood with soapy water and a soft cloth. Then wipe with clean water to rinse. Do not use aggressive cleaning agents such as soda. The cooker hood paintwork will stay looking nice if you wax it occasionally.
Stainless steel canopy hoods
Do not use any sort of scourer. Treat with a stainless steel care product and polish with the structure of the stainless steel.
Metal grease filters
These must be cleaned once a month (or when the filter saturation indication system – if envisaged on the model in possession – indicates this necessity) using nonaggressive detergents, either by hand or in the dishwasher, which must be set to a low temperature and a short cycle. The openings must be placed downwards to let the water run out of the filters. The cleaning agents will make the aluminium filter turn dull, this is normal.
LIGHTING
Changing the light bulbs
Faulty LEDs must be replaced by a professional installer.
GREASE FILTERS
Removing the grease filters
Switch off the electricity! Remove the plug from the socket or switch the electricity off at the mains. Open the panel and pull the special handle to remove the filter.
Replacing the carbon filter
The carbon filter must always be used if the cooker hood is not ducted.
NOTE: It is not recommended to fit a carbon filter when the cooker hood is installed with ducting.
- Open the panel.
- Remove the grease filters.
- Fit the carbon filter by wedging it into the casing (D).
- Replace the filter grids in the extractor hood. NOTE:
- Saturation of the activated charcoal will eventually occur after prolonged use, depending on the type of cooking and how frequently the grease filter is cleaned.
- I n all cases it is necessary to replace the cartridge at least every four months.
- DO NOT wash or reuse the carbon filter. Saturated carbon is not environmentally friendly, change the filter regularly.
INSTALLATION
GENERAL
This appliance should be connected to the power supply by a recognized fitter who is familiar with and works according to the correct safety regulations. This appliance meets European requirements.
IMPORTANT
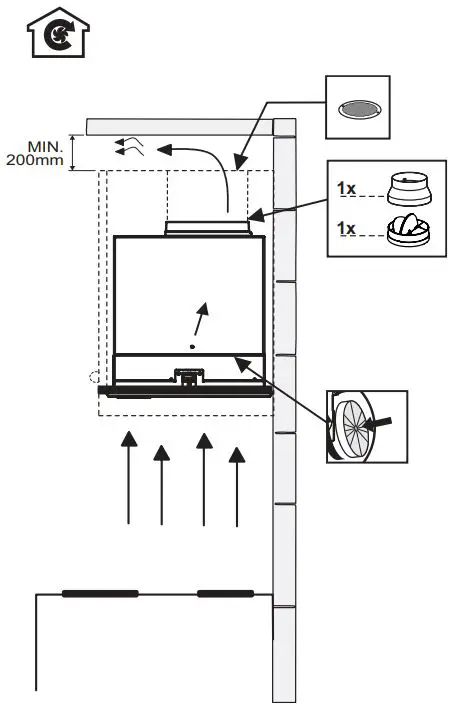
- The minimum distance between the supporting surface for the cooking vessels on the gas hob and the lowest part of the range hood must be not less than 65 cm. For use with an electric, ceramic or induction hob, this distance must be at least 60 cm.
- If the cooker hood is to be fitted to an existing duct no other appliances, such as a geyser or heater, may be connected to that same duct.
- Consider local regulations with respect to the ventilation of gas appliances.
- The shorter the duct and the fewer the bends in it, the better the cooker hood will work.
- Before you start drilling check that there are no installation cables present.
- The connecting pipe for the cooker hood has a diameter of 150mm and is also supplied with a reducer to 120mm is required. It is best also to use a flue pipe of the same diameter.
Product list
Dimensions
ELECTRICAL CONNECTION
This appliance is manufactured in class I, it must therefore be connected to the earth system.
Make sure the supply voltage ratings correspond with those stated on the appliance data plate. The connection to the mains is carried out as follows:
- BROWN = phase L
- BLUE = phase N
- YELLOW/GREEN = Earth
During the electrical connection make sure that the electrical socket is equipped with earth connection.
This canopy hood has been provided with a power plug. When installing the hood, make sure that this plug remains accessible.
WARNING
If you want to make a fixed connection, ensure that a multi-pole switch with a distance between contacts of 3mm is installed in the supply cable.
NOTE: This hood can be installed in ducted mode, or recirculating mode. If installing in recirculating mode, please purchase and assemble carbon filters separately. If installing in ducted mode, we don’t recommend the use of carbon filters.
Ducted
Recirculating
STEPS TO INSTALL
- Open the panel.

- Remove the grease filter.

- Disconnect the plug connection for the controls and also the plug connection for the LED lighting.

- First remove the 6 screws, followed by the frame.

- Use a saw to create a recess in the bottom side of the cupboard (at a distance of at least 650mm from a gas hob). Refer to the measurement drawing for this.
- Attach the unit with the 10 screws provided (12a).
- Put the frame into position with the 6 screws. plug connection for the controls and also

- Put the grease filter into position and close the panel.






STEPS TO INSTALL























