VR 414 611 Electric Grill
Instruction Manual
Safety Definitions
WARNING
This indicates that death or serious injuries may occur as a result of the non-observance of this warning.
CAUTION
This indicates that minor or moderate injuries may occur as a result of the non-observance of this warning.
NOTICE
This indicates that damage to the appliance or property may occur as a result of non-compliance with this advisory.
Note: This alerts you to important information and/or tips.
Additional information on products, accessories, replacement parts, and services, as well as the Use and care manual and the Installation instructions, can be found at www.gaggenau.com and in the online shop www.gaggenau.com/zz/store
IMPORTANT SAFETY INSTRUCTIONS
READ AND SAVE THESE INSTRUCTIONS
READ AND SAVE THESE INSTRUCTIONS INSTALLER: LEAVE THESE INSTRUCTIONS WITH THE APPLIANCE AFTER INSTALLATION IS COMPLETE.
IMPORTANT: SAVE THESE INSTRUCTIONS FOR THE LOCAL ELECTRICAL INSPECTOR’S USE.
WARNING
If the information in this manual is not followed exactly, fire or shock may result causing property damage or personal injury.
WARNING
Do not repair, replace or remove any part of the appliance unless specifically recommended in the manuals. Improper installation, service, or maintenance can cause injury or property damage. Refer to this manual for guidance. All other servicing should be done by an authorized service provider.
Appliance Handling Safety

Hidden surfaces may have sharp edges. Use caution when reaching behind or under appliances.
Safety Codes and Standards
This appliance complies with one or more of the following Standards:
- UL 858, The Standard for the Safety of Household Electric Ranges
- UL 923, The Standard for the Safety of Microwave Cooking Appliances
- UL 507, The Standard for the Safety of Electric Fans
- ANSI Z21.1, The American National Standard for Household Cooking Gas Appliances
- CAN/CSA-C22.2 No. 113 Fans and Ventilators
- CAN/CSA-C22.2 No. 61 Household Cooking Ranges
- CAN/CSA-E60335-1
- CAN/CSA-E60335-2-6 Household and similar electrical appliances – Safety
It is the responsibility of the owner and the installer to determine if additional requirements and/or standards apply to specific installations.
Electric Safety
WARNING
Before you plug in an electrical cord or turn on the power supply, make sure all controls are in the OFF position.
If required by the National Electrical Code (or Canadian Electrical Code), this appliance must be installed on a separate branch circuit.
IMPORTANT SAFETY INSTRUCTIONS
READ AND SAVE THESE INSTRUCTIONS
WARNING
Risk of electrical shock or fire!
Frame grounded to neutral through a ground strap. Grounding through the neutral conductor is prohibited for new branch-circuit installations (1996 NEC), mobile homes, and recreational vehicles, or in an area where local codes prohibit grounding through the neutral conductor.
For installations where grounding through the neutral conductor is prohibited,
- disconnect the link from the neutral,
- use grounding terminal or lead to the ground unit,
- connect the neutral terminal to the lead branch circuit neutral in the usual manner (when the appliance is to be connected by means of a cord kit, use a UL listed 4-conductor cord for this purpose).
Be sure your appliance is properly installed and grounded by a qualified technician. Installation, electrical connections and grounding must comply with all applicable codes. Before installing, turn the power OFF at the service panel. Lock service panel to prevent power from being turned ON accidentally.
Installer – show the owner the location of the circuit breaker or fuse. Mark it for easy reference.
The appliance should only be used if installed by a qualified technician in accordance with these installation instructions. The manufacturer is not responsible for any damage resulting from incorrect installation.
Remove all tape and packaging before using the appliance. Destroy the packaging after unpacking the appliance.
Never allow children to play with packaging material.
Never modify or alter the construction of the appliance. For example, do not remove leveling legs, panels, wire covers or anti-tip brackets/screws.
To eliminate the risk of burns or fire by reaching over heated surface units, cabinet storage space located above the surface units should be avoided. If cabinet storage is to be provided, the risk can be reduced by installing a hood that projects horizontally a minimum of 5 inches (127 mm) beyond the bottom of the cabinet.
Verify that cabinets above the cooktop are a maximum of 13″ (330 mm) deep.
When installing a cooktop over a single oven, be sure to follow both the oven’s and cooktop’s installation manuals.
Ventilation Recommendations We strongly recommend the installation of a ventilation hood above this appliance. The hood must be installed according to instructions furnished with the hood.
CAUTION
The appliance should not be installed with a ventilation system that blows air downward toward the burners. This type of ventilation system may cause ignition and combustion problems with the gas cooking appliance resulting in personal injury or unintended operation.
Proposition 65 Warning:
This product may contain a chemical known to the State of California, which can cause cancer or reproductive harm. Therefore, the packaging of your product may bear the following label as required by California:
STATE OF CALIFORNIA PROPOSITION 65 WARNING:
WARNING
Cancer and Reproductive Harm – www.P65Warnings.ca.gov
Before you begin
Before you begin to OLS Parts Needed
- Screwdriver Torx T20
- Pencil
- Drill with a ¼” (6 mm) bit
- Jigsaw
- Tape Measure
Note: Additional materials may be necessary for installation in solid surface countertops. Contact the countertop manufacturer.
Parts Included
Installation accessories
VA 420 000 Connection strip for combination with other Vario appliances in the 400 series for flush installation
VA 420 010 Connection strip for combination with other Vario appliances in the 400 series for surface-mounted installation
VA 440 010 Stainless steel appliance cover
Use the accessories only as indicated. The manufacturer assumes no liability for incorrect usage of the accessories.
Cabinet Requirements

The minimum spaces that must be maintained when installing the electric grill shall be:
A minimum of 30″ (762 mm)
B minimum 8″ (200 mm)
C minimum 19 /16″ (40 mm)
D Stainless steel work surfaces: both work surfaces must be permanently fitted on both sides of the grill to protect the countertop when the grill is installed separately.
When installed next to another Vario appliance, a work surface must be fitted on the opposite side to protect the countertop.
When installed between two other Vario appliances, no work surface is required.
E maximum 13” (330 mm)
Countertop Requirements
WARNING
To reduce the risk of ignition of surrounding combustible materials, install at least 2″ (51 mm) from both sidewalls and the rear wall.
The countertop must be level and horizontal. The stability of the countertop must be maintained after the cut-out has been made.
Solid surface countertops often require special installations. For example, heat-reflective tape and rounded corners may be necessary. Contact the countertop manufacturer for instructions specific to your countertop.
Prepare Installation Space
Prepare Installation SpaceThe kitchen unit must be heat-resistant to at least 200° F (90°C). The stability of the unit must be maintained after producing the cut-out.
Produce the cut-out in the countertop for one or more Vario appliances as shown in the installation sketch. The angle between the cut surface and the countertop must be 90°.
The cut edges at the sides must be flat to ensure a good fit of the retaining springs on the appliance. In laminated worktops, it may be necessary to fit strips at the sides of the cut-out.
Remove shavings after cutting. Seal cut surfaces for resistance to heat so they are watertight.
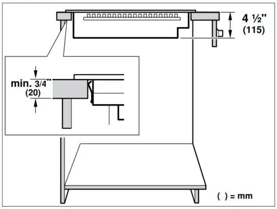
Pay attention to a minimum gap of 3/8“ (10 mm) from the underside of the appliance to the kitchen units.
Use suitable base constructions to ensure load-carrying capacity and stability, especially in the case of thin countertops. Pay attention to the weight of the appliance, including any payload. The reinforcement material used must be resistant to heat and moisture.
Note: Wait until the appliance has been installed in the installation opening before checking that it is level.
Cutting out countertop


Flush mounting: Flush mounting into a countertop is possible.


Flush installation: The appliance can be installed in the following temperature- and water-resistant countertops:
- Stone countertops
- Plastic countertops (such as Corian®)
- Solid wood countertops: Only in consultation with the manufacturer of the countertop (seal cut-out edges)
- Installation in other countertops only in consultation with the manufacturer of the countertop.
Installation in countertops made of particleboard is not possible.
Note: Any cut-out work on the countertop must be performed in a workshop according to the installation diagram. The cut-out must be made cleanly and precisely since the cut-out edge is visible on the surface. Clean and degrease the cut-out edges with a suitable cleaning agent (bear in mind the silicone manufacturer’s processing instructions).
Combining several Vario devices: The connecting strip VA 420 000/010 is required for the combination of several Vario appliances. This is available separately as a special accessory. Consider additional space requirements for the connecting strip between the appliances when making the cut-out (see installation instructions VA 420 000/010). 
Appliances can also be installed in individual cut-outs, bearing in mind a minimum distance between the devices of 2″ (51 mm).
In combination with appliance cover: The appliance cover VA 440 010 can be ordered separately as an optional accessory. Take into account the additional space required for the appliance cover when making the cutout. 
Flush mount installation:

Drilled Hole for Control Knob
Possible types of installation:
- Installation in the front of the base cabinet
- Installation in the countertop next to the appliance
- Installation in the countertop in front of the appliance
Note: Follow the installation instructions provided for the control knobs.
Installation Procedure
Mounting Control Knobs


Note: Follow the installation instructions provided for the control knobs.
- Depending on the distance between the control knobs, it may be necessary to break off the retaining plate at the perforation. Hold the retaining plate in place against the back of the control panel or the bottom of the countertop, or secure it with the enclosed screws.
- When installing a single control knob or when the retaining plate has been broken at the perforation, use 2 screws to hold each individual retaining plate in place to prevent it from rotating (C).
For stone countertops, use temperature-resistant two-component adhesive (for metal to stone) to adhere to the retaining plate. - Remove the protective film on the back of the illuminated ring (A).
- Insert the control knob into the drilled hole (B) and screw the nut on the back with the enclosed installation aid (D).
- Connect all of the control knobs with the enclosed shorter cables. The plugs must snap into the sockets (E).
Note: The two cable connectors on the control knob are identical. - Connect the longer cable to the control cable for connection to the appliance. The plug must snap into the socket (F).
Note: The appliance can be connected to any control knob. - After installing, check that all plug connections fit correctly.
- After installing all the cables, secure them to the retaining plate by bending the tab down (E).
Install Appliance
WARNING
Before you plug in an electrical cord or turn on the power supply, make sure all controls are in the OFF position.
- Connect the connection cable to the control cable in the socket on the bottom of the appliance. The plug must snap into place.
- Evenly insert the unit in the cut-out. Press the unit firmly into the cut-out from above.
Note: The unit must sit firmly in the cut-out and must not move (e.g. during cleaning). If necessary, secure strips at the sides in the cut-out if the cut-out width is at the top tolerance limit.
- Remove lava stones from the plastic film and place them in the lava stone trough.

- Insert the grease tray and the lava stone trough into the appliance.

- Fold grill heating elements down.

- Fit cast iron wire racks.

- Connect the appliance to the mains and check that it works correctly.
- For installation flush with surrounding surfaces only:
Note: Make sure that everything is working correctly before grouting.
Grout the surrounding gap with a suitable temperature-resistant silicone adhesive (e.g., OTTOSEAL® S 70). Smooth the joint seal with a smoothing agent recommended by the manufacturer.
Heed the processing instructions for the silicone glue.
Only start up the appliance after the silicone glue is completely dry (at least 24 hours, depending on the room temperature).
NOTICE
Unsuitable silicone adhesive causes permanent discoloration to natural stone countertops.
Connect Electrical Supply
Refer to data plate for more information. See “Service” for data plate location.
The branch-circuit breakers ampacity, the wire sizes and the connections must be conform to the requirements of the National Electrical Code or Canadian Electrical Code and all local codes and ordinances.
Attach flexible conduit to the junction box. Connect the lead wires to the junction box supply wires in proper phase:
- black (L1) to black
- red (L2) to blue
- green to ground
The mains connecting cable must at least correspond to the type SJTO 3×16 AWG 105°C. The mains connecting cable must only be purchased through and connected by an authorised specialist.
Connection with a plug
- Plug has to be conform with NEMA CONFIGURATIONS FOR PLUGS AND RECEPTACLES.
- The appliance must be properly grounded.
- Plug must be rated not less than type 6-20 P (2-pole 3wire grounding).
- Only a qualified electrician should connect the plug.
- Install a socket outlet earthed in accordance with regulations approx. 27″ (700 mm) above the floor behind the appliance. The socket outlet must still be accessible after installation.
Check the Installation
WARNING
Before you plug in an electrical cord or turn on power supply, make sure all controls are in the OFF position.
Remove everything from the cooktop surface.
Switch on the circuit breaker.
Verify that elements function properly.
Removing appliance
Disconnect the appliance from the power supply. For flush-mounted appliances, remove the silicone joint. Push out the appliance from below.
CAUTION
Damage to appliance! Don’t lever device out from above at the frame.
Customer Service
Customer ServiceIf your appliance needs repairs, our customer service is there for you. We work hard to help solve problems quickly and without unnecessary service calls, getting your appliance back up and running correctly in the least amount of time possible.
When you call, please indicate the product number (E-Nr.) and serial number (FD-Nr.) so that we can support you in a qualified manner. You will find the type plate with these numbers on the bottom of the appliance. To avoid having to search for a long time when you need it, you can enter your appliance data and the customer support telephone number here.
| E-Nr. | FD-Nr. |
| Customer Service | |
Please read the installation instructions and use and care instructions provided with your appliance. Failure to do so may result in an error in using the appliance. This could result in a service call that instead of fixing a mechanical issue is only needed for customer education.
Such calls are not covered by the appliance warranty. 
Please find the contact data of all countries in the enclosed customer service list. To book a service visit and product advice
USA 877 442 4436 toll-free
CANADA 877 442 4436 toll-free

Gaggenau
BSH Home Appliance Corporation 1901 Main Street, Suite 600 Irvine,
CA 92614 1-877-442-4436
www.gaggenau.com/
us © 2020 BSH Home Appliances
Gaggenau Hausgerate GmbH
Carl-Wery-StraBe
34 81739 Munchen
GERMANY 






















