
AD1
Bodypack Transmitter
WARNING
- Battery packs may explode or release toxic materials. Risk of fire or burns. Do not open, crush, modify, disassemble, heat
above 140°F (60°C), or incinerate. - Follow instructions from the manufacturer
- Only use Shure charger to recharge Shure rechargeable batteries
- WARNING: Danger of explosion if battery incorrectly replaced. Replace only with the same or equivalent type.
- Never put batteries in your mouth. If swallowed, contact your physician or local poison control center
- Do not short circuit; may cause burns or catch fire
- Do not charge or use battery packs other than Shure rechargeable batteries
- Dispose of battery packs properly. Check with local vendors for proper disposal of used battery packs.
- Batteries (battery pack or batteries installed) shall not be exposed to excessive heat such as sunshine, fire or the like
- Do not immerse the battery in a liquid such as water, beverages, or other fluids.
- Do not attach or insert the battery with polarity reversed.
- Keep away from small children.
- Do not use abnormal batteries.
- Pack the battery securely for transport.
WARNING: Danger of explosion if incorrect battery replaced. Operate only with AA batteries.
Note: Use only with the included power supply or a Shure-approved equivalent.
AD1 Axient Digital Bodypack Transmitter
AD series bodypack transmitters deliver impeccable audio quality and RF performance with wide-tuning, High Density (HD) mode, and encryption. The transmitter features durable metal construction, AA or SB900-series rechargeable power (with dockable charging), and TA4 or LEMO3 connector options.
Features
Performance
- 20 Hz to 20 kHz range with flat frequency response
- Automatic input staging optimizes gain setting
- AES 256-bit encryption-enabled for secure transmission
- >120 dB dynamic range
- 100 meter (300 feet) line-of-sight operating range
- Selectable modulation modes optimize performance for spectral efficiency
Standard – optimal coverage, low latency
High density – dramatic increase in max system channel count - Built-in tone generator and RF markers to facilitate walk-testing
- Switchable Power Levels = 2/10/35 mW (region dependent)
- Frequency Diversity selection using two bodypacks
Design
- TA4 or LEMO3 audio connector option
- Backlit LCD with easy to navigate menu and controls
- Rugged metal construction
- Flexible ¼ wave antenna
- Menu and power lockout
Power
- Over 8 hours continuous use with 2 x AA alkaline batteries
- Shure SB900-series lithium-ion rechargeable battery provides extended battery life, precision metering, and zero memory effect
- External charging contacts for docked charging
Furnished Accessories
| AA alkaline batteries (2) | 80B8201 |
| 1/4 wave Antenna | varies by region |
| Threaded TAF4 adapterThreaded TAF4 adapter | WA340 |
| Carrying/Storage Bag | 26A13 |
| Belt clip | 44A12547 |
Optional Accessories
| Shure Lithium-Ion Rechargeable Battery.Shure Lithium-Ion Rechargeable Battery | SB900B |
| Y-Cable for bodypack transmitters | AXT652 |
| LEMO Y-Cable for bodypack transmitters | AXT652LEMO3 |
| Cable, Instrument, 2.5 foot (.75 m), 4 Pin Mini Connector (TA4F) to 1/4inch Connector. | WA302 |
| Belt clip | 44A12547 |
| Cable, Instrument, 2-foot (0.7m), 4-pin Mini Connector (TA4F) with Right-Angle 1/4-inch Connector, used with Shure Wireless Bodypack Transmitters | WA304 |
| In-Line Bodypack Mute Switch | WA661 |
| Mute Switch for 2 Bodypacks | WA662 |
AD1 Transmitter Overview
① RF Antenna
For RF signal transmission.
② Display
View menu screens and settings. Press any control button to activate the backlight.
③ Infrared (IR) Port
Align with the receiver IR port during an IR Sync for automated transmitter tuning and setup.
④ Control Buttons
Use to navigate through parameter menus and to change settings.
⑤ Battery Compartment
Requires two AA batteries or Shure rechargeable battery.
⑥ AA Battery Adapter
Use to secure AA batteries. Remove when using a Shure rechargeable battery.
⑦ SMA Connector
Connection point for RF antenna.
⑧ Power Switch
Powers the unit on or off.
⑨ Power LED
◦Green = unit is powered on
◦Red = low battery, Mute Mode enabled, input overload, or battery error (see Troubleshooting)
⑩ Input Jack
Connects to a 4-Pin Mini Connector (TA4F) microphone or instrument cable.
Note: A LEMO connector model variation of this transmitter is available.
Transmitter Controls
Use the controls to navigate through parameter menus and change values.

| exit | Acts as a ‘back’ button to return to previous menus or parameters without confirming a value change |
| enter | Enters menu screens and confirms parameter changes |
| ∨∧ | Use to scroll through menu screens and to change parameter values |
Tip: Use the following shortcuts for quick setup:
- Hold the ∧ button while powering on to lock or unlock the transmitter controls.
- Hold the exit button while powering on to enter the Safe Start menu.
Locking the Interface
Lock transmitter interface controls to prevent accidental or unauthorized changes to parameters. The lock icon appears on the
home screen when a lock is enabled.
- From the Utilities menu, navigate to Locks and select one of the following lock options:
None: The controls are unlocked
Power: The power switch is locked
Menu: The menu parameters are locked
All: The power switch and menu parameters are locked - Press enter to save.
Tip: To quickly unlock a transmitter: Press enter twice, select None, and press enter.
Home Screen Display
The home screen shows transmitter information and status.
There are four pieces of information that you can choose to see on the home screen. Use the arrow buttons to select one of
the following choices:
| Name Frequency Setting Group (G) and Channel (C) Device ID |
The following icons indicate transmitter settings:
| Battery runtime in hours and minutes or bar display | |
| Key: Displayed when encryption is enabled | |
| Lock: Displayed when controls are locked. Icon will flash if access is attempted to a locked control (power or menu). | |
| STD: Standard Transmission Mode | |
| HD: High Density Transmission Mode | |
| RF Mute Engaged: Displayed when RF output is muted |
Batteries
Battery Installation

| ① Accessing the battery compartment | Press the side tabs on the bodypack and open the battery door as shown to access the bat tery compartment. |
| ② Installing batteries |
Note: If using AA batteries, set the battery type using the transmitter menu. |
Setting the AA Battery Type
To ensure accurate display of transmitter runtime, set the battery type in the transmitter menu to match the installed AA battery
type.
Note: If a Shure rechargeable battery is installed, selecting a battery type is not necessary and the battery type will display Shure.
- Navigate to the Utilities and select Battery.
- Use the ▼▲ buttons to select the installed battery type:
− Alkaline = Alkaline
− NiMH = Nickel Metal Hydride
− Lithium = Lithium Primary - Press enter to save.

AA Battery Installation
Fully insert the batteries as shown to ensure proper battery contact and to allow the door to latch securely.

Shure Rechargeable Battery
Shure SB900-series lithium-ion batteries offer a rechargeable option for powering the transmitters. Batteries quickly charge to
50% capacity in one hour and reach full charge within three hours.
Single chargers and multiple bay chargers are available to recharge the Shure batteries. The SB900B rechargeable battery us
es SBC200, SBC800 and SBC220 chargers.
Caution: Only charge Shure rechargeable batteries with a Shure battery charger.
Battery Life
| UHF 2 mW/10 mW | 35 mW | 1.x 2 mW/10 mW | 30 mW | |
| SB900B | SB900B | SB900B | SB900B | SB900B |
| 8:30 hours | 8:30 hours | 8:30 hours | 8:30 hours | 8:30 hours |
The values in this table are typical of fresh, high quality batteries. Battery runtime varies depending on the manufacturer and
age of the battery.
Checking Battery Info
When using a Shure rechargeable battery, the receiver and transmitter home screens display the number of hours and minutes remaining.
Detailed information for the battery is displayed Battery menu of the transmitter: Utilities > Battery
- Battery: The chemistry type of for the installed battery (Shure, Alkaline, Lithium, NiMH)
- Bars: Indicates the number of bars displayed
- Time: Battery runtime
- Charge: Percentage of charge capacity
- Health: Percentage of current battery health
- Cycle Count: Total of the number of charging cycles for the installed battery
- Temperature: Battery temperature reported in Celsius and Fahrenheit

Note: A Battery Hot warning indicates that transmitter battery needs to cool off. Otherwise, the transmitter will shut down. Let
the device cool down and then consider swapping the transmitter battery to continue operation.
Identify any possible external heat sources to the transmitter and operate the transmitter away from those external heat sources.
All batteries should be stored and operated away from external heat sources in reasonable temperature conditions for best
performance.
Important Tips for Care and Storage of Shure Rechargeable Batteries
Proper care and storage of Shure batteries results in reliable performance and ensures a long lifetime.
- Always store batteries and transmitters at room temperature
- Ideally, batteries should be charged to approximately 40% of capacity for long-term storage
- Periodically clean the battery contacts with alcohol to maintain ideal contact
- During storage, check batteries every 6 months and recharge to 40% of capacity as needed
Tip: For additional rechargeable battery information, visit www.shure.com.
AA Batteries and Transmitter Runtime
Transmitters are compatible with the following AA battery types:
- Alkaline
- Nickel Metal Hydride (NiMH)
- Lithium Primary
A 5segment battery indicator representing the charge level of the transmitter battery is displayed on the screens of the trans mitter and receiver. The following table contains the approximate remaining transmitter runtime in hours:minutes.
Alkaline Batteries
| Indicator | Battery Runtime ( hours:minutes) | |||
| 2 mW/10 mW | 35mW | 1.x 2 mW/10mW | 30mW | |
| 8:00 to 6:00 | 3:30 to 3:00 | 5:30 to 4:15 | 3:45 to 3:00 | |
| 6:00 to 4:00 | 3:00 to 2:00 | 4:15 to 3:00 | 3:00 to 2:15 | |
| 4:00 to 1:45 | 2:00 to 1:30 | 3:00 to 1:45 | 2:15 to 2:00 | |
| <1:45 | <1:45 | <1:45 | <1:45 | |
| <0:45 | <0:45 | <0:45 | <0:45 | |
| <0:15 | <0:15 | <0:15 | <0:15 | |
The Main menu organizes the available transmitter parameters into three sub-menus:
- Radio
- Audio
- Utilities
Tip: Use the arrow buttons to scroll between the sub-menus.
Tips for Editing Menu Parameters
- To access the menu options from the home screen, press the enter button. Use the arrow buttons to access additional menus and parameters.
- A menu parameter will blink when editing is enabled
- To increase, decrease or change a parameter, use the arrow buttons
- To save a menu change, press enter
- To exit a menu without saving a change, press exit
Menu Map
Radio Menu
Freq
- Press the enter button to enable editing of a group (G:) channel (C:) or frequency (MHz). Use the arrow buttons to adjustthe values. To edit the frequency, press the enter button once to edit the first 3 digits, or twice to edit the second 3 digits.
Power
- Higher RF power settings can extend the range of the transmitter.
Note: Higher RF power settings decrease battery runtime.
Output
Sets the RF output to On or Mute.
- On: RF signal is active
- Mute: RF signal is inactive
Audio Menu
Pad
Adjust the pad to avoid overloading the audio input. Select 12 dB or Off.
Offset
- Adjust Offset level to balance mic levels when using two transmitters or when assigning multiple transmitters to receiver
slots. Adjustment range: -12 dB to +21 dB.
Polarity
Selectable polarity assignment for the audio input connector:
- Pos: Positive pressure on the microphone diaphragm produces positive voltage on pin 2 (with respect to pin 3 of XLR output)and the tip of the TRS output.
- Neg: Positive pressure on the microphone diaphragm produces a negative voltage on pin 2 (with respect to pin 3 of XLR output) and the tip of the TRS output.
Mute
When enabled, the power switch is configured as a mute switch for the audio:
- Power switch on: Audio signal on
- Power switch off: Audio signal muted
Exit mute mode to return the power switch to its normal functionality.
Tone Gen
Transmitter will generate a continuous test tone:
- Freq: The tone can be set to 400 Hz or 1000 Hz.
- Level: Adjusts the output level of the test tone.
Utilities Menu
Device ID
- Assign a device ID of up to 9 letters or numbers.
Locks
Locks the transmitter controls and power switch.
- None: The controls are unlocked
- Power: The power switch is locked
- Menu: The menu parameters are locked
- All: The power switch and menu parameters are locked
Marker
- When enabled, press the enter button to drop a marker in Wireless Workbench.
Battery
Displays battery information:
- Battery Life: Runtime reported in bar display and time (hours:minutes)
- Charge: Percentage of charge capacity
- Health: Percentage of current battery health
- Cycle Count: Total of the number of charging cycles for the installed battery
- Temperature: Battery temperature reported in Celsius and Fahrenheit
About
Displays the following transmitter information:
- Model: Displays the model number
- Band: Displays the tuning band of the transmitter
- FW Version: Installed firmware
- HW Version: Hardware version
- Serial Num: Serial number
Reset All
Restores all transmitter parameters to factory settings.
IR Sync
Use IR Sync to form an audio channel between the transmitter and receiver.
Note: The receiver band must match the band of the transmitter.
- Select a receiver channel.
- Tune the channel to an available frequency using group scan or manually turn to an open frequency.
- Power on the transmitter.
- Press the SYNC button on the receiver.
- Align the IR windows between the transmitter and the receiver so that the IR LED illuminates red. When complete,
Sync Success! appears. The transmitter and receiver are now tuned to the same frequency.

Note:
Any change to the encryption status on the receiver (enabling/disabling encryption) requires a sync to send the settings to the transmitter. New encryption keys for the transmitter and receiver channel are generated on every IR sync, so to request a new
key for a transmitter, perform an IR sync with the desired receiver channel.
Setting the Frequency Manually
The transmitter can be manually tuned to a specific group, channel, or frequency.
- Navigate to the Radio menu and select Freq.
- Scroll to select G: and C: to edit the group and channel, or select the frequency parameter (MHz). When editing the fre quency, press enter once to edit the first 3 digits, or twice to edit the last 3 digits.
- Use the ∧∨ buttons to adjust the group, channel, or frequency.
- Press enter to save, and then press exit when finished.

Updating Firmware
Firmware is embedded software in each component that controls functionality. Periodically, new versions of firmware are devel oped to incorporate additional features and enhancements. To take advantage of design improvements, you can upload and in stall new versions of the firmware by using the Shure Update Utility. The Shure Update Utility is available for download from http://www.shure.com/.
Firmware Versioning
When performing an update, first download firmware to the receiver, and then update transmitters to the same firmware version to ensure consistent operation n.
The firmware numbering for Shure devices uses the following format: MAJOR.MINOR.PATCH (e.g., 1.2.14). At a minimum, all devices on the network (including transmitters), must have the same MAJOR and MINOR firmware version numbers (e.g., 1.2.x).
Updating the Transmitter
- Download the firmware to the receiver.
- Access the following menu from the receiver: Device Configuration > Tx Firmware Update.
- Align the IR ports between the transmitter and the receiver. IR ports must be aligned for the entire download, which can take 50 seconds or longer.
- The red alignment LED will turn on when the alignment is correct.
- Press ENTER on the receiver to begin the download to the transmitter. The receiver will display the progress of the up date as a percentage.
Wearing the Bodypack Transmitter
Clip the transmitter to a belt or slide a guitar strap through the transmitter clip as shown.
For best results, the belt should be pressed against the base of the clip.
Tip: The clip can removed and rotated 180 degrees to increase mounting options.

RF Mute
RF Mute prevents transmission of the audio by suppressing the RF signal while allowing the transmitter to remain on. The home screen displays RF MUTED in this mode.
From the Radio menu, navigate to Output.- Choose one of the following options:
On: RF signal is active
Mute: RF signal is disabled - Press enter to save.
Turning the transmitter off and on or replacing the battery will restore Output to On.
Safe Start
Power on in Safe Start mode to prevent interference with other devices. Hold the exit button while powering on your device un til the Safe Start menu appears.

Safe Start menu options:
- RF: Mute or On
- Locks: None, Pwr, Menu, All
Use the navigation buttons to make changes.
Tip: To exit the Safe Start menu, cycle the power or momentarily remove the battery.
Note: Previous settings for locks and RF will be retained when the transmitter is powered on in Safe Start.
Input Overload
The OVERLOAD message appears when the audio input experiences a highlevel signal. The power LED turns red as an addi tional indicator of an overload. Reduce the input signal or enable the input pad to remove the overload condition.
Tip: To enable the input pad, navigate to Audio > Pad and select 12 dB.

Matching Audio Levels with Offset
When linking two or more transmitters to a receiver, there may be a difference in volume levels between microphones or instru ments. If this occurs, use the Offset function to match the audio levels and eliminate audible volume differences between trans mitters. If using a single transmitter, set Offset to 0 dB.
- Turn on the first transmitter and perform a soundcheck to test the audio level. Turn off the transmitter when finished.
- Turn on the second transmitter and perform a soundcheck to test the audio level. Repeat for any additional transmit ters.
- If there is an audible difference in the sound level between the transmitters, navigate to the Offset menu (Audio > Offset) in the transmitter to increase or decrease the Offset in real time to match the audio levels.

Tone Generator
The transmitter contains an internal tone generator that produces a continuous audio signal. The tone is helpful when conduct ing a soundcheck or for troubleshooting the audio signal chain. The level of the tone is adjustable from -60 dB to 0 dB and the frequency can be set to 400 Hz or 1000 Hz.
Tip: Always start with the level set to -60 dB to avoid overloading speakers or headphones.
- From the Audio menu select Tone Gen.
- Set the frequency to 400 Hz or 1000 Hz.
- Select Level and use the arrow buttons adjust the value between -60 dB and 0 dB.
Turn off the tone by selecting Off from the menu or by cycling the transmitter power.

Contact Customer Support
Didn’t find what you need? Contact our customer support to get help.
Specifications
Mic Offset Range
12 to 21 dB (in 1 dB steps)
Battery Type
Shure SB900B Rechargeable LiIon or LR6 AA batteries 1.5 V
Battery Runtime
@ 10 mW
| Shure SB900B | up to 8 hours |
| alkaline | up to 8 hours |
Dimensions
86 mm x 66 mm x 23 mm (3.4 in. x 2.6 in. x 0.9 in.) H x W x D
Weight
155 g (5.0 oz.), without batteries
Housing
Cast Metal
Operating Temperature Range
-18°C (0°F) to 50°C (122°F)
Storage Temperature Range
-29°C (-20°F) to 74°C (165°F)
Audio Input
Connector
4-Pin male mini connector (TA4M) or Lemo Connector
Configuration
Unbalanced
Impedance
| 4-Pin male mini connector (TA4M) | 910 kΩ |
| Lemo Connector | 8.2 kΩ |
Maximum Input Level
1 kHz at 1% THD
| Pad Off | 8.5 dBV ( 7.5 Vpp) |
| Pad On | 20.5 dBV ( 30 Vpp) |
Preamplifier Equivalent Input Noise (EIN)
System Gain Setting ≥ +20
120 dBV, Aweighted, typical
RF Output
Connector
SMA
Antenna Type
1/4 wave
Impedance
50 Ω
Occupied Bandwidth
<200 kHz
Channel-to-Channel Spacing
| Standard Mode | 350 kHz |
| High Density Mode | 125 kHz |
Modulation Type
Shure Axient Digital Proprietary
Power
2 mW, 10 mW, 35 mW
Specific Absorption Rate (SAR)
< 0.20 W/kg
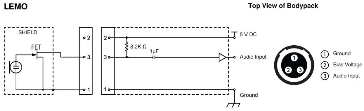
Input Connector Diagrams
TA4M

LEMO

Frequency Range and Transmitter Output Level
Band | Frequency Range ( MHz) | RF Output Power ( mW)*** |
| G53 | G53 | G53 |
| G54 | 479 to 565 | 2/10/20 |
| G55† | 470 to 636* | 2/10/35 |
| G56†† | 470 to 636 | 2/10/35 |
| G57 | 470 to 616* | 2/10/35 |
| G62 | 510 to 530 | 2/10/35 |
| H54 | 520 to 636 | 2/10/35 |
| K53 | 606 to 698* | 2/10/35 |
| K54△ | 606 to 663** | 2/10/35 |
| K55 | 606 to 694 | 2/10/35 |
| K56◇ | 606 to 714 | 2/10/35 |
| K58 | 622 to 698 | 2/10/35 |
| L54 | 630 to 787 | 2/10/35 |
| L60 | 630.125 to 697.875 | /10/35 |
| P55 | 694 to 703, 748 to 758, 803 to 806 | 2/10/35 |
| P60 | 630.125 to 697.875 | 2/10/35 |
| R52 | 794 to 806 | 2/10 |
| JB | 806 to 810 | 2/10 |
| X51 | 925 to 937.5 | 2/10 |
| X55 | 941 to 960 | 2/10/35 |
| Z16††† | 1240 to 1260 | 2/10/30 |
*With a gap between 608 to 614 MHz.
**With a gap between 608 to 614 MHz and a gap between 616 to 653 MHz.
***Power delivered to the antenna port.
†Operation mode varies according to region. In Brazil, High Density mode is used. The maximum power level for Peru is
10mW.
††Limited to 10mW for Indonesia.
†††Z16 for Japan only
△Output power limited to 10 mW above 608 MHz.
◇Korea defines power as conducted (ERP) which is 1dB less then declared in table.
K55 606-694 MHz
Country Code | Frequency Range |
| A, B, BG, CH, CY, CZ, D, DK, EST, F | * |
| FIN, GB, GR, H, HR, I, IRL, IS, L, LT | * |
| M, N, NL, P, PL, RO, S, SK, SLO, TR | * |
| all other countries | * |
* This equipment may be capable of operating on some frequencies not authorized in your region. See Licensing Information.
G56 470-636 MHz
| Country Code | Frequency Range |
| A, B, BG, CH, CY, CZ, D, DK, EST, F | * |
| FIN, GB, GR, H, HR, I, IRL, IS, L, LT | * |
| M, N, NL, P, PL, RO, S, SK, SLO, TR | * |
| all other countries | * |
* This equipment may be capable of operating on some frequencies not authorized in your region. See Licensing Information.
K57 606-790 MHz
Country Code | Frequency Range |
| A, B, BG, CH, CY, CZ, D, DK, EST, F | * |
| FIN, GB, GR, H, HR, I, IRL, IS, L, LT | * |
| M, N, NL, P, PL, RO, S, SK, SLO, TR | * |
| all other countries | * |
* This equipment may be capable of operating on some frequencies not authorized in your region. See Licensing Information.
LICENSING INFORMATION
Licensing: A ministerial license to operate this equipment may be required in certain areas. Consult your national authority for possible requirements. Changes or modifications not expressly approved by Shure Incorporated could void your authority to operate the equipment. Licensing of Shure wireless microphone equipment is the user’s responsibility, and licensability de pends on the user’s classification and application, and on the selected frequency. Shure strongly urges the user to contact the appropriate telecommunications authority concerning proper licensing, and before choosing and ordering frequencies.
Certifications
Certified under FCC Part 15 and FCC Part 74.
Certified by ISED in Canada under RSS-210.
FCC ID: DD4AD1G55, DD4AD1G57, DD4AD1K53, DD4AD1K54, DD4AD1X55. IC: 616A-AD1G55, 616A-AD1K53.
Meets essential requirements of the following European Directives:
- WEEE Directive 2012/19/EU, as amended by 2008/34/EC
- RoHS Directive EU 2015/863
Note: Please follow your regional recycling scheme for batteries and electronic waste
This product meets the Essential Requirements of all relevant European directives and is eligible for CE marking.
Hereby, Shure Incorporated declares that the radio equipment is in compliance with Directive 2014/53/EU. The full text of the
EU declaration of conformity is available at the following internet address: http://www.shure.com/europe/compliance
Authorized European representative:
Shure Europe GmbH
Headquarters Europe, Middle East & Africa
Department: EMEA Approval
Jakob-Dieffenbacher-Str. 12
75031 Eppingen, Germany
Phone: +49-7262-92 49 0
Fax: +49-7262-92 49 11 4
Email: [email protected]
Information to the user
This device complies with part 15 of the FCC Rules. Operation is subject to the following two conditions:
- This device may not cause harmful interference.
- This device must accept any interference received, including interference that may cause undesired operation.
Note: This equipment has been tested and found to comply with the limits for a Class B digital device, pursuant to part 15 of the FCC Rules. These limits are designed to provide reasonable protection against harmful interference in a residential installation. This equipment generates uses and can radiate radio frequency energy and, if not installed and used in accordance with the instructions, may cause harmful interference to radio communications. However, there is no guarantee that interference will not occur in a particular installation. If this equipment does cause harmful interference to radio or television reception, which can be determined by turning the equipment off and on, the user is encouraged to try to correct the interference by one or more of the following measures:
- Reorient or relocate the receiving antenna.
- Increase the separation between the equipment and the receiver.
- Connect the equipment to an outlet on a circuit different from that to which the receiver is connected.
- Consult the dealer or an experienced radio/TV technician for help.
Canada Warning for Wireless
This device operates on a noprotection, nointerference basis. Should the user seek to obtain protection from other radio ser vices operating in the same TV bands, a radio licence is required. For further details, consult Innovation, Science and Econom ic Development Canada’s document Client Procedures Circular CPC2128, Voluntary Licensing of LicenceExempt LowPow er Radio Apparatus in the TV Bands.
Ce dispositif fonctionne selon un régime de non
‑brouillage et de non
‑protection. Si l’utilisateur devait chercher à obtenir une
certaine protection contre d’autres services radio fonctionnant dans les mêmes bandes de télévision, une licence radio serait requise. Pour en savoir plus, veuillez consulter la Circulaire des procédures concernant les clients CPC ‑2 ‑1 ‑28, Délivrance de licences sur une base volontaire pour les appareils radio de faible puissance exempts de licence et exploités dans les bandes de télévision d’Innovation, Sciences et Développement économique Canada.
This device operates on frequencies shared with other devices. Consult the Federal Communications Commission White Space Database Administration website to determine available channels in your area prior to operation. This device contains licence exempt transmitter(s)/receiver(s) that comply with Innovation, Science and Economic Develop ment Canada’s licenceexempt RSS(s). Operation is subject to the following two conditions:
- This device may not cause interference.
- This device must accept any interference, including interference that may cause undesired operation of the device.
Menu Parameter Descriptions
From the Radio menu, navigate to Output.


















