emerio SDR-129285 Freestanding Refrigerator
SAFETY INSTRUCTIONS
Before use make sure to read all of the below instructions in order to avoid injury or damage, and to get the best results from the appliance. Make sure to keep this manual in a safe place. If you give or transfer this appliance to someone else make sure to also include this manual.In case of damage caused by user failing to follow the instructions in this manual the warranty will be void. The manufacturer/importer accepts no liability for damages caused by failure to follow the manual, a negligent use or use not in accordance with the requirements of this manual.
- Read and save these instructions. Attention: pictures in the instructions are for reference only.
- This appliance can be used by children aged from 8 years and above and persons with reduced physical, sensory or mental capabilities or lack of experience and knowledge if they have been given supervision or instruction concerning use of the appliance in a safe way and understand the hazards involved. Children shall not play with the appliance. Cleaning and user maintenance shall not be made by children without supervision.
- Children aged from 3 to 8 years are allowed to load and unload refrigerating appliances.
- If the supply cord is damaged, it must be replaced by the manufacturer, its service agent or similarly qualified persons in order to avoid a hazard.
- WARNING: Keep ventilation openings, in the appliance enclosure or in the built-in structure, clear of obstruction.
- Do not use mechanical devices or other means to accelerate the defrosting process, other than those recommended by the manufacturer.
- Do not damage the refrigerant circuit.
- Do not use electrical appliances inside the food storage compartments of the appliance, unless they are of the type recommended by the manufacturer.
- Do not store explosive substances such as aerosol cans with a flammable propellant in this appliance.
- This appliance is intended to be used in household and similar applications such as
- staff kitchen areas in shops, offices and other working environments;
- farm houses and by clients in hotels, motels and other residential-type environments;
- bed and breakfast type environments;
- catering and similar non-retail applications.
- WARNING: When positioning the appliance, ensure the supply cord is not trapped or damaged.
- Do not locate multiple portable socket outlets or portable power supplies at the rear of the appliance.
- To avoid contamination of food, please respect the following instructions:
- Opening the door for long periods can cause a significant increase of the temperature in the compartments of the appliance.
- Clean regularly surfaces that can come in contact with food and accessible drainage systems.
- Clean water tanks if they have not been used for 48h; flush the water system connected to a water supply if water has not been drawn for 5 days. (Only applicable to water dispenser and water inlet system.)
- Store raw meat and fish in suitable containers in the refrigerator, so that it is not in contact with or drip onto other food.
- Two-star frozen-food compartments are suitable for storing pre-frozen food, storing or making ice cream and making ice cubes.
- One-, two- and three-star compartments are not suitable for the freezing of fresh food.
- If the refrigerating appliance is left empty for long periods, switch off, defrost, clean, dry, and leave the door open to prevent mould developing within the appliance.
- This refrigerating appliance is not intended to be used as a built-in appliance.
- Climate class:
- Extended temperate (SN): ‘this refrigerating appliance is intended to be used at ambient temperatures ranging from 10°C to 32 °C’;
- Temperate (N): ‘this refrigerating appliance is intended to be used at ambient temperatures ranging from 16 °C to 32 °C’;
- Subtropical (ST): ‘this refrigerating appliance is intended to be used at ambient temperatures ranging from 16 °C to 38 °C’;
- Tropical (T): ‘this refrigerating appliance is intended to be used at ambient temperatures ranging from 16 °C to 43 °C’.
- This refrigerating appliance is not suitable for freezing foodstuffs.
- The appliance shall be placed away from the heat source and avoid direct sunlight so as not to affect its performance.
- Do not place unstable items (heavy objects or containers with water) on top of the appliance in case of damage to people or electric leakage.
- Do not store or use gasoline and other flammable materials around the appliance.
- Do not spray water on the appliance. Do not place the appliance in wet conditions. Otherwise, the performance of the electrical insulation will be influenced.
- The plug shall be pulled out when power failure or cleaning. Plug in the appliance at least 5 minutes later in case of the damage to the compressor.
- WARNING: Risk of fire / flammable materials.
- Regarding the information pertaining to the installation, handling, use, servicing, replacement of lamp (if applicable), cleaning and disposal of the appliance, thanks to refer to the below paragraph of the manual.
- It is hazardous for anyone other than authorized service personnel to carry out servicing or repairs which involves the removal of covers. To avoid the risk of an electric shock do not attempt to repair this appliance yourself.
- Do not use electrical appliances such as a hair dryer or heater to defrost your appliance.
- Containers with flammable gases or liquids can leak at low temperatures.
- Do not store any containers with flammable materials,such as spray cans, fire extinguisher refill cartridges etc. in the appliance.
- Do not place carbonated or fizzy drinks in the top right box. Ice lollies can cause “frost/freeze burns” if consumed straight from the appliance.
- Bottles and cans must not be placed in the top right box as they can burst when the contents freeze.
- The appliance is heavy. Care should be taken when moving it. It is dangerous to alter the specification or attempt to modify this product in any way.
- Do not store inflammable gases or liquids inside your appliance.
- WARNING: The refrigerant used in your appliance and insulation materials require special disposal procedures.
Electrical Connection
- The power cord of this appliance is equipped with a plug which meets with the standard of wall outlets to minimize the possibility of electrical shock.
- Under any circumstances, ensure that the power cord is grounded.
- This appliance is not designed to be used with an inverter.
- The cord should be secured behind the appliance and not left exposed or dangling to prevent accidental injury.
- Never unplug the appliance by pulling the power cord. Always grip the plug firmly and pull straight out from the receptacle.
- Do not use an extension cord with this appliance. If the power cord is too short, have a qualified electrician or service technician to install an outlet near the appliance. Use of an extension cord can negatively affect the performance of the unit.
- Improper use of the grounded plug can result in the risk of electrical shock. If the power cord is damaged, have it replaced by an authorized service center.
The freon-free refrigerant (R600a) and the foaming insulation material (cyclopentane) that is environmentally friendly are used for the refrigerator, causing no damage to the ozone layer and having a very small impact on the global warming.R600a is flammable, and sealed in a refrigeration system, without leakage during normal use. But, in case of refrigerant leakage due to the refrigerant circuit being damaged, be sure to keep the appliance away from open flames and open the windows for ventilation as quickly as possible.
STRUCTURE ILLUSTRATION

- Temperature control dial
- Cool box
- Drip tray
- Shelf
- Adjustable front foot
- Pocket/bottle racks
- Refrigerator compartment
Note: this combination of cool box, drip tray, shelf and racks results in the most efficient use of energy for this refrigerating appliance.
INSTALLATION
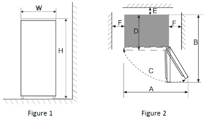
Choose a dry and well-ventilated place where there is no corrosive air. In order to improve efficiency of the cooling system and save energy, it is necessary to maintain good ventilation around the appliance for the dissipation of heat. For this reason, sufficient clear space should be available around the refrigerator.
Ventilation condition
Make sure the refrigerator is placed in an area with adequate ventilation and is not exposed to hot air. Do not locate the refrigerator near a heat source such as cooker, and avoid it from direct sunlight, thus guaranteeing the refrigeration effect while saving energy consumption. Do not locate the refrigerator in the damp place, so as to prevent the refrigerator from rusting and leaking electricity.
Heat dissipation space
When working, the refrigerator gives off heat to the surroundings. Therefore, at least 30mm of free space should be spared at the top side, more than 100mm on both sides, and above 50mm at the back side of the refrigerator.
Dimensions in mm
| W | D | H | A | B | C (°) | E | F |
| 470 | 447 | 496 | 800 | 874 | 130±5 | 50 | 100 |

Note: Figure 1 and Figure 2 only as a product space demand size schematic diagram.
Leveling the appliance
If the appliance is not level, the door and magnetic seal alignment will be affected and may cause the appliance to work incorrectly. Once the appliance is placed in its final location, adjust the leveling feet at the front by turning them.
Cleaning before use
Wipe the inside of the appliance with a weak solution of bicarbonate of soda. Then rinse with warm water using a damp sponge or cloth. Wash the shelf (shelves) in warm soapy water and dry them completely before replacing in the appliance.
Before plugging in
Check that you have a socket that is compatible with the plug supplied with the appliance.
Before switching on
DO NOT SWITCH ON UNTIL FOUR HOURS AFTER MOVING THE APPLIANCE.
The coolant fluid needs time to settle. If the appliance is switched off at any time, wait 30 minutes before switching back on to allow the coolant fluid to settle.
Before filling your appliance
Before storing foods in your appliance, turn the appliance on and wait for 24 hours, to make sure it is working properly and to allow the appliance to fall to the correct temperature.
START
Testing
Clean the parts of the appliance with lukewarm water containing a little neutral detergent and with clear water, and wipe them dry.
Notes: Electric parts of the appliance can only be wiped by dry cloth.
- Remark: turn the temperature control dial to position “4” to turn on the electricity. The compressor begins to work.
- Open the door 30 minutes later, if the temperature in the refrigerator decreases obviously, it shows that the refrigerator system works well.
Temperature control dial

- The temperature of the appliance can be adjusted by turning the temperature control dial.
- The thermostat can be set between 1 and 7.
- 1 is the warmest setting.
- 7 is the coldest setting.
- Set the dial to OFF to turn off the cooling function.
- Under the normal operating condition (in spring and autumn), it is recommended to set the temperature at 4.
- In summer when the ambient temperature is high, it is recommended to set temperature at 3-4 so as to guarantee the temperatures and reduce the refrigerator continuous running time; and in winter when the ambient temperature is low, it is recommended to set temperature at 5-6 to avoid frequent start/stop of the refrigerator.
Notes
- The temperatures may vary with respect to setting ones due to compressor cycles and outside conditions.
- The temperature will impact the storage time of food. Set the temperature as necessary. Warmer will accelerate food spoilage and colder will freeze food bad. Thus, food to be wasted.
STORAGE OF FOOD
Your appliance has the accessories as the “Structure illustration” showed in general, with this part instruction you can have the right way to storage your food.
Note: Food is not allowed to touch directly all surfaces inside the appliance. It has to be wrapped separately in aluminum sheet or in cellophane sheet or in airtight plastic boxes.
Storing food in the refrigerator compartment
The refrigerator compartment helps to extend the storage times of fresh perishable foods.
Fresh food care for best results:
- Store foods that are very fresh and of good quality.
- Ensure that food is well wrapped or covered before it is stored. This will prevent food from dehydrating, deteriorating in color or losing taste and will help maintain freshness. It will also prevent odor transfer. Vegetables and fruit don’t need to be wrapped.
- Make sure that strong smelling foods are wrapped or covered and stored away from foods such as butter, milk and cream which can be tainted by strong odors.
- Cool hot foods down before placing them in the refrigerator compartment.
- Proper place should be left instead of too crowded during food storage.
Tips
Take extra care with meat and fish
Cooked meats should always be stored on a shelf above raw meats to avoid bacterial transfer. Keep raw meats on a plate which is large enough to collect juices and cover it with cling film or foil.
Leave space around food
This allows cold air to circulate around, ensuring all parts of the appliance are kept cool.
Pre-cooked food should be cooled properly
Allow pre-cooked food to cool down before placing in the appliance. This will help to stop the internal temperature of the appliance from rising. Keep for only 1-2 days.
Shut the door
To prevent cold air escaping, try to limit the times you open the door. When returning from shopping, sort foods to be kept in your appliance before opening the door. Only open the door to put food in or take it out.
Where to store your foods in the appliance

Cool area
This is where to store foods which will keep longer if they are kept cool. Milk, eggs, yogurt, fruit juices, hard cheeses e.g. Cheddar. Opened jars and bottles of salad dressings, sauces and jams. Fats, e.g. butter, margarine, low-fat spreads, cooking fats and lard.
Coldest area
This is where foods which must be cold to keep them safe should be kept:
- Raw and uncooked foods should always be wrapped.
- Pre-cooked chilled foods, e.g. ready meals, meat pies, soft cheeses.
- Pre-cooked meats e.g. ham.
- Prepared salads (including pre-packed mixed green salads, rice, potato salad etc.).
- Desserts, e.g. fromage frais and cream cakes. Home-prepared food and leftovers.
NOTE: Always wrap and store raw meat, poultry and fish on the lowest shelf at the bottom of the appliance.
This will stop them dripping onto, or touching other foods. Do not store inflammable gasses or liquids in the appliance. Most pre-packed foods have a recommended ‘use by /best before/best by/’ date stamped on them. Store them in the appliance and use within the recommended time.
SWITCHING OFF YOUR APPLIANCE
If the appliance needs to be switched off for an extended period, the following steps should be taken to prevent mould on the appliance.
- Remove all food;
- Remove the power plug from the mains socket;
- Clean and dry the interior thoroughly;
- Ensure that the door is wedged open slightly to allow air to circulate.
WE RECOMMEND THAT YOU FOLLOW THE TIPS BELOW TO SAVE ENERGY
- Try to avoid keeping the door open for long periods in order to conserve energy.
- Ensure the appliance is away from any sources of heat (Direct sunlight, electric oven or cooker etc.)
- Don’t set the temperature colder than necessary.
- Don’t store warm food or evaporating liquid in the appliance.
- Place the appliance in a well ventilated, humidity free room.
- Do not overcrowd the refrigerator or block cold air vents. Doing so causes the refrigerator to run longer and use more energy. The shelf (shelves) should not be lined with aluminum foil, wax paper or paper toweling, because this will interfere with the cold air circulation, making the refrigerator less efficient so as to cause food spoilage.
DEFROSTING
After the refrigerator has been working for a period of time, frost may form on the surface of the evaporator, thus affecting the cooling effect and increasing electricity consumption. When the frost is too thick, defrosting should be carried out. Cut off the power and open the refrigerator door to let the temperature inside rise naturally. Once the accumulated frost melts, the water will drip onto the drip tray. Please pour out the water from the drip tray promptly. Use a dry cloth to wipe off the remaining icy water. Plug in and turn on the appliance.
SERVICING
- This product should be serviced by an authorized engineer and only genuine spare parts should be used.
- Under no circumstances should you attempt to repair the appliance yourself.
- Repairs carried out by inexperienced persons may cause injury or serious malfunction. Contact the local store where your purchase was made.
- When the appliance is not in use for long periods, disconnect from the electricity supply, empty all foods and clean the appliance, leaving the door ajar to prevent unpleasant smells.
CLEANING AND CARE
For hygienic reasons the appliance (including exterior and interior accessories) should be cleaned regularly at least every two months.
WARNING: The appliance must not be connected to the mains during cleaning. Danger of electrical shock! Before cleaning, switch the appliance off and remove the plug from the mains socket.
Exterior cleaning
- To maintain good appearance of your appliance, you should clean it regularly.
- Spray water onto the cleaning cloth instead of spraying directly on the surface of the appliance. This helps ensure an even distribution of moisture to the surface.
- Clean the doors, handles and cabinet surfaces with a mild detergent and then wiped dry with a soft cloth.
Caution: Don’t use sharp objects as they are likely to scratch the surface. Don’t use Thinner, Car detergent, Clorox, ethereal oil, abrasive cleansers or organic solvent such as Benzene for cleaning. They may damage the surface of the appliance and may cause fire.
Interior cleaning
You should clean the appliance interior regularly. It will be easier to clean when food stocks are low. Wipe the inside of the appliance with a weak solution of bicarbonate of soda, and then rinse with warm water using a wrung-out sponge or cloth. Thoroughly dry all surfaces and removable parts.
Door seals cleaning
Take care to keep door seals clean. Sticky food and drinks can cause seals to stick to the cabinet and tear when you open the door. Wash seal with a mild detergent and warm water. Rinse and dry it thoroughly after cleaning.
Caution: Only after the door seals are completely dry should the appliance be powered on.
DOOR REVERSE
Users can change the direction of opening according to one’s own needs. The concrete operating sequence is as follows: (The pictures below are for the guideline to reverse the door. The appearance of the appliance may be different from the product you purchased.)
- Make sure that your refrigerator is unplugged.
- Remove the hinge cover and upper hinge from the top right side of the cabinet. Remove the screw hole cover from the top left side of the cabinet.

- Remove the refrigerator compartment door from the cabinet.
- Remove the screws that secure the lower hinge on the right side of the cabinet, then remove the hinge. Remove the adjustable foot on the left side.

- Remove the adjustable foot on the lower hinge shaft, and remove the washer and nut.

- Turn the lower hinge by 180°.

- Install the washer and nut into the hole on the pin shaft, and then install the adjustable foot.

- Install the lower hinge on the left side of the cabinet. Install the adjustable foot at the right.

- Remove the screw that secures the door stop from the bottom right of the refrigerator door, then remove the door stop and install to the bottom left side.
- Install the refrigerator door.

- Move the door bushing from the top right side of the refrigerator door to the top left side of the door. Move the left hole cover to the right side.

- Secure the upper hinge to the top left side of the cabinet with the three screws you removed previously. Before you tighten the upper hinge screws, make sure that the top of the door is level with the cabinet and that the rubber gasket makes a good seal.
Simple fault analysis and elimination
With regard to the following small faults, not every failure needs to be fixed by the technical service personnel; you can try to solve the problem.
| Case | Inspection | Solutions |
|
Completely non- refrigeration |
|
|
| Abnormal noise |
|
|
|
Poor refrigerating efficiency |
|
|
| Peculiar smell in refrigerator |
|
|
TECHNICAL SPECIFICATIONS
| Rated voltage: | 220-240V~ |
| Rated current: | 0.4A |
| Rated frequency: | 50Hz |
| Climate class: | N/ST |
| Refrigerant: | R600a(15g) |
| Protection against electrical shock: | I |
| Insulation blowing gas: | Cyclopentane |
| Noise level | 39 dB(A) |
Climate class
- Extended temperate (SN): ‘this refrigerating appliance is intended to be used at ambient temperatures ranging from 10°C to 32 °C’;
- Temperate(N): ‘this refrigerating appliance is intended to be used at ambient temperatures ranging from 16 °C to 32 °C’;
- Subtropical (ST): ‘this refrigerating appliance is intended to be used at ambient temperatures ranging from 16 °C to 38 °C’;
- Tropical(T): ‘this refrigerating appliance is intended to be used at ambient temperatures ranging from 16 °C to 43 °C’;
Note: Given the limit values of the ambient temperature range for the climate classes for which the refrigerating appliance is designed and the fact that the internal temperatures could be affected by such factors as location of the refrigerating appliance, ambient temperature and the frequency of door opening, the setting of any temperature control device might have to be varied to allow for these factors, if appropriate. When operating in an environment other than the specified climate type (i.e., beyond the rated ambient temperature range), the appliance may not be able to maintain the desirable compartment temperatures.
Note: More data information, please scan the QR code on the energy label.
GUARANTEE AND CUSTOMER SERVICE
Before delivery our devices are subjected to rigorous quality control. If, despite all care, damage has occurred during production or transportation, please return the device to your dealer. In addition to statutory legal rights, the purchaser has an option to claim under the terms of the following guarantee: For the purchased device we provide 2 years guarantee, commencing from the day of sale. If you have a defective product, you can directly go back to the point of purchase.
Defects which arise due to improper handling of the device and malfunctions due to interventions and repairsby third parties or the fitting of non-original parts are not covered by this guarantee. Always keep your receipt, without the receipt you can’t claim any form of warranty. Damage caused by not following the instruction manual, will lead to a void of warranty, if this results in consequential damages then we will not be liable. Neither can we hold responsible for material damage or personal injury caused by improper use or if the instruction manual are not properly executed. Damage to accessories does not mean free replacement of the whole appliance. In such case please contact our service department. Broken glass or breakage of plastic parts is always subject to a charge. Defects to consumables or parts subjected to wearing, as well as cleaning, maintenance or the replacement of said parts are not covered by the warranty and are to be paid. The guarantee period of the spare parts is 2 years. If you need replacement, please contact our customer service.
ENVIRONMENT-FRIENDLY DISPOSAL
Recycling: European Directive 2012/19/EU
This marking indicates that this product should not be disposed with other household wastes. To prevent possible harm to the environment or human health from uncontrolled waste disposal, recycle it responsibly to promote the sustainable reuse of material resources. To return your used device, please use the return and collection systems or contact the retailer where the product was purchased. They can take this product for environmental safe recycling.
Warnings for disposal
Refrigerant and cyclopentane foaming material used for the refrigerator are flammable. Therefore, when the refrigerator is scrapped, it shall be kept away from any fire source and be recovered by a special recovering company with corresponding qualification other than be disposed by combustion, so as to prevent damage to the environment or any other harm. When the refrigerator is scrapped, disassemble the doors, and remove gasket of door and shelves; put the doors and shelves in a proper place, so as to prevent trapping of any child.
Customer service
For professional repair and ordering spare parts, please contact our customer service.
- Emerio B.V.
- Oudeweg 115 2031 CC Haarlem The Netherlands
- T: +31 (0) 23 3034369
- www.emerio.eu/service
Looking for spare parts? Have a look at: www.spareparts.emerio.eu



























