ggmgastro NKJ4 Noodle Cooker

NKJ4

- Body
- Wire
- Foot
- Light
- Water valve
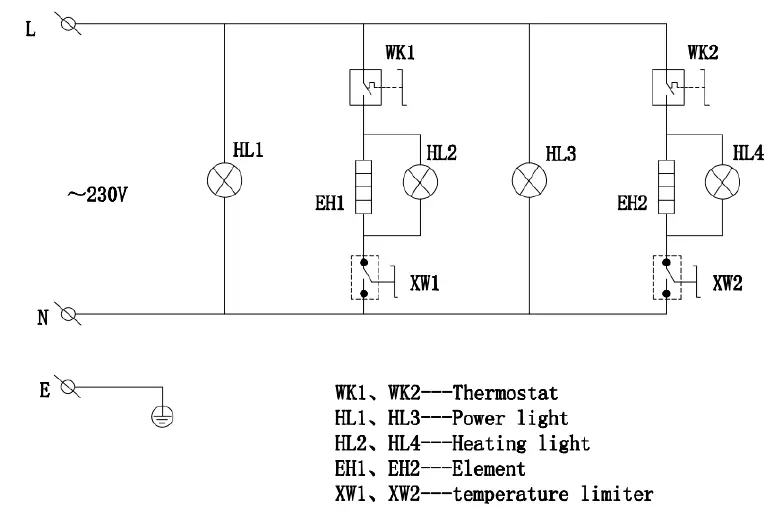
- Thermostat
- Water tank
- Noodle net
- Supporting board
NKJ6

- Body
- Wire
- Foot
- Light
- Water valve
- Thermostat
- Water tank
- Noodle net
- Supporting board
| Model | Size(mm) | Voltage(V) | Power(w) | N.W.(KG) |
| NKJ4 | 565*420*345 | 230 | 3000 | 12.5KG |
| NKJ6 | 565*600*345 | 230 | 3000 | 15.5KG |
Safety precautions
The following safety precautions must be observed when using this machine:
- Please read the manual carefully before using the machine.
- Please don’t share the same socket with other high power electrical appliance so as to avoid over power load or other hazards.
- The surface of this machine is very hot when the machine is at work or shortly after its being used, so please keep away from the hot part to avoid any burn.
- Be more careful when using this machine with any children beside! Small children are prohibited from using this machine alone. It must be placed at a location inaccessible to children.
- This machine must not be used without being taken care of.
- The power line must not contact any sharp articles or any surface of high temperature so as to prevent it from being damaged.
- The power line and plug shall be often examined to see if they are damaged. In case of any damage to them, they shall be stopped from being used, and must be repaired or replaced by a professional technician.
- Don’t damage, overly bend, draw or twist the power line. No heavy article shall be placed on it and it must not be clamped.
- Please turn the temperature controller to “0” and pull out the plug after the machine is used so as to prevent any electric leakage or shock due to the insulation aging.
- This machine shall be placed at a dry, clean and well ventilated place. It must be placed horizontally and steadily.
- The machine must be grounded reliably and the leakage switch shall be properly installed to protect personal safety; otherwise, it must not be used.
- Please pull out the plug and wait until the machine cools down before moving, inspecting or cleaning it.
- Don’t insert or pull out the switch with a wet hand so as to avoid electric shock hazard.
Notes for the first use
- Please read the manual carefully.
- Check if all switches are at the OFF position.
- Check if the accessories are complete.
- Please tear off the protective films on the surfaces of the machine and brush away the anti rust oil with a dry towel.
Notes
- Transportation and storage
During the transportation, this machine must be handled with care, and must not be placed upside down to prevent any damage to the cover or internal part of the product. The packed hamburger machine shall not be stored in the open air for a long time; instead, it shall be placed in a warehouse with good ventilation but without corrosive gas. In case of temporary storage, proper measures shall be adopted to protect it from rains. - Notes for installation
- The supply voltage must coincide with the service voltage of this equipment.
- Upon installation, we shall examine whether there is any looseness of all connecting lines, whether the voltage is normal, and whether the safety grounding is reliable.
- This equipment shall be placed in a steady place, with 10cm away from any incombustible matters on both sides, while its back shall be 20cm or farther from any incombustible matters, such as wall bricks or windows.
- The fixed wiring connecting with this equipment must be equipped with an all pole disconnection switch as per the rule of wiring, and each pole on the switch shall have a contact separation of at least 3mm. It is suggested that an earth leakage circuit breaker should be grounded. No sundries shall be piled in front of the switch to ensure the convenient operation of the switch.
- No flammable and explosive articles are allowed to be stored near the location of installation. The environmental temperature shall be lower than 45℃, while the relative humidity below 85%.
- The electrical connection, installation and reparation of this equipment shall be operated by a professional technician.
Cleaning and maintenance
- Before and after the hamburger machine is used, you must clean the surfaces of the working table so as to prevent any oil stain or charred chips left thereon.
- Before such cleaning, you must shut off the power supply and stop heating. You may do it after it cools down.
- Upon completion of work every day, you can scrub the surfaces of the machine and the power line with a wet towel which contains no corrosive cleaner before cleaning it with a piece of dry cloth. No jet water course is used for directly washing the machine so as to prevent any water from permeating it and damaging its electrical performance, as well as any accident in association with electricity. It is prohibited to scratch or shovel the heating plate with a hard object.
- The power switch must be turned off whenever the machine is not in operation.
- In case of not being in operation for a long period, the plate for pancake must be cleaned and then placed in a warehouse with good ventilation and without corrosive gas.
Breakdowns analysis and fixing
| Fault phenomenon | Causes | Elimination methods |
| The heating indicator light is on, but the temperature does not rise after the power is switched on. | 1. The temperature controller has been damaged; 2. The heat generating line has been burnt out. | 1. Replace the temperature controller; 2. Replace the damaged heat generating line. |
| The heating indicator light is on, but the temperature rise cannot be controlled after switching on and rotating the temperature controller. | 1. The temperature controller fails. | 1. Replace the temperature controller. |
| The heating is normal, but the indicator light is not on after the power is switched on. | 1. The indicator light has been damaged. | 1. Replace the indicator light. |
| The indicator light is not on, nor does it produce any heat. | 1. The power supply is abnormal, or the power has not switched on. 2. The fuse has been burned out. | 1. Check the power supply and the connecting lines to see if the power supply is normal. 2. Replace the fuse. |
The breakdowns listed above are for reference only. In case of any breakdown, the machine shall be stopped from being used, and a prompt notice shall be dispatched to the professional technician for inspecting and repairing the machine!!!

NKJ4

Exploded drawing
NKJ4

| No. | Spare parts name |
| 1 | Noodle net |
| 2 | Net stand board |
| 3 | Element cover |
| 4 | Element |
| 5 | Water tank |
| 6 | Body |
| 7 | Connection terminal |
| 8 | Line clamp |
| 9 | Wire |
| 10 | Foot |
| 11 | Bottom sealing board |
| 12 | Light(Orange) |
| Light (Green) | |
| 13 | Water valve |
| 14 | knob |
| negative | |
| Thermostat | |
| 15 | Temperature limiter |
GGM Gastro International GmbH Weinerpark 16, 48607 Ochtrup www.ggmgastro.com



















