Applied Motion Products 3540M Step Motor Driver User Guide
SETUP


Connecting the Power Supply

Connecting the Motor
STEP motors have 4, 6 or 8 leads , these are wired to 4 connections on the drive in various combinations.
Motors will perform differently according the way it is connected, to find out more about the different way of connecting your motor , see the technotes or FAQs on our website
6 Leads Center Tap Connected
6 Leads Series Connected
8 Leads Parallel Connected
8 Leads Series Connected
Warning: When connecting the motor to the driver, be sure that the motor power supply is off. Secure any unused motor leads so that they can’t short to anything. Never disconnect the motor while the drive. Never connect motor leads to ground or to a power supply!
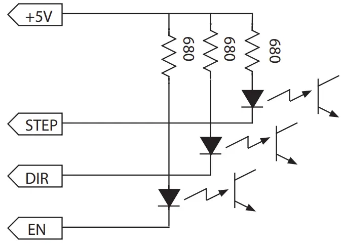
Connecting Logic
A schematic diagram of the input circuit is shown below.
You must supply 5 volts DC to supply current to the LEDs on the input side of the opto-isolators. The maximum current draw is 15 mA total.
Your controlling logic must be capable of sinking at least 5 mA to control each drive input. Most CMOS and open collector TTL devices are directly compatible with this drive.
Logic low, or 0, for a given input occurs when that input is pulled to less than 0.8 volts DC.
In this state the LED is conducting current.
Logic high, or 1, occurs when the input is greater than 4 volts or open.
STEP tells the driver when to move the motor one step. The drive steps on the falling edge of the pulse. The minimum pulse width is 0.5 microseconds.
DIRECTION signals which way the motor should turn.
ENABLE allows the user to turn off the current to the motor by setting this signal to logic 0. If you have no need to disable the amplifiers, you don’t need to connect anything to the ENABLE input.
Using Logic Voltages other than 5 volts DC
The 3540 M was designed to be used with 5 volt CMOS and TTL logic signals.
The LEDs require at least 5 milliamps of current to turn on, but cannot stand more than 20 mA. Since the LEDs themselves only drop about two volts, current limiting resistors must be used on each logic input.
We have included the proper resistor (680 ohms) within the drive for 5 volt operation. Therefore, if your logic voltage is 5 volts, you do not need to add resistors externally.
If your logic voltage is higher than five volts, you must add a resistor in series with each signal that you use (STEP, DIR and EN). The recommended wiring diagram is shown below. Table I lists the appropriate resistor value to use for a given power supply voltage. 1/4 watt or larger resistors should be used.
Please take care not to reverse the wiring, as damage to the LEDs will result rendering the drives inoperable.
Check your wiring carefully before turning on the power supply
Note: DIR signal is only required for bidirectional motion.
EN signal is only required to shut off motor current.
Both inputs can be left open if not needed.
| Table I: External Dropping Resistors | |||||
| Supply Voltage | R Ohms | Supply Voltage | R Ohms | Supply Voltage | R Ohms |
| 12 | 1200 | 21 | 3000 | 30 | 4700 |
| 15 | 1800 | 24 | 3600 | 33 | 5100 |
| 18 | 2400 | 27 | 4200 | 35 | 5600 |
Setting Phase Current
Locate the bank of tiny switches near the motor connector. Four of the switches have a value of current printed next to them, such as 0.4 and 0.8.
Each switch controls the amount of current, in amperes (A), that its label indicates. There is always a base of current of 0.4 A. To add to that, slide the appropriate switches toward their labels on the PC board. You may need your small screwdriver for this.
Example
Suppose you want to set the driver for 2.2 amps per phase. You need the 0.4 A base current plus another 1.6 and 0.2 A. 2.2 = 0.4 + 1.6 + 0.2 Slide the 1.6 and 0.2 A switches toward the labels as shown in the figure.
Micro Stepping
Most step motor drives offer a choice between full step and half step resolutions. Inmost full step drives, both motor phases are used all the time. Half stepping divides each step into two smaller steps by alternating between both phases on and one phase on. Micro stepping drives like the 3540 M precisely control the amount of current in each phase at each step position as a means of electronically subdividing the steps even further. The 3540 M offers a choice of half step and 3 micro step resolutions. The highest setting divides each full step into 64 micro steps, providing 12,800 steps per revolution when using a 1.8° motor. In addition to providing precise positioning and smooth motion, micro step drives can be used to provide motion in convenient units. When the drive is set to 2000 steps/rev (1/10 step) and used with a 5 pitch lead screw, you get .0001 inches/step. Setting the step resolution is easy. Look at the dip switch on the 3540 M. Next to switches 2 and 3, there are labels on the printed circuit board. Each switch has two markings on each end. Switch 2 is marked 1/5, 1/10 at one end and 1/5, 1/64 at the other. Switch 3 is labeled 1/2, 1/5 and 1/10, 1/64. To set the drive for a resolution, push both switches toward the proper label. For example, if you want 1/10 step, push switch 2 toward the 1/10 label (to the left) and push switch 3 toward 1/10 (on the right). Please refer to the table below and set the switches for the resolution you want.
| 400 STEPS/REV (HALF) | ![]() |
| 1000 STEPS/REV (1/5 | ![]() |
| 2000 STEPS/REV (1/10) | ![]() |
| 12800 STEPS/REV (1/64) | ![]() |
Idle Current Reduction
Your drive is equipped with a feature that automatically reduces the motor current by 50% anytime the motor is not moving. This reduces drive heating by about 50% and lowers motor heating by 75%. This feature can be disabled if desired so that full current is maintained at all times. This is useful when a high holding torque is required. To minimize motor and drive heating we highly recommend that you enable the idle current reduction feature unless your application strictly forbids it. Idle current reduction is enabled by sliding switch #4 toward the 50% IDLE label, as shown in the sketch below. Sliding
the switch away from the 50% IDLE label disables the reduction feature
- Idle Current Reduction Selected

- No Current Reduction

Self Test
The 3540 M includes a self test feature. This is used for trouble shooting. If you are unsure about the motor or signal connections to the drive, or if the 3540 M isn’t responding to your step pulses, you can turn on the self test.
To activate the self test, slide switch #1 toward the TEST label.
The drive will slowly rotate the motor, 1/2 revolution forward, then 1/2 rev backward.
The pattern repeats until you slide the switch away from the TEST label.
The 3540 M always uses half step mode during the self test, no matter how you set switches 2 and 3. The self test ignores the STEP and DIRECTION inputs while operating. The ENABLE input continues to function normally.
- Self Test ON

- Self Test OFF

Choosing a Power Supply
To find out how to choose a power supply refer to the tech notes on our website.
Mounting the Drive

To operate the drive continuously at maximum power you must properly mount it on a heat sinking surface with a thermal constant of no more than 4°C/watt. Often, the metal enclosure of your system will make an effective heat sink.
Technical Specifications
- Amplifiers
Dual, bipolar MOSFET H-bridge, pulse width modulated three state switching at 20kHz. 12-42 VDC input. 0.4 – 3.5 amps/phase output current, switch selectable in 0.1A increments. 122 watts maximum output power. Automatic idle current reduction (switch selectable), reduces current to 50% of setting after one second. - Inputs
Step, direction and enable, optically isolated, 5V logic. 5mA/signal, sink requirement. Motor steps on rising edge of step input. 0.5 μsec minimum pulse width. 2 μsec minimum set up time for direction signal. - Physical
Mounted on 1/4 inch thick black anodized aluminum heat transfer chassis. 1.5 x 3.0 x 4.0 inches overall. Power on red LED. See drawing on page 14 for more information. Maximum chassis temperature: 70°C. - Connectors
European style screw terminal blocks. Max wire size: AWG 18. Motor: 4 position (A+, A-, B+, B-) Signal Input: 4 position (+5, STEP, DIR, EN) DC Input: 2 position (V+, V-) - Self Test
Switch selectable, rotates motor 1/2 revolution each direction at 100 steps/second, half step mode. - Micro stepping
Four switch selectable step resolutions. With 1.8¡ motor: Half step (400 steps/rev)
1/5 step (1000 s/r)
1/10 step (2000 s/r)
1/64 step (12,800 s/r)
Other resolutions, up to 12,800, available to qualified OEMs upon request.
Complies with EN55011A and EN50082-1(1992).
Customer Support
Applied Motion Products
18645 Madrone Pkwy Morgan Hill, CA 95037
800-525-1609 | applied-motion.com



























