LiftMaster 771EV / PEC-0003 Photocells

WARNING:
Non-compliance with the checking and adjustment requirements for the safety reverse system can result in a closing door causing serious, life-threatening injuries. An appropriate test should be carried out and repeated on a monthly basis. If necessary, the sensors need to be readjusted.
INSTALLATION
GARAGE DOORS:
The transmitter lens transmits an invisible beam of light to the receiver lens. When the light beam is interrupted during the closing process, the door stops and re-opens completely. This installation method is the same for vertically opening sectional doors and canopy doors. The CB3 control unit permits the connection of two pairs of light barriers (opening & closing). In such cases, one pair of sensors can be installed at the sides of the door on both the inside and outside (fig. 3). However, the sensors must be mounted and connected in such a way that the transmitter and receiver lens are located exactly opposite each other as shown in (fig. 3). The sensors must be mounted securely to a solid surface, such as the posts or wall on both sides of the door. The invisible beam of light may not be interrupted. No part of the garage door (e.g. door rails, springs, hinges, rollers, other hardware, etc.) may interrupt the beam during the closing process. If this is not possible, an upright column element (accessory) has to be ordered. For the protection of infants and small children, the safety light barrier should not be installed higher than 150mm-200mm above the garage floor.

SWINGING DOORS – SLIDING DOORS
The transmitter lens transmits an invisible beam of light to the receiver lens. When the light beam is interrupted during the closing process, the door stops and re-opens completely. When the light beam is interrupted during the opening process, the door stops completely or stops until such time as the beam is no longer interrupted (depending on the given control unit and adjustment settings). The control units permit the connection of several pairs of light barriers. The sensors must be mounted securely to a solid surface and be located exactly opposite each other. Very important to note in this connection is that the slope or inclination of entrances be given due consideration. Cable lengths in excess of 10m should be avoided. Light from a low sun or excessively thin cable can seriously restrict the range available. If two pairs of light barriers are mounted closely together (sliding door), the receiver/transmitter may not be located on the same side of the entrance as otherwise one transmitter lens would influence the two receiver lens. For the protection of infants and small children, the safety light barrier should not be installed higher than 200mm-250mm above the garage floor.
ASSEMBLY/MOUNTING
The power supply must be disconnected prior to assembling/mounting the safety light barrier.
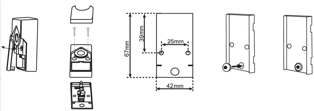
- Open housing as shown in fig. 1.

- Align sensor such that the lens are located laterally to the door and point exactly at each other.
- Fasten sensors in place with screws / plugs.
- Inside the garage, use insulated staples to fasten the cable to the wall and ceiling. Outdoors, only use cable approved for such applications and, if necessary, run it through an empty tube. High voltage and low voltage may not be run together through one cable as this may disrupt the sensors. Ensure that the sensors are sufficiently watertight and that the rubber gasket is used for cable connections.
- Connect the cable (min. 2 x 0.25mm²) to the terminals as shown depending on the given control unit (figs a-h).


- Garage door openers: Select the model of your choice from the figs (a-h). The cable from the plus terminal on the sensor should be connected to terminal 3 (black). The other one should be connected to terminal 2 (white).
- Openers for swinging doors and sliding doors: Select the model of your choice from the figs (i-o) and connect the cable as shown. Connect plus/plus – minus/minus.


- Connect power supply to opener.
- The two indicators, both in the transmitter lens and the receiver lens should light up if the terminal connections and alignment are correct.
- Should the light indicators flash (if the invisible light beam is blocked), the sensors need to be aligned. Loosen the receiver lens housing such that the sensor can be moved slightly. Adjust the sensor vertically and/or horizontally until the red indicator lights up and stops flashing. Washers or the like may have to be fitted.
- CHECKING THE SAFETY LIGHT BARRIER
- Press the key on the remote control or the switch for opening the door.
- Place a sufficiently large obstacle under the door (see fig. 2 as an example) such that the sensor beam in the doorway is interrupted.
- Press the key on the remote control or the switch for closing the door. The garage door opener/door does not close when activated via the remote control if the light indicator in one of the sensors is flashing (which means that the sensor is incorrectly aligned or blocked by anobstacle).
Consult a specialist in cases where the opener closes the door despite its path being blocked by an obstacle.

TROUBLESHOOTING
- In cases where the transmitter or receiver indicator light does not light up after installation, please check the following:
- Power supply to opener.
- Short circuit in the cable. This can occur under fasteners or at the connection terminals.
- Incorrect cable connection between sensor and opener.
- Interruption of circuit (interrupted connection).
- Polarity of cable wrong way round.
- In cases where both sensors are flashing:
- Align sensors or remove obstacle.
The packaging must be disposed of in the local recyclable containers. According to the European Directive 2002/96/EC on waste electrical equipment, this device must be properly disposed of, after usage in order to ensure a recycling of the materials used. Old accumulators and batteries may not be disposed of in the household waste, since they contain pollutants and must be properly disposed of in municipal collection points or in the containers of the dealer provided. Country-specific regulations must be observed.
You must ensure that the signal from the light barrier recognises the presence of persons or objects (vehicle).
Without additional safety precautions, the sensors do not guarantee total safety.
| Safety class: | IP44 |
| Temperature range: | – 40°C + 60°C |
| Current consumption: | max. 20mA |
| Range: | 10m |
The product is in compliance with the essential requirements and other relevant provisions of the Directives 2014/30/EU. The CE Declaration of Conformity can be obtained from [email protected]























