honeywell AQ3STF Sulfur Dioxide Gas so2 Sensor

DOCUMENT PURPOSE
The purpose of this document is to provide indicative, technical performance data for the AQ3STF gas sensor to assist in the integration of the sensor into gas detection instrumentation. The sensor has been subjected to a testing program as part of the development process. Within this document, detailed information on the results of this program is presented. All data has been taken from equipment using a +5 Vdc power supply. This document and the information contained within does not constitute a specification. The data is provided for informational purposes only and is not warranted by the manufacturer. It should be used in conjunction with the AQ3 Product Datasheet, Operating Principles(OP20) and the Product Safety Datasheet (PSDS 19).
NOTICE
- Ensure the sensor is powered on for a minimum of 24 hours before use.
- Sensor may experience higher failure risk when continuously exposed to 90 %RH/50ºC for > 168 hours.
- All baseline tests are performed under clean dry air instead of ambient air.
Characterization Note
THE GAS RESPONSE CURVE
- The data in Figure 1 shows a typical response curve for the AQ3STF.
- Test data was taken from current production at the time of release of this document, and reflects the typical performance of a production batch at this time.
- The data in Figures 2 and 3 shows typical response and recovery profiles based on the data above.
Figure 1. AQ3STF Gas Response and Recovery Profile

Figure 2. AQ3STF Gas Response Profile

Figure 3. AQ3STF Gas Recovery Profile

LINEARITY
The data in Figure 4 shows the typical linearity performance of the AQ3STF gas sensor when subjected to differing Sulfur Dioxide concentrations which is
0 ppb to 1000 ppb. The presented results reflect the performance of a typical production batch. Across typical measurement ranges for atmospheric monitoring, the sensor can often be considered linear.
Figure 4. Output Linearity from 0 ppb to 1000 ppb

| Applied Concentration (ppb) | 0 | 20 | 40 | 80 | 100 | 200 | 400 | 500 | 800 | 1000 |
| Measured concentration (ppb) | 0 | 18 | 39 | 79 | 99 | 201 | 400 | 499 | 799 | 1000 |
TEMPERATURE CHARACTERISTICS
Variation of Sensitivity with Temperature
The sensitivity of the AQ3STF Series gas sensor will vary as a function of ambient temperature. The data in Figure 5 shows the typical output performance across the operating temperature range and is presented normalized to the 20°C value with clean air. For instruments that are expected to function across a wide range of ambient temperatures. Honeywell recommends that an electronic compensation algorithm is used to ensure maximum accuracy. The presented results reflect the performance.
Figure 5. Sensitivity vs. Temperature without Compensation

| Temperature (°C) | -20 | -10 | 0 | 10 | 20 | 30 | 40 | 50 |
| +3SD (equivalent to 99.7% confidence) | 90 | 94 | 97 | 100 | 100 | 107 | 108 | 113 |
| +2SD (equivalent to 95% confidence) | 88 | 92 | 96 | 99 | 100 | 106 | 106 | 109 |
| Mean (%) | 82 | 88 | 93 | 96 | 100 | 102 | 102 | 101 |
| -2SD (equivalent to -95% confidence) | 76 | 84 | 90 | 94 | 100 | 99 | 99 | 92 |
| -3SD (equivalent to -99.7% confidence) | 74 | 83 | 88 | 93 | 100 | 97 | 97 | 88 |
Characterization Note
Variation of SO2 reading with Temperature after Compensation
To ensure maximum accuracy, an electronic compensation algorithm is being used for above result. The Data in Figure 6 shows the AQ3STF reading performance across the operating temperature range after compensation.
Figure 6. SO2 Reading vs Temperature after Compensation

| Temperature (°C) | -20 | -10 | 0 | 10 | 20 | 30 | 40 | 50 |
| +3SD (equivalent to 99.7% confidence) | 449 | 427 | 424 | 418 | 411 | 425 | 434 | 450 |
| +2SD (equivalent to 95% confidence) | 429 | 417 | 415 | 410 | 407 | 417 | 424 | 433 |
| Mean (%) | 387 | 397 | 398 | 393 | 399 | 401 | 403 | 399 |
| -2SD (equivalent to -95% confidence) | 346 | 376 | 382 | 377 | 391 | 385 | 382 | 365 |
| -3SD (equivalent to -99.7% confidence) | 325 | 366 | 373 | 368 | 387 | 377 | 372 | 348 |
Baseline Offset with Temperature after Compensation
The electrical output in the absence of target gas (baseline offset) of the AQ3STF will vary as a function of the ambient temperature . The data on the right shows typical AQ3STF performance across the operating temperature range, for sensors calibrated at 20°C with clean air. Although the variation is relatively small, Honeywell recommends the use of offset correction factors so as to minimize inaccuracies in the span measurement. The presented results are being compensated with correction factors. You may find the correction factors in the note on page 9. The presented results reflect the typical performance of a production batch.
Figure 7. Baseline vs Temperature after Compensation

LONG-TERM SENSITIVITY DRIFT
The typical long term sensitivity of the AQ3STF is represented in Figure 8, which reflects the performance of a typical production batch The sensor batches under test were stored and tested in ambient conditions.
Figure 8. Long-Term Sensitivity Drift

REPEATABILITY
The data in Figure 9 show the repeatability performance of the AQ3STF sensor when exposed repeatedly to SO2. The presented results reflect the performance of a typical production batch.
Figure 9. Repeatability of AQ3STF Sensor response to 400 ppb SO2

| 1st application | 2nd | 3rd | 4th | 5th | 6th | |
| Mean response (ppb) | 412 | 408 | 406 | 405 | 404 | 402 |
| Standard deviation (ppb) | 4 | 3 | 5 | 6 | 5 | 4 |
CALIBRATION GUIDELINES
Honeywell AQ3 Series gas sensors provide very stable signals over time and for many applications, instruments containing AQ3 gas sensors only require periodic recalibration. The time interval required between initial calibration and subsequent recalibrations is dependent on various factors. In strenuous applications involving extremes of operation, or for sensors used in safety applications, frequent instrument calibration may be required. Electrochemical gas sensors need a certain amount of oxygen to function. Generally, a few thousand ppm oxygen is sufficient. However, as calibration normally involves exposing the sensing face of the AQ3 gas sensor to gas for a relative short period of time, a calibration gas need not contain oxygen-sufficient oxygen is supplied from the ambient air, for a limited time. In most cases, a five minute exposure time is sufficient to achieve a stable calibration signal.
Safety Note:
Many AQ3 gas sensors are designed to be used in safety critical applications. To ensure that the sensor and/or instrument in which it is used, is operating properly, it is a requirement that the function of the device is confirmed by exposure to target gas (bump check) before each use of the sensor and/or instrument. Failure to carry out such tests may jeopardize the safety of people and property. Please be aware the recommended flow rate below is for a batch (6 sensor).
| Sensor | Warm-up time | Calibration Gas Concentration | Gas Path Saturation | EOL Step |
| AQ3CO | 24 hours | 1 ppm CO | 1 ppm 2 L/min for 10 minutes | Ambient Air 1 min à Clean Air 3 mins à 1 ppm CO 3 mins à Clean Air 2 mins |
| AQ3STF | 24 hours | 400 ppb SO2 | 5 ppm 2 L/min for 5 minutes | Ambient Air 2 mins à Clean Air 3 mins à 400 ppb SO2 2 mins à Clean Air 3 mins |
| AQ3OZ | 24 hours | 400 ppb O3 | 2 ppm 2 L/min for 40 minutes | Ambient Air 1 min à Clean Air 40 mins à 400 ppb O3 5 mins à Clean Air 3 mins |
| AQ3ND | 24 hours | 400 ppb NO2 | 5 ppm 100 mL/min for 30 minutes | Ambient Air 1 min à Clean Air 40 mins à 400 ppb NO2 5 mins à Clean Air 5 mins |
Figure 10. Calibration Schematic

RECOMMENDED GAS FLOW RATES
A suitable flow rate is required to ensure accurate calibration – it also means that the response from an AQ3 gas sensor is equivalent in configurations where gas is flowing over the sensor and those where the sample is allowed to diffuse into the sensor. The minimum flow rate which is required will be different depending on the gas sensor type – these are shown in the table Please be aware the recommended flow rate is for a single sensor.
| Gas | Sensor Type | Flow Rate (ml/min) |
| Carbon Monoxide, CO | AQ3CO | 500 |
| Nitrogen Dioxide, NO2 | AQ3ND | 500 |
| Ozone, O3 | AQ3OZ | 500 |
| Sulfur Dioxide, SO2 | AQ3STF | 500 |
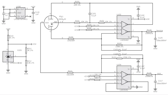
RECOMMENDED CIRCUIT
The recommended circuit for un-biased 4-electrode AQ3 Series gas sensor is shown below. The description below can be applied to all AQ3 Sensors (unless otherwise noted). The circuit is essentially divided into two parts. The first part is a potentiostat circuit designed to keep the sensor sensing -reference voltage constant. An op amp is used to compare voltage at the reference pin to a stable bias voltage. Any movement of the reference pin voltage is compensated for by adjusting voltage on the counter pin. The circuit should draw no current from the sensor reference pin or the sensor output will be unstable. Further, the offset voltage of this op amp needs to be very low (typically 60 uV to 100 uV) or be nulled out, as offset in the circuit will appear as baseline offset in the sensor / instrument. The second part of the circuit, applied to both sensing and auxiliary pins, is a trans-impedance amplifier (TIA). The job of this circuit is to amplify the small current generated at the sensing pin when gas is detected and convert to a much larger voltage output which can be easily measured by instrumentation. Input is via a small load resistor (R106, R121 in the example circuit), whose value is specified on the sensor datasheet. Gain of this circuit is controlled by the feedback resistor, which is typically 20k to 1M (R107, R122 in the example). The circuit gain should be high enough to give a readable output, but not so high as to saturate the op amp at its highest (overload) output. The circuit below is based on operation from a single rail 5 V op-amp circuit with rail to rail output and a virtual ground reference for the sensor of 2.5 V. The output from the circuit will be positive with respect to virtual ground for sensors measuring oxidizing gases (CO and SO2) while the op amp output voltage ranges from 2.5 V to 4.5 V (2 V margin). Output will be negative with respect to virtual ground for sensors measuring reducing gases (NO2 and O3) while the op amp voltage ranges from 2.5 V to 0 V (2.5 V margin). Please be aware that signals for NO2 and O3 sensors are negative when using below circuit, remember to reverse the output signal when you use this circuit in real applications.
Figure 11. Recommended Circuitry for 4-electrode AQ3 Series Gas Sensors

- U100 – This LDO (LP5907 or similar, with low noise and low IQ) is to provide a stable voltage for the circuit. Please refer to chosen LDO datasheet for more detail.
- U104 – This amplifier act as a trans-im- pedance amplifier (TIA) – current to voltage converter only.
- U102 – This dual op amp amplifier should have either a low offset (<100 uV typical) or have its offset nulled out. This amplifier should also have a low power consumption. A suitable op amp is the OPA2336E or similar. This amplifier is used both as potentiostat and a current to voltage converter (trans-impedance amplifier).
- U101 – The Zener diode circuit is to provide an accurate and stable reference voltage (2.5 V) to serve as virtual ground.
NOTE
Other op amp configurations may be used, including single- and dual-supply rails. In this case the reference voltage (bias voltage) will need to change to suit the circuit output range and sensor output, avoiding saturation of the op amp at limits of operation and ensuring a stable bias/virtual ground reference voltage.
COMPENSATION LOGICS OF AQ3 SERIES SENSORS
This compensation logics provides customers with insights into our air-quality AQ3 Series sensors.AQ3 Series sensors, including AQ3CO, AQ3STF, AQ3ND and AQ3OZ, are specially designed for high-precision and high-accuracy detection of ppb-level CO, SO2, NO2 and O3 in ambient environment. As electrochemical sensors, AQ3 Series are sensitive to the temperature variation, resulting in zero-background current change and sensitivity change that are well-known for long years. Compensation for these changes is indispensable for real-time and high-accuracy monitoring of ppb-level air pollutants. Therefore, in this Characterization Note we are mainly focusing on well- simulated algorithms to make up for these changes, thus enhancing the accuracy and precision of result in the field application.
There are four electrodes in AQ3 Series sensors, i.e. sensing electrode, auxiliary electrode, reference electrode and counter electrode. For customers, the signals of sensing electrode and auxiliary electrode are most useful to compensate for zero- background current and sensitivity in practical application. Based on our experiment results, we provide the best-fit compensation algorithms for different kinds of AQ3 Series sensors. Some key parameters are explained as below:
| WE | real-time signal of sensing electrode, nA |
| WET | signal of sensing electrode at specific temperature in highly pure and dry air, nA |
| WE20 | signal of sensing electrode at 20°C in highly pure and dry air, nA |
| AE | real-time signal of auxiliary electrode, nA |
| AE20 | signal of auxiliary electrode at 20°C in highly pure and dry air, nA |
| ST | sensitivity of sensing electrode at specific temperature, nA/ppm |
| S20 | sensitivity of sensing electrode at 20°C, nA/ppm |
| CF | cross-factor, different sensors have different CF, no unit |
| RNO2 | AQ3ND concentration reading, ppb |
| RO3 | AQ3OZ concentration reading, ppb |
| r1 | a function of temperature, usually r1=a1*T2+b1*T+c1, T/°C |
| r2 | a function of temperature, usually r2=a2*T2+b2*T+c2, T/°C |
| r3 | a function of temperature, usually r3=a3*T2+b3*T+c3, T/°C |
The table below lists the compensation formula for different sensors, and the table above gives the parameters for different sensors.
| Sensor Type | Compensation Formula |
| AQ3STF | Concentration (ppb) = [(WE-WE20) – r1*(AE-AE20)-r2- CF1*RNO2*r3*S20-CF2*RO3*r3*S20] /(r3*S20) *1000 |
| AQ3OZ | Concentration (ppb) = [(WE-WE20-r2-CF1*RNO2*r3*S20)/(r3*S20)]*1000 |
| AQ3CO | Concentration (ppb) = (WE–WE20– r2)/(r3*S20)*1000 |
| AQ3ND |
Note:
r1 and r2 compensates for the zero-background current change due to temperature variation r3 compensates for the sensitivity change due to temperature variation; r1, r2 and r3 are usually function of temperature /°C
CROSS SENSITIVITY TABLE
Whilst AQ3 Series gas sensors are designed to be highly specific to the gas they are intended to measure, they will still respond to some degree to various other gases. The table below is not exclusive and other gases not included in the table may still cause a sensor to react.
IMPORTANT NOTE: The cross sensitivity data shown below does not form part of the product specification and is supplied for guidance only. Values quoted are based on tests conducted on a small number of sensors and any batch may show significant variation. For the most accurate measurements, an instrument should be calibrated using the gas under investigation.
| Gas | Gas Concentration | Cross Interference |
| Carbon Monoxide, CO | 5 ppm | ~None |
| Nitric Oxide, NO | 5 ppm | ~None |
| Nitrogen Dioxide, NO2 | 0.4 ppm | -110%<x%<0% |
| Hydrogen Sulfide, H2S | 5 ppm | ~None |
| Ozone, O3 | 0.4 ppm | -50%<x%<0% |
| Isobutylene, C4H8 | 5 ppm | ~None |
WARRANTY/REMEDY
Honeywell warrants goods of its manufacture as being free of defective materials and faulty workmanship during the applicable warranty period. Honeywell’s standard product warranty applies unless agreed to otherwise by Honeywell in writing; please refer to your order acknowledgment or consult your local sales office for specific warranty details. If warranted goods are returned to Honeywell during the period of coverage, Honeywell will repair or replace, at its option, without charge those items that Honeywell, in its sole discretion, finds defective.
The foregoing is buyer’s sole remedy and is in lieu of all other warranties, expressed or implied, including those of merchantability and fitness for a particular purpose. In no event shall Honeywell be liable for consequential, special, or indirect damages.
While Honeywell may provide application assistance personally, through our literature and the Honeywell web site, it is buyer’s sole responsibility to determine the suitability of the product in the application.Specifications may change without notice. The information we supply is believed to be accurate and reliable as of this writing. However, Honeywell assumes no responsibility for its use.
WARNING MISUSE OF DOCUMENTATION
- The information presented in this characterization note is for reference only. Do not use this document as a product installation guide.
- Complete installation, operation, and maintenance information is provided in the instructions supplied with each product.
Failure to comply with these instructions could result in death or serious injury.
FOR MORE INFORMATION
Honeywell Advanced Sensing Technologies services its customers through a worldwide network of sales offices and distributors. For application assistance, current specifications, pricing or the nearest Authorized Distributor, visit our website or call:
- USA/Canada: +1 302 613 4491
- Latin America: +1 305 805 8188
- Europe: +44 1344 238258
- Japan: +81 (0) 3-6730-7152
- Singapore: +65 6355 2828
- Greater China: +86 4006396841
Honeywell Advanced Sensing Technologies
830 East Arapaho Road Richardson, TX 75081 sps.honeywell.com/ast
AQ3STF Characterization Note ECN 5062 | 002728-1-EN | 1 | 05/21 © 2021 Honeywell International Inc. All rights reserved.



















