
34.8 Li

![]()
34.8 Li Cordless Battery Powered Lawnmower
© 2017 AL-KO KOBER GROUP Kötz, Germany
This documentation or excerpts therefrom may not be reproduced or disclosed to third parties without the express permission of the AL-KO KOBER GROUP.




| 34.8 Li Art.-Nr. 113540 | |
| (1250 x 980 x 390) mm | |
| ca. 11,3 kg | |
| 34 cm | |
| 2,5 – 7,5 cm (6x) | |
| IPX1 | |
| max. 3400 min-1 (+/-200 min | |
| LpA = 74,7 dB(A), K = 3 dB(A) EN ISO 11201 | |
| LwA = 85,3 dB(A), K = 3 dB(A) ISO 3744 | |
| avhw = 1,52 m/s 2 , K = 1,5 m/s 2 EN ISO 5395 | |
| Ca. 30 l | |
| Art.-Nr. 113559 B50 Li |
| 0,35 kg | |
| 18 V / 20 V max. (2x) | |
| 2,5 Ah | |
| 45 Wh (2x) 45 Wh x 2 = 90 Wh | |
| 0 °C – 45 °C | |
| 0 °C – 25 °C | |
| Art.-Nr. 113561 TC30 Li | |
| 250 g | |
| 100 – 240 V AC 50/60 Hz, 42 W | |
| 20 V | |
| 2:00 AM | |
| 75 min (1x) 150 min (2x) | |
| +5 °C – +40 °C |
ABOUT THESE OPERATING INSTRUCTIONS
- The German version is the original operating instructions. All additional language versions are translations of the original operating instructions.
- It is essential to carefully read through these operating instructions before start-up. This is essential for safe working and trouble-free handling.
- Always safeguard these operating instructions so that they can be consulted if you need any information about the appliance.
- Only pass on the appliance to other persons together with these operating instructions.
- Comply with the safety and warning information in these operating instructions.
Legends and signal words
DANGER! Denotes an imminently dangerous situation which will result in fatal or serious injury if not avoided.
WARNING! Denotes a potentially dangerous situation which can result in fatal or serious injury if not avoided.
CAUTION! Denotes a potentially dangerous situation which can result in minor or moderate injury if not avoided.
IMPORTANT! Denotes a situation which can result in material damage if not avoided.
NOTE Special instructions for ease of understanding and handling.
PRODUCT DESCRIPTION
This documentation describes a rechargeable battery lawnmower with grass collector.
Designated use
This machine is intended for the non-commercial mowing of lawns, and must only be used on dry grass.
This appliance is intended solely for use in noncommercial applications. Any other use (as well as unauthorised conversions or add-ons) are regarded as contrary
to the intended use and will result in exclusion of the warranty as well as loss of conformity (CE mark); the manufacturer will thus decline any responsibility for damage and/or injury suffered by the user or third parties.
Possible foreseeable misuse
- The appliance is designed neither for commercial use in public parks and sports facilities, nor for use in farming and forestry.
- Do not use the appliance in the rain or on wet grass.
- Safety devices must not be dismantled or bypassed.
Residual dangers
Even during correct use of the appliance, there is always a certain residual risk that cannot be excluded. Depending on the use, the following potential risks can
be derived from the type and construction of the appliance:
- Throwing out of cuttings, soil and small stones
- Inhalation of cuttings particles if no breathing protection is worn.
- Lacerations from reaching into the rotating cutting blade
Scope of supply
The rechargeable battery lawnmower is designed for operation with two B50 Li batteries (art. no. 113559). Charger TC130 Li (art. no. 113561) is required for charging the batteries. These rechargeable batteries and a charging unit are not included in the scope of delivery.
The rechargeable battery lawnmower, rechargeable batteries and charger can be purchased as a complete set (art. no. 113540).
IMPORTANT!
Danger of damage to the appliance and battery
If the appliance is operated with unsuitable batteries, both the device and the batteries may be damaged.
- Operate the appliance only with the specified rechargeable batteries.
Symbols on the appliance
| Symbol | Meaning |
| Pay special attention when handling this product. | |
| Read the operating instructions before starting operation. | |
| Keep other people out of the danger area. | |
| Maintain a safety distance. | |
| Keep your hands and feet away from the blade system. | |
| Always remove the safety key before working on the appliance. | |
| The cutting blade continues running for a short while after the appliance has been switched off. Only touch the cutting blade once all parts of the appliance have come to a stop. | |
| Do not use the appliance in the rain or store it in the open air. |
Safety and protective devices
WARNING!
Risk of injury
Defective and disabled safety and protective devices can lead to serious injury.
- Have any defective safety and protective devices repaired.
- Never disable safety and protective devices.
Safety key
The appliance is provided with a safety key to prevent inadvertent switching on. Switch off the appliance before maintenance work and always remove the safety key.
Motor switch lever
The appliance is fitted with two motor switch levers.
Both motor switch levers must be operated simultaneously. In an emergency, simply release one of the levers. The motor and mower mechanism are stopped.
Safety switch
The safety switch must be pressed beforehand to be able to switch on the motor using the motor switch levers.
Baffle
The baffle offers protection against e.g. cutting particles and stones which can be flung out.
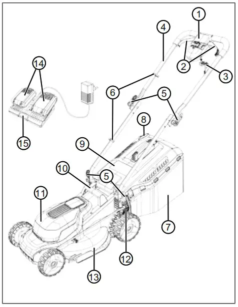
Product overview

| No. | Component |
| 1 | Motor switch: |
| 2 | ■ Motor switch levers (2x) |
| 3 | ■ Safety key |
| 4 | Handlebar (folding): |
| 5 | ■ Clamp levers (4x) |
| 6 | ■ Cable clamps (2x) |
| 7 | Grass collector: |
| 8 | ■ Fill-level indicator |
| 9 | ■ Baffle |
| 10 | ■ Handle |
| 11 | ■ Rechargeable battery cover |
| 12 | ■ Lever for cutting height adjustment |
| 13 | ■ Mower mechanism |
| 14 | ■ Rechargeable batteries (2x)* |
| 15 | ■ Dual charger |
* Not included in the scope of delivery (art. no.
113624), but included as part of the complete set (art. no. 113540)
SAFETY INSTRUCTIONS
Operator
- Young people under 16 years of age and people who do not know the instructions for use are not allowed to use the appliance. Heed any country-specific safety regulations concerning the minimum age of the user.
- Do not operate the appliance if you are under the influence of alcohol, drugs or medication.
Personal protective equipment
- Wear clothing and protective equipment in accordance with the regulations in order to avoid injuries to the head and limbs, as well as to avoid hearing impairment.
- The personal protective equipment comprises:
- Hearing protection and protective eyewear
- Long trousers and solid shoes
- During maintenance and care: Protective gloves
Safety in the workplace
- Only work during daylight or under very bright artificial light.
- Before working, remove any dangerous objects from the working area, e.g. branches, glass or metal pieces, stones.
- Make sure you are standing safely.
Safety of persons and animals
- Only use the appliance for the purposes for which it is intended. Any non-intended use can lead to injury and property damage.
- Only switch on the appliance when there are no persons and/or animals in the working area.
- Keep hands, feet and other parts of the body away from the running blade system.
Appliance safety
- Only use the appliance under the following conditions:
- The appliance is not soiled.
- The appliance show no signs of damage.
- All controls function properly.
- Do not overload the appliance. It is intended for light work in the private sector. Overload can lead to damage to the appliance.
- Never operate the appliance with worn or defective parts. Always replace defective parts with original spare parts from the manufacturer. If the appliance
is operated with worn or defective parts, guarantee claims against the manufacturer are excluded.
Safety information regarding the rechargeable battery
This section mentions all the basic safety and warning information to be heeded when using the rechargeable battery. Read these instructions.
- Only use the rechargeable battery as designated, i.e. for AL-KO rechargeable batterydriven appliances. Only charge the rechargeable battery with the AL- O
charging unit provided. - Only unpack the new rechargeable battery from the original packaging when it is to be used.
- Fully charge the rechargeable battery before using it for the first time and always use the specified charger. Comply with the details given in these nstructions for use for charging the rechargeable battery.
- Do not use the rechargeable battery in environments where there is a potential risk of explosion and/or fire.
- Do not expose the rechargeable battery to moisture and humidity when in use with the appliance.
- Protect the rechargeable battery from heat, oil and fire to prevent it being damaged so no vapours and electrolyte liquids can escape.
- Do not subject the rechargeable battery to impacts or throw it.
- Do not use the rechargeable battery when soiled or wet. Before use, clean and dry the rechargeable battery with a dry, clean cloth.
- Do not open, dismantle or crush the rechargeable battery. There is a danger of electric shock and short-circuit.
- This rechargeable battery must not be used by unauthorised persons unless they are supervised by a person responsible for their safety or have been instructed on how to use the rechargeable battery. Unauthorised persons include, for example:
- Persons (including children) with limited physical, sensory or mental aptitude
- Persons who have no experience and/or knowledge of the rechargeable battery.
- Children must be supervised and instructed so they do not play with the rechargeable battery.
- Do not leave the rechargeable battery permanently in the charger. For prolonged storage, remove the rechargeable battery from the charger.
- When not in use, remove the rechargeable batteries from the operated appliances.
- Dry the unused rechargeable battery and store in a closed place. Protect from heat and direct sunlight. Unauthorised persons and children must not have ccess to the rechargeable battery.
Safety information regarding the charging unit
This section mentions all the basic safety and warning information to be heeded when using the charger. Read these instructions.
- Only use the appliance as designated, i.e. for charging the intended rechargeable batteries. Only charge original rechargeable batteries from AL-KO in the charging unit.
- Before each use, inspect the entire appliance
– and especially the mains cable and the rechargeable battery compartment
– for damage. Only use the appliance when it is in a proper working order. - Do not use the appliance in environments where there is a potential risk of explosion and/or fire.
- Only operate the appliance indoors and do not expose it to moisture and humidity.
- Always place the charging unit on a well ventilated and non-inflammable surface because it heats up during the charging process. Keep the ventilation slots clear and do not cover the appliance.
- Before connecting the charging unit, make sure that the mains voltage matches the voltage stated in the “Technical data”.
- Only use the mains cable for connecting the charging unit, not for other purposes. Do not carry the charging unit by the mains cable and do not remove the power plug from the power outlet by pulling on the mains cable.
- Protect the mains cable from heat, oil and sharp edges to prevent it being damaged.
- Do not use the charging unit and rechargeable battery when soiled or wet. Before using the appliance, clean and dry the rechargeable battery.
- Do not open the charging unit or rechargeable battery. There is a danger of electric shock and short-circuit.
- For your own safety, have your appliance repaired by qualified specialist personnel only using original spare parts.
- This appliance must not be used by unauthorised persons unless they are supervised by a person responsible for their safety or have been instructed on how to use the appliance. Unauthorised persons include, for example:
- Persons (including children) with limited physical, sensory or mental aptitude
- Persons who have no experience and/or knowledge of the appliance.
- Children must be supervised and instructed so they do not play with the appliance.
- Dry unused appliances and store in a closed place. Unauthorised persons and children must not have access to the appliance.
Safety instructions relating to operation
Note that the user is responsible for accidents and damage that may befall other persons or their property.
WARNING!
Risk of injury
Inadvertent switching on of the appliance can lead to serious injury.
■ Always remove the safety key after switching off.
- Never leave an operational appliance unattended.
- Remove the safety key in the following situations:
- when the appliance is unsupervised
- before testing, cleaning and maintaining
- before inserting the rechargeable battery
- in case of malfunction and unusual vibrations
- before clearing blockages and clogging as well as removing the cuttings
- upon contact with dangerous objects and foreign bodies
- Never lift or carry the appliance with the motor running.
- Push the appliance forwards when mowing and never go backwards. Never pull the appliance towards your body.
- Never mow over obstacles such as branches or tree roots.
- Switch off the motor if it is necessary to cross another area than the area to be mowed.
- After contact with dangerous objects and foreign bodies, check the appliance for damage. Have the appliance repaired if it has been damaged.
ASSEMBLY (01 – 08)
Assembly: See images (01) to (08).
NOTE The appliance is not allowed to be operated unless it has been fully assembled.
COMMISSIONING/ DECOMMISSIONING
Charging the rechargeable batteries (09)
The rechargeable batteries are partially charged.
Fully charge the rechargeable batteries prior to initial use. The rechargeable batteries can be charged in any charge status. Interrupting charging does not damage the rechargeable batteries.
NOTE For detailed information, heed the separate operating instructions for the rechargeable batteries and for the charger.
Inserting and removing the rechargeable batteries (10, 11)
Inserting the battery
- Remove (10/a) the safety key (10/1).
- Open (11/a) the rechargeable battery cover (11/1).
- Applying slight pressure, slide the rechargeable batteries (11/2) up to the stop into the rechargeable battery compartments (11/b) so that the rechargeable battery contact socket is seated firmly on the contact connector in the rechargeable battery compartment.
- Close the rechargeable battery cover.
- Insert the safety key again.
Pull out the rechargeable battery
- Switch off the appliance.
- Further procedure: as above.
OPERATION
Setting the cutting height (12)
CAUTION!
Danger of lacerations
Danger of lacerations when reaching into the running mower mechanism.
- Only adjust the cutting height when the motor is switched off and the mower mechanism is stationary.
- Press the release lever (12/1) outwards slightly and hold it.
■ For shorter grass, push the lever towards the front wheel (12/a), minimum level 1: 2.5 cm
■ For longer grass, push the lever towards the rear wheel (12/b), maximum level 6: 7.5 cm - Press the lever inwards again (12/c), until it engages in the desired level.
Starting and stopping the motor
Only start the appliance on level ground and not in long grass. The ground must be free of foreign bodies such as stones. Do not lift or tilt the appliance for starting.
Starting the engine (13)
- Switch on the appliance: Insert (13/a) the safety key (13/1) into the motor switch (13/2), push it inwards and hold it down (13/b).
- Pull the motor switch brackets (13/3) towards the handlebar (13/4) (13/c). The motor and mower mechanism are started.
- Release the safety key while holding the motor switch brackets.
NOTE The motor switch brackets do not engage. Hold them tight against the handlebar during the entire working period.
Stopping the motor
CAUTION!
Danger of lacerations
Danger of lacerations when reaching into the running mower mechanism.
■ Wait until the mower mechanism has stopped.
■ Before all maintenance and care work: Switch off the appliance and wait until the mower mechanism has stopped. Remove the safety key, and remove the rechargeable batteries.
- Release the motor switch brackets.
- Wait for the mower mechanism to come to a standstill.
- Switch off the appliance: remove the safety key.
Mowing with grass collector (14, 15)
The appliance can be operated with and without grass collector.
Attaching the grass collector
- Stop the motor (see chapter 6.2.2 “Stopping the motor”, page 30).
- Raise the impact flap (14/1) (14/a).
- Hook the grass collector (14/2) into the holders (14/3) (14/b).
- Release the impact flap.
Checking the fill level
The fill level indicator (15/1) is pressed upwards by the air stream when mowing (15/a). If the grass collector is full, the fill level indicator makes contact with the grass collector (15/b). The grass collector must be emptied.
Removing and emptying the grass collector
CAUTION!
Danger of lacerations
Danger of lacerations when reaching into the running mower mechanism.
■ Only remove the grass collector when the mower mechanism has stopped.
NOTE When emptying the grass collector, also clean the discharge holes of the fill level indicator so they keep functioning properly.
- Stop the motor (see chapter 6.2.2 “Stopping the motor”, page 30).
- Raise the impact flap (14/1).
- Lift the grass collector (14/2) out of the holders and take off to the rear.
- Empty the grass collector.
- Clean the exhaust holes of the fill level indicator (15/1).
- Attach the grass collector (see above).
WORK INSTRUCTIONS
Heed the safety instructions (see chapter 3.8 “Safety instructions relating to operation”, page 29).
NOTE Comply with the local regulations as to when a lawnmower can be operated.
- Watch out for objects in the grass and remove them from the working area.
- Do not move the appliance over obstacles such as branches or tree roots.
- Only mow when visibility is good.
- Only mow with a sharp cutting blade.
- Only control the appliance by the handlebar.
- Only move the appliance at walking speed.
- Always move the appliance across the slope.
Do not mow up or down the slope, or on slopes with a gradient of more than 10°. Exercise particular care when changing direction.
Cutting performance or operating time of the rechargeable battery
- The cutting performance or the area that can be mown depends on the properties of the grass. Factors such as the length of the grass, the grass density, the selected cutting height and lawn’s moisture affect cutting performance.
- Optimum operating time is achieved by frequent mowing and keeping the grass short.
- Frequently switching the lawnmower on and off during the mowing process reduces the cutting performance as does a non-fully charged rechargeable battery.
- To optimise cutting performance, it is recommended to mow the grass often, to set a high cutting height and to move the appliance at walking speed.
Tips for mowing
- Maintain a constant cutting height of 3–5 cm; do not mow the grass to less than half its original height.
- Do not overload the lawnmower. If the motor speed drops noticeably because of long, thick grass, increase the cutting height and mow in several passes.
- Wind and sun can dry out the lawn after mowing so it is better to mow in the late afternoon.
MAINTENANCE AND CARE
CAUTION!
Danger of lacerations
Danger of lacerations when reaching into the running mower mechanism.
- Before all maintenance and care work: Switch off the appliance and wait until the mower mechanism has stopped. Remove the safety key, and remove the rechargeable batteries.
- Wear protective gloves.
Regular maintenance work
- Make sure that all nuts, bolts and screws are tightened and the appliance is in a safe working condition.
- Check the grass catcher regularly for correct operation and wear.
Cleaning the appliance and mower mechanism
IMPORTANT!
Danger from water
Water in the appliance causes short-circuits and destroys electrical components.
- Do not spray the appliance with water.
- Only use a broom or a brush for cleaning.
- Stop the motor (see chapter 6.2.2 “Stopping the motor”, page 30).
- Pull out the rechargeable batteries.
- Unhook the grass collector.
- Tip the appliance onto the side and clean the mower mechanism with a broom or brush.
Checking and renewing the cutting blade
WARNING!
Severe injuries due to blade parts be- ing flung out
A worn, cracked or damaged cutting blade can break, and its parts can become dangerous projectiles.
• Regularly check the cutting blade for damage.
• Do not use the lawnmower if the cutting blade is worn or damaged.
• Only have blunt or damaged cutting blades sharpened or replaced by an AL-KO service centre or an authorised specialist company.
- To avoid vibrations, the cutting blade and blade bolt must always be replaced together.
- Resharpened cutting blades must be balanced. Unbalanced cutting blades cause strong vibrations and damage the mower.
Repair work
WARNING!
Risk of injury during repair work
Improper repairs can lead to serious injuries and damage to the appliance.
- Repair work may only be carried out by AL-KO service centres or authorised specialist workshops.
In the following cases, visit the AL-KO service centre:
- Motor no longer starts.
- Appliance has moved onto an obstruction.
- Cutting blade and/or motor shaft are bent.
- Appliance vibrates and does not run smoothly.
- Rechargeable battery has discharged or is damaged.
TRANSPORT
NOTE
The nominal energy of the rechargeable battery is less than 100 Wh. Therefore, heed the following transport instructions.
The li-ion rechargeable battery contained in the appliance is subject to the hazardous goods law, but can be transported under simplified conditions:
- The undamaged rechargeable battery can be transported on public roads by the private user without further conditions provided it is packaged for retail sale
and the transport serves personal purposes. The weight limits for batteries sent separately must be observed:- Max. 30 kg total weight per package when transported by road, rail and water
- No upper limit for air transport but max. 2 pieces per package
- If damage to the battery (e.g. due to the appliance falling) is suspected, transport is not permissible.
- Commercial users who carry out the transport in connection with their main activity (e.g. delivery from and to building sites, or demonstrations) can also take advantage of this simplification.
In both cases, it is essential to take the mandatory precautions mentioned above to prevent any leakage of the contents. In other cases, it is es-sential to comply with the regulations of the hazardous goods law. In the case of non-compliance, severe penalties can be imposed on the sender and possibly the transporter.
Additional notes on transport and shipment
- Only transport or ship lithium-ion rechargeable batteries in an undamaged state.
- Secure the appliance in such a way as to prevent it from starting to operate inadvertently during transport.
- Secure the appliance with strong outer packaging (cardboard shipment box). Use the manufacturer’s original packaging if possible.
- Ensure correct identification and documentation of the consignment during transport or dispatch (e.g. by parcel or forwarding):
- When transporting by road, rail and water, a warning sticker must be applied to the packaging when the battery/batteries accompany the appliance. No warning sticker is necessary if the battery/batteries are installed or fitted into the appliance, since the outer packaging/original packaging must already comply with specific egulations.
- A warning sticker must always be placed on the packaging when transporting by air. The maximum weight limits for batteries sent together with the appliance must be observed: max. 5 kg battery weight per package and max. 2 pieces per package, if the battery/batteries are accompanying the appliance.
- Please find out in advance whether transport is possible with the selected service provider, and show your shipment.
We recommend involving a hazardous goods specialist in the preparation of the shipment. Please heed any other national regulations.
STORAGE
Storing the rechargeable battery lawnmower (16)
CAUTION!
Risk of injury
If the appliance is accessible to children and unauthorised persons during storage, this can result in injury.
■ Store the appliance out of the reach of children and unauthorised persons.
■ Only store the appliance when the rechargeable batteries have been removed.
- Switch off the appliance: remove the safety key.
- Pull out the rechargeable batteries.
- Allow the engine to cool down.
- Thoroughly clean the appliance.
- Rub a thin coat of oil or silicon onto all metal parts for corrosion protection.
- Fold in the handlebar (16).
- Store the appliance in a dry, clean location protected from frost. Cover with a breathable tarpaulin to protect against dust. Do not use plastic film in order to avoid the accumulation of moisture.
Storing the rechargeable batteries and the charger
DANGER!
Danger of explosion and fire!
Persons will be fatally or severely injured if the rechargeable batteries explode because they have been stored exposed to naked flames or heat sources.
■ Store the rechargeable batteries in cool and dry conditions, but not exposed to naked flames or heat sources.
NOTE When charging, the rechargeable batteries are protected from overcharging due to automatic detection of the charge status, and can therefore remain in the charger for some time, but not permanently.
NOTE Heed the separate operating instructions for the rechargeable battery and for the charging unit.
- Store the rechargeable batteries in a dry, frost-free place at a storage temperature between 0°C and 25°C and with a charge status of approx. 40 – 60%.
- Do not store the rechargeable batteries in the vicinity of metallic objects or objects containing acid due to the risk of short-circuit.
- Recharge the rechargeable batteries for approx. 150 minutes after approx. 6 months’ storage.
DISPOSAL
Information on the German Electrical and Electronic Equipment Act (ElectroG)
Electrical and electronic appliances do not belong in household waste, but should be collected and disposed of separately.- Used batteries or rechargeable batteries that are not installed permanently in the old appliance must be removed before disposal. Their disposal is regulated by the battery law.
- Owners or users of electrical and electronic appliances are obliged by law to return them after use.
- The end user bears personal responsibility for deleting his personal data from the old appliance to be disposed of.
The symbol of the crossed-through rubbish bin means that electrical and electronic appliances may not be disposed of in the household rubbish. Electrical and electronic appliances can be handed in at no charge at the following places:
- Public service disposal or collection points (e.g. municipal building yards)
- Points of sale of electrical appliances (sta- tionary and online) provided traders are obliged to take them back or offer this voluntarily.
These statements only apply to appliances that are installed and sold in the countries of the European Union and are subject to European Directive 2012/19/EU. Different provisions may apply to the disposal of electrical and electronic appliances in countries outside the European Union.
Information on German Battery Act (BattG)
- Used batteries and rechargeable batteries do not belong in household waste, but should be collected and disposed of separately.
- For safe removal of batteries or rechargeable batteries from the electrical appliance and for information on their type or chemical system, follow the further information within the operating or installation instructions.
- Owners or users of batteries and rechargeable batteries are obliged by law to return them after use. The return is limited to the handover of customary household quantities.
Used batteries can contain harmful substances or heavy metals that can cause damage to the environment and human health. Reuse of the used batteries and use of the resources contained therein contributes to the protection of these two essential commodities. The symbol of the crossed- hrough rubbish bin means that batteries and rechargeable batteries may not be disposed of in household rubbish. In addition, if the symbol Hg, Cd or Pb appears under the rubbish bin, this stands for the following:
- Hg: Battery contains more than 0.0005 % mercury
- Cd: Battery contains more than 0.002 % cadmium
- Pb: Battery contains more than 0.004 % lead
Rechargeable batteries and batteries can be handed in at the following places at no charge:
- Public service disposal or collection points (e.g. municipal building yards)
- Points of sale of batteries and rechargeable batteries
- Disposal points of the common take-back system for the used batteries of appliances
- Disposal point of the manufacturer (if not a member of the common take-back system)
These statements apply only to rechargeable batteries and batteries that are sold in the countries of the European Union and that are subject to European Directive 2006/66/EU. Different provisions can apply to the disposal of rechargeable batteries and batteries in countries outside the European Union.
HELP IN CASE OF MALFUNCTION
CAUTION!
Risk of injury
Sharp-edged and moving appliance parts can lead to injury.
- Always wear protective gloves during maintenance, care and cleaning work.
- Switch the appliance off. Remove the safety key, and remove the rechargeable batteries.
| Malfunction | Cause | Remedy |
| Engine does not run. | Safety key is not inserted. | Insert the safety key, push it inwards and hold it down. |
| Rechargeable batteries are missing or not seated cor- rectly. | Insert the rechargeable batteries correctly. | |
| Rechargeable batteries are flat. | Charge the rechargeable batteries. | |
| Mower mechanism is blocked. | ■ Clean the mower mechanism. ■ Start the lawnmower on short grass. | |
| Control cable or switch is de- fective. | Do not operate the appliance. Contact an AL-KO service centre. | |
| Engine is losing power. | Rechargeable batteries are flat. | Charge the rechargeable batteries. |
| Cutting blade is blunt. | Have the cutting blades sharpened at an AL-KO service centre. | |
| Too much grass in the dis- charge channel. | ■ Remove the grass. ■ Clean the impact flap. | |
| Motor stops during mow- ing. | Motor is overloaded. | Switch off the appliance, set on level ground or shorter grass and restart. |
| Rechargeable batteries are flat. | Charge the rechargeable batteries. | |
| Cutting blade is blunt. | Have the cutting blades sharpened at an AL-KO service centre. | |
| Grass collector is not filling | Grass is too wet. | Allow the lawn to dry. |
| sufficiently. | Grass collector is clogged. | Clean the grass collector. |
| Too much grass in the dis- charge channel or housing. | Clean the discharge channel or housing. | |
| Cutting blade is blunt. | Have the cutting blades sharpened at an AL-KO service centre. | |
| Rechargeable battery oper- ating time is significantly shorter. | Cutting height level is too low. | Set the cutting height to a higher level. |
| Grass is too long or too wet. | ■ Let the grass dry. ■ Set the cutting height to a higher level. | |
| Mowing speed is too high. | ■ Reduce the mowing speed. ■ Clean the discharge channel or housing. The mower mechanism must rotate freely. | |
| Grass collector is full. | Empty the grass collector and clean the discharge channel. | |
| The service life of the re- chargeable batteries has ex- pired. | Replace the rechargeable batteries. On-ly use genuine accessories from the manufacturer. | |
| Rechargeable batteries cannot be charged. | Rechargeable battery con- tacts are dirty. | ■ Contact an AL-KO service centre. |
| The rechargeable batteries or charger are faulty. | ■ Order spare parts acc. to the spare parts card. | |
| Rechargeable batteries are too hot. | ■ Allow the rechargeable batteries to cool down. |
NOTE If you encounter any malfunctions that are not listed in this table or that you cannot rectify yourself, please contact our customer service.
AFTER-SALES / SERVICE
In the event of questions of warranty, repair or spare parts, please contact your nearest AL-KO Service Centre.
These can be found on the Internet at: www.al-ko.com/service-contacts
GUARANTEE
We will resolve any material or manufacturing faults on the appliance during the legal warranty period for claims relating to faults, in accordance with our choice either to repair or replace. The legal warranty period is determined by the legislation of the country in which the appliance was purchased.
Our warranty promise applies only if:
- These operating instructions are heeded
- The appliance is handled correctly
- Original spare parts have been used
The guarantee excludes:
- Paint damage that can be attributed to normal wear and tear
- Wear parts that are marked with a frame xxxxxx (x) on the spare parts card
The warranty becomes void in the case of:
- Unauthorised repair attempts
- Unauthorised technical modifications
- Non-intended use
The guarantee period commences with purchase by the first end user. The date on the proof of purchase is decisive. In the event of a guarantee claim, please take this guarantee declaration and the original proof of purchase, and contact your dealer or the nearest authorised customer service centre. This statement does not affect the purchaser’s statutory claims for defects against the vendor.
TRANSLATION OF THE ORIGINAL EU DECLARATION OF CONFORMITY
We hereby declare that this product in its marketed form conforms to the requirements of the harmonised EU Directives, EU safety standards and the product-specific standards.
| Product | Battery lawnmower |
| Serial number | G1043012 |
| Type | 34.8 Li |
| Sound power level | EN ISO 3744 measured/guaranteed 85.35 dB(A) / 90 dB(A) |
| Manufacturer | AL-KO Geräte GmbH Ichenhauser Str. 14 D-89359 Kötz Germany |
| EU directives | 2006/42/EC 2014/30/EU 2000/14/EC 2011/65/EU |
| Conformity evaluation | 2000/14/EC Appendix VI |
| Notified body | Société Nationale de Certification et d’Homologation S.À.R.L.(SNCH) 2a, Kalchesbruck L – 1852 Luxembourg notified body no.: 0499 |
| Duly authorised person for technical file | Andreas Hedrich Ichenhauser Str. 14 D-89359 Kötz Germany |
| Harmonised standards | EN 60335-1:2012-10 + A11:2014 EN 60335-2-77:2010 EN 55014-1:2006 + A1:2009 + A2:2011 EN 55014-2:2015 EN 62233:2008 |
Kötz, 01/12/2017
Wolfgang Hergeth Managing Director
AL-KO GERÄTE GmbH | Head Quarter | Ichenhauser Str. 14 | 89359 Kötz | Deutschland
Telefon: (+49)8221/203-0 | Telefax: (+49)8221/203-8199 | www.al-ko.com
AL-KO Service: www.al-ko.com/service-contacts















