
MAX Fire Dry 200
Portable Heater Electric Heat Drying System
OWNER’S MANUAL


READ AND SAVE THIS INSTRUCTION
AlorAir Solutions INC.
Add: 2048 E. Francis St Ontario CA 91761
Tel: 888-990-7469
E-mail: [email protected]
Specifications are subject to change without notice.
CAUTION!
Make sure you have read and understood this manual before operating the machine.
Check whether there is any damage on the outside of the machine before operation. If there is any damage, please contact customer service.
Do not let children or patients operate.
WARNING!
The risk of electric shock, Do not use overload sockets or extension cables. Check the power rating before use.
Do not turn on the machine or try to enter through the grille with the power on.
In order to provide continuous protection against the risk of electric shock, you can only connect sockets with grounding.
We are standard equipped with 4 14AWG lengths (25 feet) power cords for you, if you need a longer power cord, you can buy a (50 feet) power cord from the dealer or designated network.
MATTERS NEEDING ATTENTION
- This heater is very hot when in use. To avoid burns, don’t let your exposed skin come into contact with hot surfaces. Please use the handle to move the heater. And keep combustible materials at a distance of at least 36 inches (such as furniture, pillows, bedding, paper, clothes, and curtains).
- For temporary use only, not for heating.
- Be sure to unplug the power supply when not in use.
- Do not operate the machine in any way after the failure of a damaged cord, plug, or equipment. Return to authorized service facilities for inspection or maintenance.
- This heater is only for indoor use only. Do not use it outdoors.
- This heater is not suitable for bathrooms, laundries, and similar indoor places. Do not put the heater in a place where it may fall into a bathtub or other water container.
- Don’t put the wire under the carpet. Do not cover the rope with carpets, blankets, or similar coverings. Do not place wires under furniture or appliances. Arrange the wires away from the traffic area and where you won’t trip.
- If you want to disconnect the device, turn off the control and pull the plug from the socket.
- The machine can only be connected to the correct socket with grounding.
- Do not insert or allow foreign objects to enter any ventilation or exhaust vents, as this may cause electric shock or fire, or damage to the heater.
- In order to prevent a possible fire, do not block the air inlet or exhaust in any way. Do not use on soft surfaces, such as beds, where openings may be blocked.
- There are heating, arc, or spark parts inside the equipment. Do not use in places where gasoline, paint, or flammable liquids are used or stored.
- Use the equipment only as described in this manual. Any other use not recommended by the manufacturer may cause fire, electric shock, or personal injury.
OVERVIEW
PARAMETERS
| Power | 120VAC 60Hz, 12A;12A/per, a total of four. |
| Heating unit | PTC thermistor wire |
| Maximum heat | 20000 Btu |
| Maximum setting temperature | 122℉ |
| Air volume | 250 CFM |
| Filter | MERV-8 |
| Pipeline | Import and export-8 inch flexible pipe (aluminum conduit). |
SIZE SPECIFICATION
Without packing With packing
| Width | 12.6” | 17” |
| Height | 12.6” | 17.8” |
| Depth | 26.2” | 30.5” |
| Weight | 34.6 pounds | 42 pounds |
HOW TO WORK
- The power cord is plugged into socket # 1, the main control system of the device is powered on and starts to operate, as shown in the figure:

- Connect the controller data cable to the EXTERNAL CONTROL CONNECTOR socket to switch on the controller for external temperature detection and control, as shown in the figure.

- When the equipment is not in use, please shut down the operating system (POWER button) first, then disconnect the rocker switch, and then pull out the plug from the socket, as shown in the figure.

PRODUCT FEATURES
| Timing Off | Overheating power cut-off protection |
| Blackout Memory | Room temperature detection |
| Wired Remote Control | High energy efficiency |
| Button Led Display | Stackable |
| Fault Judgment | Fire-proof and flame-retardant material for shell |
| Cycle Mode. | Temperature intelligent sensing |
ACCESSORIES AND MAINTENANCE
DETAILS OF ACCESSORIES
| Name | Specification |
| Filter | 8.9 x 8.7 x 0.6 in MERV-8 |
| External Controller | 1 x 24.6 feet long |
| Power Connection Line | 4 x 24.6 feet long |
| Specification Manual | 1 |
| Straps (stainless Steel) | 2 |
EXTERNAL PIPE
Max Fire Dry 200s can be connected to the inlet, outlet, or both to accommodate 8 “flexible pipes. When choosing flexible pipes, keep in mind the expected outlet temperature. The air temperature usually increases by 50 to 80 degrees Fahrenheit. Increasing the pipe will reduce the airflow, which will cause the outlet temperature to rise again.” Air intake ducts can be ordered from the factory, need to be purchased separately.
Note: aluminum conduit is strongly recommended as it can effectively avoid fire.
MAINTAIN
Max Fire Dry 200is equipped with a standard MERV-8 high-efficiency filter.
It must be checked regularly.
Using a dirty or clogged filter to operate the Max Fire Dry 200will reduce the output of the airflow and eventually cause the heating element to turn off. Installing a clean filter or removing obstacles to restore airflow will make the heating element work again.
Before replacing the filter, you can usually clean it once with a vacuum cleaner.
Replacement filters can be ordered from the factory or purchased locally if any.
Warning: do not operate this machine without a filter or using an inefficient filter.
Do not operate the machine without the upper cover installed. The presence of high pressure may cause the heater to burn out.
Warning: repairing Max Fire Dry 200s alone can cause health hazards and can lead to death, serious personal injury or property damage. Only qualified maintenance personnel can carry out maintenance operations
SERVICE SECTION
| Serial Number | Specification | Number |
| 1 | Foot Pad | 8 |
| 2 | Main Switch | 1 |
| 3 | External Controller Socket | 1 |
| 4 | Display Screen | 1 |
| 5 | MERV-8 Filter Net | 1 |
| 6 | Indicator Light | 1 |
| 7 | Socket | 4 |
| 8 | Overload Switch | 3 |

LCD DISPLAY INSTRUCTIONS

MAIN INTERFACE FUNCTION
DETAILED EXPLANATION OF EACH REGION POWER
Button to switch on and off: switch between boot and shutdown with each press; the device will shut down after 15 seconds after shutdown.
Menu button: adjust the page every time you press the menu button (Home Page “temperature Unit Settings Interface” temperature Settings Interface “run time Settings Interface”Loop Settings Interface” home page).
ADD button: increase the number each time you press.
LESS button: reduce parameters each time you press.
The temperature setting range is between 32 °F-120 °F (0 °C-50 °C), each button “ADD” rises 3 °F (1 °C), each button “LESS” rises 3 °F (1 °C), a long time can continuously adjust the parameters.
When you press “ADD” < 32 °F (0 °C), display “OFF” to turn off this function; press” ADD” to adjust to 176 °F (80 °C).
When you press “LESS” > 176 °F (80 °C), display “OFF” to turn off this function; press
“LESS” to adjust to 32 °F (0 °C).
ICON DISPLAY AREA
The heating wire starts the heating icon to light up, and the heating wire closes the icon to hide.
Fan start fan icon lights up and rotates, fan stop icon is hidden.
At the same time, press the (MENU+ADD) child lock function to open (the icon is lit). Pressing any button at this time will not change the setting of the current screen. When the buttons are misoperated 2 or more times in a row, the child locks a small pop-up window pops out (as shown below). If you need to change the setting, you need to exit the lock mode and press and hold (MENU+ADD) for more than three seconds to close the child lock mode. The machine has been locked, and long press “MENU+ADD” to exit, the other keys can be operated.

TEMPERATURE DISPLAY AREA
In Temp: is collected in the temperature probe at the air inlet Controller Temp is collected in the temperature probe at the remote control.
When the remote control is not connected, the font “IN TEMP” turns yellow. The thermometer symbol of the same color is displayed in front of the font, and the temperature value “SET TEMP” is adopted by “IN TEMP”. When the remote control is connected to the device, the “IN TEMP” turns white and the thermometer symbol disappears. ( the air inlet temperature probe ends the work of the heating wire as long as the detected temperature exceeds 122 degrees Fahrenheit (50 ℃) in any mode. )

The, Controller Temp font turns yellow when the remote control is connected to the device. The thermometer symbol of the same color is displayed in front of the font, and the temperature value “SET TEMP” is adopted by “Controller Temp”. When the remote control is unplugged or damaged, the “Controller Temp” turns to a white thermometer symbol and disappears. When the remote control is inserted but the temperature data cannot be collected, the “small popup window for the failure of the remote control probe” pops up. The set temperature value “SET TEMP” will be valid for IN TEMP.

SET THE TEMPERATURE DISPLAY AREA
- Temperature display area: displays the set temperature, and the number switches with the unit switch. This setting can be set on the device as shown below or on the remote control. Tip: press to confirm the parameters after setting the parameters.

- Temperature setting: press the menu button to enter the temperature setting interface, press “add” and “less” to adjust the parameters, and confirm the setting parameters to go to the next page.

- Runtime setting: press the menu button to enter the runtime page, press “ADD” and “LESS” to adjust the parameters, and confirm that the set parameters go to the next page. Each time you enter the page, the number returns to 00:00.
Note: Before enabling the timed run setting, you need to turn off the circular running setting (that is, set “Time: OFF” to 00:00).
- Standby time setting: press the menu button to enter the standby time setting page, press “add” and “less” to adjust the parameters, and confirm that the set parameters go to the next page. Each time you enter the page, the number is returned to 00:00.

- Loop settings: press the menu button to enter the loop settings page, enter the on submenu first, and press “add” and “less” to adjust the parameters. then press the menu button to enter the off submenu mode, and press “add” and “less” to adjust the parameters. after setting up, press the menu button to return to the home page and run the device according to the set parameters.

TIME DISPLAY AREA
Timer :ON: Display the time that the device needs to run, and the number of times displayed decreases with the decrease of time.
Timer:OFF: Displays the standby time of the device after the running time of the device. When the device is running, the number decreases with the standby time of the device.

When both timings on and off is set, the time of timing off is consumed to 0, and then the clock and the device are activated and turn
GENERAL SETTING
Page order: home page→temperature unit setting interface→temperature setting interface→running time setting interface→standby time setting interface→cyclic running setting interface→home page
- Temperature unit setting: press the menu button to enter the temperature unit setting interface, and switch between “Fahrenheit” and “℃” when pressing “add” or “less”. temperature switch the temperature in all devices is also switched. confirm that the setting parameters proceed to the next page.

Note:
- In any sub-page, if there is no action within 5 seconds to jump out of the submenu to the home page and do not adopt the currently set parameters, run in the original setting mode.
- In Loop mode, any one of the subpages “ON” and “OFF” without setting parameters will not be adopted and will not be able to turn on Loop mode.
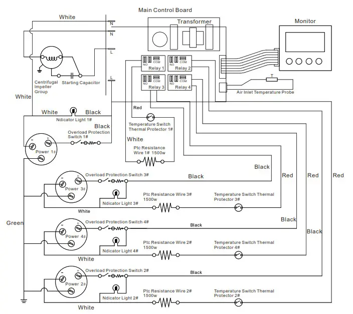
WIRING DIAGRAM

TROUBLESHOOTING
| PANEL DISPLAY FAULT | REASONS | SOLUTIONS |
| Display Is blank | Power Supply. | Verify that both ends of the Power cord are plugged in. |
| Power Outage. | Reset power. | |
| No Airflow | Filter is Dirty. | Clean the filter. |
| AIR Inlet or Outlet is Blocked. | Clear the blockage. | |
| HI | Thermal alarm code pop-up window. | Confirm whether the Inlet air temperature is higher than 50 degrees Celsius, if not. restart the machine. if not. contact customer service. |
| Mat | Fan failure pop-up window. | Confirm that the fan Is running, and contact customer service if fan is not running. |
| RN | Small pop-up window Small air inlet probe failure. | Check to make sure the sensor cable is connected at both ends. If no problem is visible, the sensor may be wrong. |
| Rt2 | Remote control probe failure small pop-up window. | Check to make sure the remote control cable is connected at both ends. and contact customer service if there is no problem. |
LIMITED WARRANTY
All warranty benefits apply to the original owner only. Warranty cannot be transferred or assigned.
Year One (FROM DATE OF PURCHASE): AlorAlr warrants that for one (1) year the MAX Fire Dry 200 Heater will operate free from any defects in materials and workmanship. or AlorAir will, at its option. AlorAlr will repair or replace any malfunctioning components. free of charge (excluding transportation costs).
CUSTOMER RESPONSIBILITIES: In order to take advantage of the warranty service, the customer must do the following:
- Customer must provide normal care and maintenance (including, but not limited to cleaning filters, coils, and pumps)
- Removal and re-installation of the unit is the sole responsibility of the owner.
- If the customer cannot return the unit to a certified repair center. all costs associated with freight shipment are borne by the customer. In addition, all duties related to freight shipments, including but not limited to palletizing. wrapping. labeling. and pickup is associated with the customer.
- If shipped, the customer is responsible for all risks of loss or damage.
AllerAir Warranty Steps
- Once goods are received, customers must log in to www.alorair.com fill out the Warranty Registration form, and submit to AlorAir company. We will receive your purchasing and installation information and save it. lf no warranty registration is sent to us, the warranty period will begin the day the shipment left the warehouse. Please be sure to record serial # and date of installation. You will need this information to receive the RA number.
- If warranty service is necessary, customers must contact AlorAir Tech Support by [email protected] or local technical service phone to receive a Return Authorization (RA number). Once an RA has been issued, customers should bring the unit to a certified repair center.AllerAir will arrange the shipping to bring the unit back to the Alorair warehouse (at the expense of the customers) if customers are not available.
- After the unit has been received by AlorAir (whether at a repair center or the warehouse), AlorAir will have an initial inspection. lf it is determined to be an invalid warranty claim (see exclusions below), customers have to pay for all associated repair costs and shipping costs for units repair.
- Customers can pick up the unit after repair at their own expense for shipping. Units will have rigorous testing before sending it back to customers.
- If the unit can no longer be fixed, and it is in the warranty period and determined to be a valid claim, we will ship the customer a new unit within the same year warranty from the date of replacement.
- After parts are repaired or replaced by AlorAir, the original warranty period continues to apply until it meets its deadline. No extensions to the original warranty period.
- The warranty is only valid if it is purchased from an authorized seller.
WARRANTY
EXCLUSIONS:
DAMAGE DUE TO THE FOLLOWING IS NOT COVERED UNDER WARRANTY
- ACTS OF NATURE- INCLUDING BUT NOT LIMITED TO:
• FLOODING
• FIRE
• WATER DAMAGE
• HURRICANE/STORM DAMAGE - IMPROPER USAGE- INCLUDING BUT NOT LIMITED TO:
• POOL/SPA/TUB APPLICATIONS
• MISUSE, ABUSE, OR TAMPERING WHETHER INTENTIONAL OR ACCIDENTAL
•IMPROPER INSTALLATION OR DESIGN
• IMPROPER VOLTAGE
• LACK OF NORMAL CARE
•FAILURE TO FOLLOW INSTRUCTIONS - CORROSION
- FREEZING
- ANY ADDITIONAL COSTS DUE TO CHANGES IN LAWS OR BUILDING CODES
- FREIGHT CHARGES
- ANY COSTS DUE TO LOST PROFIT OR DELAY
- DAMAGE TO PROPERTY
- CAUSE BEYOND CONTROL
- CONSUMABLE PARTS, INCLUDING BUT NOT LIMITED TO:
• FILTERS
• BATTERIES
•POWER CORDS
• VALVES
•SWITCHES
•RUBBER PARTS - DIRECT, INDIRECT, COLLATERAL, OR INCONSEQUENTIAL DAMAGES OF ANY KIND
THE WARRANTIES AND LIABILITIES SET FORTH ARE IN LIEU OF ALL OTHER WARRANTIES EXPRESSED OR IMPLIED, IN LAW OR IN FACT, INCLUDING IMPLIED WARRANTIES OF MERCHANTABILITY AND FITNESS FOR A PARTICULAR PURPOSE. Alorair’s total liability. regardless of the nature of the claim shall not exceed the original purchase price of the product if a product or component is replaced while under warranty, the applicable warranty period shall not be extended beyond the original warranty time period.
The foregoing shall constitute the total liability of the seller in the case of defective performance of all or any of the equipment or services provided to the buyer. buyer agrees to accept and hereby accepts the foregoing as the sole and exclusive remedy for any breach or alleged breach of warranty by seller. Any dishonesty or fraud in connection with the Alorair warranty thoroughly voids all warranty policies. Alorair expressly reserves the right to pursue legal action in the event of dishonesty, fraud, or attempted fraud.


























