Dr. Prepare DCIC1 Countertop Nugget, Ice Maker

Thank you for making Dr.Prepare Appliances a part of your home. Enjoy the ice, enjoy your life.
A nugget ice maker is an essential appliance for the home. We are grateful that you choose our Dr.Prepare Countertop Nugget IceMaker. Hope you enjoy the tasty and fresh nugget ice it makes. This user guide offers a brief walkthrough of the nit’s features and usage. Please keep the user manual in hand for future reference. Still, need help? Feel free to send us an email at [email protected].
Read all instructions before using the appliance. Safety precautions must be observed to prevent any hazards. Failure to observe safety precautions may result in personal harm and void the manufacturer’s warranty.
Refer to the user manual for detailed information on the control panel and indicators of your Countertop Nugget Ice Maker.
Plug the appliance into a suitable AC outlet. Ensure that the power cord is not damaged. If the power cord is damaged, please contact our customer service team for assistance.Making Ice
Follow these steps to make ice using your Countertop Nugget IceMaker:
- Ensure the appliance is connected to a power source and turned on.
- Fill the water reservoir with clean water up to the recommended level.
- Select the desired ice size or mode using the control panel.
- Wait for the ice maker to produce the nugget ice. This may take several minutes depending on the selected mode and ambient temperature.
- Once the ice is ready, it will be automatically dispensed into the ice basket.
Specifications
Refer to the user manual for detailed specifications of your Countertop Nugget Ice Maker.
Frequently Asked Questions
Refer to the user manual for frequently asked questions and their answers related to your Countertop Nugget Ice Maker.
Limited Warranty
Refer to the user manual for information on the limited warranty provided for your Countertop Nugget Ice Maker.
Customer Support
If you require further assistance or have any questions, please contact our customer support team.
This user guide offers a brief walkthrough of the unit’s features and usage. Please keep the user manual in hand for future reference.
Still, need help? Feel free to send us an email at [email protected]
THANK YOU FOR MAKING DR.PREPARE APPLIANCES A PART OF YOUR HOME.
ENJOY THE ICE, ENJOY YOUR LIFE.
A nugget ice maker is an essential appliance for the home. We are grateful that you choose our Dr.Prepare Countertop Nugget Ice Maker. Hope you enjoy the tasty and fresh nugget ice it makes.
Important Safety Information
Read All Instructions Before Using The Appliance. Safety precautions must be observed to prevent any hazards. Failure to observe safety precautions may result in personal harm and void the manufacturer’s warranty. Safety precautions must be observed to prevent any hazards. Failure to observe safety precautions may result in personal harm and void the manufacturer’s warranty.
- When using electrical appliances, basic safety precautions should be followed to reduce the risk of fire, electric shock, and harm to the user and/or property.
- This appliance is not intended for use by persons (including children) with reduced physical, sensory, or mental capabilities, inexperience, or ignorance of its operation unless properly instructed or supervised by a person responsible for its safety who has a clear understanding of its operation.
- The same applies to the cleaning and maintenance of this appliance. This product is NOT a toy.
General
- Close supervision is required if the appliance is being used near children or pets. Do not allow children or pets to climb, stand, or hang on the appliance. They could seriously injure themselves.
- Do not immerse the appliance in water. Do not use it in the bathroom or where it may be splashed with water.
- If the appliance has been stored in an extremely cold environment, please warm it to room temperature before use.
- Do not alter the cooling circuit (piping) yourself.
- Do not attempt to disassemble, repair, modify, or replace any part of the appliance.
- The appliance is intended for use in households and similar applications, such as staff kitchen areas in shops, offices, and other working environments; BNB (bed and breakfast), hotels, motels, and other residential-type environments; catering and similar non-retail applications.
- If the power cord is damaged, please contact our customer service team. Allow damaged supply cords to be replaced by the manufacturer, service agent, or a similarly qualified person to avoid any hazards to yourself.
About Installation
The appliance must be installed upright on a flat, level surface that is able to support the total weight when full of water.
- Ensure a minimum of six inches (6”) clearance around the side and back walls of the appliance for proper air circulation.
- Do not tip over the appliance.
- Do not place and/or use the appliance near heat sources, such as ovens or cooktops, or places with excessive dust.
- Install the appliance in a well-ventilated area with an ambient temperature below 90℉.
- Do not place the appliance in direct sunlight.
About the First Use
- DO NOT turn on this appliance immediately after unboxing. Allow 24 hours for the refrigerant in the appliance to stabilize before using it for the first time.
- We suggest cleaning the appliance with an ice cleaner or citric acid before first use to avoid dirt or odors from the ice cubes.
- From the data in our lab testing, if the appliance is not being used for a long time and is not being cleaned before use, it will produce ice with dirt and/or an odor. But this condition can disappear after several ice production cycles. It’s NOT a product defect. DO NOT consume any ice with dirt and/or an odor.
About Filling Water
- Just fill the reservoir with water that is safe to drink. Filling with purified or distilled water is highly recommended.
- Make sure that the rear drain tube is firmly plugged before adding water to the reservoir.
About Operation
- Do not operate if any component, including the cord or plug, is damaged. If the power cord or plug is damaged, it must be replaced by the manufacturer in order to avoid any hazards.
- Connect the appliance to a proper socket. Confirm that the plug is fully inserted into the socket.
- Do not use a damaged power plug or a loose socket.
- Do not lay the power cord over a carpet or other heat insulators.
- Do not place the power cord on the floor where it could be stepped on by people or crushed by a trolley, cart, etc.
- Do not submerge the power cord into the water.
- Do not place hands or objects on or near the evaporator while the ice maker is running.
- Do not touch any interior part of the appliance and leave the lid closed when the machine is produc-ing ice.
- If a problem occurs, stop using the appliance immediately.
- When unplugging the appliance, hold the plug head instead of the power cord.
- Do not plug or unplug the appliance with wet hands.
About Ice Production
The nugget ice made at the beginning will be relatively small. Don’t worry, this is not a defect. The appliance will take several cycles to produce the expected size.
About Cleaning and Maintenance
- Unplug the appliance before doing interior and exterior cleaning or servicing.
- Do not use flammable or corrosive vapors or liquids to clean the appliance or else will cause a fire hazard or explosion.
- Do not dismantle or modify the appliance yourself.
- Regularly remove the accumulated dust from the plug.
About Storage
Do not store or use flammable vapors or liquids near the appliance.
Do not place anything in the ice bin when the appliance is not in use as it is not designed for storage.
Disconnect the power supply and drain out the remaining water from the rear drain tube if the appliance is not being used for a long period.
Fire or Explosion Hazard: Flammable Refrigerant
This appliance contains isobutane refrigerant, also known as R600A, a natural gas with high environmental compatibility. However, it is also combustible. Adhere to the warnings below to reduce the risk of injury or property damage.
- When handling, installing, and operating the appliance, care should be taken to avoid damage to the refrigerant tubing.
Service shall only be performed by authorized service personnel. Use only manufacturer-authorized service parts. - Dispose of the refrigerator in accordance with Federal and Local Regulations. The flammable refrigerant and insulation material used in this product requires special disposal procedures. Contact your local authorities for the environmentally safe disposal of your refrigerator.
- Do not use any electrical device to defrost your appliance.
UNPACK AND INSTALL YOUR ICE MAKER
- Carefully remove the packing material. Do not use sharp tools that can damage the box contents.
- Make sure that the ice bin and ice scoop are included. If any part or accessory is missing, please contact our customer service team.
- Clean the interior with lukewarm water and a soft cloth. Remove the ice bin and wash it with warm water.
- Locate the ice maker in a place that is protected from direct sunlight, and allows for a minimum of six inches (6”) clearance around the side and back walls of the ice maker for proper air circulation.
- For first use, we suggest using an ice machine cleaner and descaler, citric acid, or vinegar to clean the ice maker.
WHAT’S IN THE BOX

- Ice Scoop and Bin Used for serving and storing the ice.
- Viewing Window Allows you to see the amount of ice being produced without opening the top cover to let warm air in.
- Air Vents Located on the back and sides of the appliance, help prevent the ice maker from overheating.
NOTE: When placing the ice maker, allow at least six inches (6”) of space all around it for proper ventilation. - Water Drain Tube Allows you to easily empty the water in the reservoir.
UNDERSTANDING THE CONTROL PANEL AND INDICATORS

- Standby Mode
When the ice maker is powered on (plugged into an AC 110-120V/60Hz power socket), all indicators on the control panel will light up for 3 seconds, and then the “ON/OFF” indicator will turn RED steadily while other indicators are off. The ice maker is in standby mode. - Turn ON/OFF
In standby mode, tap the “ON/OFF” power button to turn on the ice maker, and the “ON/OFF” indicator goes blue. Tap again to shut it off, and the indicator will turn red. At the same time, the compressor and pump stop working immediately. Around 30 seconds later, the ventilating fan stops working, and 60 seconds later, the extrusion motor stops working. - Ice Full
- When the infrared probe continuously detects ice particles or other objects blocking its path for more than 5 minutes, it enters the “Ice Full” protection program, and the “Ice Full” indicator turns red.
- When no object is detected continuously for more than 30 seconds, the “Ice Full” protec-tion program will be unlocked, the indicator will go off, and the ice maker will automatically start working again.
- Add Water
When the “Add Water” indicator lights up, the ice maker will automatically turn off, and you need to refill water into the water reservoir below the ice bin, and then tap the power button twice to restart the ice production process. - Clean (Self-Cleaning)
In power-on standby mode, tap the “CLEAN” button once, the ice maker enters the self-cleaning program and lasts for 5 minutes, and the indicator lights blue. During the self-cleaning process, tap the “CLEAN” button again to stop and then go back to standby mode.
CONNECTING TO AN AC OUTLET
Improper use of the grounded plug will result in the risk of electrical shock. If the power cord is damaged, please do not attempt to use the appliance, and contact the customer service team for assistance.
- This appliance should be properly grounded for your safety.
- Plug the appliance directly into an appropriate 120V AC outlet that is properly installed and grounded in accordance with all local codes and ordinances. When the ice maker is powered on, it runs a two-cycle self-cleaning process that lasts about 2-3 minutes, which helps the machine make ice more smoothly.
On Ice Producing
While the ice maker is on, check the “Add Water” indicator periodically. If there is not enough water in the reservoir to produce ice, the ice maker will stop automatically, and the “Add Water” indicator will light up. Add water and not surpass the MAX fill line, tap the power button to enter standby mode, and tap again to restart making ice.
The ice maker automatically turns off when the ice bin is full, and the “Ice Full” indicator will light up. And it will automatically continue to make ice after detecting that there is no obstruction at the ice outlet for 30 seconds.
Replace the water in the reservoir every 24 hours to ensure a reasonable level of hygiene. If the appliance is not in use for a few days, drain all water from the reservoir and refill it before using it again.
Cleaning and Maintenance
The ice maker has a built-in self-cleaning function and it is highly recommended that you use this function to clean this appliance before first use.


MAKING ICE
- Open the top cover, and remove the ice bin.
- Fill the reservoir with purified or distilled (safe to drink) water up to the MAX fill line. Purified or distilled water is strongly recommended for ice-making to prevent scaling. If you use tap or drinking water, it is recommended to use an ice machine cleaner and start the self-cleaning function regularly every week to prevent scale accumulation.
- Place the ice bin back into the appliance and close the cover lid.
- Plug in the ice maker.
- Tap the ON/OFF button once to turn the ice maker on.
Drain Water
Turn On The Self-cleaning Function
- Plug in the ice maker and let it enter standby mode. The “ON/OFF” indicator will turn red.
- Add ice machine cleaning water to the reservoir. Close the top cover lid.
- Tap the “CLEAN” button to activate the self-cleaning function. The “CLEAN” indicator lights on.
- The self-cleaning function will run for 5 minutes.
- If you want to manually shut down the self-cleaning function, tap the “CLEAN” button again. It is recommended to allow the self-cleaning process to last at least 30 seconds.
Drain Water
- Unhook the top of the drain tube from the back of the ice maker.
- Then lay the tube down to drain into a sink or bucket that is below the level of the ice maker.
- Remove the plug and allow the water to completely drain.
- Once the water stops flowing, re-insert the drain plug.
We recommend draining the ice maker when:
- You put it away or else it’s being relocated.
- You turn it off for more than a few days, i.e. vacation time.
Clean The Interior And Exterior of The Ice Maker
- Unplug the ice maker.
- Remove the ice bin.
- Clean the interior with a soft cloth dampened with ice machine cleaner and warm water.
- Clean the outer housing with a soft cloth dampened with ice machine cleaner and warm water regularly.
- Dry the interior and exterior with a soft cloth.
- Put the drain tube back in place.
NOTE: Do not use soap to clean the reservoir. Use a soft cloth moistened with ice machine cleaning water.
Clean The Ice Bin And Reservoir
- Remove the ice bin from the ice maker and clean it with a soft cloth dampened with ice machine cleaner and warm water. Rinse thoroughly. Dry with a soft cloth. Do not use solvents or chemicals.
- The water reservoir should be wiped dry. Water left in it may leave deposits. Dry with a soft cloth. Do not use solvents or chemicals.
Maintaining
- To keep your nugget ice looking good and tasting fresh and to remove the scale build-up from using tap or drinking water, it is recommended to run a self-cleaning function before each use or at least once per week.
- Clean the interior and exterior housing frequently to ensure the removal of any built-up debris or dust particles from storage.
SPECIFICATIONS
|
General | Model | DIM-20A |
| Product Weight | 34 lbs/15.3 kg | |
| Product Dimensions | 16.5 x 10.6 x 16.5 in/ 418 x 270 x 419 mm (D x W x H) | |
| Capacity | Storage Bin Capacity | 3.5 lbs |
| Daily Ice Production | 40 lbs | |
|
Power | Voltage | 120V |
| Hertz | 60 Hz | |
| Current | 2.8A | |
|
Features | Installation | Countertop |
| Installation clearance (sides and back) | 6 inches (6’’) | |
| Ice Type | Nugget Ice | |
| Ice Scoop | Yes |
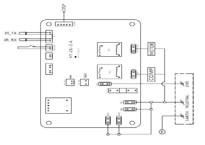
ELECTRICAL SCHEMATIC DIAGRAM

FREQUENTLY ASKED QUESTIONS (FAQS)
| Problems | Possible Reasons | Solutions |
| Internal squeaking noise when working. | There is nugget ice inside the evaporator that has not been squeezed out from the previous production. | It will automatically disappear after two self-cleaning processes, or allow it to stop working for 1 hour. If the noise still exists, please contact our customer service team. |
| “Add Water” indicator is on. | Water level is low. | Turn off the ice maker, add water to the reservoir, then turn on the ice maker. |
|
“Ice Full” indicator is on. |
The sensor is blocked by ice. | 1) If the ice is full, the ice maker will automatically stop making ice after a 5-minute prompt. 2) If the ice is not full, when the blocked ice drops into the ice bin, the prompt will automatically disappear and continue to make ice. |
| The ice sensor is broken. | Restart the ice maker, and see if ice production is working properly again. If not, please contact our customer service team. | |
| The ice scoop blocks the sensor. | Check if the ice scoop is blocking the sensor; if it is, remove and rearrange the ice scoop. | |
|
Nugget ice stuck together. | The ice making cycle is too long. | Shut off and restart the ice maker when the current ice cubes drop. |
| The water temperature in the water reservoir is too high. | Use colder purified or distilled water to fill the reservoir. | |
| The ice is full, but the indicator is off. | The location of the ice maker is too close to a light source that affects infrared detection. | Move the ice maker away from the always-on light source, or to a darker location. |
|
The ice making cycle is normal, but there is no ice. | The ambient temperature or water temperature is too high. | Keep the ice maker away from any heat location that is above 90℉, and fill the reservoir with cold water. |
| Refrigerant liquid leakage. | Contact our customer service team. | |
| The pipe in the cooling system is blocked. | Contact our customer service team. |
Normal Operating Sounds
Your ice maker may make sounds that are not familiar, but most of these sounds are normal. Hard surfaces like floors, walls, and countertops can amplify these sounds.
- Clicking sound: When the ice maker is turned on or off, if there is any ice left inside from the previous production, you will hear a clicking sound.
- Bubbling, gurgling, or tapping sound: The refrigerant circulates through the pipes.
- Clanking sound: As the ice is produced, it drops into the ice bin. The first nuggets produced are the loudest, as they impact the bottom of the ice bin. As the bin fills, the noise significantly reduces.
LIMITED WARRANTY
This appliance is covered by a limited 12-month manufacturer warranty. From the date of the original purchase, if the ice maker fails due to a defect in materials or workmanship, during the limited 12-month warranty, the manufacturer, Dr.Prepare, will repair or replace any parts of this appliance as long as the appliance was proven to be used under normal operating conditions intended by the manufacturer.
We only provide after-sales service for products sold by Dr.Prepare or retailers and distributors authorized by Dr.Prepare. If you have purchased your unit through other channels, please contact your seller for more information about the return and warranty.
Warranty Terms
During the warranty period, any components of this appliance found to be defective due to material or workmanship will be repaired or replaced, at the manufacturer’s discretion, at no charge to the original purchaser.
The purchaser will be responsible for any removal or transportation costs.
Warranty Exclusions
The warranty will not apply if damage is caused by any of the following:
- Power failures.
- Improper installation, delivery, or maintenance.
- Accident, alteration, misuse, or abuse of the appliance using non-approved accessories, or abnormal operating conditions.
- Use in commercial or industrial applications.
- Fire, water damage, theft, war, riot, hostility, or acts of God such as hurricanes, floods, etc.
- Use of force or damage caused by external influences.
- Partially or completely dismantled appliances.
Obtaining Services
When making a warranty claim, please include the original bill of purchase with the purchase date available. Once confirmed that your appliance is eligible for warranty service, all repairs will be performed by a Dr.Prepare authorized repair facility. The purchaser will be responsible for any removal or transportation costs. Replacement parts and/or units will be new, remanufactured, or refurbished and are subject to the manufacturer’s discretion.
CUSTOMER SUPPORT Need help?
Feel free to send us an email at [email protected] Want to see more products? Visit our official store: drprepare.com




















