
POCKET DOOR PISTON
FITTING INSTRUCTIONS
Release Buffer
When sliding doors are opened they should possibly clear the passage completely. In case of pocket doors, where the door disappears in the wall, the door handle for closing the door by hand is no longer accessible.
In this case the DICTATOR release buffer is the ideal solution. It is invisibly installed either on the opening edge of the door or on the wall.

Installation, Functioning
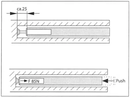
The door can be opened completely, it disappears in the wall pocket and is kept there by the release buffer. If you want to close the door, you just have to push lightly against its edge. The piston rod of the release buffer is compressed and the integrated spring pushes the door out of the wall pocket at a maximum force of 85 N to make the door handle accessible.

In the wall pocket behind the opened door you only” need a space of 25 mm for the buffer. At the end of the piston rod is a magnet that keeps the
door safely in the opened position. If the door or frame is not made from metal, you need a small metal plate (e.g. a was-her) as a counter port.
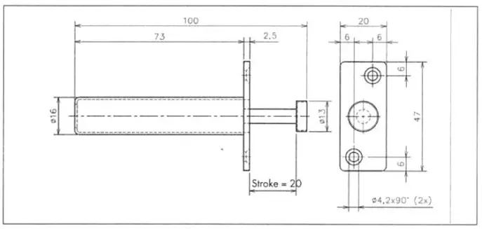
Dimensions

Technical Data
| Stroke | 20 mm |
| Extension force | max. 85 N |
| Material casing and front plate | zinc-plated steel |
Order Information
| Release buffer | Part no. 500260 |

Coburn Sliding Systems Limited, Unit1, Cardinal West, Cardinal Way, Godmanchester PE29 2XN
Tel: +44 (0)208545 6720,
E-mail: [email protected]
www.coburn.co.uk
PART No. 95604.10

















