Hatco GRNH Series GLO-RAY Infrared Strip Heaters Instruction Manual
WARNING
Do not operate this equipment unless you have read and understood the contents of this manual! Failure to follow the instructions contained in this manual may result in serious injury or death. This manual contains important safety information concerning the maintenance, use, and operation of this product. If you’re unable to understand the contents of this manual, please bring it to the attention of your supervisor. Keep this manual in a safe location for future reference.
IMPORTANT OWNER INFORMATION
Record the model number, serial number, voltage, and purchase date of your strip heater in the spaces below (specification label located on the underside of the unit). Please have this information available when calling Hatco for service assistance.
model No. ________________________________________
Serial No. ________________________________________
Voltage __________________________________________
Date of Purchase __________________________________
Register your unit!
Completing online warranty registration will prevent delay in obtaining warranty coverage. access the Hatco website at www.hatcocorp.com, select the Parts & Service pull-down menu, and click on “Warranty Registration”.
Business
Hours:
8:00 am to 5:00 Pm Central Standard Time (CST)
(Summer Hours: June to September—
8:00 am to 5:00 Pm CST monday–Thursday
8:00 am to 2:30 Pm CST Friday)
Telephone: 800-558-0607; 414-671-6350
E-mail: [email protected]
Fax: 800-690-2966 (Parts and Service)
414-671-3976 (International)
24 Hour 7 Day Parts and Service
Assistance available in the United States and Canada by calling 800-558-0607.
additional information can be found by visiting our web site at
www.hatcocorp.com.
INTRODUCTION
Hatco Glo-Ray® Infrared Strip Heaters ensure maximum food holding and minimize the risk of food-borne illness. Optimum safety and quality is the result of food held at the proper serving temperatures using Glo-Ray’s pre-focused heat patterns. The pre-focused heat pattern prevents foods from being overcooked in the middle and cooling off around the edges by concentrating higher temperatures to the outer edges of holding surfaces where heat loss is the greatest. Utilizing specially designed reflectors to direct the heat from the element, GloRay Strip Heaters safely maintain peak serving temperatures longer without cooking the food beyond the point of excellence.
Glo-Ray Infrared Strip Heaters are available from the factory with or without shatter-resistant incandescent lights to illuminate the warming area. These bulbs have a special coating that guards against injury and food contamination in the event of breakage.
Glo-Ray Infrared Strip Heaters are a product of extensive research and field testing. The materials used were selected for maximum durability, attractive appearance, and optimum performance. Every unit is inspected and tested thoroughly prior to shipment.
This manual provides the installation, safety, and operating instructions for Glo-Ray Infrared Strip Heaters. Hatco recommends all installation, operating, and safety instructions appearing in this manual be read prior to installation or operation of the Strip Heaters.
Safety information that appears in this manual is identified by the following signal word panels:
WARNING indicates a hazardous situation which, if not avoided, could result in death or serious injury.
CAUTION indicates a hazardous situation which, if not avoided, could result in minor or moderate injury.
NOTICE is used to address practices not related to personal injury
Read the following important safety information before using this equipment to avoid serious injury or death and to avoid damage to equipment or property.
WARNING
ELECTRIC SHOCK HAzARD:
- Units supplied without an electrical plug require a hardwired connection to on-site electrical system. Connection must be properly grounded and of correct voltage, size, and configuration for electrical specifications of unit. Contact a qualified electrician to determine and perform proper electrical connection.
- Plug unit into a properly grounded electrical receptacle of the correct voltage, size, and plug configuration. If plug and receptacle do not match, contact a qualified electrician to determine and install proper voltage and size electrical receptacle.
- Turn OFF power switch, unplug power cord/turn off power at circuit breaker, and allow unit to cool before performing any cleaning, adjustments, or maintenance.
- DO NOT submerge or saturate with water. Unit is not waterproof. Do not operate if unit has been submerged or saturated with water.
- This unit is not “jet-proof” construction. Do not use jet-clean spray to clean this unit.
- Do not steam clean or use excessive water on unit.
- Discontinue use if power cord is frayed or worn.
- Do not attempt to repair or replace a damaged power cord.
The cord must be replaced by Hatco, an Authorized Hatco Service Agent, or a person with similar qualifications. - Use only Genuine Hatco Replacement Parts when service is required. Failure to use Genuine Hatco Replacement Parts will void all warranties and may subject operators of the equipment to hazardous electrical voltage, resulting in electrical shock or burn. Genuine Hatco Replacement Parts are specified to operate safely in the environments in which they are used. Some aftermarket or generic replacement parts do not have the characteristics that will allow them to operate safely in Hatco equipment.
FIRE HAzARD:
- Locate unit the correct distance from combustible walls and materials. If safe distances are not maintained, discoloration or combustion could occur. Refer to specific installation and mounting information in this manual for proper clearances.
- Make sure to follow the installation information listed below for specific strip heaters. If safe distances are not maintained, discoloration or combustion could occur.
- Do not install standard wattage strip heaters (GR, GRA, GRN, GRL, and GRAL Series) less than 10″ (254 mm) above combustible surfaces.
- Do not install high wattage strip heaters (GRH, GRHL, GRAH, GRNH, GRAHL Series) less than 13-1/2″ (343 mm) above combustible surfaces.
- Do not install dual strip heaters above combustible surfaces.
- Install all single strip heaters with a minimum distance of 3″ (76 mm) from a combustible wall or adjacent surface.
EXPLOSION HAZARD: Do not store or use gasoline or other flammable vapors or liquids in the vicinity of this or any other appliance.
Use only light bulbs that meet or exceed National Sanitation
Foundation (NSF) standards and are specifically designed for food holding areas. Breakage of light bulbs not specially coated could result in personal injury and/or food contamination.
This unit is not intended for use by children or persons with reduced physical, sensory, or mental capabilities. Ensure proper supervision of children and keep them away from the unit.
WARNING
Make sure all operators have been instructed on the safe and proper use of the unit.
Make sure food product has been heated to the proper food-safe temperature before placing in unit. Failure to heat food product properly may result in serious health risks. This unit is for holding pre-heated food product only.
For installation with chains, make sure the chains have sufficient strength and are securely fastened to both the unit and the mounting location. Poorly installed chains may cause the unit to loosen and fall. Do not place anything on top of units installed with chains.
This unit has no “user-serviceable” parts. If service is required on this unit, contact an Authorized Hatco Service Agent or contact the Hatco Service Department at 800-558-0607 or 414-671-6350; fax 800-690-2966; or International fax 414-671-3976.
CAUTION
BURN HAZARD: Some exterior surfaces on the unit will get hot.
Use caution when touching these areas.
Standard and approved manufacturing oils may smoke up to 30 minutes during initial startup. This is a temporary condition.
Operate unit without food product until smoke dissipates.
Strip heaters equipped with incandescent lights that require a circuit breaker larger than 20 amps for the heat element must have a separate circuit breaker for the incandescent lights that is 20 amps or less.
To ensure safe and proper operation, refer to the Clearance Requirements listed in the Installation section of this manual.
NOTICE
Installation of two or more separate units with less than 3″ (76 mm) between housings may result in premature failure of component parts. Failure to provide proper spacing may result in heat damage to electrical components.
Units are voltage-specific. Refer to specification label for electrical requirements before beginning installation.
Do not add a decorative soffit to hide a pass-through mounted strip heater. Excessive heat can cause unit failure.
To prevent premature failure of components due to excessive heat, remote mounted control switches must be installed outside the strip heater heat zone.
Damage to any countertop material caused by heat generated from Hatco equipment is not covered under the Hatco warranty.
Contact the manufacturer of the countertop material for application information.
Use non-abrasive cleaners and cloths only. Abrasive cleaners and cloths could scratch the finish of the unit, marring its appearance and making it susceptible to soil accumulation.
IMPORTANT—DO NOT use paper towel or glass cleaner to clean plastic surfaces. Paper towel and glass cleaner may scratch the material. Wipe off plastic surfaces using a soft, clean, water dampened cloth.
Do not locate unit in area with excessive air movement around unit. Avoid areas that may be subject to active air movements or currents (i.e., near exhaust fans/hoods, air conditioning ducts, and exterior doors).
MODEL DESCRIPTION
All Models
GRa-48 model
GRaHL-48 model
GRaL-48D model
GRN-48 model
Hatco Glo-Ray® Infrared Strip Heaters keep hot foods at optimum serving temperatures longer. Foods do not dry out or become discolored; even the most delicate dishes hold that “justprepared” look. The Glo-Ray pre-focused heat pattern directs heat from a tubular element to bathe the entire holding surface.
Glo-Ray strip heaters can be ordered in standard or high wattage configurations, stainless steel housings in lengths of 24″–96″ (610 mm–2438 mm), aluminum housings in lengths of 18″–144″ (457–3658 mm), or narrow design housings in lengths of 18″–72″ (457–1829 mm).
All strip heaters have several mounting options and switch locations. Optional infinite control switches, remote control enclosures, incandescent lighting, and sneeze guards are available also.
GR-xx, GRH-xx, GRL-xx, and GRHL-xx Models
Stainless steel models are available with or without incandescent lights
NOTE: Stainless steel strip heaters are not available with sneeze guards.
GRA-xx, GRAH-xx, GRAL-xx, and GRAHL-xx Models
aluminum, single element models are available either with or without incandescent lights or sneeze guards.
GR-xxD, GRA-xxD, GRH-xxD, GRAH-xxD, GRL-xxD, GRAL-xxD, GRHL-xxD, and GRAHL-xxD Models
Dual models allow for side-by-side mounting of two or more strip heaters to provide a wider holding area. Dual models are constructed with a required 3″ (76 mm) or 6″ (152 mm) spacer between heating elements.
Dual models are available either with or without incandescent lights or sneeze guards (sneeze guards not available for stainless steel models).
NOTE: Incandescent lights and sneeze guards are not available for retrofit.
GRN-xx and GRNH-xx Models
Narrow models are available in stainless steel or powdercoated steel in several Designer colors.
NOTE: Narrow design strip heaters are not available with lights, sneeze guards, or as dual units.
MODEL DESIGNATION

SPECIFICATIONS
Plug Configurations
An attached 6’ (1829 mm) cord and plug is available as a factory-installed option for certain units. These units must be 120 V (volt) models with built-in controls that are 72″ (1829 mm) in width or less and mounted with a standard chain kit, C-leg stand, or T-leg stand.
NOTE: Cord and plug configurations are not available for units with adjustable tubular stands or non-adjustable tubular stands.
WARNING
ELECTRIC SHOCK HAZARD: Plug unit into a properly grounded electrical receptacle of the correct voltage, size, and plug configuration. If plug and receptacle do not match, contact a qualified electrician to determine and install proper voltage and size electrical receptacle.
Plug Configuration 
NOTE: Receptacle not supplied by Hatco.
NOTE: Refer to the wiring diagram supplied with the unit and specification label attached to the unit for specific electrical information. Also, refer to the “Electrical Rating Charts” document on the Infrared Strip Heaters page of the Hatco website (www.hatcocorp.com).
Dimensions
| Model | Width (A) | Height (B) | Depth (C) | Depth (D) | Height (E) |
| GR and GRH | 18″–96″ (457–2438 mm) | 2-1/2″ (63 mm) | 6″ (152 mm) | — | — |
| GRa and GRaH | 18″–144″ (457–3658 mm) | 2-1/2″ (63 mm) | 6″ (152 mm) | 23″ (584 mm) | 4″ (102 mm) |
| GRaL and GRaHL | 18″–144″ (457–3658 mm) | 2-1/2″ (63 mm) | 9″ (229 mm) | 26″ (660 mm) | 4″ (102 mm) |
| GRL and GRHL | 18″–72″ (457–1829 mm) | 2-1/2″ (63 mm) | 9″ (229 mm) | 26″ (660 mm) | 4″ (102 mm) |
| GR-, GRa-, GRH-, GRaH-, GRL-, GRaL-, GRHL-, and GRaHL-XXD | 18″–144″ (457–3658 mm) | 2-1/2″ (63 mm) | 3″ spacer: 15″ (381 mm) 6″ spacer: 18″ (457 mm) | 3″ spacer: 32″ (813 mm) 6″ spacer: 35″ (889 mm) | 4″ (102 mm) |
| GRN and GRNH | 18″–72″ (457–1829 mm) | 2″ (51 mm) | 4″ (102 mm) | — | — |

INSTALLATION
General
Use the information in this section to prepare for and install a Glo-Ray® Infrared Strip Heater. make sure to locate the specific information in this section for the type of installation. Strip heaters are shipped with most components pre-assembled.
Dual units are supplied with a required 3″ (76 mm) or 6″ (152 mm) spacer pre-assembled at the factory.
WARNING
FIRE HAZARD:
- Locate the unit the correct distance from combustible walls and materials. If safe distances are not maintained, discoloration or combustion could occur.
Refer to specific installation and mounting information in this manual for proper clearances. - Make sure to follow the installation information listed below for specific strip heaters. If safe distances are not maintained, discoloration or combustion could occur.
- Do not install standard wattage strip heaters (GR, GRA, GRN, GRL, and GRAL Series) less than 10″ (254 mm) above combustible surfaces.
- Do not install high wattage strip heaters (GRH, GRHL, GRAH, GRNH, GRAHL Series) less than 13-1/2″ (343 mm) above combustible surfaces.
- Do not install dual strip heaters above combustible surfaces.
- Install all single strip heaters with a minimum distance of 3″ (76 mm) from a combustible wall or adjacent surface.
CAUTION
To ensure safe and proper operation, refer to the Clearance Requirements listed in the Installation section of this manual.
NOTICE
Units are voltage-specific. Refer to specification label for electrical requirements before beginning installation.
Do not add a decorative soffit to hide a pass-through mounted strip heater. Excessive heat can cause unit failure.
Damage to any countertop material caused by heat generated from Hatco equipment is not covered under the Hatco warranty. Contact the manufacturer of the countertop material for application information.
NOTE: Contact the manufacturer of the countertop base material for application information and surface temperature limits before installing the unit.
- Remove the unit from the shipping carton and remove all packing materials.
NOTE: To prevent delay in obtaining warranty coverage, complete online warranty registration. See the IMPORTANT OWNER INFORMATION section for details. - Remove tape and protective packaging from all surfaces of the unit.
NOTE: If the unit is configured with optional equipment, see the OPTIONS AND ACCESSORIES section in this manual. - Install/mount the unit in an appropriate location.
- Verify recommended mounting heights and minimum clearance requirements are met for the appropriate model. Refer to “Recommended mounting Heights” and “minimum Clearance Requirements” in this section.
- For portable unit installation, refer to “Installing Portable Units” in this section.
- For chain suspension installation, refer to “Installing Chain Suspended Units” in this section.
- For permanent unit installation, refer to “Installing Permanent Units” in this section.
Dual Mounting
When mounting units side-by-side, a space not less than 3″ (76 mm) must be maintained between units. Dual units ordered from the factory are shipped with a pre-assembled 3″ (76 mm) or 6″ (152 mm) spacer.
NOTE: Dual units are available with aluminum housings only
NOTICE
Installation of two or more separate units with less than 3″ (76 mm) between housings may result in premature failure of component parts. Failure to provide proper spacing may result in heat damage to electrical components.
Under Shelf Mounting
When mounting a unit under a shelf, use adjustable angle brackets to assure proper spacing. Remote control enclosures are recommended to keep switches out of the heat zone and prevent premature failure.
Pass-Through
If a pass-through area is 12″–16″ (305–406 mm) deep, a standard wattage or high wattage single unit can be used. For a 20″–24″ (508–610 mm) deep pass-through area, a dual unit in either standard or high wattage is recommended. Installation of multiple units must have a minimum spacing of 3″ (76 mm) between heaters.
T-Legs or C-Legs
Units must be 120 V and be equipped with a cord and plug. Do not mount units longer than 72″ (1829 mm) on T-legs or C-legs.
Over Steam Table
When mounting over a steam table, a remote control enclosure must be installed.
Recommended Mounting Heights
Recommended Element Height for the GR, GRa, GRL, GRH, GRHL, GRN, GRaH, GRaL, GRNH, and GRaHL models in all lengths (excluding dual models).
Recommended Element Height for dual models with a 3″ (76 mm) spacer in all lengths.
Recommended Element Height for dual models with a 6″ (152 mm) spacer in all lengths.
Minimum Clearance Requirements for Combustible Surroundings
| Models | (A) | (B) | (C) |
| GRA and GRAL | 10″ (254 mm) | 3″ (76 mm) | 1″ (25 mm) |
| GRAH and GRAHL | 13-1/2″ (343 mm) | 3″ (76 mm) | 1″ (25 mm) |
NOTE: Dual strip heaters cannot be installed in combustible surroundings.
Combustible Clearance Requirements
NOTE: The size of heat patterns vary depending on the height of the unit.
Minimum Clearance Requirements for Non-Combustible Surroundings
Corded Units with Built-In Switches
| Models | (A) | (B)* | (C) |
| GRA and GRAL | 10″ (254 mm) | — | 3″ (76 mm) |
| GRAH and GRAHL | 11″ (279 mm) | — | 3″ (76 mm) |
Hardwired Units with Built-In Switches
| Models | (A) | (B)* | (C) |
| GRA and GRAL | 8″ (203 mm) | — | 1″ (25 mm) |
| GRAH and GRAHL with Infinite Control or Indicator Light | 10″ (254 mm) | — | 1″ (25 mm) |
| GRAH and GRAHL with ON/OFF Toggle Switch | 8″ (203 mm) | — | 1″ (25 mm) |
Hardwired Units with Remote Switches
Non-Combustible Clearance Requirements 
Dual Units with Built-In Switches
| Models | (A) | (B)* | (C) |
| GRa-XXD GRaH-XXD GRaL-XXD GRaHL-XXD | 10″ (203 mm) | — | 1″ (25 mm) |
Dual Units with Remote Switches
| Models | (A) | (B) | (C) |
| GRa-XXD GRaH-XXD GRaL-XXD GRaHL-XXD | 8″ (203 mm) | 3″ (76 mm) | 0″ (0 mm) |
* Must be a pass-through application—not allowed with back wall installation.
Installing Portable Units
Single strip heaters under 6′ (1829 mm) long can be mounted on C-Leg or T-Leg stands for portable use. Portable units are available in 120 V only and are required to have a power cord and plug connection.
NOTE: C-Legs and T-Legs are not to be used with dual strip heater units.
C-Leg Stand Mounting
Two types of C-Legs are available.
- CL-Low = 10″ (254 mm) height, for standard wattage strip heaters up to 6′ (1829 mm) in width only.
- CL-High = 13-1/2″ (343 mm) height, for high wattage strip heaters up to 6′ (1829 mm) in width only.
C-Leg Footprint Dimensions
Perform the following procedure to install a C-Leg stand on each end of the unit.
- Position the unit upside-down on a flat surface.
- Install sneeze guard(s), if applicable (refer to the OPTIONS AND ACCESSORIES section for details on installing a sneeze guard).
- Remove the two hanger tab screws and hanger tabs.
- Remove the one lower end plate screw that aligns with the lowest mounting hole on the C-Leg.
- align the three mounting holes on the C-Leg with the three holes on the unit. Secure the leg to the unit with the three screws removed in the previous steps.
C-Leg Stand mounting 
T-Leg Stand Mounting
T-Leg stands are available in the following heights:
- Standard wattage units = 10″ (254 mm)
- High wattage units = 13-1/2″ (343 mm)
16″ (406 mm)
18″ (457 mm).
T-Leg Footprint Dimension 
Perform the following procedure to install a T-Leg stand on each end of the unit.
- Position the unit upside-down on a flat surface.
- Install sneeze guard(s), if applicable (refer to the OPTIONS AND ACCESSORIES section for details on installing a sneeze guard).
- align the mounting bracket with the end cover on the underside of the unit, and remove the two screws on the end cover that match up with the holes on the mounting bracket.
- Secure the mounting bracket to the unit with the two end cover screws.
- Remove the two hanger tab screws and hanger tabs.
- align the two mounting holes on the small “T” of the T-Leg with the two hanger tab holes on the end of the unit. Secure the leg to the unit with the hanger tab screws.
- align the single mounting hole on the vertical post of the TLeg with the hole on the mounting bracket. Secure from the inside with the supplied screw.
T-Leg Stand mounting
Installing Chain Suspended Units
Chain suspension mounting attaches a strip heater to an overhead surface with the use of “S” hooks.
NOTE: Units ordered with the “S” hook option come with two “S” hooks and two 6″ (152 mm) pieces of connecting chain. Additional chain (P/N 05.03.020.00) can be ordered from Hatco for the overhead mounting system or another option can be determined by a qualified installer.
WARNING
For installation with chains, make sure the chains have sufficient strength and are securely fastened to both the unit and the mounting location. Poorly installed chains may cause the unit to loosen and fall. Do not place anything on top of units installed with chains.
To ensure safe and proper operation, refer to the Clearance Requirements listed in the Installation section of this manual.
NOTE: The strength of the chain supplied by Hatco is sufficient to hold the weight of the unit securely only when mounted properly.
- Prepare the overhead mounting system for the “S” hooks. make sure the system is secure and is set up so the unit will be suspended at a level, safe, and proper distance from walls, counter, and food.
- Loosen, but do not remove the screws securing the hanger tabs on each end of the unit. Rotate the tabs up, then tighten the screws securely.
- Securely attach one of the 6″ (152 mm) connecting chains between each pair of hanger tabs.
- attach an “S” hook to the center of each connecting chain.
- Carefully lift the unit and attach the “S” hooks on each end of the unit to the overhead mounting system. make sure the unit is level.
“S” Hook mounting
Installing Permanent Units
Strip heaters can be mounted permanently with tubular stands or angle brackets. Permanent units are not available with a power cord and plug connection. Refer to the proper permanent mounting section for the installation procedure.
Tubular Stand Mounting
Tubular stand mounting permanently attaches the unit to a countertop or serving table. all wiring may be concealed within one of the tubular stands.
CAUTION
To ensure safe and proper operation, refer to the Clearance Requirements listed in the INSTALLATION section of this manual.
Non-adjustable tubular stands are available in aluminum, Designer colors, or gloss finishes in heights from 10″–16″ (254–406 mm). adjustable tubular stands are available in
stainless steel in heights from 10″–14″ (254–356 mm).
NOTE: Tubular stands are not field retrofittable.
NOTE: If wiring is to be concealed, a 1″ (25 mm) diameter hole must be provided in the mounting surface under the stand containing the wiring conduit.
- Position the unit upside-down on a flat surface.
NOTE: Units for this application are supplied with the conduit attached to one side of the unit. Conduit should not be removed. - If applicable, prepare the mounting surface for concealing wiring.
- Cut a 1″ (25 mm) diameter hole into the mounting surface at the appropriate location.
NOTE: The distance between the center of the two stands is found by subtracting 2-7/16” (62 mm) from the overall width of the strip heater. - Route the flexible conduit through the tubular stand and into the mounting surface.
Countertop Conduit Hole Dimension
- Secure the conduit-side stand to the unit using the screws supplied.
- align the opposite-side stand with the mounting holes at the other end of the unit and secure the stand to the unit using the screws supplied.
- Secure the stands to the mounting surface.
NOTE: The adjustable stands can be raised or lowered by turning the locking set screw counterclockwise one turn with an Allen wrench. After loosening the set screw, raise or lower the unit to the desired height and retighten the screw. Do not loosen the screw more than necessary.
NOTE: Two pairs of stands will be needed for mounting dual units.
Tubular Stand mounting
- Cut a 1″ (25 mm) diameter hole into the mounting surface at the appropriate location.
Adjustable Angle Bracket Mounting
Mounting a strip heater with adjustable angle brackets permanently attaches the unit to the underside of a shelf. Units can be mounted to a flat shelf or a shelf with rolled/flanged edges. adjustable angle brackets provide the necessary gap between the unit and a combustible shelf.
CAUTION
To ensure safe and proper operation, refer to the “Minimum
Clearance Requirements” listed in the INSTALLATION section of this manual.
NOTE: When mounting the unit under a shelf, it is recommended to use remote-mounted control switches.
Use the optional adjustable angle brackets to mount the unit below the lowest part of the rolled or flanged edge of the shelf (a minimum gap of 1″ [25 mm] is required between the unit and the underside of a rolled or flanged shelf to prevent heat damage to the electrical system of the unit).
Flanged Edge Shelf Installation 
NOTE: GRN Series units are supplied with matching Designercolored angle brackets that provide 1-1/2″ (38 mm) clearance between the unit and an overshelf.
Adjustable Angle Bracket Mounting on Aluminum Models
Use the following procedure to install adjustable brackets on each end of aluminum housing models (GRa, GRaH, GRaL, and GRaHL).
- Position the unit on a flat surface with the heating element acing down.
- Remove the two hanger tab screws and hanger tabs.
These items will not be needed. - Remove the two upper end plate screws.
- align the adjustable angle bracket with the end plate mounting holes on the unit. Secure the angle bracket with the previously removed end plate screws.
aluminum model adjustable angle Bracket Installation
- Fasten the angle brackets to the underside of the shelf using appropriate fasteners (not supplied by Hatco).
NOTE: Two pairs of brackets will be needed for dual units.
Dual Unit mounting 
Adjustable Angle Bracket Mounting on Stainless Steel Models
Use the following procedure to install adjustable angle brackets on each end of stainless steel housing models (GR and GRH models).
- Position the unit on a flat surface with the heating element facing down.
- Remove the two hanger tab screws and hanger tabs.
- align the adjustable angle bracket with the hanger tab mounting holes on the unit.
- Secure the angle bracket with the previously removed hanger tab screws.
- Fasten the angle brackets to the underside of the shelf using appropriate fasteners (not supplied by Hatco).
Stainless Steel model adjustable angle Bracket Installation
Electrical Information
Refer to the wiring diagram supplied with the unit and specification label attached to the unit for specific electrical information. also, refer to the “Electrical Rating Charts” document on the Infrared Strip Heaters page of the Hatco website (www.hatcocorp.com).
WARNING
ELECTRIC SHOCK HAZARD: For hardwired units, all electrical connections must be in accordance with local electrical codes and any other applicable codes.
Connections should be made by a qualified, licensed electrician.
CAUTION
Strip heaters equipped with incandescent lights that require a circuit breaker larger than 20 amps for the heat element must have a separate circuit breaker for the incandescent lights that is 20 amps or less.
NOTE: If the unit being installed is not shown or listed in this manual, refer to the wiring diagram supplied with the unit and the installation information on the unit for further instructions.
Power Supply
Install supply wire and connectors suitable for at least 194°F (90°C).
- Use a minimum of No. 14 aWG copper wire for individual circuits up to 15 amps.
- Use a minimum of No. 12 aWG copper wire for individual circuits 15 to 20 amps.
- Use a minimum of No. 10 aWG copper wire for individual circuits 20 to 25 amps.
- Use a minimum of No. 8 aWG copper wire for individual circuits 25 to 30 amps.
NOTE: Refer to the wiring diagram supplied with the unit and specifications label attached to the unit for specific electrical information.
Conduit Connection
Units supplied with a right angle fitting and flexible conduit attached have had all internal connections completed at the factory. attach the proper power supply leads to the high temperature lead wires in the conduit.
Conduit Connections 
Power Cord and Plug Models
Units can be supplied with a 6′ (1829 mm) power cord and plug attached at the factory if the unit meets the following guidelines:
- 120 volt unit
- Single heating element
- 72″ (1829 mm) or less in length
- Built-in switch
- Portable mounting using C-Legs or T-Legs supplied by Hatco or stationary mounting using “S” hooks and mounting chain supplied by Hatco.
WARNING
ELECTRIC SHOCK HAZARD: Plug unit into a properly grounded electrical receptacle of the correct voltage, size, and plug configuration. If plug and receptacle do not match, contact a qualified electrician to determine and install proper voltage and size electrical receptacle.
NOTE: Units intended for fixed or permanent mounting cannot have a power cord attached and must be hardwired according to local and national electrical codes.
Remote Control Enclosures
Hatco remote control enclosures include switches, wire leads, and/or indicator lights and are shipped ready for installation.
The RmB Series require one remote control enclosure per strip heater. The RmB2 Series allows multiple strip heaters to be connected to one remote control enclosure.
NOTE: Remote control enclosures are available in several configurations depending on the model. All enclosures are built in accordance with UL standards to accommodate switches, indicator lights, and wiring. See the OPTIONS AND ACCESSORIES section for more information.
IMPORTANT NOTE:
Remote mounted enclosures and control switches must be installed in a cool, dry location as far away from any heat zone as possible. Do not mount enclosures or switches directly on, under, or above unit. Do not mount enclosures or switches in direct contact with any heated surface or near any steam generating equipment.
Remote Mounted Control Switches
Optional remote mounted control switches include ON/OFF toggle switches and infinite control switches. These switches need to be installed into an approved electrical box/enclosure (not supplied) by a qualified electrician. See the OPTIONS AND ACCESSORIES section for more information.
NOTE: When two or more units are mounted where the heat from one housing tends to raise the temperature of another, the control switches should be installed in a remote control enclosure. Units in a multiple installation should use remote mounted control switches.
NOTICE
To prevent premature failure of components due to excessive heat, remote mounted control switches must be installed outside the strip heater heat zone.
Remote mounted Enclosure Installation Locations 
OPERATION
General
Glo-Ray® Infrared Strip Heaters are designed for ease of operation. Use the following information and procedures to operate the unit.
WARNING
Read all safety messages in the IMPORTANT SAFETY INFORMATION section before operating this equipment.
CAUTION
BURN HAZARD: Some exterior surfaces on unit will get hot. Use caution when touching these areas.
Standard and approved manufacturing oils may smoke up to 30 minutes during initial startup. This is a temporary condition. Operate unit without food product until smoke dissipates.
Controls
Strip heaters come standard with controls mounted to the unit or with optional remote mounted controls. The following is a list of the available controls for the strip heaters.
ON/OFF (I/O) Toggle Switch—Turns power on and off to the heating elements and/or the lights (depending on control configuration).
Infinite Control—Turns on the power and controls the temperature of the heating elements. The infinite control is available either built-in or on a remote control enclosure.
NOTE: Dual units cannot be equipped with built-in infinite controls.
Lights ON/OFF Toggle Switch—Turns power on and off to the lights.
Indicator Light—Illuminates when power is on, shuts off when power is off.
NOTE: Toggle switches cannot be used on circuits that exceed 15 amps. Infinite controls cannot be used on circuits that exceed 12.2 amps.
Startup
- Turn on the heating element(s). The indicator light (if equipped) will illuminate and the heating elements willenergize.
- If unit is equipped with a ON/OFF (I/O) toggle switch, move the toggle switch to the ON (I) position.
- If unit is equipped with an optional infinite control(s), turn the control to the desired setting.
NOTE: Allow 15–20 minutes to reach operating temperature.
- On models equipped with display lights, move the light ON/OFF (I/O) toggle switch to the ON (I) position.
Control Panel with ON/OFF (I/O) Toggle Switch 
Remote Control Enclosures 
NOTE: Refer to the OPTIONS AND ACCESSORIES section for remote control enclosure information.
Shutdown
- move the ON/OFF (I/O) toggle switch to the OFF (O) position or turn the optional infinite control(s) to the OFF (O) position.
- The indicator light (if equipped) will shut off and the heating elements will shut down.
- On models equipped with display lights, move the light ON/OFF (I/O) toggle switch to the OFF (O) position.
General
Glo-Ray Infrared Strip Heaters are designed for maximum durability and performance with minimum maintenance.
WARNING
ELECTRIC SHOCK HAzARD:
- Turn OFF power switch, unplug power cord/turn off power at circuit breaker, and allow unit to cool before performing any cleaning, adjustments, or maintenance.
- DO NOT submerge or saturate with water. Unit is not waterproof. Do not operate if unit has been submerged or saturated with water.
- Do not steam clean or use excessive water on unit.
- This unit is not “jet-proof” construction. Do not use jetclean spray to clean this unit.
This unit has no “user-serviceable” parts. If service isrequired on this unit, contact an Authorized Hatco Service Agent or contact the Hatco Service Department at 800-558-0607 or 414-671-6350; fax 800-690-2966; or International fax 414-671-3976.
Use only Genuine Hatco Replacement Parts when service is required. Failure to use Genuine Hatco Replacement Parts will void all warranties and may subject operators of the equipment to hazardous electrical voltage, resulting in electrical shock or burn. Genuine Hatco Replacement Parts are specified to operate safely in the environments in which they are used. Some aftermarket or generic replacement parts do not have the characteristics that will allow them to operate safely in Hatco equipment.
NOTICE
Use non-abrasive cleaners and cloths only. Abrasive cleaners and cloths could scratch the finish of the unit, marring its appearance and making it susceptible to soil accumulation.
IMPORTANT—DO NOT use paper towel or glass cleaner to clean plastic surfaces. Paper towel and glass cleaner may scratch the material. Wipe off plastic surfaces using a soft, clean, water-dampened cloth.
Cleaning
To preserve the finish of the strip heater, it is recommended that all surfaces be cleaned daily.
- Turn off the unit and allow the unit to cool.
- Wipe down all metal surfaces with a water-dampened, nonabrasive cloth. Stubborn stains may be removed with a good stainless steel or non-abrasive cleaner. Clean hard to reach areas using a small brush and mild soap.
- Wipe dry the entire unit using a non-abrasive, dry cloth.
- If equipped, clean the plastic sneeze guards using soft cleaning cloths, mild soap, and water. NOTICE: Do not use paper towel or glass cleaner on plastic surfaces— scratching may occur.
Replacing Display Light Bulbs
WARNING
Use only light bulbs that meet or exceed National Sanitation Foundation (NSF) standards and are specifically designed for food holding areas. Breakage of light bulbs not specially coated could result in personal injury and/or food contamination.
The display light is an incandescent or optional halogen bulb that illuminates the warming area. These bulbs have a special coating to guard against injury and food contamination in the event of breakage.
To replace a display light bulb:
- Disconnect the power supply and wait until the unit has cooled.
- Unscrew the light bulb from the unit and replace it with a new, specially-coated incandescent or optional halogen bulb.
NOTE: Hatco shatter-resistant light bulbs meet NSF standards for food holding and display areas. For 100, 120, 120/208, and 120/240 volt applications, use Hatco P/N 02.30.043.00. For 200, 220/240, and 230 volt applications, use Hatco P/N 02.30.058.00.
NOTE: Halogen bulbs are available as an option for aluminum housing models only. For 120, 120/208, and 120/240 volt applications, use Hatco P/N 02.30.081.00.
TROUBLESHOOTING GUIDE
WARNING
This unit must be serviced by qualified personnel only.
Service by unqualified personnel may lead to electric shock or burn.
WARNING
ELECTRIC SHOCK HAZARD: Turn OFF power switch, unplug power cord/turn off power at circuit breaker, and allow unit to cool before performing any cleaning, adjustments, or maintenance.
| Symptom | Probable Cause | Corrective Action |
| Unit is turned “On” but there is no heat. | No power to unit. | Check circuit breaker and reset as necessary. |
| Switch is defective. | Contact Authorized Service Agent or Hatco for assistance. | |
| Wiring is open. | Contact Authorized Service Agent or Hatco for assistance. | |
| Heating element defective. | Contact Authorized Service Agent or Hatco for assistance. | |
| Heat is inadequate. | Unit mounted too high above target area. | Lower unit, putting effective heat closer to target. |
| Excessive air movement around strip heater target area. | Restrict or redirect air movement (air conditioning duct or exhaust fan) away from unit. | |
| Incorrect power supply (low). | Check power supply to unit, making sure it matches rating on the unit. If power supply is incorrect, change to match rating on unit. | |
| Heat is excessive. | Unit mounted too close to target area. | Check to see that installation is within specifications for type/model. Increase mounting height if too close. |
| Voltage supply too high. | Check power supply to unit, making sure it matches rating on unit. If power supply is incorrect, change to match rating. | |
| Control switches burn out. | Unit mounted improperly. | Move the unit the proper distance away from walls, counters, and/or pass-through shelves. Refer to the INSTALLATION section for guidelines. |
| Remote control enclosure is mounted too close to the heat zone. | Move remote control enclosure away from the heat zone. | |
| Switches used are not Hatco supplied. | Genuine Hatco Parts are specified to operate safely and properly in the environment in which they are used. Contact Authorized Service Agent or Hatco to replace switches with Genuine Hatco Replacement Parts. |
OPTIONS AND ACCESSORIES
Sneeze Guards
Optional sneeze guards are available for aluminum models only. They are available in sizes of 9-3/8″ (238 mm) and 14″ (356 mm). Sneeze guards can be installed on either one side or both sides of the unit.
To install a sneeze guard:
- Remove the protective paper from the sneeze guard.
- assemble each tab screw through the top of the sneeze guard and through the support bar. Loosely thread an acorn nut onto each of the tab screws below the support bar.
- Lift the sneeze guard assembly and carefully slide each of the tab screws that are loosely attached to the sneeze guard into the channel on the unit.
- align each end of the sneeze guard with the ends of the unit and then tighten the acorn nuts to secure the sneeze guard in position. Do not over-tighten the acorn nuts.
Installing Sneeze Guards 
Remote Control Enclosures — RMB Series
RmB Series remote control enclosures are available in various configurations for use with strip heaters. Remote control enclosures locate controls away from the heat of the unit, increasing the life span of the controls. all models are built in accordance with UL standards with switches, indicator lights, and wiring. Consult the factory for type and location of RmB Series controls for enclosure.
NOTE: RMB Series remote control enclosures require one remote control enclosure per strip heater.
- Determine the area to mount the RmB box.
IMPORTANT NOTE:
Remote mounted enclosures and control switches must be installed in a cool, dry location as far away from any heat zone as possible. Do not mount enclosures or switches directly on, under, or above unit. Do not mount enclosures or switches in direct contact with any heated surface or near any steam generating equipment.
DimensionsModels Width (A) Depth (B) Height (C) Screw Width (D) Screw Height (E) RMB-3 Series 5-15/16″ (150 mm) 3″ (76 mm) 2-5/8″ (67 mm) 6-5/16″ (161 mm) 1-5/8″ (41 mm) RMB-7 Series 9-3/8″ (239 mm) 3″ (76 mm) 2-5/8″ (67 mm) 9-13/16″ (249 mm) 1-5/8″ (41 mm) RMB-14 Series 14-3/8″ (366 mm) 3″ (76 mm) 2-5/8″ (67 mm) 14-13/16″ (376 mm) 1-5/8″ (41 mm) RMB-16 Series 16-3/8″ (417 mm) 3″ (76 mm) 2-5/8″ (67 mm) 16-13/16″ (427 mm) 1-5/8″ (41 mm) RMB-20 Series 20-3/8″ (518 mm) 3″ (76 mm) 2-5/8″ (67 mm) 20-13/16″ (529 mm) 1-5/8″ (41 mm) Control Enclosure Dimensions

- Secure the RmB to the mounting surface using appropriate screws or fasteners.
- Use the mounting flange on each end of the RmB.
NOTE: Sizing of the power supply wire leads and upstream overcurrent protection must conform with National Electric Code (NEC) requirements as well as all local codes.
- Use the mounting flange on each end of the RmB.
- Remove the wiring access cover on bottom of the control enclosure by removing screws and sliding cover off.
- Identify and remove the appropriate knockouts from the control enclosure for the electrical connections.
- attach conduit connectors to the knockouts in the control enclosure.
Removing Wiring access Cover
- make the electrical connections between the unit and the output terminals on the terminal block or wire leads inside the control enclosure. Refer to the wiring diagrams included with the unit and the RmB control enclosure.
NOTE: To ground the RMB, use either a separate ground wire, metallic conduit, or other locally accepted method in accordance with the National Electric Code (NEC) or Canadian Electric Code (CEC). - Tie all ground leads (green and/or green/yellow leads) together and terminate with a UL Listed wire nut.
- make the electrical connections between the power supply and the input terminals on the terminal block or wire leads inside the control enclosure. Refer to the wiring diagram included with the RmB control enclosure.
NOTE: Verify which wire leads from the foodwarmer are for phase, neutral, and/or lighting connections, as applicable. - make sure all wire connections are tight, and secure both conduit runs to the conduit connectors.
- Reinstall the wiring access cover on bottom of the control enclosure.
- Turn on power at the fused disconnect switch/circuit breaker, turn on the unit, and test operation.
Remote Control Enclosure — RMB2 Series
RmB2 Series remote control enclosures allow multiple strip heaters to be wired to and controlled by a single enclosure. The total amp draw of all connected strip heaters cannot exceed the rating of the remote control enclosure. Consult the factory for information regarding the proper RmB2 Series remote control enclosure for a specific application. Refer to the Instruction Sheet included with the enclosure for installation information.
RMB2 Series Dimensions
| Models | Width (A) | Width (B) | Height (C) | Depth (D) | Height (E) |
| RMB2-1R | 10-1/8″ (257 mm) | 11″ (279 mm) | 5-1/2″ (140 mm) | 4-1/4″ (109 mm) | 4-5/8″ (116 mm) |
| RMB2-2R | 13-1/8″ (333 mm) | 14″ (356 mm) | 5-1/2″ (140 mm) | 4-1/4″ (109 mm) | 4-5/8″ (116 mm) |
Dimensions — RmB2s
RMB2 Series Cutout Dimensions
| Models | Opening Cutout Dimensions | Screw Hole Dimensions | |||
| (A) | (B) | (C) | (D) | (E) | |
| RMB2-1R | 4-3/4″ (121 mm) | 10-1/8″ (257 mm) | 1-1/8″ (29 mm) | 2-1/2″ (64 mm) | 10-7/16″ (265 mm) |
| RMB2-2R | 4-3/4″ (121 mm) | 13-1/8″ (333 mm) | 1-1/8″ (29 mm) | 2-1/2″ (64 mm) | 13-7/16″ (341 mm) |
Cutout Dimensions — RmB2s 
NOTE: Make sure the width of the cutout does not exceed the dimension given for each size enclosure.
Infinite Switch
Use the following procedure to install an infinite switch. an infinite switch needs to be installed into an approved electrical box/enclosure (not supplied) by a qualified electrician.
WARNING
ELECTRIC SHOCK HAZARD: Turn OFF power switch, disconnect unit from power source, and allow unit to cool before performing any cleaning, adjustments, or maintenance.
NOTICE
To prevent premature failure of components due to excessive heat, remote mounted control switches must be installed outside the strip heater heat zone.
- Verify unit is off and disconnected from the power source.
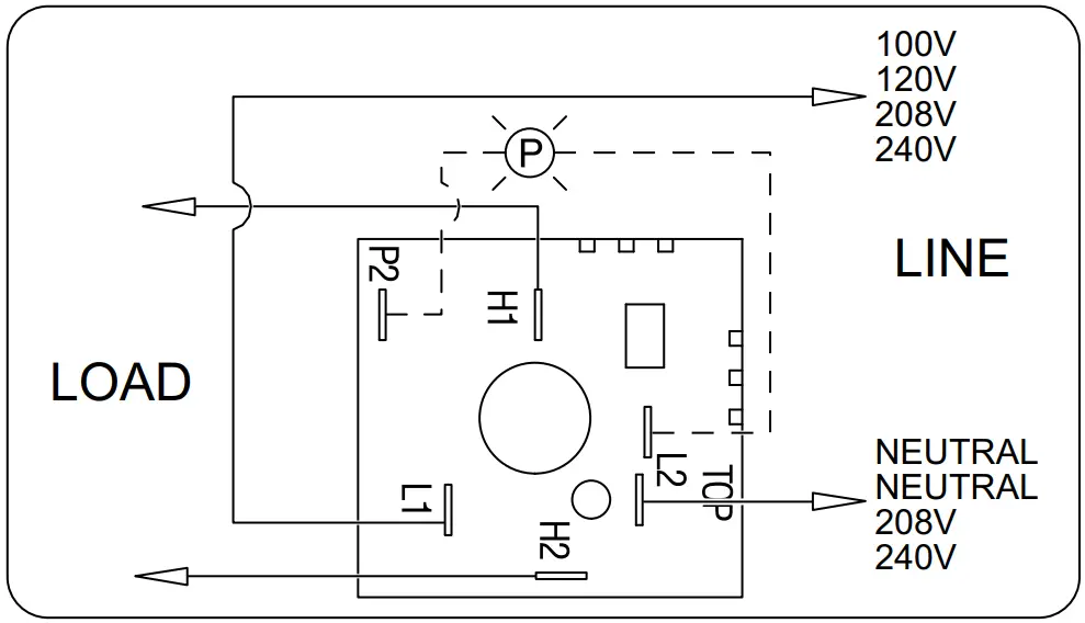
- Install the infinite switch. Refer to the wiring diagram for proper electrical connections. make sure the switch is installed with the “H1” terminal oriented on top. This will ensure that the switch functions match the markings on the switch label.
- Power In: L1 and L2 (for 100V and 120V units, L2 is neutral)
- To Heating Element: H1 and H2
NOTE: The terminals on the infinite switch are specially designed, high-temperature rated terminals that do not require solder connections.
NOTICE
The infinite switch must be installed using the terminals and wires supplied with the switch. Failure to use the supplied Genuine Hatco Replacement Parts will void all warranties and may damage the equipment.
Infinite Switch Wiring Diagram (rear view) 
NOTE: Make sure the switch is installed with the “H1” terminal oriented on top (“12 o’clock” position), as shown above.
This will ensure that the switch functions match the markings on the switch label.
Infinite Switch Kit Part Numbers
Part Number Voltage
R02.19.160.00 100 volt
R02.19.018.00 120 volt
R02.19.017.00 208 volt
R02.19.019.00 240 volt
LIMITED WARRANTY
PRODUCT WARRANTY
Hatco warrants the products that it manufactures (the “Products”) to be free from defects in materials and workmanship, under normal use and service, for a period of one (1) year from the date of purchase when installed and maintained in accordance with Hatco’s written instructions or 18 months from the date of shipment from Hatco. Buyer must establish the Product’s purchase date by registering the Product with Hatco or by other means satisfactory to Hatco in its sole discretion.
Hatco warrants the following Product components to be free from defects in materials and workmanship from the date of purchase (subject to the foregoing conditions) for the period(s) of time and on the conditions listed below:
- One (1) Year Parts and Labor PLUS One (1) Additional
Year Parts-Only Warranty:
Conveyor Toaster Elements (metal sheathed)
Drawer Warmer Elements (metal sheathed)
Drawer Warmer Drawer Rollers and Slides
Strip Heater Elements (metal sheathed)
Display Warmer Elements (metal sheathed air heating)
Holding Cabinet Elements (metal sheathed air heating)
Heated Well Elements — HW and HWB Series
(metal sheathed) - One (1) Year Parts and Labor PLUS Four (4) Years
Parts-Only Warranty:
3CS and FR Tanks - One (1) Year Parts and Labor PLUS Nine (9) Years Parts-Only Warranty on:
Electric Booster Heater Tanks
Gas Booster Heater Tanks - Ninety (90) Day Parts-Only Warranty:
Replacement Parts
THE FOREGOING WARRANTIES ARE EXCLUSIVE AND IN LIEU OF ANY OTHER WARRANTY, EXPRESSED OR IMPLIED, INCLUDING BUT NOT LIMITED TO ANY IMPLIED WARRANTY OF MERCHANTABILITY OR FITNESS FOR A PARTICULAR PURPOSE OR PATENT OR OTHER INTELLECTUAL PROPERTY RIGHT INFRINGEMENT.
Without limiting the generality of the foregoing, SUCH WARRANTIES DO NOT COVER: Coated incandescent light bulbs, fluorescent lights, heat lamp bulbs, coated halogen light bulbs, halogen heat lamp bulbs, xenon light bulbs, LED light tubes, glass components, and fuses; Product failure in booster tank, fin tube heat exchanger, or other water heating equipment caused by liming, sediment buildup, chemical attack, or freezing; or Product misuse, tampering or misapplication, improper installation, or application of improper voltage.
LIMITATION OF REMEDIES AND DAMAGES
Hatco’s liability and Buyer’s exclusive remedy hereunder will be limited solely, at Hatco’s option, to repair or replacement using new or refurbished parts or Product by Hatco or a Hatcoauthorized service agency (other than where Buyer is located outside of the United States, Canada, United Kingdom, or australia, in which case Hatco’s liability and Buyer’s exclusive remedy hereunder will be limited solely to replacement of part under warranty) with respect to any claim made within the applicable warranty period referred to above. Hatco reserves the right to accept or reject any such claim in whole or in part. In the context of this Limited Warranty, “refurbished” means a part or Product that has been returned to its original specifications by Hatco or a Hatco-authorized service agency.
Hatco will not accept the return of any Product without prior written approval from Hatco, and all such approved returns shall be made at Buyer’s sole expense. HATCO WILL NOT BE LIABLE, UNDER ANY CIRCUMSTANCES, FOR CONSEQUENTIAL OR INCIDENTAL DAMAGES, INCLUDING BUT NOT LIMITED TO LABOR COSTS OR LOST PROFITS RESULTING FROM THE USE OF OR INABILITY TO USE THE PRODUCTS OR FROM THE PRODUCTS BEING INCORPORATED IN OR BECOMING a COMPONENT OF ANY OTHER PRODUCT OR GOODS.
ALABAMA
Jones mcLeod appl. Svc.
Birmingham 205-251-0159
ARIZONA
Service Solutions Group
Phoenix 602-234-2443
Byassee Equipment Co.
Phoenix 602-252-0402
CALIFORNIA
Industrial Electric
Commercial Parts & Service, Inc.
Huntington Beach 714-379-7100
Chapman appl. Service
San Diego 619-298-7106
P & D appliance
Commercial Parts & Service, Inc.
S. San Francisco 650-635-1900
COLORADO
Hawkins Commercial appliance
Englewood 303-781-5548
FLORIDA
Whaley Foodservice Repair
Jacksonville 904-725-7800
3Wire Nass Service Co., Inc.
Orlando 407-425-2681
B.G.S.I.
Pompano Beach 954-971-0456
Comm. appliance Service
Tampa 813-663-0313
GEORGIA
TWC Services
mableton 770-438-9797
Heritage Service Group
Norcross 866-388-9837
Southeastern Rest. Svc.
Norcross 770-446-6177
HAWAII
Burney’s Comm. Service, Inc.
Honolulu 808-848-1466
Food Equip Parts & Service
Honolulu 808-847-4871
ILLINOIS
Parts Town
Lombard 708-865-7278
Eichenauer Elec. Service
Decatur 217-429-4229
midwest Elec. appl. Service
Elmhurst 630-279-8000
Cone’s Repair Service
moline 309-797-5323
INDIANA
GCS Service
Indianapolis 800-727-8710
IOWA
Goodwin Tucker Group
Des moines 515-262-9308
KENTUCKY
Service Solutions Group
Lexington 859-254-8854
Service Solutions Group
Louisville 502-451-5411
LOUISIANA
Chandlers Parts & Service
Baton Rouge 225-272-6620
MARYLAND
Electric motor Service
Baltimore 410-467-8080
GCS Service
Silver Spring 301-585-7550
MASSACHUSETTS
ace Service Co., Inc.
Needham 781-449-4220
MICHIGAN
Bildons appliance Service
Detroit 248-478-3320
Commercial Kitchen Service
Bay City 989-893-4561
midwest Food Equip. Service
Grandville 616-261-2000
MINNESOTA
GCS Service
minnetonka 800-822-2303
x20365
MISSOURI
General Parts
Kansas City 816-421-5400
Commercial Kitchen Services
St. Louis 314-890-0700
Kaemmerlen Parts & Service
St. Louis 314-535-2222
NEBRASKA
anderson Electric
Omaha 402-341-1414
NEVADA
Burney’s Commercial
Las Vegas 702-736-0006
Hi. Tech Commercial Service
N. Las Vegas 702-649-4616
NEW JERSEY
Jay Hill Repair
Fairfield 973-575-9145
Service Plus
Flanders 973-691-6300
NEW YORK
acme american Repairs, Inc.
Brooklyn 718-456-6544
alpro Service Co.
Brooklyn 718-386-2515
appliance Installation
Buffalo 716-884-7425
Duffy’s Equipment Services, Inc.
Buffalo 800-836-1014
3Wire Northern
Plattsburgh 800-634-5005
Duffy’s Equipment Services, Inc.
Sauquoit 800-836-1014
J.B. Brady, Inc.
Syracuse 315-422-9271
NORTH CAROLINA
authorized appliance
Charlotte 704-377-4501
OHIO
akron/Canton Comm. Svc. Inc.
akron 330-753-6634
Service Solutions Group
Cincinnati 513-772-6600
Commercial Parts and Service
Columbus 614-221-0057
Electrical appl. Repair Service
Brooklyn Heights 216-459-8700
E. a. Wichman Co.
Toledo 419-385-9121
OKLAHOMA
Hagar Rest. Service, Inc.
Oklahoma City 405-235-2184
Krueger, Inc.
Oklahoma City 405-528-8883
OREGON
Ron’s Service, Inc.
Portland 503-624-0890
PENNSYLVANIA
Elmer Schultz Services
Philadelphia 215-627-5401
FaST Comm. appl. Service
Philadelphia 215-288-4800
appliance Installation & Service
Pittsburgh 412-809-0244
K & D Service Co.
Harrisburg 717-236-9039
Electric Repair Co.
Reading 610-376-5444
RHODE ISLAND
marshall Electric Co.
Providence 401-331-1163
SOUTH CAROLINA
Whaley Foodservice Repair
Lexington 803-996-9900
TENNESSEE
Camp Electric
memphis 901-527-7543
TEXAS
GCS Service
Fort Worth 800-433-1804
armstrong Repair Service
Houston 713-666-7100
Cooking Equipment Specialist
mesquite 972-686-6666
Commercial Kitchen Repair Co.
San antonio 210-735-2811
UTAH
La monica’s Rest. Equip. Service
murray 801-263-3221
VIRGINIA
Daubers
Norfolk 757-855-4097
Daubers
Springfield 703-866-3600
WASHINGTON
3Wire Restaurant appliance
Seattle 800-207-3146
WISCONSIN
a.S.C., Inc.
madison 608-246-3160
a.S.C., Inc.
milwaukee 414-543-6460
CANADA
ALBERTA
Key Food Equipment Service
Edmonton 780-438-1690
BRITISH COLUMBIA
Key Food Equipment Service
Vancouver 604-433-4484
Key Food Equipment Service
Victoria 250-920-4888
MANITOBA
air Rite, Inc.
Winnipeg 204-895-2300
NEW BRUNSWICK
EmR Services, Ltd.
moncton 506-855-4228
ONTARIO
R.G. Henderson Ltd.
Toronto 416-422-5580
Choquette – CKS, Inc.
Ottawa 613-739-8458
QUÉBEC
Choquette – CKS, Inc.
montreal 514-722-2000
Choquette – CKS, Inc.
Québec City 418-681-3944
UNITED KINGDOM
marren Group
Northants +44(0)1933 665313
HATCO CORPORATION
P.O. Box 340500
Milwaukee, WI 53234-0500 U.S.A.
800-558-0607 414-671-6350
Parts and Service Fax 800-690-2966
International Fax 414-671-3976
[email protected]
www.hatcocorp.com
Register your unit online!
See IMPORTANT OWNER INFORMATION section for details.

























