SMC ASB-****-** Metal Speed Controller with One-Touch Fitting

Safety Instructions
These safety instructions are intended to prevent hazardous situations and/or equipment damage. These instructions indicate the level of potential hazard with the labels of “Caution,” “Warning” or “Danger.” They are all important notes for safety and must be followed in addition to International Standards (ISO/IEC)*1) , and other safety regulations.
- ISO 4414: Pneumatic fluid power — General rules relating to systems.
- ISO 4413: Hydraulic fluid power — General rules relating to systems.
- IEC 60204-1: Safety of machinery — Electrical equipment of machines .(Part 1: General requirements)
- ISO 10218: Manipulating industrial robots -Safety. etc.
Caution: Caution indicates a hazard with a low level of risk which, if not avoided, could result in minor or moderate injury.
Warning: Warning indicates a hazard with a medium level of risk which, if not avoided, could result in death or serious injury.
Danger: Danger indicates a hazard with a high level of risk which, if not avoided, will result in death or serious injury.
Warning
- The compatibility of the product is the responsibility of the person who designs the equipment or decides its specifications. Since the product specified here is used under various operating conditions, its compatibility with specific equipment must be decided by the person who designs the equipment or decides its specifications based on necessary analysis and test results. The expected performance and safety assurance of the equipment will be the responsibility of the person who has determined its compatibility with the product. This person should also continuously review all specifications of the product referring to its latest catalog information, with a view to giving due consideration to any possibility of equipment failure when configuring the equipment.
- Only personnel with appropriate training should operate machinery and equipment. The product specified here may become unsafe if handled incorrectly. The assembly, operation and maintenance of machines or equipment including our products must be performed by an operator who is appropriately trained and experienced.
- Do not service or attempt to remove product and machinery/equipment until safety is confirmed.
- The inspection and maintenance of machinery/equipment should only be performed after measures to prevent falling or runaway of the driven objects have been confirmed.
- When the product is to be removed, confirm that the safety measures as mentioned above are implemented and the power from any appropriate source is cut, and read and understand the specific product precautions of all relevant products carefully.
- Before machinery/equipment is restarted, take measures to prevent unexpected operation and malfunction.
- Contact SMC beforehand and take special consideration of safety measures if the product is to be used in any of the following conditions.
- Conditions and environments outside of the given specifications, or use outdoors or in a place exposed to direct sunlight.
- Installation on equipment in conjunction with atomic energy, railways, air navigation, space, shipping, vehicles, military, medical treatment, combustion and recreation, or equipment in contact with food and beverages, emergency stop circuits, clutch and brake circuits in press applications, safety equipment or other applications unsuitable for the standard specifications described in the product catalog.
- An application which could have negative effects on people, property, or animals requiring special safety analysis.
- Use in an interlock circuit, which requires the provision of double interlock for possible failure by using a mechanical protective function, and periodical checks to confirm proper operation.
Caution
- The product is provided for use in manufacturing industries.
- The product herein described is basically provided for peaceful use in manufacturing industries.
- If considering using the product in other industries, consult SMC beforehand and exchange specifications or a contract if necessary.
- If anything is unclear, contact your nearest sales branch.
Limited warranty and Disclaimer/Compliance Requirements
The product used is subject to the following “Limited warranty and Disclaimer” and “Compliance Requirements”. Read and accept them before using the product.
Limited warranty and Disclaimer
- The warranty period of the product is 1 year in service or 1.5 years after the product is delivered,whichever is first. Also, the product may have specified durability, running distance or replacement parts. Please consult your nearest sales branch.
- For any failure or damage reported within the warranty period which is clearly our responsibility, a replacement product or necessary parts will be provided. This limited warranty applies only to our product independently, and not to any other damage incurred due to the failure of the product.
- Prior to using SMC products, please read and understand the warranty terms and disclaimers noted in the specified catalog for the particular products.
Compliance Requirements
- The use of SMC products with production equipment for the manufacture of weapons of mass destruction(WMD) or any other weapon is strictly prohibited.
- The exports of SMC products or technology from one country to another are governed by the relevant security laws and regulation of the countries involved in the transaction. Prior to the shipment of a SMC product to another country, assure that all local rules governing that export are known and followed.
Caution
SMC products are not intended for use as instruments for legal metrology. Measurement instruments that SMC manufactures or sells have not been qualified by type approval tests relevant to the metrology (measurement) laws of each country. Therefore, SMC products cannot be used for business or certification ordained by the metrology (measurement) laws of each country.
Specific Product Precautions
Design/ Selection
Warning
- Confirm the specifications.
- The products are designed to be used in compressed air systems(including vacuum) only. Do not operate at pressures, temperatures, etc., beyond the range of specifications, as this can cause damage or malfunction. (Refer to the specifications.) Please contact SMC when using a fluid other than compressed air (including vacuum). We do not guarantee against any damage if the product is used outside of the specifications range.
- Products mentioned in this catalog are not designed for use as stop valves with zero air leakage.
- A certain amount of leakage is allowed in the products specifications. Tightening the needle forcibly to achieve zero air leakage through main valve may result in damage of internal parts and the product may stop functioning properly. Please do not tighten the needle forcibly.
- Do not disassemble the product or make any modifications, including additional machining. Doing so may cause human injury and/or an accident.
- The flow rate characteristics for each product are representative values. The flow rate characteristics are characteristics of each individual product. Actual values may differ depending on the piping, circuitry, pressure conditions, etc. The flow rate may not be recognized from the fully closed position until around the first turn. This is due to the product design and not a malfunction. Also, depending on product specifications, there may be variations in the zero needle rotations position.
- Sonic conductance and critical pressure ratio values for products are representative values. For controlled flow direction values the needle is fully open. For free flow direction values the needle fully closed.
- Check if PTFE can be used in application. PTFE powder (Polytetrafluoroethylene resin) is included in the seal material of the male thread type piping taper thread. Confirm that the use of it will not cause any adverse effect on the system. Please contact SMC if the Safety Data Sheet (SDS) is required.
- Speed controllers are designed to control the speed of the actuator.
- The surface of brass may turn black depending on the storage and operating environment. Use of brass with electroless nickel plating is recommended when discoloration of brass needs to be avoided.
Mounting
Warning
- Operation Manual Install the products and operate it only after reading the operation Manual carefully and understanding its contents. Also, keep the Manual where it can be referred to as necessary.
- Ensure sufficient space for maintenance activities. When installing the products, allow access for maintenance.
- Tighten threads with the proper tightening torque. When installing the products, follow the listed proper torque.
- Use R external threads with Rc internal threads and NPT external threads with NPT internal threads and G external threads with G internal threads.
- Confirm that the lock nut is securely tightened. Confirm that the lock nut is securely tightened and the needle is locked after adjusting the cylinder speed. When the product is used with a loose lock nut, the set flow rate may change unknowingly and the actuator speed may change, which leads to dangerous situations. Forcibly tightening the lock nut exceeding the locked state may result in breakage. Follow the proper tightening torque when tightening.
- Check the degree of rotation of the needle valve. As the needle valve has a stopper mechanism for maximum opening, it is not possible to rotate beyond the given limit. Excessive rotation will cause damage to the product. Please check the specified number of rotations before using the product.
- Do not use tools such as pliers to rotate the knob. (ASB series only) It can cause idle rotation of the knob or damage.
- Verify the air flow direction. Mounting backward is dangerous, because the speed adjustment needle will not work and the actuator may lurch suddenly.
- Adjust the speed by opening the needle slowly from the fully closed state. Loose needle valves may cause unexpected sudden actuator lurching. When a needle valve is turned clockwise, it is closed and cylinder speed decreases. When a needle valve is turned counterclockwise, it is open and cylinder speed increases. Note that the application of excessive torque may break the needle valve.

- Do not apply excessive force or shock to the body or fittings with an impact tool. It can cause damage or air leakage.
- For handling One-touch fittings, refer to the Fittings and Tubing Precautions.
- To install/remove the product, use an appropriate wrench to tighten/loosen at the supplied nut on Body B. Do not apply torque at other points as the product may be damaged. Rotate Body A manually for positioning after installation. Please refer to the applicable dimension of the wrench.
| Connection thread size | Wrench(nominal) | |
| Metric size | Inch size | |
| M5、10-32UNF | 9 | 23/64 |
| R1/8、NPT1/8、G1/8 | 13 | 1/2 |
| R1/4、NPT1/4、G1/4 | 17 | 11/16 |
| R3/8、NPT3/8、G3/8 | 22 | 7/8 |
| R1/2、NPT1/2、G1/2 | 27 | 1-1/16 |

- A product of the ASB series is shown in the picture.
Warning
- The handle of this product is attached only by press fitting. (ASB series only) Excess torque may break the product. The table below shows the maximum allowable torque of the handle.
| Body size | Maximum allowable torque N・m |
| M5 | 0.03~0.05 |
| 01 | 0.15~0.17 |
| 02 | 0.21~0.23 |
| 03 | 0.23~0.25 |
| 04 | 0.38~0.40 |
- Refer to the table below for the applicable operating torque and recommended driver of the needle.

- Tip shape of a usable screwdriver conforms to JIS B 4609-1998 Type B (see Annex. fiqure 3 and table 2).
Corresponding international standard: ISO/DIS 2380-1,ISO 2380-2
Screwdriver tip shape

Caution
- When performing the piping work, turn the tightening tool in the horizontal direction to the hexagon across flats of the body B so that any moment is not applied to the body. If the tool is in contact with the body A, this may cause the body A to come off.

- Body A can be slightly rotated for positioning, but it cannot be used as a continuous rotating part. This will cause metal debris by wearing, which may enter the operating fluid or cause fitting damage.
- If the connection tube oscillates or turns, do not use this product. It may cause damage to the product body or the fitting. When there is any possibility of having oscillation or rotation of the body A, have the tubing secured when using the product.
- For M5, 10-32UNF
- Tightening method
- First, tighten it by hand, then give it an additional 1/6 turn to 1/4 turn with a wrench. Refer to the table below for reference values.
- Tightening method
| Connection thread size | Proper tightening torque[N・m] |
| M5、10-32UNF | 1 to 1.5 |
- Chamfered area for female thread
- In compliance with ISO 16030 (air pressure fluid dynamics-connection-ports and stud ends), the chamfered dimensions shown in the table below are recommended.


- For R, NPT, G thread
- Tightening method
- To tighten the screws, hand tighten them first and then tighten them across flats of body B by rotating them for two or three rotations using an appropriate wrench. Refer to the reference values in the table below for the tightening torque.
- Tightening method
| Connection thread size | Proper tightening torque[N・m] |
| 1/8 | 3 to 5 |
| 1/4 | 8 to 12 |
| 3/8 | 15 to 20 |
| 1/2 | 20 to 25 |
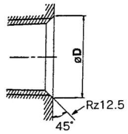
- Chamfered area for female thread
- By chamfering as shown in the following table, machining of threads is easier and effective for burr prevention.
| Connection thread size | Chamfer dimension φD (Recommended value) | ||
| Rc | NPT | G | |
| 1/8 | 10.2~10.4 | 10.5~10.7 | 9.8~10.2 |
| 1/4 | 13.6~13.8 | 14.1~14.3 | 13.3~13.7 |
| 3/8 | 17.1~17.3 | 17.4~17.6 | 16.8~17.2 |
| 1/2 | 21.4~21.6 | 21.7~21.9 | 21.0~21.4 |
G thread (face seal) complies with ISO 16030-2001.

- The proper tightening torques for hexagon lock nuts are shown in the table below. For standard installation, turn 15 to 30°using a tool, after fastening by hand. Pay attention not to over tighten the product. Check the dimensions for each product for the width across flats.

Piping Threads with Sealant
Caution
- If the fitting is tightened with excessive torque, a large amount of sealant will seep out. Remove the excess sealant.
- Insufficient tightening may loosen the threads, or cause air leakage.
- Reuse
- Normally, fittings with a sealant can be reused 2 to 3 times.
- To prevent air leakage through the sealant, remove any loose sealant stuck to the fitting by blowing air over the threaded portion.
- If the sealant no longer provides effective sealing, wrap sealing tape over the sealant before reusing. Do not use the sealant in any form other than a tape type.
- Once the fitting has been tightened, backing it out to its original position often causes the sealant to become defective. Air leakage will occur.
Piping
Caution
- Refer to the Fittings & Tubing Precautions for handing One-touch fittings.
- Preparation before piping
- Before piping is connected, it should be thoroughly blown out with air (flushing) or washed to remove chips, cutting oil and other debris from inside the pipe.
- Winding of sealant tape

- When screwing together pipes and fittings, etc., be certain that chips from the pipe threads and sealing material do not get inside the pipe. Also, when the sealant tape is used, leave approx. 1 thread ridges exposed at the end of the threads.
Precautions for One-Touch Tube Fittings
Piping
Caution
- Connection and disconnection of tube from one-touch fitting
- Installation of tube
- Cut the tube perpendicularly, being careful not to damage the external surface. Use an SMC tube cutter TK-1, 2, 3 or 6. Do not cut the tubing with pliers, nippers, scissors, etc., otherwise the tubing will be deformed and problems may result.
- The outside diameter of the polyurethane tubing swells when internal pressure is applied to it. Therefore, it may be impossible to re-insert the tubing into One-touch fittings. Check the tubing outside diameter, and when the accuracy of the outside diameter is +0.07mm or larger for φ2, and +0.15mm or larger for other sizes, re-insert it into the One-touch fitting without cutting the tube. When the tubing is re-inserted into the One-touch fitting, confirm that the tubing goes through the release button smoothly.
- Grasp the tubing, and slowly push it straight (0 to 5°) into the One-touch fitting until it comes to a stop.
- Pull the tubing back gently to make sure it has a positive seal. Insufficient installation may cause air to leak or the tubing to release. As a guide for checking if the tubing is pulled out or not, refer to the following table.
- Removal of the tube
- Push the release button flange evenly and sufficiently to release the tube. Do not push in the tubing before pressing the release button.
- Pull out the tubing while keeping the release button depressed. If the release button is not held down sufficiently, the tubing cannot be withdrawn.
- To reuse the tubing, remove the previously lodged portion of the tubing. If the lodged portion is left on without being removed, it may result in air leakage and make the removal of the tubing difficult.
- Installation of tube
- Connection of the metal rod accessories: Plug-in fittings with metal rods (KC series, KQ2 series, former KQ series, KN series, KM series, etc.) cannot be connected to one-touch fitting. If connected, the metal rod cannot be retained by the chuck of the one-touch fitting and products with metal rods may project during pressurization, causing serious personal injury or accident. Even when products with metal rods can be connected, do not use any tube, resin plug, or resin reducer after connection. This may cause detachment.
- When mounting the tube, resin plug or metal rod, do not press the release button. Do not press the release button unnecessarily before mounting tubing, resin plugs and metal rods. This can cause the disconnection of tube.
Precautions for use with non-SMC
Caution
- When used with tubing other than those from SMC, the product will be outside the warranty due to the unverified connection with the one-touch fitting.
Recommended Piping Conditions

- When connecting piping to the One-touch fitting, use a pipe length with sufficient margin, in accordance with the piping conditions shown in Figure 1. Also, when using a tying band, etc., to bind the piping together, make sure that external force does not come to bear on the fitting. (see Figure 2)
|
Tubing size | Mounting pitch A | Straight-line Pipe length | ||
| Nylon tube | Soft nylon tube | Polyurethane tube | ||
| φ4 φ5/32” | 56 or more | 44 or more | 26 or more | 20 or more |
| φ6 | 84 or more | 66 or more | 39 or more | 30 or more |
| φ1/4” | 89 or more | 70 or more | 57 or more | 32 or more |
| φ8 φ5/16” | 112 or more | 88 or more | 52 or more | 40 or more |
| φ10 | 140 or more | 110 or more | 69 or more | 50 or more |
| φ3/8” | 134 or more | 105 or more | 69 or more | 48 or more |
| φ12 | 168 or more | 132 or more | 88 or more | 60 or more |
| φ1/2” | 178 or more | 140 or more | 93 or more | 64 or more |

Air Supply
Warning
- Type of fluids
- Please consult with SMC when using the product in applications other than compressed air.
- When there is a large amount of drainage Compressed air containing a large amount of drainage can cause the malfunction of pneumatic equipment. An air dryer or water separator should be installed upstream from filters.
- Drain flushing
- If condensation in the drain bowl is not emptied on a regular basis, the bowl will overflow and allow the condensation to enter the compressed air lines. This causes the malfunction of pneumatic equipment. If the drain bowl is difficult to check and remove, the installation of a drain bowl with an auto drain option is recommended. For compressed air quality, refer to SMC catalog “Compressed Air Purification System”.
- Use clean air
- Do not use compressed air that contains chemicals, synthetic oils that include organic solvents, salt, corrosive gases, etc., as it can cause damage or malfunction.
Caution
- Install an air filter.
- Install an air filter upstream near the valve. Select an air filter with a filtration size of 5μm or smaller.
- Take measures to ensure air quality, such as by installing an aftercooler, air dryer, or water separator. Compressed air that contains a large amount of drainage can cause the malfunction of pneumatic equipment, such as flow control equipment. Therefore, take appropriate measures to ensure air quality, such as by providing an aftercooler, air dryer, or water separator.
- Ensure that the fluid and ambient temperatures are within the specified range. If the fluid temperature is 5℃ or less, the moisture in the circuit could freeze, causing damage to the seals or leading to equipment malfunction. Therefore, take appropriate measures to prevent freezing. For compressed air quality, refer to SMC catalog “Compressed Air Purification System”.
Operating environment
Warning
- Do not use in an atmosphere containing corrosive gases, chemicals, sea water, water, water steam, or where there is direct contact with any of these.
- Do not expose the product to direct sunlight for an extended period of time.
- Do not use in a place subject to heavy vibration and/or shock.
- Do not mount the product in locations where it is exposed to radiant heat.
Maintenance
Warning
- Perform maintenance and inspection according to the procedures indicated in the operation manual. If handled improperly, malfunction or damage of machinery and equipment may occur.
- Maintenance work
- If handled improperly, compressed air can be dangerous. Assembly, handling, repair and element replacement of pneumatic systems should be performed by a knowledgeable and experienced person.
- Drain flushing
- Remove drainage from air filters regularly.
- Removal of equipment, and supply/exhaust of compressed air
- Before components are removed, first confirm that measures are in place to prevent workpieces from dropping, run-away equipment, etc. Then, Cut the supply pressure and electric power, and exhaust all compressed air from the system using the residual pressure release function. When machinery is restarted, proceed with caution after confirming that appropriate measures are in place to prevent sudden movement.
Application
- This product is designed to control the speed of a pneumatic actuator.
Specifications

- Check the maximum operating pressure of the tubing.
Tubing with inner layer of these materials is applicable.
SMC tubing: TRBU (FR double layer). TRTU (FR three-layer), TRS (FR soft nylon), etc.
Troubleshooting
| Trouble | Possible causes | Countermeasure |
| Speed cannot be adjusted. | Check valve is the wrong way round. | Check the control method is suitable for operating conditions, meter-out or meter-in. |
| Dust inside. | Fully open the needle and apply air blow inside. If the problem is not solved even after air blow, install an air filter to the upstream piping, and replace the product with a new one. | |
| Air leaks from the One-touch fitting. Or the tubing disconnects. | Tubing has been cut using pliers or nipper. | Use tube cutters. |
| Tubing of a brand other than SMC is used. | Use of SMC tubing is recommended since the product will be outside the warranty when tubing of a brand other than SMC is used. |
Construction
ASB Series
- Seal method: Gasket seal
- For M5, 10-32UNF

- Seal method: Face seal
- For G thread

- Seal method: Sealant
- For R, NPT thread

Component Parts

- Option B specifies the body without electroless nickel plating.
ASB-D Series
- Seal method: Gasket seal
- For M5, 10-32UNF

- Seal method: Face seal
- For G thread

- Seal method: Sealant
- For R, NPT thread

Component Parts

ASB-BD Series
- Seal method: Gasket seal
- For M5. 10-32UNF

- Seal method: Face seal
- For G thread

- Seal method: Sealant
- For R, NPT thread

Component Parts

Revision history
- A: Added the construction of ASB-BD series
- Corrected the component contents of ASB-D series
SMC Corporation
- 4-14-1, Sotokanda, Chiyoda-ku, Tokyo 101-0021 JAPAN
- Tel: +81 3 5207 8249
- Fax: +81 3 5298 5362
- URL: https://www.smcworld.com
Note: Specifications are subject to change without prior notice and any obligation on the part of the manufacturer.
© 2022 SMC Corporation All Rights Reserved





















