
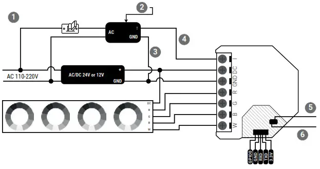
AC Switch wiring
RGB LED strip scheme
White LED bulbs scheme
- AC (110-230V) on/off/dimming switch
- Provided separately in your RGBW2 package
WARNING – this is the correct wiring of RGBW2
4X white LED strip scheme
RGBW LED strip scheme
- lack cable
- red cable
- LED
- Reset button
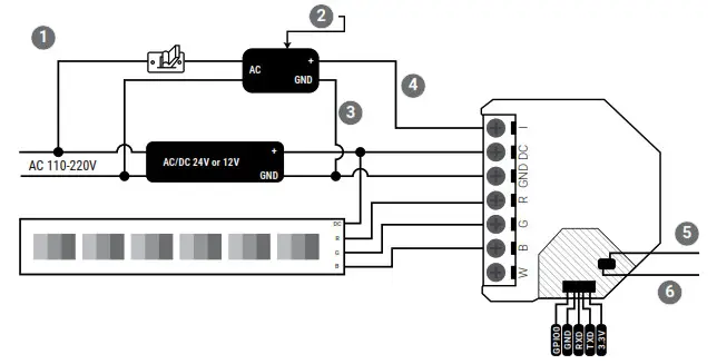
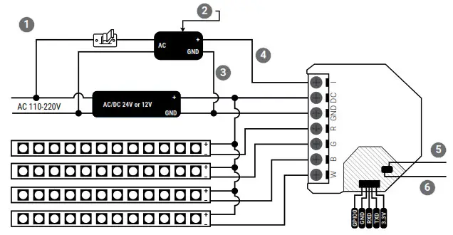
DC Switch wiring
RGB LED strip scheme
White LED bulbs scheme
LED
Reset button
WARNING – this is the correct wiring of RGBW2
4X white LED strip scheme
RGBW LED strip scheme
DC (12-24V) on/off/dimming switch
RGBW LED strip scheme


















