

User manual
Room sensor NLII-CO2 is used to continuously monitor air quality inside buildings and then control ventilation (HVAC) systems according to current levels of internal air quality. The sensor measures the concentration of carbon dioxide (CO2) and relative humidity (RH) in the air. It can be effectively used in offices, classrooms, shopping centers, homes, restaurants, fitness centers, commercial buildings, etc.
| measures CO2 and RH LED indication with automatic turn off according to ambient light (at night) 2x analog voltage/current output | 2x output relay – 2x NO/C option for cascade relay switching maintenance during operation is not required long life and stability |
| Type of sensor | CO2 output | RH output | Relay |
| NLII-CO2 | 1) 0-10 V/0-20 mA/4-20 mA | – | – |
| NLII-CO2-R | 1) 0-10 V/0-20 mA/4-20 mA | – | 1x NO/C/NC |
| NLII-CO2+RH | 1) 0-10 V/0-20 mA/4-20 mA | 1) 0-10 V/0-20 mA/4-20 mA | – |
| NLII-CO2+RH-R | 1) 0-10 V/0-20 mA/4-20 mA | 0-10 V/0-20 mA/4-20 mA | 2x NO/C |
It is possible to select the desired type of analog output by a jumper. The minimum achievable output value corresponds to the minimum value of the measuring range.
Description
The measuring of CO2 is based on the principle of infrared radiation attenuation dependence on the CO2 concentration in the air (NDIR). Built-in auto-calibration function ensures very good long-term stability. Measurement of the relative humidity is based on the principle of capacitive polymer sensor. The sensor has built-in two separate analog outputs -one for the actual concentration of CO2 and the other for the current relative humidity. If the sensor contains 2 relays, it can be set to two switching modes: standard (each relay switches according to its assigned quantity), a cascade mode (both relays switch according to one selected quantity and each one can be set to a different switching level). Cascade switching, for example, can be used to two-step switching of ventilation units’ output power. Relay trigger levels can be set independently by two rotary elements. So the sensor efficiently manages ventilation and heat recovery units, based on current room air quality. The current air quality can easily be determined by looking at the three LED indicators. The ern level means good indoor air quality necessary to achieve a sense of well-being and at the same time optimal energy costs for heating, ventilation, or air conditioning.
Explanation of abbreviations and technical terms can be found on our website in the Glossary section.
Technical data
| Parameter | Value Unit |
| Supply voltage range | 12 – 35V DC,12 – 24V AC |
| Average consumption | 0,5 W |
| CO2 measuring range | 400 – 2000 ppm |
| CO2 accuracy | ± 35 ppm ±5 % of reading |
| ± 35 p | 100 ppm |
| CO2 relay – hysteresis | max 1 min |
| CO2 rate rise | (90 %) 80 s |
| CO2 step response | 0 – 100 % RH |
| RH measuring range | ± 3 % RH |
| RH accuracy 20 – 80 % | ± 6 % RH |
| RH accuracy 0 – 100 % | 5 % RH |
| RH switching hysteresis | 250/30 V AC / V DC |
| Max. switching voltage | 5/5 A AC / A DC |
| Max. switching current | 0 – 95 % RH |
| Working humidity non-condensing | 0 – 95 % RH |
| Working temperature no condensing | 0 to +50 °C |
| Storage temperature | 0 to +50 °C |
| Expected lifetime | -20 to +60 °C |
| Ingress protection | min. 10 years |
| Dimensions | 90x80x31 mm |
Selected analog output values versus actual CO2 concentration

Selected analog output values versus actusl RH
Typical RH measurement accuracy at 25 °C
LED indication description
White LED lights:
Less than 600 ppm CO2 or less than 40 % RH. (according to the quantity selected for indication)
maintaining low concentrations of CO2 is not cost-effective – slightly increased concentration does not cause any health complications
low concentrations of RH. Too dry air feels cooler as compared to equally hot but more humid air – risk of drying of the mucous membranes – respiratory problems
Green LED lights:
More than or equal to 600 ppm CO2 or 40 % RH, less than or equal to 1200 ppm CO2 or 60 % RH. (according to the quantity selected for indication)
optimal balance of air quality and energy efficiency of ventilation and air conditioning
optimal relative humidity for humans
Yellow LED lights:
More than 1200 ppm CO2 or more than 60 % RH. (according to the quantity selected for indication)
higher concentration of CO2 – a further increase of CO2 concentrations above this level can cause fatigue, restlessness, headache
too high humidity – the risk of mold growth and associated health complications
Sensor start after power on
All three LEDs flash simultaneously until the first readings are available, but no longer than 10 seconds.
Sensor failure indication
All three LEDs are shining permanently.
CAUTION:
Warm-up: operational after 1 minute since power on.
The declared accuracy is reached after 4 days of continuous power supply.
It is necessary to avoid the severe mechanical shock of the sensor.
Electronic board controls and terminals
| 1. ~ + power AC or DC (+) plus pole 2. ~ GND power AC or DC (-) minus pole, GND 3. OUT1 CO2 sensor analog output, 0-10 V or 0-20 mA or 4-20 mA 4. GND CO2 sensor output GND 5. OUT2 RH sensor analog output, 0-10 V or 0-20 mA or 4-20 mA 6. GND RH sensor output GND 7. OUT3 NO relay 2 output, normally open (RH) (for NLII-CO2-R it is an NC contact) 8. OUT4 C output relay, common contact 9. OUT5 NO relay 1 output, normally open (CO2) | SETPOINT rotary switches for setting the relays switching levels RELAY 1 – switching level for CO2 RELAY 2 – switching level for RH Jumpers JP1 – Current output offset RH JP2 – Current output offset CO2 JP3 – Voltage/current output CO2 JP4 – Voltage/current output RH JP6 – LED indication and switching mode settings |
Jumpers on the electronics board
| Mark | Description | Settings | Meaning |
| JP1 | Current output offset RH – shift quiescent current from 0 mA to 4 mA | current output RH 0-20 mA | |
| current output RH 4-20 mA | |||
| JP2 | Current output offset CO2 – shift quiescent current from 0 mA to 4 mA | current output CO2 0-20 mA | |
| current output CO2 4-20 mA | |||
| JP3 | Voltage/current output CO2 – select the type of analog output – if the selected voltage output is CO2, JP2 must not be shorted | voltage output CO2 | |
![]() | current output CO2 | ||
| JP4 | Voltage/current output RH – select the type of analog output – if the selected voltage output is RH, JP1 must not be shorted | voltage output RH | |
![]() | current output RH | ||
| JP6 – 1 | LED indication – LED indication according to ambient light -when ambient light is dimmed (at night), LED indicators to turn off automatically. | permanent LED indication enabled | |
| LED indication according to ambient light |
| Mark | Description | Settings | Meaning |
| JP6 – 2 JP6 – 3 | Switching mode setting – standard/cascade. Selecting the sensor for switching and LED indication – CO2 or RH. – if standard switching is selected, CO2 and RH sensor control its own relay – if cascade switching is selected, the one chosen sensor controls both relays according to the levels set by the SETPOINT rotary switches (for both switches the according to switching levels table – CO2 or RH, is applied) | switching and LED indication by CO2 standard mode switching | |
| switching and LED indication by RH standard mode switching | |||
| switching and LED indication by CO2 cascade mode switching | |||
| switching and LED indication by RH cascade mode switching | |||
| JP6 – 4 JP6 – 5 | These positions are not intended for user settings. |
Setting the relay switching using rotary switch SETPOINT
The relay switches on when the measured variable level rises above the level of the rotary switch SETPOINT.
The relay switches off when the measured variable level falls below the level of the rotary switch SETPOINT minus hysteresis value of 100 ppm.
The minimal delay between changes in relays state is 2 minutes.
Standard switching with one relay (NLII-CO2-R)
Standard switching with two relays by CO2 (NLII-CO2+RH-R)
Standard switching with two relays by RH (NLII-CO2+RH-R)
Cascade switching with two relays by CO2 (NLII-CO2+RH-R)
Setting the switching levels
Required concentration of CO2
| SET POINT | CO2 [ppm] |
| 0 | 500 |
| 1 | 600 |
| 2 | 700 |
| 3 | 800 |
| 4 | 900 |
| 5 | 1000 |
| 6 | 1100 |
| 7 | 1200 |
| 8 | 1300 |
| 9 | 1400 |
| A | 1500 |
| B | 1600 |
| C | 1700 |
| D | 1800 |
| E | 1900 |
| F | 2000 |
Example for setting the concentration of 1000 ppm:![]()
| SET POIN0 | RH [%] |
| 1 | relay off |
| 2 | 10 |
| 3 | 20 |
| 4 | 30 |
| 5 | 40 |
| 6 | 50 |
| 7 | 60 |
| 8 | 70 |
| 9 | 80 |
| A | 90 |
| B | 35 |
| C | 45 |
| D | 55 |
| E | 65 |
| F | 75 |
| SET POIN1 | 85 |
Example for setting a relative humidity of 55%:![]()
| Factory settings LED indication: CO2 analog output: RH analog output: Relay switching mode: Switching level CO2: Switching level RH: | by CO2, indication turns off when ambient light dims voltage output voltage output Standard 1000 ppm 55% |
Example of CO2 sensor connection with one relay (1x switching contact)
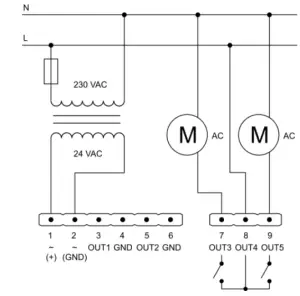
Example of CO2 sensor connection with two relays (2x NO/C)
Example of CO2 sensor connection for direct EC motor control using signal 0-10 V
If you connect other devices to the same AC power source as the NL sensor, it is necessary to meet the GND wiring of all analog inputs and outputs, as well as power wires.
Sensor assembly
Dimensions
The producer reserves the right of technical changes in order to produce improvements in its properties and functions without previous notice.



















