metos Table Top Wok Eco Kitchen IND-13W-3500

General
Before installation and use of this product, please read this manual carefully as it contains important information about the installation, operation and maintenance of the product. Please keep the manual in a place readily available for easy reference.
Product Features
IND series induction cookers have the features of strong, compact construction with a stainless steel enclosure, continuously controlled power and higher heating efficiency than conventional cookers. They also have the following unique features:
• Glass-ceramic panel, excellent thermal shock performance, sleek aesthetic design for easy cleaning
• Modularized design
• Electronic circuit with automatic monitor & control and multiple safety protection
• High efficiency and large power to save cooking time and energy
• Compact size and lightweight
• Customized designs.
Technical Specifications
Power Supply
- IND-10P-3500 , IND-13W-3500: 230V/ 50Hz
- IND-10PH-5000, IND-13WH-5000: 400V/50Hz
- IND-10P-8000, IND-13W-8000: 400V/50Hz
- IND-10PP-3500 X 2V: 400V/50Hz
- IND-10PPH-5000 X 2V: 400V/50Hz
- IND-E0P-L3500 X 2U: 400V/50Hz
- IND-E0P-L5000 X 4U: 400V/50Hz
Operating Frequency
20-40KHz
Power
- IND-10P-3500 , IND-13W-3500: 3.5kW
- IND-10PH-5000, IND-13WH-5000: 5kW
- IND-10P-8000, IND-13W-8000: 8kW
- IND-10PP-3500 X 2V: 7kW
- IND-10PPH-5000 X 2V: 10kW
- IND-E0P-L3500 X 2U: 7kW
- IND-E0P-L5000 X 4U: 20kW
IP-Class
IPX3
Ambient Conditions
- Temperature:
- Storage: -40ºC – +50ºC
- Operation: +5ºC – +40ºC
- Relative Humidity:
- Storage: 10% – 90%
- Operation: 30% – 90%
Installation
IND induction cooker series are of plug & play type, which is ready for use after power and water supplies (if necessary) are connected.
Heat Radiation Requirements
- Adequate space (min. 50 mm) shall be left in the back and bottom of the unit to allow free fl ow of air. Improper installation will result in blockage or decrease of airfl ow and poor radiation of heat;
- The air inlet and outlets must not be obstructed.
- The inlet cold air should not be mixed with the outlet hot air;
- The inlet air temperature should not exceed 40ºC;
- The induction cooker (steamer) should be away from other heat sources (such as gas cooker or ha-logen stove). In case several induction cookers are used, they should be at least 100mm apart from each other. Besides, it should be ensured that there is suffi cient supply of cold air and the hot air discharged by cookers will not enter other cookers.
Fire Prevention
All objects in contact with the cooker (steamer) should be made of noninfl ammable materials.
Requirements on Electrical Connection
- Check and make sure that the power supply is consistent with the rating on the nameplate of the product;
- The electrical connection must comply with existing national and local regulations;
- The electrical cable of the product must be connected to the power supply with an appropriate plug;
- In case leakage protection is adopted, the maximum circuit-breaking current is 30mA.
Troubleshooting
Warning: There is high voltage inside! Do not open the cooker!
The cooker can only be opened by authorized servicing personnel.
In case the glass-ceramic panel breaks or cracks, immediately switch off the cooker and disconnect the power. Never touch any exposed part inside the cooker.
When malfunction occurs, the indicator will show some information as follows:
| Code | Possible Cause | Correcting Measure |
| E1 (01) | No Detecting the pan in the hea- ting zone. | • Place proper wok/ pan on the cooker; • Consult professional personnel |
| E2 (02) | Over-current in Coils | • Change the utensil with more ferrous material • Consult professional personnel |
| E3 (03) | Over-temperature of power mo- dule, the equipment not working | • Long working hours in high ambient temperature, Cooling needed. • If ambient temperature is not high, check if the air-inlet and air-outlet is blocked, of if the warm air from outlet can be sucked into the inlet. • Check if the cooling fan of the generator works properly. • Check if the grease filter is too dirty. |
| Code | Possible Cause | Correcting Measure |
| E4 (04) | Pan temperature too high, cau- sing the equipment to stop wor- king. | • Check if the unit occurred dry-heating. • Check if the cooling fan of the coils works properly. • Oil temperature in the pan too high. Lower the po- wer level. |
| E5 (05) | Damage of power potentiome- ter, or the power level is not set at the “0” position. | • Set the power level not set at “0”position before use. • Problem of the power control. Check of replace- ment needed. |
| E6 (06) | Power module temperature ri- ses too fast. | • Check if the fan is running. • Consult professional personnel |
| E7 (07) | Error of temperature sensor of the power module. | • Consult professional personnel |
| E8 (08) | Temperature of power module too high and the generator is working with reduced power. | • See E3 |
| E9 (09) | Error of pan temperature sensor. | • Consult professional personnel. |
| EA (10) | The voltage of power supply is lower than 340V. | • Ensure proper voltage. • Ensure proper wiring. • Consult professional personnel |
| – | Reserve | |
| EC (12) | Over temperature of coils, the generator stops working. | • Consult professional personnel |
| ED (13) | Error of Coil temperature sen- sor. | • Consult professional personnel |
| – | Reserve | |
| EF (15) | Surge protection | • If this does not happen frequently, ignore it, becau- se automatic restart will be effected. • If this happens frequently, Consult professional personnel |
| E (16) | Hard protection of driving board. | • Consult professional personnel |
| EP (17) | Error of Hall sensor | • Consult professional personnel |
Mahdolliset virheet:
| Fault | Possible Cause | Correcting Measure |
| There is no heating, lamp or indi- cator is blinking | Error occurs. | Check the Error code list and fol- low the instructions. |
| There is no heating, lamp or in- dicator is off | No power supply | Check whether the power cord is well connected. |
| PCB/ Components are Broken | Consult professional personnel | |
| Heating effect is good but indi- cator or lamp is off. | Lamp or Indicator is broken. | Consult professional personnel |
| Switch does not work or the power could not be adjusted by rotating/sliding Switch. | Switch failure; | Consult professional personnel |
| Fault | Possible Cause | Correcting Measure |
| Power becomes lower than nor- mal power. | The power is limited by the pro- gram because the temperature of IGBT or Pan is rising too fast. | • Wait for a moment • Avoid heating the empty pan. • The pan/wok is not proper, please replace the pan/wok |
| The power is limited by the pro- gram because the ambient tem- perature is too high | • Please try to improve the am- bient conditions • Cool down the ambient tem- perature • Keep the induction products away from the hot sources • Check if the ventilation of in- duction products is good, or if the air filter is blocked. | |
| Inappropriate Internal Setting Parameters | Consult professional personnel |
Installation and Operating Instructions

Installation
- Open the package and make sure that the appearance of the unit is in good condition.
- Place the unit at the installation place. Pay attention to the ventilation conditions.
- Connect the cable to the terminal block or Circuit breaker according to the labeling. All connections must be secure.
Operating Instructions
After the device is powered on and there is no abnormal indication, it is ready for use. Operate according to the following steps:
- Place a wok/pan which is recommended by the manufacturer on the cooker, and add appropriate amount of water.
- Switch on the power, the indicator will go on.
- Depending on the food to be cooked, turn the knob slowly to an appropriate position between “0” and “Max”. A corresponding number will be shown on the indicator.
- After use, turn the handle to “Off” and cut off the power.
Safety Instructions
Risks of Negligence of Safety Information
This manual contains safety warnings and precautions on the installation, commissioning and operation of the induction cooker. Negligence of such information may lead to harms to people, environment and equipment, as well as potential risks as follows:
- Electric shock
- Overheating of wok/pan
- Overheating of cooker surface
Safety Notes
The safety instructions contained in this manual, the applicable national regulations on the prevention of accidents as well as user’s internal safety rules must be strictly observed.
User safety
- To prevent electrical shocks, the installation and electrical connection of the induction cooker must be performed by a qualifi ed contractor as per national and local regulations.
- The heating zone has high temperature. To avoid injury (scalding), do not touch this area.
- To avoid dry heating (glowing) of wok/pan, don’t leave the appliance on unattended. For the sake of safety, switch the power off.
- To prevent accidents caused by automatic heating of wok/pan, switch off the cooker before removing the wok/pan. Do not rely on the pan detector. This ensures that anyone who wants to use the cooker must switch it on him/herself.
- Don’t insert any piece of paper, cardboard, cloth, etc. between the wok/pan and the heating area, as this may initiate a fi re.
- Do not place metallic objects such as kitchen utensils, cutlery, cans, aluminum foil and keys on the hob surface within the cooking zone because such things can be heated up quickly.
- Do not wear watches and rings as these objects can be heated up when in close proximity to the hob surface.
- People with heart pacemakers should consult with the manufacturer or physician before using the induction cooker.
- The entire unit must be reliably grounded. Once the cooker body or electric cable is found broken, immediately switch the unit off, disconnect the power and contact the manufacturer or its authorized servicing personnel.
- Do not place aluminum foil or plastic utensils on the glass-ceramic surface in the heating zone nor use it as storage.
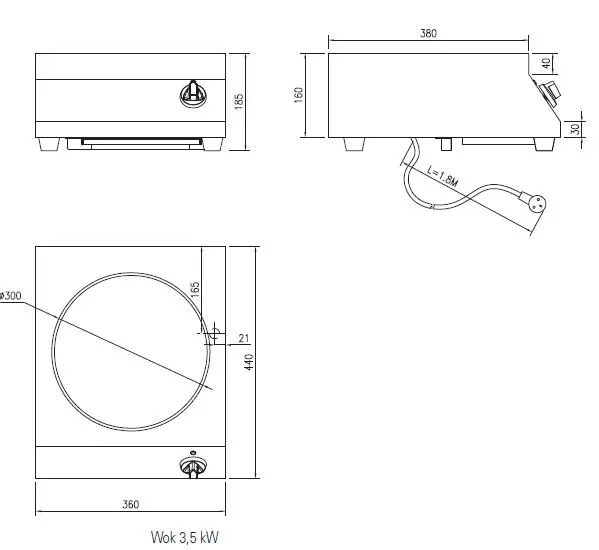
- The contact surface of wok/pan must match that of the glass-ceramic panel; otherwise, it may lead to reduced performance, malfunction and even damage to the induction cooker. Therefore, only those woks/pans supplied or recommended by the manufacturer can be used. (Wok diameter: 360 mm, Minimal pan diameter: 120 mm, Ferrous or Compound Steel Bottom).
- Only one pot / cooking zone!
- Place cooking ware on the cooking area. Do not place the cooking ware partial on the top of the cooking area or the range body frame.
- Do not leave the cooking ware touching each other.
- Do not wave the cooking ware on top of the ceramic glass.
- Don’t place credit cards, phone cards, passenger cards, cassette tapes or other magnetic objects on the surface of the induction cooker.
- There is air cooling system in the induction cooker. To avoid overheating induced shutdown, do not block the air vents.
- Do not let any liquid enter the cooker. Do not spill water or food over the wok/pan. Do not fl ush the cooker with water. Do not clean the cooker with a steam cleaner.
- In case the glass-ceramic panel breaks or cracks, immediately switch off the cooker and disconnect the power. Never touch any exposed part inside the cooker.
- Never turn the induction cooker on and off frequently without any purpose as this may cause damage to the electrical circuit and shorten the service life of the cooker. Normally, the cooker should not be restarted within 3 seconds after it is shut down.
- The induction cooker should be cleaned, maintained and serviced on a regular basis to keep it in good condition and extend its service life.
- There is high voltage inside the cooker. It can only be opened by authorized servicing personnel.
- To avoid misuse, all discarded electrical devices must be disposed of safely and properly by the user.
- There is a small area at the bottom center of the wok/pan that heats slowly. To ensure that oil is evenly heated, stir the oil in the wok/pan.
Unauthorized Change and Part Replacement
Do not make any change to the induction cooker. If the induction cooker needs to be changed, please contact the manufacturer. For safety’s sake, please use parts and components certifi ed by the manufacturer. Use of any uncertifi ed parts and components will void all the commitments and warranties of the manufacturer.
Cleaning & Maintenance
Clean the glass-ceramic panel surface in the same way as to glass. Do not use corrosive or grinding cleaners such as grill spray, detergent powder, deruster, polishing powder or coarse sponge to clean the panel. To prevent scalding, do not clean the panel when the surface is hot.
Stains and removing method
- Slightly soiled, without burning remnant: Wipe clean with a wet cloth, without using cleaning agent.
- Sticky substance: Scrape with a wooden scrapper and then wipe clean with a wet cloth.
- Scale formed by spilled boiling water Clean with vinegar or special cleaning agent.
- Sugar, sugary food, plastic and aluminum foil: Remove with a with a razor blade while the stain is warm, then clean with a cleaning agent. Caution! Avoid scalding. If stain is not removed in time, tiny holes may form on the surface of the glass-ceramic panel.
Other maintenance and servicing work than cleaning and maintenance should be conducted by desig-nated service providers. Important: Avoid leakage of liquid into the induction cooker. Do not fl ush with water nor clean with steam cleaner.
Regular Servicing
To keep the induction cooker in good condition and extend its service life, it should be cleaned, maintained and serviced on a regular basis.
The fi lter of the induction cooker must be cleaned at least once every three months.
The induction cooker must be checked by authorized technical personnel at least once a year.
Danger! Do not open the induction cooker. There is high voltage inside!
The induction cooker can be opened by authorized personnel only.
Waste Disposal
To avoid misuse, all discarded electrical devices must be disposed of properly and safely by the user.
Do not use uncertifi ed or discarded induction cookers.
Our products are made of regular materials. No battery is used inside the products.
The crossed-out wheeled bin means that within the European Union the product must be taken to separate collection at the product end-of life. This applies to your device but also to any enhancements marked with this symbol. Do not dispose of these products as unsorted municipal waste.
TECHNICAL INFORMATION
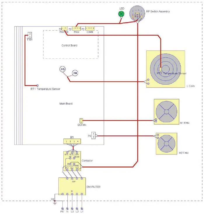
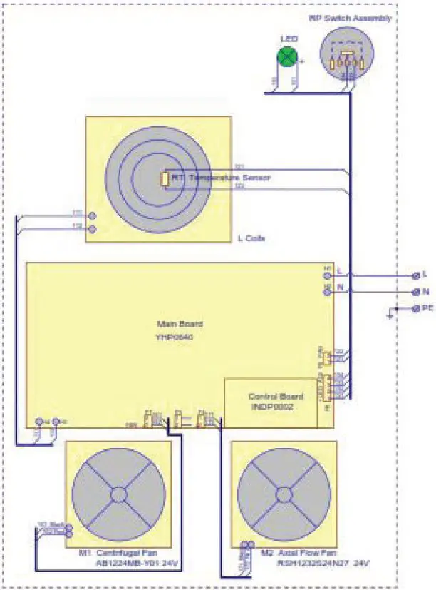
Wiring diagram, 3,5 kW
Wiring diagram 5 kW

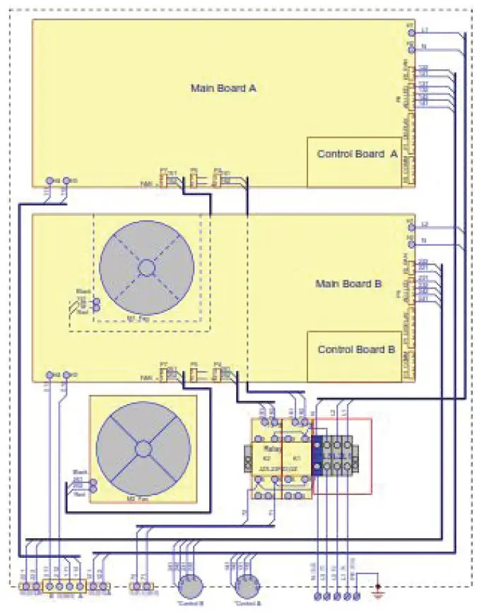
Wiring diagram 2×3,5 kW 
Wiring diagram 2×5 kW
Free Standing: 2×3,5 kW and 2×5 kW, 4×3.5 kw& 4×5 kw 


























