Aversan 002250 Cell and Wi-Fi Carrier with Integrated RF Switching Instruction Manual
Overview
The Aircraft Data Gateway 400 (ADG-400) acts as the gateway for all data that flows into and out of the avionics and/or cabin system. ADG-400 also provides mass storage functionality for storage of avionics bus data, maintenance data, databases, operational software and other data the avionics components may choose to store.
The ADG-400 unit provides a wireless access point for the system, via Wi-Fi or Bluetooth, which enables short-range connectivity of wireless mobile devices such as a pilot’s EFB or a maintenance laptop. This external connectivity to avionics data and functions allows applications on these devices to provide additional functionality for the flight and maintenance crews. Since this data logging functionality is offboard in uncertified equipment, it can be easily updated with fixes or new functionality. The wireless access point will be available for both in-air and on-ground operation.
The ADG-400 also provides connectivity to ground-based access points, via Wi-Fi or Cellular, which enables data transfers through the Internet to and from data center servers. This functionality allows the automatic (based on configuration) on-boarding and off-boarding of databases, reports, and data files. These interfaces are available while on-ground only.
Accessories
There are no accessories bundled with this product. Any cabling required to operate the device will be supplied by the end user.
Operating Environment
Installation Environment
The ADG-400 is designed to be installed in a pressurized compartment of an aircraft, typically the cockpit or avionics bay.
The ADG-400 is operational within the temperature range of -15°C and +55°C.
Input Power
The ADG-400 is designed to operate with an input power between 18 VDC and 36 VDC. The nominal input power is 28 VDC
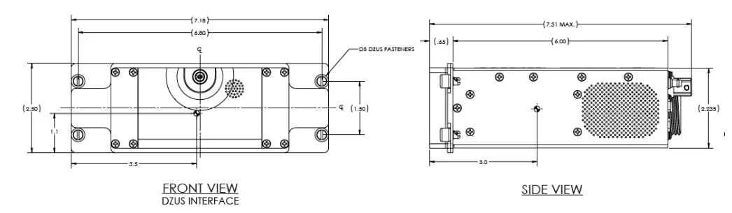
Product Dimensions
Figure 1, 2 and 3 provide the dimensions of the ADG-400. The ADG-400 is designed for 3 different mounting configurations. The base enclosure dimensions are shared between all configurations. The 2 DZUS mounting options both weigh 2.95 lbs +/-5%, while the flange mounting option weighs 3.15 lbs +/- 5%.


Figure 1: DZUS Mount Dimensions

Figure 2: Flange Dimensions

Figure 3: Flange Rear View
Suggested Fastener Specifications for Flange Mount to Aircraft: Type = #10-32
Specifications = NAS1351C3-6 or Equivalent *
*length may be used based on the application Head diameter between .30 to 0.31 Inches
Torque = 26 in-lb
Suggested Washer Specifications for Flange Mount to Aircraft: Type = Locking
Specifications Met = MS35335-60 or NASM35335
Aircraft Mounting Surface Material
Aluminum or Stainless Steel
External WiFi and Cellular (Client Communication)
The ADG-400 uses the External WiFi or Cellular modules to establish connection to ground based servers based on network priority defined in the configuration file. Both the Client Wi Fi and Cellular modems are disabled in air and are operational only on ground.
The External WiFi and Cellular RF signals use the same antenna connections on the rear of the ADG-400 through a software controlled RF switch. Two SIM card slots are provided in the ADG-400 to support cellular operations in different regions. This means that only one is possible at a time, requiring the configuration file to include which method of communication contains priority.
The ADG-400 client connection first attempts to connect using the connection type (Wi-Fi, Cellular SIM Card 1, or Cellular SIM Card 2) specified by the configuration file’s priority and retries the connection to the client connection type as many times as specified in the configuration. It also retries the connection based on the retry interval specified in the configuration. If the ADG-400 Client Connection cannot connect to the client connection type after the number of retries specified, the ADG-400 attempts to connect using the next connection type in priority. The priority list connections are attempted sequentially. The ADG-400 will loop indefinitely through the connection list if no end-point exists to create a successful connection to. If the client connection is lost involuntarily, and not due to aircraft take-off or loss of power, the client will retry the highest priority connection method first.
All client connections are secured with certificate-based encryption.
WiFi and Bluetooth
The WiFi and Bluetooth module can operate while in-air or on ground. This module may operate simultaneously as the WiFi client and Bluetooth connection. This module can use internal antennas located on the front panel of the ADG-400 or through the rear antennas using a software controlled RF switch.
RF Parameter Control
The control of RF parameters will be up to the application software and maintenance personnel. Due to the limited power of the devices, it is unlikely that the power of the device will be altered. For certification testing, assume device is always operating at maximum power.
RF Access
Internal Antennas (Front Panel)
The internal antennas are located on the front panel to either side of the access door.

Figure 4: Front Panel Antennas Location
The front panel antennas used are Laird FlexPIFA U.FL Antennas. A custom Laird part number was required due to the length of the antenna cable (250mm) required to reach the PCB. The custom part number EFB2455A3S-25MHF1 originated from the COTS FlexPIFA 001 0016.
External RF Connectors (Rear Panel)
The external RF connectors are shown below. This allows external aircraft antennas to be connected to the ADG-400’s External WiFi, Cellular, and WiFi & Bluetooth modules.

Figure 5: Rear Panel Antenna Ports
RF Exposure
The ADG-400 is not worn on the body.
Configurations and External Interfaces
The ADG-400 consists of a core unit and can include two replaceable module interfaces (RMIs).
Core Unit
The core unit contains front and rear facing interfaces. All interfaces listed below are rear attached to the rear panel except for those explicitly called out.
- 10x 10/100/1000M BaseT Ethernet ports
- 5x Connected to internal Ethernet switch
- 4x Isolated Ethernet ports directly connected to the CPU
- 1x Isolated Ethernet port directly connected to the CPU (Front panel)
- 18x ARINC 720 gnd/open discretes
- 12x Discrete inputs
- 6x Discrete outputs
- 2x RS-422 transceivers (TX and RX)
- 2x ARINC A429 transmitters
- 4x ARINC A429 receivers
- 1x USB 3.1 Gen 1 port (Front Panel)
- 1x SD Card (Front Panel)
- 1X 1TB SSD
- 4x Antenna connectors to support 2×2 MIMO configuration of WiFi and Cellular
- 2x Internal antennas (Front Panel)
- 1x WiFi + Bluetooth module
- 1x WiFi module
- 1x Cellular module
- 2x SIM slots (Front Panel)
- 2x LED status indicators (Front Panel)
Replacable Module Interfaces
There are 4 Replaceable Module Interfaces.
Ethernet Module
The Ethernet Module provides the following interfaces:
- 2x 10Base2 coaxial connectors (1 internal 10Base2 interface with built-in ‘Tee’ connection)
- 2x 10/100M BaseT Ethernet ports
ARINC Module
The ARINC Module provides the following interfaces:
- 2x ARINC A429 transmitters
- 4x ARINC A429 receivers
- 2x ARINC 717 receivers
- 8x ARINC 720 gnd/open discretes
- 4x Discrete inputs
- 4x Discrete outputs
ASCB Module
The ASCB Module provides the following interfaces:
- 2x ASCB receivers
- 1x RS-232 interface (TX and RX)
RS Module
The RS Module provides the following interfaces:
- 2x RS-232 interfaces (TX and RX)
- 3x RS-422/485 interfaces (TX and RX)
- 1x RS-422/485 synchronous / asynchronous interface with clock input (TX, RX, and RX clock)
Configurations
The following configurations are supported:
Configuration 0: ADG-400 Core Unit
Configuration 1: ADG-400 Core Unit + RS RMI + ASCB RMI
Configuration 2: ADG-400 Core Unit + Ethernet RMI + ASCB RMI
Configuration 3: ADG-400 Core Unit + ARINC RMI + ARINC RMI
Important information
- Do not insert conductive object into the equipment through the ventilation holes
- The equipment shall be operated by instructed or skilled person only
- Installation shall ensure at least 27 cm separation distance between the rear antennas and the user’s body.
- Installation shall ensure at least 24 cm separation distance between the front panel (internal) antennas and the user’s body.
Customer Service
Aversan Inc. Suite 500 30 Eglinton Avenue West Mississauga, ON L5R 3E7 Canada
t: 416.289.1554
f: 416.289.1554
[email protected]
www.aversan.com



















