【Fast Duplex】Knife Sharpener
Operation Manual 
Knife Sharpener
【NOTE 】
- Plug power 220V.
- Knife thickness <2.5mm.
- Not for saw tooth knife.
- Continuous grinding more than 30minutes, to be shut down for rest 5 minutes, for long term of machine life.

【INSTRUCTIONS】
![]() | ![]() |
| Put knife as per the angle around 15°~20° | Put knife gently to touch wheel, don’t press, just pull knife along the arrow direction. |
【GRINDING PROCESS】
Grinding feature rough, medium, fine.
Rough grinding: To save time for medium fine rough sharp knife easy to cut root vegetable.
To put knife as per the angle, to touch grinding wheel, don’t press, flow arrow to pull 2~4 times enough.
Medium grinding: Medium sharp knife can cut most vegetables.
Same as Rough grinding processes, to pull 1~2 times enough.
Fine grinding: Fine sharp knife for persistence, house hold for one moth use.
Same grinding process, to pull 1~2 times enough.
Thin knife, go for Medium and fine enough.
【EASY TO GRIND A KNIFE】
- To check knife edge whether grinded, Look at the grinded edge (as A pic) or using finger to follow arrow direction to touch edge, if there are some flashes mean that grinding work, but not yet sharp (as B pic).

- After rough grinded, several fine grind to maintain the sharp edge and brightness.
- Don’t press on the wheel, gently touching and pull along arrow direction is enough for grinding.
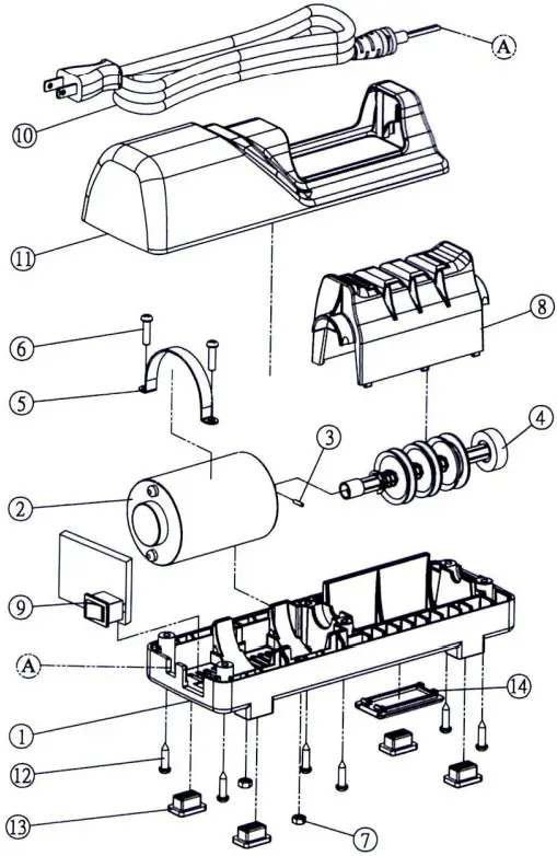
【EXPLODED VIEW 】

| ITEM | PART NAME |
| 1 | Base |
| 2 | Motor |
| 3 | Solid pin |
| 4 | Diamond wheel shaft |
| 5 | Motor saddle |
| 6 | Round head bolt flat point |
| 7 | Nylon nut |
| 8 | Groove saddle |
| 9 | Switch |
| 10 | Power cable |
| 11 | Cover |
| 12 | Round head screw |
| 13 | Foot |
| 14 | Magnet |
【MAINTENANCE】
- Clean cover:
Wipe with a damp cloth surface. - Clean dust:
Flap the machine to collect all the metal dust on the magnet.
The open base to clean all the metal dust with a dry cloth or tissue paper.
And putting it back. - Troubleshooting please contact dealer or send it back to service center.






















