Model HC61SB
Battery and Charger Sold Separately
20V Brushless Slide Switch 4-1/2″ / 5″ Angle Grinder
Owner’s Manual & Safety Instructions
HC61SB 20V Brushless Slide Switch Angle Grinder
WARNING: To prevent serious injury, User must read and understand Owner’s Manual. SAVE THIS MANUAL.
When unpacking, make sure that the product is intact and undamaged.
If any parts are missing or broken, please call 1-888-866-5797 as soon as possible. Reference 56903.
IMPORTANT SAFETY INFORMATION
GENERAL POWER TOOL SAFETY WARNINGS
WARNING
Read all safety warnings and all instructions.
Failure to follow the warnings and instructions may result in electric shock, fire and/or serious injury. Save all warnings and instructions for future reference.
The term ″power tool″ in the warnings refers to your battery-operated (cordless) power tool.
Work Area Safety
- Keep work area clean and well lit.
Cluttered or dark areas invite accidents. - Do not operate power tools in explosive atmospheres, such as in the presence of flammable liquids, gases or dust. Power tools create sparks which may ignite the dust or fumes.
- Keep children and bystanders away while operating a power tool.
Distractions can cause you to lose control.
Electrical Safety
Stay alert, watch what you are doing and use common sense when operating a power tool. Do not use a power tool while you are tired or under the influence of drugs, alcohol or medication. A moment of inattention while operating power tools may result in serious personal injury.
- Use safety equipment. Always wear eye protection. Safety equipment such as dust mask, non-skid safety shoes, hard hat, or hearing protection used for appropriate conditions will reduce personal injuries.
- Prevent unintentional starting. Ensure the switch/ Switch is in the off-position before connecting to power source and/or battery pack, picking up or carrying the tool. Carrying power tools with your finger on the switch or energizing power tools that have the switch on invites accidents.
- Remove any adjusting key or wrench before turning the power tool on. A wrench or a key left attached to a rotating part of the power tool may result in personal injury.
Do not expose power tools to rain or wet conditions. Water entering a power tool will increase the risk of electric shock.
Personal Safety
- Stay alert, watch what you are doing and use common sense when operating a power tool. Do not use a power tool while you are tired or under the influence of drugs, alcohol or medication. A moment of inattention while operating power tools may result in serious personal injury.
- Use personal protective equipment. Always wear eye protection. Protective equipment such as dust mask, non-skid safety shoes, hard hat, or hearing protection used for appropriate conditions will reduce personal injuries.
- Prevent unintentional starting. Ensure the Switch is in the off-position before connecting to power source, picking up or carrying the tool. Carrying power tools with your finger on the Switch or energizing power tools that have the Switch on invites accidents.
- Do not overreach. Keep proper footing and balance at all times. This enables better control of the power tool in unexpected situations.
- Dress properly. Do not wear loose clothing or jewelry. Keep your hair, clothing and gloves away from moving parts. Loose clothes, jewelry or long hair can be caught in moving parts.
- If devices are provided for the connection of dust extraction and collection facilities, ensure these are connected and properly used. Use of dust collection can reduce dust-related hazards.
- Only use safety equipment that has been approved by an appropriate standards agency. Unapproved safety equipment may not provide adequate protection. Eye protection must be ANSI-approved and breathing protection must be NIOSH-approved for the specific hazards in the work area.
Power Tool Use and Care
- Do not force the power tool. Use the correct power tool for your application. The correct power tool will do the job better and safer at the rate for which it was designed.
- Do not use the power tool if the Switch does not turn it on and off. Any power tool that cannot be controlled with the Switch is dangerous and must be repaired.
- Disconnect the battery pack from the power tool before making any adjustments, changing accessories, or storing power tools. Such preventive safety measures reduce the risk of starting the power tool accidentally.
- Store idle power tools out of the reach of children and do not allow persons unfamiliar with the power tool or these instructions to operate the power tool. Power tools are dangerous in the hands of untrained users.
- Maintain power tools. Check for misalignment or binding of moving parts, breakage of parts and any other condition that may affect the power tool’s operation. If damaged, have the power tool repaired before use. Many accidents are caused by poorly maintained power tools.
- Keep cutting tools sharp and clean. Properly maintained cutting tools with sharp cutting edges are less likely to bind and are easier to control.
- Use the power tool, accessories and tool bits etc. in accordance with these instructions, taking into account the working conditions and the work to be performed. Use of the power tool for operations different from those intended could result in a hazardous situation.
Service
Have your power tool serviced by a qualified repair person using only identical replacement parts.
This will ensure that the safety of the power tool is maintained.
Safety Warnings Common for Grinding, Sanding, or Abrasive Cutting-off Operations
- This power tool is intended to function as a grinder, sander, or cut-off tool. Read all safety warnings, instructions, illustrations and specifications provided with this power tool. Failure to follow all instructions listed below may result in electric shock, fire and/or serious injury.
- Operations such as wire brushing or polishing are not recommended to be performed with this power tool. Operations for which the power tool was not designed may create a hazard and cause personal injury.
- Do not use accessories which are not specifically designed and recommended by the tool manufacturer. Just because the accessory can be attached to your power tool, it does not assure safe operation.
- The rated speed of the accessory must be at least equal to the maximum speed marked on the power tool. Accessories running faster than their RATED SPEED can break and fly apart.
- The outside diameter and the thickness of your accessory must be within the capacity rating of your power tool. Incorrectly sized accessories cannot be adequately guarded or controlled.
- The arbor size of wheels, flanges, backing pads or any other accessory must properly fit the spindle of the power tool. Accessories with arbor holes that do not match the mounting hardware of the power tool will run out of balance, vibrate excessively and may cause loss of control.
- Do not use a damaged accessory. Before each use inspect the accessory such as abrasive wheels for chips and cracks, backing pad for cracks, tear or excess wear, wire brush for loose or cracked wires. If power tool or accessory is dropped, inspect for damage or install an undamaged accessory. After inspecting and installing an accessory, position yourself and bystanders away from the plane of the rotating accessory and run the power tool at maximum no-load speed for one minute. Damaged accessories will normally break apart during this test time.
- Wear personal protective equipment. Depending on application, use face shield, safety goggles or safety glasses. As appropriate, wear dust mask, hearing protectors, gloves and workshop apron capable of stopping small abrasive or workpiece fragments. The eye protection must be capable of stopping flying debris generated by various operations. The eye protection must be capable of stopping flying debris generated by various operations. The dust mask or respirator must be capable of filtering out particles generated by your operation. Prolonged exposure to high intensity noise may cause hearing loss.
- Keep bystanders a safe distance away from work area. Anyone entering the work area must wear personal protective equipment. Fragments of workpiece or of a broken accessory may fly away and cause injury beyond immediate area of operation.
- Hold power tool by insulated gripping surfaces only, when performing an operation where the accessory may contact hidden wiring or its own cord. An accessory contacting a ″live″ wire may make exposed metal parts of the power tool ″live″ and shock the operator.
- Never lay the power tool down until the accessory has come to a complete stop. The spinning accessory may grab the surface and pull the power tool out of your control.
- Do not run the power tool while carrying it at your side. Accidental contact with the spinning accessory could snag your clothing, pulling the accessory into your body.
- Regularly clean the power tool’s air vents. The motor’s fan will draw the dust inside the housing and excessive accumulation of powdered metal may cause electrical hazards.
- Do not operate the power tool near flammable materials. Sparks could ignite these materials.
- Do not use accessories that require liquid coolants. Using water or other liquid coolants may result in electrocution or shock.
Battery Tool Use and Care
- Recharge only with the charger specified by the manufacturer. A charger that is suitable for one type of battery pack may create a risk of fire when used with another battery pack.
- Use power tools only with specifically designated battery packs. Use of any other battery packs may create a risk of injury and fire.
- When battery pack is not in use, keep it away from other metal objects, like paper clips, coins, keys, nails, screws or other small metal objects, that can make a connection from one terminal to another. Shorting the battery terminals together may cause burns or a fire.
- Under abusive conditions, liquid may be ejected from the battery; avoid contact. If contact accidentally occurs, flush with waterIf liquid contacts eyes, additionally seek medical help. Liquid ejected from the battery may cause irritation or burns.
Service
Have your power tool serviced by a qualified repair person using only identical replacement parts. This will ensure that the safety of the power tool is maintained.
- Maintain labels and nameplates on the tool. These carry important safety information. If unreadable or missing, contact Harbor Freight Tools for a replacement.
- Avoid unintentional starting. Prepare to begin work before turning on the tool.
- Do not depress the spindle lock when starting or during operation.
- Do not leave the tool unattended when the Battery Pack is connected. Turn off the tool, and remove the Battery Pack before leaving.
- Use clamps (not included) or other practical ways to secure and support the workpiece to a stable platform. Holding the work by hand or against your body is unstable and may lead to loss of control and personal injury.
- The battery Charger gets hot during use. The Charger’s heat can build up to unsafe levels and create a fire hazard if it does not receive adequate ventilation, due to an electrical fault, or if it is used in a hot environment. Do not place the Charger on a flammable surface. Do not obstruct any vents on the Charger. Especially avoid placing the Charger on carpets and rugs; they are not only flammable, but they also obstruct vents under the Charger. Place the Charger on a stable, solid, nonflammable surface (such as a stable metal workbench or concrete floor) at least 1 foot away from all flammable objects, such as drapes or walls. Keep a fire extinguisher and a smoke detector in the area. Frequently monitor the Charger and Battery Pack while charging.
- This product is not a toy. Keep it out of reach of children.
- People with pacemakers should consult their physician(s) before use. Electromagnetic fields in close proximity to heart pacemaker could cause pacemaker interference or pacemaker failure.
- The warnings, precautions, and instructions discussed in this instruction manual cannot cover all possible conditions and situations that may occur. It must be understood by the operator that common sense and caution are factors which cannot be built into this product, but must be supplied by the operator.
Kickback is a sudden reaction to a pinched or snagged rotating wheel, backing pad, brush or any other accessory. Pinching or snagging causes rapid stalling of the rotating accessory which in turn causes the uncontrolled power tool to be forced in the direction opposite of the accessory’s rotation at the point of the binding.
For example, if an abrasive wheel is snagged or pinched by the workpiece, the edge of the wheel that is entering into the pinch point can dig into the surface of the material causing the wheel to climb out or kick out. The wheel may either jump toward or away from the operator, depending on direction of the wheel’s movement at the point of pinching. Abrasive wheels may also break under these conditions.
Kickback is the result of power tool misuse and/or incorrect operating procedures or conditions and can be avoided by taking proper precautions as given below.
- Maintain a firm grip on the power tool and position your body and arm to allow you to resist kickback forces. Always use auxiliary handle, if provided, for maximum control over kickback or torque reaction during start-up. The operator can control torque reactions or kickback forces, if proper precautions are taken.
- Never place your hand near the rotating accessory. Accessory may kickback over your hand.
- Do not position your body in the area where power tool will move if kickback occurs. Kickback will propel the tool in direction opposite to the wheel’s movement at the point of snagging.
- Use special care when working corners, sharp edges etc. Avoid bouncing and snagging the accessory. Corners, sharp edges or bouncing have a tendency to snag the rotating accessory and cause loss of control or kickback.
- Do not attach a saw chain woodcarving blade or toothed saw blade. Such blades create frequent kickback and loss of control.
Safety Warnings Specific for Grinding and Abrasive Cutting-off Operations
- Use only wheel types that are recommended for your power tool and the specific guard designed for the selected wheel. Wheels for which the power tool was not designed cannot be adequately guarded and are unsafe.
- The guard must be securely attached to the power tool and positioned for maximum safety, so the least amount of wheel is exposed towards the operator. The guard helps to protect operator from broken wheel fragments and accidental contact with wheel.
- Wheels must be used only for recommended applications. For example: do not grind with the side of cut-off wheel. Abrasive cut-off wheels are intended for peripheral grinding, side forces applied to these wheels may cause them to shatter.
- Always use undamaged wheel flanges that are of correct size and shape for your selected wheel. Proper wheel flanges support the wheel thus reducing the possibility of wheel breakage. Flanges for cut-off wheels may be different from grinding wheel flanges.
- Do not use worn down wheels from larger power tools. Wheel intended for larger power tool is not suitable for the higher speed of a smaller tool and may burst.
- Dress appropriately. Wear leather leggings and fire resistant footwear during use. Do not wear pants with cuffs, shirts with open pockets, or any clothing that can catch and hold molten metal or sparks.
Safety Warnings Specific for Abrasive Cutting-off Operations
- Do not “jam” the cut-off wheel or apply excessive pressure. Do not attempt to make an excessive depth of cut. Overstressing the wheel increases the loading and susceptibility to twisting or binding of the wheel in the cut and the possibility of kickback or wheel breakage.
- Do not position your body in line with and behind the rotating wheel. When the wheel, at the point of operation, is moving away from your body, the possible kickback may propel the spinning wheel and the power tool directly at you.
- When wheel is binding or when interrupting a cut for any reason, switch off the power tool and hold the power tool motionless until the wheel comes to a complete stop. Never attempt to remove the cut-off wheel from the cut while the wheel is in motion otherwise kickback may occur. Investigate and take corrective action to eliminate the cause of wheel binding.
- Do not restart the cutting operation in the workpiece. Let the wheel reach full speed and carefully re-enter the cut. The wheel may bind, walk up or kickback if the power tool is restarted in the workpiece.
- Support panels or any oversized workpiece to minimize the risk of wheel pinching and kickback. Large workpieces tend to sag under their own weight. Supports must be placed under the workpiece near the line of cut and near the edge of the workpiece on both sides of the wheel.
- Use extra caution when making a “pocket cut” into existing walls or other blind areas. The protruding wheel may cut gas or water pipes, electrical wiring or objects that can cause kickback.
Safety Warnings Specific for Sanding Operations
Do not use excessively oversized sanding disc paper. Follow manufacturer’s recommendations when selecting sanding paper. Larger sanding paper extending beyond the sanding pad presents a laceration hazard and may cause snagging, tearing of the disc or kickback.
Vibration Safety
This tool vibrates during use. Repeated or long-term exposure to vibration may cause temporary or permanent physical injury, particularly to the hands, arms and shoulders. To reduce the risk of vibration-related injury:
- Anyone using vibrating tools regularly or for an extended period should first be examined by a doctor and then have regular medical check-ups to ensure medical problems are not being caused or worsened from use. Pregnant women or people who have impaired blood circulation to the hand, past hand injuries, nervous system disorders, diabetes, or Raynaud’s Disease should not use this tool. If you feel any medical or physical symptoms related to vibration (such as tingling, numbness, and white or blue fingers), seek medical advice as soon as possible.
- Do not smoke during use. Nicotine reduces the blood supply to the hands and fingers, increasing the risk of vibration-related injury.
- Wear suitable gloves to reduce the vibration effects on the user.
- Use tools with the lowest vibration when there is a choice between different processes.
- Include vibration-free periods each day of work.
- Grip tool as lightly as possible (while still keeping safe control of it). Let the tool do the work.
- To reduce vibration, maintain the tool as explained in this manual. If any abnormal vibration occurs, stop use immediately.
SAVE THESE INSTRUCTIONS.
Extension Cords
Extension cords must not be used with this item’s Charger (sold separately).
Symbology
| Double Insulated | |
| V | Volts |
| ~ | Alternating Current |
| A | Amperes |
| n0 xxxx/min. | No Load Revolutions per Minute (RPM) |
![]() | WARNING marking concerning Risk of Eye Injury. Wear ANSI-approved safety goggles with side shields. |
![]() | Read the manual before set-up and/or use. |
![]() | WARNING marking concerning Risk of Hearing Loss. Wear hearing protection. |
| WARNING marking concerning Risk of Fire. Do not cover Charger ventilation ducts. Charge on fireproof surface only. | |
| WARNING marking concerning Risk of Electric Shock. Properly connect Charger’s power cord to appropriate outlet. |
Warning Symbols and Definitions
This is the safety alert symbol. It is used to alert you to potential personal injury hazards. Obey all safety messages that follow this symbol to avoid possible injury or death.
DANGER Indicates a hazardous situation which, if not avoided, will result in death or serious injury.
WARNING Indicates a hazardous situation which, if not avoided, could result in death or serious injury.
CAUTION Indicates a hazardous situation which, if not avoided, could result in minor or moderate injury.
NOTICE Addresses practices not related to personal injury.
Specifications
| Battery | Hercules 20V Li-Ion (sold separately) |
| Charger | Hercules 20V Li-ion (sold separately) |
| No Load Speed | 8500/min |
| Max Accessory Diameter | 5″ (125mm) |
| Spindle Thread | 5/8″ – 11 TPI |
Functional Description

- Side Handle
- Spindle Lock
- Switch
- Wheel Guard
- Wheel Guard Bolt
- Wheel Guard Lock Lever
OPERATION
Read the ENTIRE IMPORTANT SAFETY INFORMATION section at the beginning of this manual including all text under subheadings therein before set up or use of this product.
Tool Set Up
WARNING
TO PREVENT SERIOUS INJURY FROM ACCIDENTAL OPERATION:
Make sure that the Switch is in the OFF position and Battery Pack is removed before performing any procedure in this section.
Charging
Charge battery before using this tool. Follow instructions included with battery charger.
Battery Pack and Charger sold separately.
Adjusting the Wheel Guard
WARNING
TO PREVENT SERIOUS INJURY:
Do not operate this tool without the Wheel Guard properly installed.
- Pull out the Wheel Guard Lock Lever.
- Rotate the Wheel Guard as needed to shield you during the planned work.
- Push the Wheel Guard Lock Lever back into place to secure the Wheel Guard.
- Check the Wheel Guard to ensure it is firmly in place.
Adjust if necessary before proceeding.
Installing Auxiliary Side Handle
WARNING
TO PREVENT SERIOUS INJURY:
Do not operate this tool with one hand only or without the Side Handle properly installed.
- The Side Handle may be installed in one of two positions, on either side of the Gear Housing.
- Screw the threaded end of the Side Handle clockwise into the selected position.
Tighten securely before beginning work.
Installing a Non-threaded Grinding Wheel or Cut-Off Wheel
- For a Grinding Wheel, it MUST be:
• rated to at least 8500 RPM
• no larger than 5″ in diameter
• fitted with a 5/8″ round arbor hole
• from 0.035″ to 0.3″ thick
• a type of grinding wheel suitable for surface grinding, not edge grinding
• dry and clean
• proven undamaged by inspection
For a Cut-Off Wheel, it MUST be:
• rated to at least 8500 RPM
• no larger than 5″ in diameter
• fitted with a 5/8″ round arbor hole
• from 0.035″ to 0.3″ thick
• suitable for edge grinding, not surface grinding
• dry and clean
• proven undamaged by visual inspection
WARNING! TO PREVENT SERIOUS INJURY: When using a Cut-Off Wheel, a wheel guard designed specifically for Cut-Off Wheels (not included) must be installed for adequate protection if the wheel fails.
WARNING! TO PREVENT SERIOUS INJURY:
Use only 4.5″ grinding wheels with 4.5″ guards.
Use only 5″ grinding wheels with 5″ guards. Replacement guards sold separately.
- Press in and hold the Spindle Lock to prevent the Spindle from turning.
- Remove the Flange Nut. Keep the Outer Flange in position on the Spindle.
- Closely inspect the Grinding or Cut-Off Wheel for damage before mounting.
- For wheels with paper gaskets (blotters) or metal gaskets: Slip the wheel onto the Spindle with the gasket first. The gasket should be centered on the wheel and the wheel and gasket should rest flat against the Flange.
WARNING: To prevent serious injury, gaskets must be used for all grinding wheels they are provided with. Gaskets help prevent grinding wheel damage and wheel slippage, causes of wheel failure.
Note: The Outer Flange has a step for improved stability with thick accessories. Keep this step on the inside for thick accessories. To allow proper clamping for thin accessories, flip Outer Flange so this step is on the outside. - Thread the Flange Nut onto the Spindle.
Wrench tighten only enough so that the wheel is securely held on the spindle.
WARNING: To prevent serious injury, do not overtighten Flange Nut. Overtightening can damage the wheel, causing wheel failure.
Installing a Threaded Accessory
CAUTION
TO PREVENT INJURY: Wear heavy-duty work gloves when handling wire wheels and brushes.
These accessories are sharp and can cause injury. Do not exceed maximum rated speed of brush. Do not use a damaged brush. Replace damaged brushes immediately. Damaged or worn brushes will forcefully shoot wires into all objects not covered by the guard.
- The accessory MUST be:
• rated to at least 8500 RPM
• no larger than 5″ in diameter
• fitted with a threaded opening of 5/8″ x 11 TPI.
• undamaged
• a sanding disc and backing pad, a sanding flap disc, a wire wheel or a wire cup brush (accessories not included). - Press in and hold the Spindle Lock Button to prevent the Spindle from turning.
- Remove the Flange Nut and the Outer Flange and keep in a safe place.
- Thread disc accessory firmly onto the Spindle. Wrench tighten onto the Spindle.
Workpiece and Work Area Set Up
- Designate a work area that is clean and well-lit.
The work area must not allow access by children or pets to prevent distraction and injury. - Secure loose workpieces using a vise or clamps (not included) to prevent movement while working.
- There must not be hazardous objects, such as utility lines or foreign objects, nearby that will present a hazard while working.
- You must use personal safety equipment including, but not limited to, ANSI-approved eye and hearing protection, as well as heavy-duty work gloves.
- Before beginning work, provide for sparks and debris that will fly off the work surface.
General Operation
WARNING
TO PREVENT SERIOUS INJURY: Grip the tool firmly in both hands.
- Insert a fully charged Battery Pack into the Grinder, making sure it clicks in place securely.
- Press the back of the Switch down and then it push forward to start the tool. To turn tool OFF, release the Switch.
- To lock the tool on, press the back of the Switch down and push Switch forward. Then press the front of the Switch down into the groove in front. To release, press the back of the Switch.
- Allow the tool to come up to full speed before touching the work material.
For grinding or sanding operations, apply the wheel or disc to the work material at a 10°– 15° angle, allowing the tool to operate at full speed. If the tool bogs down, use lighter pressure.
To create a smoother surface, keep the tool moving over the work surface.
For abrasive cutting-off operations, apply the cut-off wheel straight into the work material using only the edge of the wheel, allowing the tool to operate at full speed. If the tool bogs down, use lighter pressure.
WARNING! TO PREVENT SERIOUS INJURY:
Do not grind with the side of the cut-off wheel. Abrasive cut-off wheels are intended for peripheral grinding; side forces applied to these wheels may cause them to shatter.
NOTICE: TO PREVENT TOOL DAMAGE: Only use the tool for 15-20 minutes at a time.
Allow the tool to cool completely before next use. - TO PREVENT ACCIDENTS, AFTER USE:
Turn off the tool.
WARNING! TO PREVENT SERIOUS INJURY:
Allow the tool to come to a complete stop before setting it down.
Remove the Battery Pack. Clean, then store the tool indoors out of children’s reach.
MAINTENANCE AND SERVICING
Procedures not specifically explained in this manual must be performed only by a qualified technician.
WARNING
TO PREVENT SERIOUS INJURY FROM ACCIDENTAL OPERATION:
Make sure that the Switch is in the OFF position and Battery Pack is removed before performing any procedure in this section.
TO PREVENT SERIOUS INJURY FROM TOOL FAILURE:
Do not use damaged equipment.
If abnormal noise or vibration occurs, have the problem corrected before further use.
Cleaning, Maintenance, and Lubrication
- BEFORE EACH USE, inspect the general condition of the tool. Check for:
• leaking, swollen, or cracked battery pack
• loose hardware
• misalignment or binding of moving parts
• cracked or broken parts
• any other condition that may affect its safe operation. - AFTER USE, wipe external surfaces of the tool with clean cloth.
- Periodically blow dust and grit out of the motor vents using dry compressed air. Wear ANSIapproved safety goggles and NIOSH-approved breathing protection while doing this.
- Disconnect battery pack and store battery pack, charger, and tool in dry, indoor area out of reach of children and away from metal objects (i.e., paperclips, coins) to prevent shorting.
Troubleshooting
| Problem | Possible Causes | Likely Solutions |
| Tool will not start. | 1. Battery Pack not connected. 2. Tool’s thermal reset breaker tripped (if equipped). 3. Internal damage or wear. (Carbon brushes or switch, for example.) | 1. Check that Battery Pack is plugged in. 2. Turn off tool and allow to cool. Press reset button on tool. 3. Have technician service tool. |
| Tool operates slowly. | Excess pressure applied to workpiece. | Decrease pressure, allow tool to do the work. |
| Excessive noise or rattling. | Internal damage or wear. (bearings, for example.) | Have technician service tool. |
| Overheating. | 1. Forcing tool to work too fast. 2. Blocked motor housing vents. | 1. Allow tool to work at its own rate. 2. Wear ANSI-approved safety goggles and NIOSHapproved dust mask/respirator while blowing dust out of motor using compressed air. |
| Tool does not grind, sand or brush effectively. | 1. Disc accessory may be loose on Spindle. 2. Disc accessory may be damaged, worn or wrong type for the material. | 1. Be sure disc accessory is of correct dimension and Flange Arbor Nut is tight. 2. Check condition and type of disc accessory. Use only proper type of disc accessory in good condition. |
PLEASE READ THE FOLLOWING CAREFULLY
THE MANUFACTURER AND/OR DISTRIBUTOR HAS PROVIDED THE PARTS LIST AND ASSEMBLY DIAGRAM IN THIS MANUAL AS A REFERENCE TOOL ONLY. NEITHER THE MANUFACTURER OR DISTRIBUTOR MAKES ANY REPRESENTATION OR WARRANTY OF ANY KIND TO THE BUYER THAT HE OR SHE IS QUALIFIED TO MAKE ANY REPAIRS TO THE PRODUCT, OR THAT HE OR SHE IS QUALIFIED TO REPLACE ANY PARTS OF THE PRODUCT. IN FACT, THE MANUFACTURER AND/OR DISTRIBUTOR EXPRESSLY STATES THAT ALL REPAIRS AND PARTS REPLACEMENTS SHOULD BE UNDERTAKEN BY CERTIFIED AND LICENSED TECHNICIANS, AND NOT BY THE BUYER. THE BUYER ASSUMES ALL RISK AND LIABILITY ARISING OUT OF HIS OR HER REPAIRS TO THE ORIGINAL PRODUCT OR REPLACEMENT PARTS THERETO, OR ARISING OUT OF HIS OR HER INSTALLATION OF REPLACEMENT PARTS THERETO.
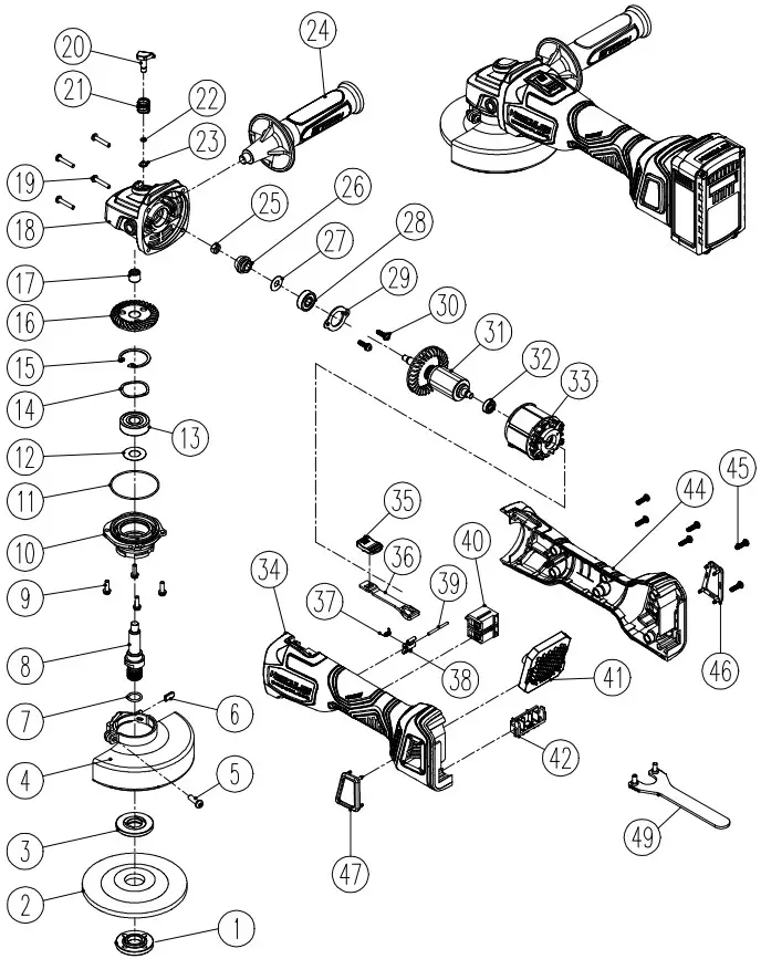
PARTS LIST AND DIAGRAM
| Part | Description | Qty |
| 1 | Flange Nut | 1 |
| 2 | Grinding Wheel, 125mm | 1 |
| 3 | Outer Flange | 1 |
| 4 | Wheel Guard* | 1 |
| 5 | Screw, M5 x 16 | 1 |
| 6 | Switch Cover | 1 |
| 7 | O-Ring | 1 |
| 8 | Output Shaft | 1 |
| 9 | Screw M4 x 14 | 4 |
| 10 | Gear Box Cover | 1 |
| 11 | O-Ring | 1 |
| 12 | Dust Cap | 1 |
| 13 | Ball Bearing, 6201-RS | 1 |
| 14 | Corrugated Baffle Ring | 1 |
| 15 | Circlip | 1 |
| 16 | Output Gear | 1 |
| 17 | Needle Bearing | 1 |
| 18 | Gear Box | 1 |
| 19 | Screw, ST4.2 x 22 | 6 |
| 20 | Spindle Lock | 1 |
| 21 | Spring | 1 |
| 22 | O-Ring | 1 |
| 23 | Shaft Circlip | 1 |
| 24 | Side Handle | 1 |
| 25 | nut, M6 x 5 | 1 |
| 26 | Pinion | 1 |
| 27 | Small Gear | 1 |
| 28 | Ball Bearing, 608-LUV | 1 |
| 29 | Press Platen | 1 |
| 30 | Screw, M4 x 10 | 2 |
| 31 | Rotor | 1 |
| 32 | Ball Bearing, 696-RS | 1 |
| 33 | Stator | 1 |
| 34 | Left Housing | 1 |
| 35 | Switch Cover | 1 |
| 36 | Lever | 1 |
| 37 | Torsional Spring | 1 |
| 38 | Switch Rocker | 1 |
| 39 | Locating Pin | 1 |
| 40 | Switch | 1 |
| 41 | Controller | 1 |
| 42 | Battery Socket | 1 |
| 44 | Right Housing | 1 |
| 45 | Screw, ST4.2 x 14 | 6 |
| 46 | Left Dust-Proof Net | 1 |
| 47 | Right Dust-Proof Net | 1 |
| 49 | Wrench | 1 |
*Replacement Wheel Guards
| Order Number | Description |
| 24875 | 4.5″ Wheel Guard, Bolt, Lock Lever Kit |
| 24883 | 5″ Wheel Guard, Bolt, Lock Lever Kit |

5-YEAR LIMITED WARRANTY
This Hercules tool is warranted to the original purchaser to be free from defects in materials and workmanship for a period of five (5) years beginning on the date of purchase. This warranty does not cover battery packs and battery chargers, which are covered under separate warranties. To obtain warranty service, visit your local Harbor Freight retail store. Warranty registration is not required. The product or part must be returned to us with proof of purchase (e.g. in-store receipt or packing slip/invoice) and may require shipment by purchaser to a service center at purchaser’s expense. If our inspection verifies a covered defect in materials or workmanship during the warranty period, we will, at our option, repair or replace the defective product. We will return repaired products within a reasonable time at our expense, but if we determine that there is no defect, or that the defect resulted from causes not within the scope of our warranty, then we will return the product to you if you pay return shipping costs.
This warranty does not cover any failure or damage that we determine is due directly or indirectly to normal wear and tear, misuse, use not for the intended purpose or not in accordance with the product manual, abuse, accident, rental, modification or alteration, unauthorized repair, improper installation, neglect, lack of maintenance, or any other failure not arising from defective materials or workmanship. Fraudulent returns or claims will be denied. The repair or replacement described in this warranty shall be your sole and exclusive remedy. THIS WARRANTY IS EXCLUSIVE AND IN LIEU OF ALL OTHER EXPRESS WARRANTIES, WRITTEN OR ORAL, AND ANY IMPLIED WARRANTIES ARE DISCLAIMED TO THE EXTENT PERMITTED BY LAW AND OTHERWISE LIMITED TO THE DURATION OF THE EXPRESS WARRANTY HEREIN. HARBOR FREIGHT SHALL NOT BE LIABLE UNDER ANY CIRCUMSTANCES FOR ANY INCIDENTAL, INDIRECT, SPECIAL, CONSEQUENTIAL, OR PUNITIVE DAMAGES OR COSTS ARISING FROM THIS WARRANTY OR THE USE OF THIS PRODUCT. SOME STATES DO NOT ALLOW LIMITATIONS ON HOW LONG AN IMPLIED WARRANTY LASTS OR THE EXCLUSION OR LIMITATION OF INCIDENTAL OR CONSEQUENTIAL DAMAGES, SO THESE LIMITATIONS MAY NOT APPLY TO YOU. THIS WARRANTY GIVES YOU SPECIFIC LEGAL RIGHTS, AND YOU MAY ALSO HAVE OTHER RIGHTS WHICH VARY FROM STATE TO STATE.
Record Product’s Serial Number Here:
Note: If product has no serial number, record month and year of purchase instead.
Note: Some parts are listed and shown for illustration purposes only, and are not available individually as replacement parts. Specify UPC 792363569033 when ordering parts.
Visit our website at: http://www.harborfreight.com
Email our technical support at: [email protected]
For technical questions, please call 1-888-866-5797
Copyright© 2019 by Harbor Freight Tools®. All rights reserved. No portion of this manual or any artwork contained herein may be reproduced in any shape or form without the express written consent of Harbor Freight Tools. Diagrams within this manual may not be drawn proportionally. Due to continuing improvements, actual product may differ slightly from the product described herein. Tools required for assembly and service may not be included.
26677 Agoura Road • Calabasas, CA 91302 • 1-888-866-5797
For technical questions, please call 1-888-866-5797.





















