KEITHLEY 8009 Resistivity Test Fixture

2022, Keithley Instruments, LLC Cleveland, Ohio, U.S.A. All rights reserved. Any unauthorized reproduction, photocopy, or use of the information herein, in whole or in part, without the prior written approval of Keithley Instruments, LLC, is strictly prohibited. These are the original instructions in English. All Keithley Instruments product names are trademarks or registered trademarks of Keithley Instruments, LLC. Other brand names are trademarks or registered trademarks of their respective holders. Document number: 8009-901-01 Rev. E August 2022
Safety precautions
- The following safety precautions should be observed before using this product and any associated instrumentation. Although some instruments and accessories would normally be used with nonhazardous voltages, there are situations where hazardous conditions may be present.
- This product is intended for use by personnel who recognize shock hazards and are familiar with the safety precautions required to avoid possible injury. Read and follow all installation, operation, and maintenance information carefully before using the product. Refer to the user documentation for complete product specifications.
- If the product is used in a manner not specified, the protection provided by the product warranty may be impaired.
- The types of product users are:
- Responsible body is the individual or group responsible for the use and maintenance of equipment, for ensuring that the equipment is operated within its specifications and operating limits, and for ensuring that operators are adequately trained.
- Operators use the product for its intended function. They must be trained in electrical safety procedures and proper use of the instrument. They must be protected from electric shock and contact with hazardous live circuits.
- Maintenance personnel perform routine procedures on the product to keep it operating properly, for example, setting the line voltage or replacing consumable materials.
- Maintenance procedures are described in the user documentation. The procedures explicitly state if the operator may perform them. Otherwise, they should be performed only by service personnel.
- Service personnel are trained to work on live circuits, perform safe installations, and repair products. Only properly trained service personnel may perform installation and service procedures.
- Keithley products are designed for use with electrical signals that are measurement, control, and data I/O connections, with low transient overvoltages, and must not be directly connected to mains voltage or to voltage sources with high transient overvoltages. Measurement Category II (as referenced in IEC 60664) connections require protection for high transient overvoltages often associated with local AC mains connections. Certain Keithley measuring instruments may be connected to mains. These instruments will be marked as category II or higher.
- Unless explicitly allowed in the specifications, operating manual, and instrument labels, do not connect any instrument to mains.
- Exercise extreme caution when a shock hazard is present. Lethal voltage may be present on cable connector jacks or test fixtures. The American National Standards
- Institute (ANSI) states that a shock hazard exists when voltage levels greater than 30 V RMS, 42.4 V peak, or 60 VDC are present. A good safety practice is to expect that hazardous voltage is present in any unknown circuit before measuring.
- Operators of this product must be protected from electric shock at all times. The responsible body must ensure that operators are prevented access and/or insulated from every connection point. In some cases, connections must be exposed to potential human contact. Product operators in these circumstances must be trained to protect themselves from the risk of electric shock. If the circuit is capable of operating at or above 1000 V, no conductive part of the circuit may be exposed.
- Do not connect switching cards directly to unlimited power circuits. They are intended to be used with impedance-limited sources. NEVER connect switching cards directly to AC mains. When connecting sources to switching cards, install protective devices to limit fault current and voltage to the card.
- Before operating an instrument, ensure that the line cord is connected to a properly-grounded power receptacle. Inspect the connecting cables, test leads, and jumpers for possible wear, cracks, or breaks before each use.
- When installing equipment where access to the main power cord is restricted, such as rack mounting, a separate main input power disconnect device must be provided in close proximity to the equipment and within easy reach of the operator.
- For maximum safety, do not touch the product, test cables, or any other instruments while power is applied to the circuit under test. ALWAYS remove power from the entire test system and discharge any capacitors before connecting or disconnecting cables or jumpers, installing or removing switching cards, or making internal changes, such as installing or removing jumpers.
- Do not touch any object that could provide a current path to the common side of the circuit under test or power line (earth) ground. Always make measurements with dry hands while standing on a dry, insulated surface capable of withstanding the voltage being measured.
- For safety, instruments and accessories must be used in accordance with the operating instructions. If the instruments or accessories are used in a manner not specified in the operating instructions, the protection provided by the equipment may be impaired.
- Do not exceed the maximum signal levels of the instruments and accessories. Maximum signal levels are defined in the specifications and operating information and shown on the instrument panels, test fixture panels, and switching cards.
- When fuses are used in a product, replace with the same type and rating for continued protection against fire hazard.
- Chassis connections must only be used as shield connections for measuring circuits, NOT as protective earth (safety ground) connections.
- If you are using a test fixture, keep the lid closed while power is applied to the device under test. Safe operation requires the use of a lid interlock.
- If a screw is present, connect it to protective earth (safety ground) using the wire recommended in the user documentation.
- The symbol on an instrument means caution, risk of hazard. The user must refer to the operating instructions located in the user documentation in all cases where the symbol is marked on the instrument.
- The symbol on an instrument means warning, risk of electric shock. Use standard safety precautions to avoid personal contact with these voltages.
- The symbol on an instrument shows that the surface may be hot. Avoid personal contact to prevent burns.
- The symbol indicates a connection terminal to the equipment frame.
- If this symbol is on a product, it indicates that mercury is present in the display lamp. Please note that the lamp must be properly disposed of according to federal, state, and local laws.
- The WARNING heading in the user documentation explains hazards that might result in personal injury or death. Always read the associated information very carefully before performing the indicated procedure.
- The CAUTION heading in the user documentation explains hazards that could damage the instrument. Such damage may invalidate the warranty.
- The CAUTION heading with the symbol in the user documentation explains hazards that could result in moderate or minor injury or damage the instrument. Always read the associated information very carefully before performing the indicated procedure. Damage to the instrument may invalidate the warranty.
- Instrumentation and accessories shall not be connected to humans.
- Before performing any maintenance, disconnect the line cord and all test cables
To maintain protection from electric shock and fire, replacement components in mains circuits — including the power transformer, test leads, and input jacks — must be purchased from Keithley. Standard fuses with applicable national safety approvals may be used if the rating and type are the same. The detachable mains power cord provided with the instrument may only be replaced with a similarly rated power cord. Other components that are not safety-related may be purchased from other suppliers as long as they are equivalent to the original component (note that selected parts should be purchased only through Keithley to maintain accuracy and functionality of the product). If you are unsure about the applicability of a replacement component, call a Keithley office for information.
Unless otherwise noted in product-specific literature, Keithley instruments are designed to operate indoors only, in the following environment: Altitude at or below 2,000 m (6,562 ft); temperature 0 °C to 50 °C (32 °F to 122 °F); and pollution degree 1 or 2. To clean an instrument, use a cloth dampened with deionized water or mild, water-based cleaner. Clean the exterior of the instrument only. Do not apply cleaner directly to the instrument or allow liquids to enter or spill on the instrument. Products that consist of a circuit board with no case or chassis (e.g., a data acquisition board for installation into a computer) should never require cleaning if handled according to instructions. If the board becomes contaminated and operation is affected, the board should be returned to the factory for proper cleaning/servicing. Safety precaution revision as of June 2018
Introduction
The Model 8009 Resistivity Test Fixture allows volume resistivity measurements up to 1018 Ω-cm or surface resistivity measurements up to 1017 Ω. The test fixture uses a three-lug triaxial connector that allows simple connection to a Keithley Instruments Model 6517, 6517A, or 6517B Electrometer
NOTE
All references in this manual to the 6517A are also valid for the 6517.
Features
The 8009 test fixture features:
- Electrodes made from stainless steel for corrosion prevention.
- Switchable volume and surface resistivity modes.
- 6517A and 6517B Electrometer and High Resistance Meters operation.
- Safety interlock system and dual safety banana jacks for connection to 1 kV source in a 6517A or 6517B.
Cleaning
Clean the 8009 electrodes periodically with methanol or other suitable solvent. Also keep the connectors clean to prevent leakage when measuring low-level current.
When not in use, keep the supplied protective spacer installed between the electrodes. This helps prevent the surfaces of the electrodes from getting nicked and scratched.
Operation overview
The basic method to determine resistivity of a specimen is a two-step process:
- A test voltage is applied to the specimen and the following current is measured.
- The test voltage value and measured current value are applied to the appropriate equation and resistivity is calculated.
The following figure shows the interior of the 8009 test fixture where the specimen is mounted.
Top view – sample mounting
The following figures shows the front view and the pushbutton switch that selects the resistivity test.
Front view – resistivity switch

The following figure shows the test fixture connectors.
Side view – connectors

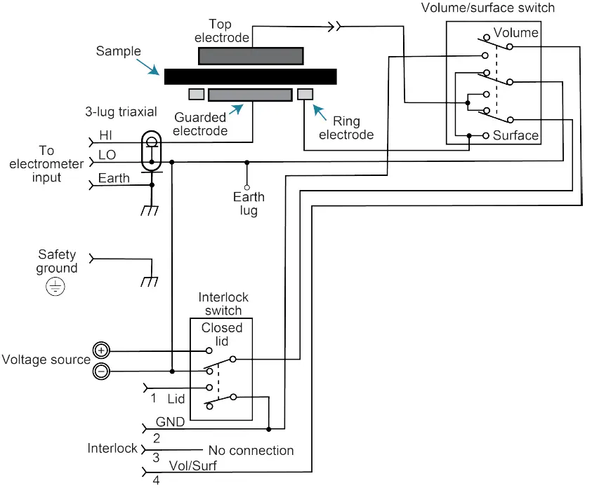
The following figure shows a schematic diagram of the 8009. The test fixture is externally connected to the electrode using a three-lug female triaxial connector. This connector mates directly to the 6517A using the 6517-ILC-3 (6517-330) cable or to a 6517B using the 6517B-ILC-3 (CA-509) cable.
schematic diagram

Comparison of terms
| 8009 | ASTM D257 |
| Guarded electrode | Electrode No. 1 |
| Ring electrode | Electrode No. 2 |
| Top electrode | Electrode No. 3 |
| Sample | Specimen |
NOTE
The included protective spacer should only be used when the 8009 is in the closed position and should never be used in a measurement.
ASTM standard
Methods, recommendations, and calculations used in this manual to make resistivity measurements are based on the ASTM standard American Society for Testing and Materials, Standard Methods of Test for Electrical Resistance of Insulation Materials, ASTM Designation D257-14.
Specimen mounting
For the minimum and maximum sample sizes, refer to the specifications.
NOTE
Do not handle the specimen with bare fingers. Body oil provides a conductive path and may corrupt the measurement. Acetate rayon gloves are recommended to prevent the spread of body oil. For best results, clean the specimen surfaces with an alcohol and ether mixture or other suitable solvent.
NOTE
The top electrode in the 8009 is permanently attached to the top cover. A protective spacer is provided with the 8009 to protect the electrodes. This spacer can be used for a functional check of the 8009.The top electrode in the 8009 is permanently attached to the top cover. A protective spacer is provided with the 8009 to protect the electrodes. This spacer can be used for a functional check of the 8009.
To mount the specimen in the 8009:
- Remove the protective spacer.
- Center the specimen between the top and bottom electrodes of the 8009. Make sure that the only conductive paths between the electrodes are through the specimen.
- Close the lid of the test fixture.
- Secure the latch.
- When your testing is complete, reinstall the protective spacer to protect the electrode surfaces from nicks and scratches in storage.
Connections
WARNING
The following sections show connections for using your 8009 with a 6517A or a 6517B. The earth ground screw terminal of the 8009 Resistivity Test Fixture must be connected to a known safety earth ground using the supplied SC-73 ground wire or the #18 AWG or a larger wire. The use of hazardous voltage requires that the interlock be used. The interlock circuit is activated when the 6517-ILC-3 (6517-330) or the 6517B-ILC-3 (CA-509) interlock cable (both supplied with 8009) is connected as shown in the following figures. Whenever the lid of the 8009 is open, the 6517A or 6517B goes into standby, thus removing power from the test fixture. To prevent electrical shock that could cause injury or death, put the 6517A or 6517B voltage source in STANDBY before opening the lid of the Model 8009.
6517 or 6517A connections
To connect the 6517 or 6517A to the 8009 test fixture, refer to the following figure. The 7078-TRX-3 (7078-308) triaxial cable and the 6517-ILC-3 (6517-330) interlock cable are supplied with the 8009.
NOTE
The ground link on the 6517 or 6517A must be removed. Proper grounding is provided by the 8009.

6517B connections
Refer to the following figure to connect the 6517B to the 8009 test fixture. The triaxial cable and the 6517B-ILC-3 (CA-509) interlock cable are supplied with the 8009.
NOTE
The ground link on the 6517B must be removed. Proper grounding is provided by the Model 8009

Test voltage
Typically, the specified test voltages to be applied to the specimen are 100 V, 250 V, 500 V, and 1000 V. The maximum test voltage that can be applied to the 8009 is 1000 V. The most frequently used test voltages are 100 V and 500 V. The 6517A can provide test voltages up to 1000 V.
Current measurement range and compliance limit
To make the most accurate resistivity measurement, the 6517B must be on the most sensitive (optimum) current measurement range. Set the autorange feature of the 6517B to ON to select the most sensitive range. A current compliance limit protects the device under test (DUT). For almost all resistivity tests, protecting the specimen from excessive current is not a concern. If manual ranging must be used, you may have to experiment to determine the best measurement range and subsequent compliance limit. For detailed information on compliance and measurement range selection, refer to the 6517A or 6517B reference manuals.
Electrification time
Electrification time is the total time that the specified voltage is applied to the specimen when the current measurement is made. For example, for an electrification time of 60 seconds, the current measurement is made after the specimen was subjected to the applied voltage for 60 seconds. Unless otherwise specified, an electrification of 60 seconds is recommended. Experimentation may dictate a different electrification time.
Resistivity measurement procedure
Use the following procedure to make resistivity measurements.
WARNING
The following procedure uses hazardous voltage that could cause severe injury or death. Exercise extreme caution when the voltage source is set to OPERATE to prevent personal injury or death due to electric shock
NOTE
To calculate volume resistivity, the average thickness of the specimen must be known. If thickness is not known, use calipers to measure it.
To make resistivity measurements:
- Mount the specimen in the 8009 test fixture. See Specimen mounting (on page 2-4) for detailed information.
- Close the lid of the test fixture.
- Secure the latch.
- Set the RESISTIVITY switch for the SURFACE or VOLUME test.
- With power off, connect the test fixture to the 6517A or 6517B. See Model 6517A connections (on page 2-5) or Model 6517B connections (on page 2-7) for more information
WARNING
Safe operation requires that a safety interlock switch be used to place the voltage source in standby when the test fixture lid is open or ajar. The interlock circuit is activated when the 6517-ILC-3 (6517-330) or the 6517B-ILC-3 (CA-509) interlock cable (both supplied with 8009) is connected as shown in the figures in Connections (on page 2-5). Whenever the lid of the 8009 is open, the 6517A or 6517B goes into standby, which removes power from the test fixture. Failure to use a safety interlock switch may result in electric shock that could result in injury or death. - While in standby mode, set the voltage source to the appropriate test voltage. Typically, 500 V is used as the test voltage for specimens.
- While in standby mode, set the 6517A or 6517B to an appropriate measurement range and current compliance limit. Autorange and a high-compliance limit satisfies the needs for most tests.
- Put the voltage source in OPERATE mode.
- After an appropriate electrification period, record the current reading from the display. Typically, an electrification period of 60 seconds is used.
- Put the voltage source in standby mode.
Calculating resistivity
The following equations are used to calculate volume and surface resistivity. They are based on the physical dimensions of the electrodes of the 8009. The insulator sample must be large enough that all the surfaces of the electrodes make contact with the sample. For volume resistivity, you need to know the thickness (in mm) of the sample. The 6517A or 6517B automatically performs the calculation and displays the reading. For additional information on resistivity measurements, refer to the application note “Volume and Surface Resistivity Measurements of Insulating Materials Using the 6517B Electrometer/High Resistance Meter,” document number 1KW-61175, available at tek.com.
NOTE
For detail on calculating the effective area and effective perimeter, refer to the ASTM International Standard Test Methods for DC Resistance or Conductance of Insulating Materials, ASTM Designation D257.
Basic measurement techniques

Surface resistivity
Surface resistivity is the electrical resistance of the surface of specimen material. It is measured from electrode to electrode along the surface of the specimen. Since surface length is fixed, the measurement is independent of the physical dimensions of the specimen. Surface resistivity (σ) is measured by applying a voltage potential across the surface of the specimen, measuring the resultant current, and then performing the following calculation

Where:
- σ is the surface resistivity of the specimen.
- P is the effective perimeter of the guarded electrode for the particular electrode arrangement employed.
- g is 0.125 inches. This is the distance between the guarded electrode and the ring electrode.
- V is the applied voltage from the electrometer.
- I is the current reading from the electrometer
NOTE
For detail on calculating the effective area and effective perimeter, refer to the ASTM International Standard Test Methods for DC Resistance or Conductance of Insulating Materials, ASTM Designation D257.
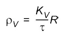
Volume resistivity
Volume resistivity is defined as the electrical resistance through a cube of insulating material. When expressed in ohm-centimeters, it is the electrical resistance through a one-centimeter cube of insulating material. When expressed in ohm-inches, it is the electrical resistance through a one-inch cube of insulating material. The 6517B automatically performs the following calculation and displays the volume resistivity reading:

Where:
- ρV = Volume resistivity.
- KV = The effective area of the guarded electrode for the electrode arrangement.
- τ = Average thickness of the sample (cm).
- R = Measured resistance in ohms (V/I).
Specifications are subject to change without notice. All Keithley trademarks and trade names are the property of Keithley Instruments. All other trademarks and trade names are the property of their respective companies.
Keithley Instruments
- 28775 Aurora Road
- Cleveland, Ohio 44139
- 1-800-833-9200
- tek.com/keithley



















