SANTOS Ice Crusher N°53

SANTOS SAS
140-150 AVENUE ROGER SALENGRO
69120 VAULX-EN-VELIN (LYON) – FRANCE
PHONE 33 (0) 472 37 35 29 – FAX 33 (0) 478 26 58 21
E-Mail :[email protected] www.santos.fr
IMPORTANT: documents included in this manual to be kept:
- “CE” COMPLIANCE DECLARATION
- WARRANTY CERTIFICATE
Translation of the original version
MODELES DEPOSES FRANCE ET INTERNATIONAL INTERNATIONALLY PATENTED MODELS
www.santos.f
“CE/UE” COMPLIANCE DECLARATION
THE MANUFACTURER:
SANTOS SAS – 140-150, Av. Roger SALENGRO 69120 VAULX-EN-VELIN (LYON) FRANCE declares that the appliance intended for the professional market described below:
Description:ICE CRUSHER
Type number:53
complies with:
- the statutory provisions defined in appendix 1 of the European “machines” directive n°2006/42/CE and the national legislation transposing it
- the statutory provisions of the following European directives and regulations:
- N° 2014/35/UE (low voltage directive)
- N° 2014/30/UE (EMC directive)
- N° 2011/65/UE (RoHS directive)
- N° 2012/19/UE (WEEE directive)
- N° 1935/2004/CE (regulation) relating to materials and articles intended to come into contact with foodstuffs
- N° 10/2011/CE (regulation) plastic materials and articles intended to come into contact with food
Harmonised European standards used to give presumption of conformity with the essential requirements of the above-mentioned directives:
- NF EN 1678+A1: 2010, Food processing machinery – Vegetable cutting machines – Safety and hygiene requirements.
This European standard is a type-C standard as defined in EN ISO 12100. When the provisions of this type-C standard differ from those stated in the type-A or B standards, the provisions of the type-C standard override the provisions of the other standards. This standard provides the means to comply with the requirements of the “machines” directive n°2006/42/CE, (see appendix ZA) - NF EN ISO 12100: 2010: Safety of machinery – General principles for design
- NF EN 60204-1+A1: 2009 : Safety of machinery – Electrical equipment of machines-General requirements
- NF EN 1672-2: 2020, Food processing machinery – Basic concepts – Hygiene requirements
- NF EN 60335-1: 2013: Household and similar electrical appliances. Safety.
- NF EN 60335-2-64 :2004 : Particular requirements for commercial electric kitchen machines
Drawn up in VAULX-EN-VELIN on: 01/06/2021 Signatory’s position: CHIEF EXECUTIVE OFFICER Signatory’s name: Aurélien FOUQUET
Signature
SAFETY RULES
At the time of use, maintenance or scrapping of the appliance, always ensure that the following elementary precautions are adhered to.
Read the explanatory instructions in full Keep this user manual
Note: You will find it easier to understand the next few paragraphs if you refer to the diagrams at the end of this manual
ATTENTION: For all handling operations including unpacking the machine, do not handle or lift the appliance by the locking handle (2) of the cover (1) (fig. A).
ATTENTION: Make sure that the cover (1) is in the closed position before plugging the power cable (10) into the mains supply socket (fig. B). DO NOT:
- Do not use this appliance to crush anything other than square or cylindrical ice cubes not exceeding 30x30x30 mm in size.
- Do not use this appliance to crush frozen foods.
- No not insert objects into the crushed ice outlet opening (9).
- Cleaning in a jet of water or a high pressure spray is prohibited.
- The base must not be immersed in water.
- Do not use the appliance if the power supply cord is damaged. It must be replaced by either a SANTOS approved dealer or a person with similar qualifications to avoid any danger.
- The appliance must be unplugged before any intervention on it: cleaning, general care, maintenance.
- It is forbidden to operate the appliance on a surface with a slope in excess of 10° with respect to the horizontal plane. The feet of the machine must always be resting on this surface.
- The use of spare parts other than certified original SANTOS parts is prohibited
- Never connect several appliances to the same power socket.
- Never use the machine outdoors.
- Never place the appliance close to or on a source of heat.
- This appliance is a professional machine designed exclusively for professional use. It is not designed for household use.
- This appliance is not designed for use by people (including children) whose physical, sensorial or mental capacities are impaired or by people with no experience or knowledge, unless they have been supervised or given training in the use of the appliance beforehand by a person responsible for their safety. Supervise children to ensure they do not play with the appliance.
- This appliance is intended for use in communal areas, e.g. in the kitchens of restaurants, canteens, hospitals and artisan trades such as bakeries, butcher’s shops, etc., but not for continuous mass production of food.
INSTALLATION AND HANDLING
The machine can be handled by a single person. It is recommended that the appliance be placed on a table or worktop for more comfortable use with the controls facing you (recommended height: 90 cm, to be adapted as required for the user). ELECTRICAL CONNECTION • The appliance’s power supply is available in two single-phase voltages: – 100-120 V 50/60 Hz: – 220-240 V 50/60 Hz: Note: This appliance can operate at both 50Hz and 60Hz without any adjustments. Line protection: the appliance must be connected to a standard 2 pole + earth socket. The set-up must be fitted with a differential circuit breaker and a 16A fuse. Earthing of the appliance is compulsory.
CARE: • Before connecting the machine, check that the mains electrical voltage is the same as the voltage for your appliance. Its value is shown: ➢ either on the identification plate (16) under the machine. ➢ or on the identification plate on the last page of this manual. • If the power cable (10) is damaged, it should be replaced by a SANTOS approved dealer, SANTOS or a person with similar qualifications to avoid any danger. USING FOR THE 1st TIME Carefully clean the parts of the machine in contact with the ice cubes (fig. A). • Grip the handle of the cover (2) to unlock it, then lift it up to gain access to the ice cube hopper (3). Clean the cover (1), hopper (3), ice bucket (6) with a non-abrasive sponge and standard washing up liquid.
RECYCLING THE PRODUCT AT THE END OF ITS SERVICE LIFE This equipment is marked with the selective sorting symbol relating to wastes from electrical and electronic equipment. It signifies that this product should be taken over by a selective collection system conforming to the Guideline 2012/19/EU (WEEE) – part Professional Equipment – so that it can be either recycled or dismantled in order to reduce any impact on the environment. For more information, please contact your Retailer or the SANTOS. For eliminating or recycling components of equipment, please contact a specialized company or contact SANTOS. The electronic products not undergoing a selective sorting are potentially dangerous for the environment. The damaging materials should be eliminated or recycled according to the regulations in force.
USING THE APPLIANCE
START-UP:
Assembly and preparation
(fig. A)
Place the drip tray (8) and its holder (7) under the crushing unit (9).
USING
- Switch on the appliance by plugging in the power cable (10).
- Fill the ice bucket (6) with blocks of ice (see warning paragraph)
- Pour the contents of the ice bucket into the ice cube hopper (3) (fig. C)
- Close and lock the cover (1) of the hopper.
- Place the ice bucket (without its cover) on the drip tray (8) (fig. D).
- Press the button corresponding to the size of crushed ice required. The left-hand button (5) is provided to obtain small-sized crushed ice. The right-hand button (4) is provided to obtain big-sized crushed ice.
- (The crushed ice falls into the ice bucket) (fig. E).
HOW TO STOP THE MACHINE
The appliance is stopped either by:
- pressing the button corresponding to the size of crushed ice being made “button lit up” (4 or 5),
- opening up the cover (1).
- or unplugging the power cable plug (10)
CHOOSING THE SIZE OF CRUSHED ICE
The appliance does not require any adjustment. The left-hand button (5) is provided to obtain small-sized crushed ice.
The right-hand button (4) is provided to obtain big-sized crushed ice.
USING THE MANUAL OR AUTOMATIC MODE
Manual mode
Prolonged pressing of one of the buttons (4 or 5) starts up the manual mode. The motor runs for as long as the push button is pressed then stops as soon as it is released.
Automatic mode
Brief pressing of one of the buttons (4 or 5) starts up the automatic mode. The motor runs for a set programmed time (1 minute) then stops. Note: the timer cannot be adjusted. The preset time corresponds to complete crushing of the 1.3 kg of ice (maximum hopper capacity).
During the automatic cycle, briefly pressing of the button for the size of crushed ice in progress (button lit up) will stop the appliance (timer initialization).
During the automatic cycle, briefly pressing of the button for the other size of crushed ice in progress (button NOT lit up) will change the crushed ice size without initializing the timer.
Opening the cover (1) during the automatic cycle will stop the motor. Closing the cover (1) will start the motor back up. The cycle resumes where it was as soon as the cover is closed (timer not initialized on opening/closing of cover).
CLEANING
IMPORTANT:
- In every case, the machine should be stopped and the machine’s power cable (10) unplugged.
- Cleaning with a water spray or pressure spray is not permitted
SAFETY / MAINTENANCE
MOTOR OVERLOAD SAFETY FEATURE:
If the motor gets blocked (foreign or hard matter), the appliance will perform 2 successive blade rotation direction changes to make it easier for the hard matter to go through. The appliance will then resume its normal cycle. If the 2 direction changes are not enough to overcome this problem, the appliance will then go into the safety state and the motor will stop.
The safety state is signaled by simultaneously flashing of both push buttons (4) and (5).
In this case: To overcome the fault: remove the foreign matter from the crushing unit, then initialize the appliance (hold the 2 push buattons (4) and (5) down for 2 seconds).
If the problem persists, switch off the power supply to the machine (unplug the power cord (10) from the mains socket) and call in the maintenance service or contact a SANTOS approved dealer.
MOTOR OVERHEATING SAFETY FEATURE
In the event of the motor overheating, the appliance stops automatically.
The protection device is reset automatically, wait for the motor to cool down (15 to 30 seconds) before starting the machine back up.
If the problem persists, switch off the power supply to the machine (unplug the power cord (10) from the mains socket) and call in the maintenance service or contact a SANTOS approved dealer.
SAFE ACCESS TO THE TOOLS
The appliance can only be started up if the cover (1) is closed.
- Opening the cover (1) will stop the machine and the moving parts.
The machine is started back up as soon as the cover is closed (1). - A cut in the mains power supply will stop the machine.
One of the two push buttons (4) or (5) must be pressed in order to start the machine back up.
For safety reasons, do not place your finger or part of your hand into the crushed ice outlet opening, even if it is blocked up by a clump of crushed ice. In this case, refer to the “Fault finding” section.
MAINTENANCE
Before carrying out any work on the appliance, it is essential to unplug it from the mains and to discharge the motor starting capacitor:
Spare parts
IMPORTANT: Use of spare parts other than certified original SANTOS parts is prohibited.
This machine requires no particular maintenance because the bearings are lubricated for life.
If work is required to replace worn parts such as the crushing blades, electrical or other components, refer to the parts list (see exploded view at the end of the manual).
Please quote the following when ordering spare parts (see references in the exploded view at the end of this manual):
- type
- appliance’s serial number
- electrical characteristics (16) given underneath the appliance.
Prolonged periods of non-use:
There are no problems with this appliance in the event of prolonged periods of non-use. You are simply advised to clean it before use and check that the components of the appliance are in good condition (e.g. power cord, seals and other spare parts).
FAULT FINDING
Carefully determine the reason for the appliance stopping.
In all circumstances, if the problem persists, switch off the appliance (unplug the mains power cord plug (10)) and call on someone from the maintenance department or contact an approved SANTOS dealer.
The appliance does not start
- Check: the mains power supply and the condition of the power cable (10).
- Check that the luminous indicator lamp at the outlet of the crushing unit (9) goes on for approximately ten seconds when the appliance is connected to the mains power supply.
- Check that there is no foreign matter stuck between the blades.
- Inside the appliance, check the condition of the electric wires and connections (at the grommet (12) and the connection block (13) (fig. F)
- Check the electrical components by changing them one at a time (capacitor, cover safety device, electronic module, motor).
The machine stops because the motor has overheated: (the motor unit is hot)
In the event of the motor overheating, the appliance will stop automatically.
The protection device is reset automatically, wait for the motor to cool down (15 to 30 seconds) before starting the machine back up.
The appliance stops further to an overload
Foreign matter between the blades and intensive use can lead to motor overload.
Under these circumstances, either the thermal protection or the excess current protection may be activated and stop the machine operating.
If the machine is hot, refer to the section “The machine stops because the motor has overheated”.
If not, refer to the “motor overload safety feature” section.
The appliance continues to operate after processing all the ice cubes
In automatic mode, the appliance operates according to a non-adjustable timer set to 1 minute (time required to process a whole hopper load on small size).
Press the button which is lit up in order to go back to manual mode and stop the appliance.
Both buttons flash simultaneously
The appliance stops further to a motor overload. To overcome this, refer to the “motor overload safety feature” section.
The crushed ice does not drop into the ice bucket
The appliance is designed to crush the whole capacity of a standard ice cube tray in one go. If too many ice cubes are loaded into the hopper or if an ice bucket which is too small is used, the crushed ice level gradually builds up to the outlet opening. As the crushed ice cannot fall down, it is compacted in the crushing unit. Just removing the ice bucket will not be enough to unblock the crushed ice outlet opening.
IMPORTANT: No not insert hard objects into the crushed ice outlet opening when the appliance is in operation.
Solution:
- Stop the appliance.
- Empty the ice bucket (filled with crushed ice)
- Fill the ice cube hopper and start the automatic cycle of each size back up again.
- Wait a few moments for the ice to melt if required.
TECHNICAL SPECIFICATIONS
| Model 53 | Single phase | |||
| Supply voltage | (V~) | 220-240 | 100-120 | |
| Frequency | (Hz) | 50/60 | 50/60 | |
| Motor: Rating | (W) | 130 | 155 | |
| Power input | ||||
| Motor speed: | (rpm) | 1450 to 50Hz | 1700 to 60Hz | |
| Blade speed: | (rpm) | 75 to 50Hz | 88 to 60Hz | |
| Ice cube hopper working capacity | (kg) | 1.3 | ||
| Number of mobile blades | 4 | |||
| Number of fixed blades | 3 | |||
| Mean output in “small size” | (kg/h) | 180 | ||
| Mean output in “big size” | (kg/h) | 110 | ||
| Operating cycle (3) | Intermittent Cycle: 1min ON / 3min OFF | |||
| Timer time | (s) | 60 | ||
| Ice bucket working capacity | (kg) | 1.3 | ||
| Dimensions: Height | (mm) | 474 | ||
| Width | (mm) | 236 | ||
| Depth | (mm) | 353 | ||
| Weight: | Net weight | (kg) | 10 | |
| Weight including packing | (kg) | 11 | ||
| Noise: (2) | (dBA) | 63 | ||
- These ratings are provided as a rough guide. The exact electrical specifications can be found on the rating plate.
- Noise level measured with sound pressure appliance in operation 1 m from its centerline in accordance with standard EN 31201.
- Operating cycle
The professional appliance is designed for intermittent use according to an intermittent cycle of 1 minute ON, 3 minutes OFF.
This cycle corresponds to the operating time to perform the function and the stopping time for the preparation and serving of the products processed, in compliance with the instructions of the standard: EN 60335-2-64+A1:2004 Part 2-64: Particular requirements for commercial electric kitchen machines.
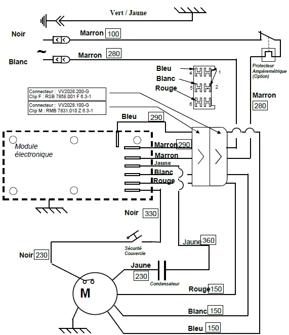
Electrical wiring diagram 100-120V~ 50/60Hz and 220-240V~ 50/60Hz
| EN | Electronic module | Cover Safety device | Capacitor |

Element cross-reference table
| ITEM | Description |
| 1 | Ice cube hopper cover |
| 2 | Locking handle |
| 3 | Ice cube hopper |
| 4 | “Big size” button |
| 5 | “Small size” button |
| 6 | Ice bucket |
| 7 | Drip tray holder |
| 8 | Drip tray |
| 9 | Crushing unit |
| 10 | Power cable plug |
| 11 | Capacitor |
| 16 | Identification plate |
Figures





WARRANTY CERTIFICATE
WARRANTY
Since the 01.01.95, all our appliances comply with CE and possess the CE label. Our guarantee is of 24 months from the manufacturing date mentioned on the descriptive plate, except concerning the asynchronous motors (consisting of a rotor and a stator) which are warranted for 5 years from their manufacturing date. Warranty is strictly limited to the free replacement of any part of origin recognized by us as defective due to a defect or building default and identified as belonging to the concerned appliance. Warranty does not apply to damages resulting from installation or use non-complying with our appliance data sheet (user’s manual) or in case of an evident lack of maintenance or disrespect of elementary security electric rules. It does not apply in case of regular wear and tear. Any replacement of parts under warranty will be realized after return of the defective part in our workshops, postage paid, supported by a copy of a conformity statement on which appears the serial number of the appliance. Every appliance is equipped with a descriptive plate conforming to the EC recommendations and of which a duplicate exists in the conformity statement (serial number, manufacturing date, electrical characteristics …). In case of serious damage judged repairable only in our workshops, and after prior consent from our departments, any appliance under guarantee is sent by the Distributor, carriage paid. In case of repairs or reconditioning of appliances not under guarantee, the round trip transport is payable by the distributor. The parts and workforce are invoiced at the current rate. A preliminary estimate can be supplied.
Coffee grinder not using SANTOS original burrs are not taken under guarantee. The warranty conditions, repairs, reconditioning, of the espresso coffee grinder are the object of a specific note. Our guarantee does not extend to the payment of penalties, the repair of direct or indirect damages and notably to any loss of income resulting from the nonconformity or the defectiveness of products, SANTOS’s global responsibility being limited to the sale price of the delivered product and to the possible repair of the defective products.
In case of revelation of an imperfection during the warranty period, the Distributor has to, unless a different written agreement of SANTOS, indicate to his customer to stop any use of the defective product. Such a use would release SANTOS of any responsibility.
APPLIANCE IDENTIFICATION PLATE
SPECIMEN
For all documents not supplied with the appliance.
Printed, Faxed and Downloaded




















