KENWOOD KSC-PSW7EQ Compact Powered Car Subwoofer

Parts
Specifications
- Maximum output.160 W
- Frequency response..40 Hz-200 Hz (-15 dB)
- Sensitivity….89 dB
- Input sensitivity/impedance
- RCA input….. 20 mV/22 kQ
- Speaker input…0.4 V/10 kO
- Operating voltage.. 12V DC car battery
- Current consumption..5.9 A
- Equalizer… HEAVY, TIGHT, FLAT
- Cut-off frequency. 50 Hz-125 Hz
- Phase… 0,180
- Dimensions
- Width :280 mm (11″)
- Height: 70 mm (2-3/4″)
- Depth :200 mm (7-7/8″)
- Weight….2.6 kg (5.7 1b)
IMPORTANT SAFETY INSTRUCTIONS
Caution: Read this page carefully to ensure safe operation.
WARNING
- Before mounting or wiring etc., be sure to remove the wire from the battery minus terminal. (Not doing so can cause shorts or fires.)
- When extending the ignition, battery, or ground wires, make sure to use automotive-grade wires or other wires with a 0.75 mm2 (AWG 18) or more to prevent wire deterioration and damage to the wire coating.
- To prevent a short circuit, never put or leave any metallic objects (such as coins or metal tools) inside the speaker.
- In the event the unit generates smoke or abnormal smell, immediately switch the power OFF. After this, please contact your dealer or nearest service station as soon as possible.
POWER OFF!
- Connect the speaker to DC 12 V. negative ground.
- Do not attempt to open or modify the unit, for this could cause fire hazard or malfunction.
- After taking the unit out of the polyethylene bag, be sure to dispose of the polyethylene bag out of the reach of children. Otherwise, they may play with the bag, which could cause hazard of suffocation.
CAUTION
- Installation and wiring of the product require expert skill and experience.
- To ensure safety, be sure to have your dealer or specialist perform the installation and wiring.
- Do not install the speaker in a spot exposed to direct sunlight or excessive heat or humidity.
- Do not install the speakers in locations that may be subject to water or moisture.
- Do not install the speakers in unstable locations or locations subject to dust.
- If the fuse blows, after checking to see if the wiring cord has shorted, be sure to replace with the stipulated size (amperage) fuse as displayed on the fuse box. (Using fuses other than the stipulated size can cause fires.)
Check the display!
- To replace the fuse, refer to the vehicle instruction manual.
- To prevent a short circuit when replacing a fuse, disconnect the wiring harness at first.
- Do not use gasoline, naphtha, or any type of solvent to clean the speaker. Clean by wiping with a soft, dry cloth.
- Connect the speaker wires to appropriate speaker connectors separately. Sharing the negative wire of the speaker or grounding speaker wires to the metal body of the car can cause this unit to fail.
- When making a hole under a seat, inside the trunk, or somewhere else in the vehicle, check that there is nothing hazardous on the opposite side such as a gasoline tank, brake pipe; or wiring harness, and be careful not to cause scratches or other damage.
- For ground wire mounting, do not fasten the wire to an airbag, steering or brake line system or other critical safety unit bolts or nut. (Can cause accidents.)
- When mounting, be sure to mount in a place that will not interfere with driving or be dangerous to passengers during sudden braking etc. (Cause of injury or accidents.)
- After installing the unit, check to make sure that electrical equipment such as the brake lamps, turn signal lamps and windshield wipers operate normally.
- The driver should always stop the vehicle in a safe place before performing the following action.
- Remote control operation
Keep the volume of sound at an optimum level. Not being able to hear sounds from outside of your car can lead to traffic accidents. It can also have hearing damage. Do not place your hands on the speaker. The speaker becomes hot after an extended operation. Touching it in such a condition may cause burns.
Protection function
The protection function is activated in the following situations:
- This unit is equipped with a protection function for protecting this unit from various accidents or problems that can occur.
- When the protection function 1s triggered, the amplifier stops operating.
- When the unit malfunctions and a DC signal is sent to the speaker output.
- When the internal temperature is high and unit won’t operate.
Connections
CAUTION
- Before wiring, be sure to remove the wire from the negative terminal of the battery. After completing all wiring, check the correct wirings again. After checking, connect the wire from the negative terminal of the battery.
- Do not distribute the cords in the paths where they may be caught by a vehicle part or damaged. Otherwise, an electric shock or a fire due to short-circuiting may result.
Terminals of Subwoofer
Connecting the remote control unit
NOTE
- Be sure to connect the supplied remote control unit.
- If the cord is not connected properly, the power indicator on the remote control unit do not light.
- Do not insert the remote control connector upside down or forcibly. Otherwise, malfunction may result.
Example
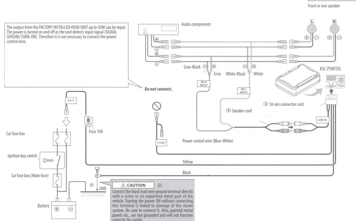
The following shows a typical connection for effective car stereo enjoyment. Connect your system by referring to the example
NOTE
- Be sure to connect the supplied connection cords.
- Read the instruction manuals for the connected components such as the audio components as well as this instruction manual.
- In a computer-equipped vehicle, when you remove the e terminal of the battery, the memory may disappear, or a defect may occur in the electrical system of the vehicle. Consult your dealer for further details
Speaker input connection
Connect the subwoofer to the front speaker or rear speaker output cords of the audio components.
The output from the FACTORY INSTALLED HEAD UNIT up to SOW can be input. The power is turned on and off as the unit detects input signal (SIGNAL SENSING TURN-ON). Therefore it is not necessary to connect the power control wire.
NOTE
When the audio components incorporate a DSP, do not connect to the rear output, as the low-frequency reproduction effect may be attenuated due to the DSP effect.
CAUTION
Connect the black lead wire ground terminal directly with a screw to an unpainted metal part of the vehide. Turning the power ON without connecting this terminal is linked to damage of the stereo system. Be sure to connect it Also, painted metal panels etc., are not grounded and will not function correctly. Be careful.
RCA input connection
Connect the subwoofer to the subwoofer output (non-fader output) or the RCA jacks for the front output of the audio components.
If there is no power control terminal in the audio components, connect the blue/white wire to the accessory line (ignition key switch ACC position line).
NOTE
- Please purchase an RCA cord that is commercially available separately.
- When the audio components incorporates a DSP, connect the subwoofer to the subwoofer output (non-fader output) or to the RCA jacks for the front output. Do not connect to the RCA jacks for the rear output, as the low-frequency reproduction effect may be attenuated due to the DSP effect.
CAUTION
Connect the black lead wire ground terminal directly with a screw to an unpainted metal part of the vehicle. Turning the power ON without connecting this terminal is linked to damage of the stereo system. Be sure to connect it. Also, painted metal panels etc., are not grounded and will not function correctly. Be careful.
Operation
Name of each part (Remote control)
The sound is output even when the remote control unit is not connected, but the operations described in this section are not available. In this case, the volume, equalizer, cut-off frequency and phase are set to the predetermined default conditions;
- Equalizer: FLAT
- Cut-off frequency: 125 Hz
- Phase: 0° (positive)
NOTE
Large power input will cause the protection circuit for this unit to operate, which will decrease output level. In this case, turn the volume to “MIN” for a while, then eventually this unit will automatically start working again.
- Power indicator
When the power is turned on, the indicator lights in red. - VOLUME control knob (Sound volume control knob)
Adjust the low frequencies to the desired level. - CTIVE EQ switch (Equalizer selector switch)
When the position of the switch is changed, the bass characteristic changes. Select the sound quality
you prefer.- HEAVY: Deep and heavy sound quality with a sense of volume
- TIGHT: Rich sound quality that feels aggressive
- FLAT: Basic sound quality

- FREQUECNY control knob (Cut-off frequency control knob)
Adjust the cut-off frequency (frequencies higher than this frequency are cut off). Turn the FREQUENCY control knob to adjust the balance between the bass from the rear speakers and the bass from this unit as desired.
- PHASE switch (Phase select switch)
The low frequency tone may be variable depending on the position of the unit, its orientation or the turn-over frequency. This can be adjusted by changing the position of the PHASE switch. Set this switch to either position according to your liking. [0°} indicates the normal phase and (180°] means the reverse phase.
Troubleshooting
Often, what appears to be a malfunction is due to user error. Before calling for service, please consult the following table
| Problem | Cause | Remedy |
|
Power cannot be turned on (the power indicator does not light). | • The fuse is blown. | • Check the @/0 polarity of the power cord and that the cords are not shorted,then replace with a fuse with the rated capacity. • Re-connect the cords correctly by referring to the connection example (refer to “Connections”). |
| • The power supply pin (yellow) of the10-pin connection cord is not connected. | • Connect the cord correctly by referring to the connection example (refer to”Connections”). • Attach the grounding terminal to the metallic section of the vehicle (not a coated surface) by tightly screwingit. • Insert the connector all the way in. • Check the connections of all cords, then connect the 0 cable to the battery. | |
| • The power control pin (blue/white) of the 10-pin connection cord is not connected. | ||
| • The grounding pin (black) of the the10-pin connection cord is not connected. | ||
| • The10-pin connector is not plugged in completely. | ||
| • The negative 0 cable of the car battery is disconnected. | • Check the connections of all cords, then connect the0 cable to the battery. | |
|
Nosound | • The attenuator of the audio components isset to ON. | • Switch the attenuator OFF. |
| • The VOLUME control isset to the MIN position. | • Turn the VOLUME control knob and set it toan optimum level. | |
| • The speaker cords are connected improperly. | • Connect the cord correctly by referring to the connection example (refer to”Connections”). | |
| • Connection terminals are connected improperly. | • Insert the connectors or jacks all the way in to the terminals. | |
|
The sound is small. | • The FREQUENCY control is set tothe minimum (50 Hz) position. | • Turn the FREQUENCY control knob and set it to an optimum level. |
| • Connection terminals are connected improperly. | • Plug the cord into the REMOTE terminal. • Check that the RCA cord is connected properly. | |
| • Large power input causes the protection circuit for this unit to operate. | • Turn the volume to MIN for a while. | |
| Sound quality is bad (sound is distorted). | • The VOLUME control is set to high. | • Turn the VOLUME control knob and set itto an optimum level. |
| Sound is unnatural. | • The speaker cords are connected with incorrect positive @/negative 0 polarities. | • Connect the cords correctly by referring to the connection example (refer to “Connections”). • Attach the grounding terminal to the metallic section of the vehicle (not a coated surface) by tightly screwing it. |
| • The grounding pin (black) of the10-pin connection cord is poorly contacted. | ||
| The remote control does not work. | • The remote control cord is unplugged or connected improperly. | • Plug the cable into the REMOTE terminal. • Insert the connector all the way in. • Connect and fix the cord correctly (refer to “Fixingthe cord in place”). |
| The power indicator on the remote control unit do not light. |
Installation
Before fixing the speaker in its position, be sure to check the sound while it is connected preliminary.
CAUTION
- When making a hole under a seat, inside the trunk, or somewhere else in the vehicle, check that there is nothing hazardous on the opposite side such as a gasoline tank, brake pipe; or wiring harness, and be careful not to cause scratches or other damage.
- Install in a location that does not come in the way of driving, getting in or out of the vehicle and movement inside the vehicle compartment.
- Fix the product firmly so that it will not be moved by vibrations or impacts during driving.
Fixing the cord in place
- Connect the 10-pin connector cord 2 and remote control 1 to the speaker unit.
- Fix the cords to the speaker unit with fixture B 5 and fix in place with the tapping screws 8.
Prohibition
Fixing the subwoofer
The subwoofer can be fixed in two ways. Select the optimum attaching position of fixture A® according to the subwoofer installation location.
Fixing method A
- Attach the fixtures A 4 to the speaker unit securely using the tapping screws 7. Be careful so that the connected cords do not get in between the speaker unit and fixtures A 4.

- Attach the speaker unit to the vehicle firmly using the tapping screws 6 .

Fixing method B
- Attach the fixtures A 4 to the speaker unit securely using the tapping screws 7. Be careful so that the connected cords do not get in between the speaker unit and fixtures A 4.

- Attach the speaker unit to the vehicle firmly using the tapping screws 6 .

Installing the remote control unit
Install the remote control unit on the vehicle by the provided hook-and-loop fastener.
CAUTION
Install the remote control unit in a position that does not come in the way of driving operations. Avoid installing it in a place subject to direct sunlight or direct hot wind from the heater. Otherwise, the product may be degraded and a fire hazard may result. Remove dirt from the installation position before attaching the hook-and-loop fastener.
Fuse exchange
Exchange with the specified capacity fuse.
CAUTION
Be sure to replace it with the same capacity (amperage) as displayed on the fuse. This product is l0A.
Removal
- Open the cover.
- Grasp the fuse and pull up.
Insertion
- Insert the fuse gently into the fuse holder and push in all the way with your finger.
- Close the cover.
For Europe
CE
Declaration of Conformity with regard to the EMC Directive 2014/30/EU
Declaration of Conformity with regard to the RoHS Directive 2011/65/EU
Manufacturer:
JVCKENWOOD Corporation
3-12, Moriya-cho, Kanagawa-ku, Yokohama-shi, Kanagawa, 221-0022, JAPAN
EU Representative:
JVCKENWOOD Europe 8.V.
Amsterdamseweg 37, 1422 AC Uithoorn, THE NETHERLANDS
Declaration of Conformity with regard to the Electromagnetic Compatibility Regulations 2016 (S.I. 2016/1091)
CA Declaration of Conformity with regard to the Restriction of the
Use of Certain Hazardous Substances in Electrical and Electronic Equipment Regulations 2012 (S.I. 2012/3032)
Manufacturer:
JVCKENWOOD Corporation
3-12, Moriya-cho, Kanagawa-ku, Yokohama-shi, Kanagawa, 221-0022, JAPAN
UK Importer:
JVCKENWOOD U.K. Limited
First Floor, Gleneagles, the Belfry, Colonial Way,
Watford, Hertfordshire WD24 4WH, UNITED KINGDOM
Information on Disposal of Old Electrical and Electronic Equipment (applicable for countries that have adopted separate waste collection systems) Products with the symbol (crossed-out wheeled bin) cannot be disposed as household waste. Old electrical and electronic equipment should be recycled at a facility capable of handling these items and their waste byproducts. Contact your local authority for details In locating a recycle facility nearest to you. Proper recycling and waste disposal will help conserve resources whilst preventing detrimental effects on our health and the environment
FCC
Changes or modifications not expressly approved by the party responsible for compliance could void the user’s authority to operate the equipment.
NOTE: This equipment has been tested and found to comply with the limits for a Class B digital device, pursuant to part 15 of the FCC Rules. These limits are designed to provide reasonable protection against harmful interference in a residential installation. This equipment generates, uses and can radiate radio frequency energy and, if not installed and used in accordance with the instructions, may cause harmful interference to radio communications. However, there is no guarantee that interference will not occur in a particular installation. If this equipment does cause harmful interference to radio or television reception, which can be determined by turning the equipment off and on, the user is encouraged to try to correct the interference by one or more of the following measures:
- Reorient or relocate the receiving antenna.
- Increase the separation between the equipment and receiver.
- Connect the equipment into an outlet on a circuit different from that to which the receiver is connected.
- Consult the dealer or an experienced radio /TV technician for help.
Supplier’s Declaration of Conformity
- Trade Name: KENWOOD
- Products: POWERED ENCLOSED SUBWOOFER
- Model Name: KSC-PSW7EQ
- Responsible Party: JVCKENWOOD USA CORPORATION 4001 Worsham Avenue, Long Beach, CA 90808, U.S.A. PHONE: 1-800-252-5722
THIS DEVICE COMPLIES WITH PART 15 OF THE FCC RULES. OPERATION IS SUBJECT TO THE FOLLOWING TWO CONDITIONS:
- THIS DEVICE MAY NOT CAUSE HARMFUL INTERFERENCE, AND
- THIS DEVICE MUST ACCEPT ANY INTERFERENCE RECEIVED, INCLUDING INTERFERENCE THAT MAY CAUSE UNDESIRED OPERATION


























