TDX 730310 Bathroom Ceramic Heater

Technical parameter:
| Product Name | Bathroom Heater | Rated voltage | 220-240V~ |
| Model | 730310 | 730311 | Rated frequency | 50Hz |
| Appliance Type | Class [X | Rated power | 2035W |
| Degree of protec�on (when wall-mounted) | IPX0 |
Standards:IEC 60335-1
Product structure diagram 
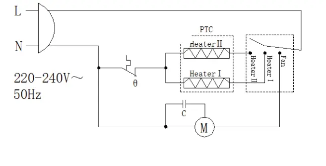
Electrical diagram 
Installation
Check whether all parts are complete before using.
- Determine the installation location: When using this product on a wall, install it at the height required by the user (the air outlet is at least 100cm from the ground, and the top air inlet is at least 30cm from the ceiling), and it must be far away from the shower head and bathtub, as shown in Figure 1. Show.
- First, drill two φ8mm holes with a distance of 180mm on a solid wall according to the height shown in the figure, and the holes depth is more than 35mm. Then drive the expansion tube provided by the machine into the holes, screw on the self-tapping screw provided, and leave a distance of 3-5mm from the top of the screw.
- Insert the two round holes on the back of the heater into the screw heads hung on the wall, and then move it horizontally to the let into the slot, and then move it down vertically to complete the wall-mounted installation of the heater.

Instructions for use
Power check before turn on
- Whether the power cord is in good condition.
- The power supply of the product is 220-240V AC, and the carrying capacity of the socket should not be less than 10A, otherwise accidents may occur.
Instructions
- Plug in the power plug, touch the power icon “
”, and hear a beep, the heater turns on. - Touch the Heater I icon “
the heater will work at 1000W. - Touch the Heater II icon “
the heater will work at 2000W. - Touch the Fan icon “
“, the machine only ventilation, but the PTC heating element does not work ,the inside motor will work at 35W. - While the heater II icon”
” working together, the heater working at max power 2035W. - Touch the Power icon “
” again, the heater stops working.
Safety protection
- Overheating protection: When the use environment is abnormal or improper use causes the internal temperature of the product to be too high, the temperature control element can automatically cut off the power supply and the product stops working; after the whole heater is cooled and the abnormality is eliminated, it can resume normal use;
- After two hours of continuous operation, the heater will automatically shut down by default. Press the power switch again to resume normal use.
Precautions
- Before using the product, please check whether the power supply you are using meets the requirements of the nameplate, and pay attention to the rated current of the socket above 10A.
- If the supply cord is damaged, it must be replaced by the manufacturer, its service agent or similarly qualified persons in order to avoid a hazard.
- Do not cover ; WARNING: In order to avoid overheating, do not cover the heater.
- It is forbidden to use it in high temperature, humidity, flammable, explosive, heated and easily deformed, discolored, or deteriorated objects or in places with severe dust
- The ambient temperature of use should not exceed 40℃, and do not use it in places that are easy to be sucked in, such as curtains, to prevent fire. There should be no shelter within 30cm of the top to facilitate air circulation.
- That the heater is to be installed so that switches and other controls cannot be touched by a person in the bath or shower.
- The heater installation close to curtains and other combustible materials may pose a fire hazard. It should be placed at least 50cm away from curtains and other combustible materials.
- It is strictly forbidden to insert thin metal wires or foreign objects into any holes in the machine to avoid electric shock or damage.
- It is strictly forbidden to share sockets with other high-power electrical appliances. It is strictly prohibited to move the product directly by pulling the power cord.
- It is forbidden to use the product against the power socket, the heater must not be located immediately below a socket-outlet.
- It is forbidden to use products as heat preservation and heating equipment for animals and plants
- This product is only suitable for indoor use, not for outdoor use.
- When the product is in normal use or idle, it should be more than 1.5 meters away from the fire source or flame, and avoid direct sunlight.
- This appliance is not intended for use by persons (including children) with reduced
physical,sensory or mental capabilities, or lack of experience and knowledge, unless they have been given supervision or instruction concerning use of the appliance by a person responsible for their safety. Children should be supervised to ensure that they do not play with the appliance. - When using the product, in order to avoid burns, please do not let bare skin directly touch the surface of the air outlet.
- Do not unplug the power cord with wet hands, as there is a risk of electric shock or electric shock.
- When leaving or not in use for a long time, please be sure to cut off the power and unplug the power plug.
- Turn off the power before unplugging the plug; do not pull the power cord, but pull the power plug, otherwise it may cause short circuit, fire, electric shock and other hazards.
Ensure that the fan is switched off from the supply mains before removing the guard.
Common malfunctions
| Problem | Possible cause of the problem | Solution |
| Not work | ● The plug is not inserted properly ● Heater damage | ● Check whether the plug is correctly inserted into the socket ● Send to repair shop for repair |
| Sudden shutdown while heating | ● The temperature exceeds the threshold of the temperature limiter ● Has been working continuously for two hours | ● Use the standby unit after cooling down ● Restart, select the corresponding function key to work |
Spare parts List
User Manual (1pcs) 、Screw (2 pcs) 、Expansion tube (2 pcs)
Warranty
- The heater is guaranteed for one year from the date of sale (subject to the invoice or proof of purchase).
- The following situations do not belong to the scope of product ” guarantees” maintenance services, but our maintenance department will still serve you wholeheartedly (corresponding fees will be charged)




the heater will work at 1000W.
the heater will work at 2000W.
“, the machine only ventilation, but the PTC heating element does not work ,the inside motor will work at 35W.
” working together, the heater working at max power 2035W.
” again, the heater stops working.















