CMP 25597-62X-X00H BRILLIANT WONDERS LED LAMINAR User Manual
IMPORTANT WARNINGS & SAFETY INSTRUCTIONS
Before installing this product, read and follow all warning notices and instructions in this guide. Failure to follow warnings and instructions can result in severe bodily injury, or property damage.
Serious bodily injury can result if these lights are not installed and used correctly.
Installers, pool operators, and pool owners must read these warning and all instructions before using these lights.
These lighted LED Laminar Deck Jets must be installed by a licensed or certified electrician or a qualified pool professional in accordance with the National Electric Code (NEC) or Canadian Electric Code (CEC), CSA C22.1.
All applicable local installation codes and ordinances must also be adhered to. Improper installation will create an electrical hazard which could result in serious injury to pool users, installers, or others due to electric shock. Always disconnect power to the pool lights before servicing.
Turn off power to light before installation/service. CMP Laminar Deck Jets are equipped with a low voltage light and should never be electrically connected to a power source other than an approved pool “Safety Rated,” UL listed, outdoor rated, 12 VAC transformer. Failure to comply will either damage or destroy the light and will void the warranty.
No separate ground or bonding wire is required. The Laminar Deck Jets have no exposed metal. They do not require a niche
Save these instructions. This installation and user guide contains important information about the installation, operation, and safe use of this swimming pool/spa light. This guide should be given to the owner and/or operator of this equipment.
GENERAL INSTALLATION INSTRUCTIONS
WATER SOURCE MUST BE FILTERED
The Laminar Deck Jet water supply must be filtered by a cartridge filter (do not use a sand filter) and be installed with a check valve.
For up to four laminar jet installations use a dedicated filter that is a minimum of 50 sq-ft such as the CMP filter 25504-600-000.
PUMP
The required minimum pump flow for each laminar is listed in the table below:
| Laminar Jet Water Volume and Pressure Chart | |||
| Gallons (U.S. gpm) | 6.3 | 7.0 | 7.6 |
| Inlet Pressure (psi) | 7 | 8 | 9 |
| Height Estimate (ft) | 4.5 | 5 | 6 |
| Throw Estimate (ft) | 5 | 6 | 7 |
Estimates will vary depending on plumbing setup.
PLUMBING
It is extremely important that the water supply line to each Laminar Deck Jet must be flushed so that all debris material inside the line is removed prior to being installed into the Laminar Deck Jet. Foreign material and debris will negatively affect the performance of the fountain.
Each laminar jet requires a 3/4” PVC entering the deck canister. A check valve, such as CMP Hydroseal 25830-704-000, should be installed as far away from the laminar jet canister as possible to minimize water turbulence. The aminar canister is made from ABS material. Use only ABS-PVC glue when making conduit connections to this canister. Each Laminar Deck Jet installed requires its own ball valve to adjust flow on each line such as the CMP Ball Valve 25800-151-000.
LED LIGHT MODULE
The 12V LED light module offers vibrant lighting and can be synced with a variety of pool lighting products for the major manufactures. Reference the color sync guide in the back portion of these instructions.
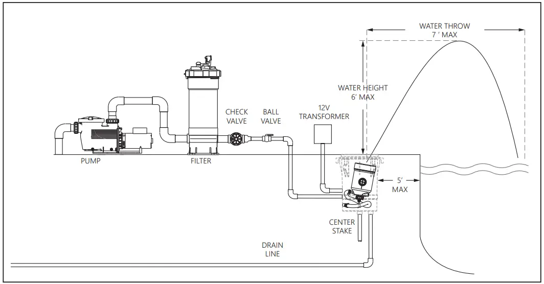
CRITICAL PLACEMENT DIMENSIONS
The maximum lighted distance of the laminar stream should be considered 6 feet in height and 7 feet in distance. If the laminar arc is over 6 feet high there is a good chance that the lighting will not travel the full distance to the bottom of the laminar flow. If the throw distance is over 7 feet the lighting will also fail to go the full distance through the laminar stream. Be sure the distance from the interior pool wall to the laminar deck jet is no further than 5 feet.

FIGURE 1: DECK CANISTER BOTTOM VIEW
INSTALLATION INSTRUCTIONS

FIGURE 2: SUGGESTED PLUMBING DIAGRAM FOR LAMINAR DECK JETS

FIGURE 3: SUGGESTED PLUMBING DIAGRAM FOR MULTIPLE LAMINAR DECK JETS
DECK CANISTER INSTALLATION
NOTE: Prior to installation, make sure the opening on the laminar deck jet canister lid is facing toward the desired target location in the pool. Make sure the deck canister is no more than 5’ from the interior pool wall.
- Dig a hole for the deck canister approximately 24” deep and 18” in diameter. This will ensure enough room for positioning the canister and laying out the plumbing. This depth will also allow for an additional layer of pea gravel for stability and extra drainage.
- Set the deck canister in the hole. For “indeck” applications – level the top edge of the lid to be flush with the finished deck after the decking material is poured. For planter areas – level the lid to be 2” above the landscape area to prevent debris from washing into the laminar jet.
- Level the deck canister. To hold the canister in place while the deck is poured or installed, secure canister by placing the center stake socket on a 1” pipe or use rebar sockets on the side of the canister.
- Plumb the incoming filtered water supply to the 1” inlet on the side of the deck canister, which is marked “WATER.”
- Plumb the conduit for the LED cable to the 3/4″ socket located either side of the deck canister marked “ELECTRICAL.” It is highly recommended to use sweep fittings for ease of installation.
- Plumb the 1″ drain line to the drain socket. Adequate drainage must be provided for the deck canister.
NOTE: Proper drainage for the deck canister is critical to avoid damage to laminar jet assembly. - Verify the deck jet canister is level.
- Fill excavated area with gravel until gravel reaches 1″ up from the bottom of the deck canister.
- Finish pouring/installing deck material.
- Do not remove clear protective film on the deck canister lid until after the pool deck has been installed. This is intended to keep foreign debris from damaging or clogging the laminar deck jet.

FIGURE 4: FINISH HEIGHT
LED LIGHT INSTALLATION/WINTERIZATION
PREPARING THE LED LIGHT INSTALLATION
NOTE: Ensure that the pool meets requirements of the National Electric Code and all local codes and ordinances. A licensed and certified electrician must install the electrical system.
- The low voltage transformer must be located at least 8 inches above the water level, at least 4 inches above the ground level, and at least 4 feet from the edge of the pool.
- All metal items within 5 feet of the pool must be properly electrically bonded to a reliable point of grounding.
- Connect the male and female wire connectors.
- Feed cord through conduit from the Laminar Deck Jet to the low voltage transformer. Leave about 3 feet of cord coiled in the bottom of the deck canister so that the unit can be easily serviced.
- Connect all wiring to the low voltage transformer. Install cover for the transformer.
- Test to make sure the light functions and the wiring has been done correctly.
WINTERIZATION STEPS FOR AREAS WITH FREEZING CONDITIONS
- Remove canister lid.
- Carefully loosen and separate the garden hose union on the water supply line inside the deck canister.
- Disconnect the male and female wire connectors.
- Blow water lines clear.
- Remove jet body assembly and the pour out remaining water from the body by rotating it in all directions. Continue dumping water until all water is removed.
- Store jet body and all attachment hardware together in a safe, dry location.

FIGURE 5: LAMINAR DECK JECT DIMENSIONS
MAINTENANCE/TROUBLESHOOTING
FILTER MEDIA CLEANING PROCEDURE
- Remove deck housing lid and pull deck jet canister up and out of housing.
- Unscrew deck canister cover and remove two screens and three sponge filters.
- Run low pressure water through the all filter media to remove debris.
Do not use any detergents or cleaning chemicals to clean the filter media.
NOTE: Figure 6 is for reference only. Not all internal components are available for individual replacement.

FIGURE 6: DECK CANISTER INTERNAL EXPLODED VIEW
OPTIONAL ACCESSORIES
| Part Number | Description |
| 25590-250-000 | CMP Pool Fitting Multi-Tool |
TROUBLE SHOOTING
| Problem | Solution 1 | Solution 2 |
| Poor Stream Quality | Remove Deck Housing and check for leaks. | Refer to your pump manual to reduce pressure. |
| Poor Stream Quality | Perform filter media cleaning procedure outlined above | – |
| Lights Not Working | Check power supply and and controller and verify that they are both turned on. | Check voltage at connector going into the light module — voltage should be 12VAC |
OPERATION AND SYNC INSTRUCTIONS
When syncing multiple LED light products, color shows will match but cycle timings may vary.
CMP/J-STYLE COLOR SELECTION AND SYNC INSTRUCTIONS
The CMP/J-STYLE Laminar Deck Jet is preprogrammed with the following color sequence:
| SEQUENCE ORDER | COLOR MODE |
| 1 | Alpine White |
| 2 | Sky Blue |
| 3 | Cobalt Blue |
| 4 | Caribbean Blue |
| 5 | Spring Green |
| 6 | Emerald Green |
| 7 | Emerald Rose |
| 8 | Magenta |
| 9 | Violet |
| 10 | Slow Color Splash |
| 11 | Fast Color Splash |
| 12 | America the Beautiful |
| 13 | Fat Tuesday |
| 14 | Disco Tech |
To operate the light and change colors:
- Turn the light ON. The first time the light is turned on, the color sequence will begin with Alpine White. To change color, turn light OFF then back ON within three (3) seconds. Continue turning OFF and ON until the desired light color mode is reached.
- When the light is turned off for more than seven (7) seconds, it will remain in the color mode that was currently active when the light was turned off.
- To RESET the light to the beginning color sequence (Alpine White), turn the light OFF, wait four (4) to six (6) seconds, then turn the light ON.
H-STYLE COLOR SELECTION AND SYNC INSTRUCTIONS
The H-STYLE Brilliant Wonders 1.5” LED Light is preprogrammed with seventeen light modes:
| SEQUENCE ORDER | COLOR MODE |
| 1 | Voodoo Lounge |
| 2 | Deep Blue Sea |
| 3 | Royal Blue |
| 4 | Afternoon Skies |
| 5 | Aqua Green |
| 6 | Emerald |
| 7 | Cloud White |
| 8 | Warm Red |
| 9 | Flamingo |
| 10 | Vivid Violet |
| 11 | Sangria |
| 12 | Twilight |
| 13 | Tranquility |
| 14 | Gemstone |
| 15 | USA! |
| 16 | Mardi Gras |
| 17 | Cool Cabaret |
To operate the light and change colors:
The H-STYLE Brilliant Wonders 1.5” LED Light is operated through power-cycling; a method of changing modes which requires no special controller or interface. To activate the light simply turn the power switch ON. To advance to the next programmed light mode, turn the switch OFF then back ON within ten (10) seconds. Whenever the light has been off for more than sixty (60) seconds, and it is first turned on, it will come on white for 15 seconds, then go back to the last programmed light mode it was running before being powered off.
To sync the light with additional H-STYLE lights:
The H-STYLE Brilliant Wonders 1.5” LED Light can easily be synced with additional H-STYLE lights.
All lights should be wired to the same switch, this should automatically sync the lights. If the lights get out of sync on the same switch: turn the switch OFF, then wait between eleven (11) and fourteen (14) seconds and turn the switch back ON. When the lights come back on, they should enter program mode number one (1) and be synchronized.
P-STYLE COLOR SELECTION AND SYNC INSTRUCTIONS
The P-STYLE Laminar Deck Jet Lights can be controlled using a standard wall-mount light switch. Multiple lights can be connected via a junction box to a single switch so that all lights can be switched ON and OFF together. P-STYLE Lights are controlled by cycling the AC power from a standard wall switch. By turning the switch ON and OFF a specific number of times, the light activates one of the seven (7) light show modes, fixed colors, and enables the “Hold” and “Recall” feature.
The P-STYLE Laminar Deck Jet Light is preprogrammed with seven light show modes (1-7) and five fixed color modes (8-12). For saving color effects during the “show” modes the light also includes and “Hold” and “Recall” feature (13-14).
| SEQUENCE ORDER | COLOR MODE |
| 1 | SAm® Mode |
| 2 | Party Mode |
| 3 | Romance Mode |
| 4 | Caribbean Mode |
| 5 | American Mode |
| 6 | California Sunset Mode |
| 7 | Royal Mode |
| 8 | Blue |
| 9 | Green |
| 10 | Red |
| 11 | White |
| 12 | Magenta |
| 13 | Hold |
| 14 | Recall |
Example to operate the light and change to “California Sunset” show mode:
- Turn the light switch ON and OFF six (6) times.
- During the ON/OFF switching process, no illumination will occur, then a white light will momentarily illuminate.
- The white light will immediately be followed by the selected “California Sunset” mode.
Hold and Recall Features Example:
- Use the “Hold” feature to capture a unique color effect while “Romance Mode” is active.
- Turn switch on and off thirteen (13) times.
- Saved color effect is displayed.
- From any light show or fixed color mode…
- Turn switch ON and OFF fourteen (14) times to activate last saved color effect.
- Saved color effect is displayed.


















