USER MANUAL
PLEASE REVIEW BEFORE
OPERATING UNIT.
PRODUCT SPECIFICATIONS
| Model No | DXAM-2260 |
| Item No | 7300611 |
| Power | 120 V / 1.5A |
| Motor | 1/5 HP |
| Air Flow(max) | 600CFM |
| Power cord | SJTW 14AWG*3C / 3 m. Length |
| Air Switch | 10A 125/250V / AC |
WARNING:
Use only extension cords that are rated for outdoor use. Extension cords in poor condition or that are too small in wire size can pose fire and shock hazards. To reduce the risk of these hazards when using an extension cord, be sure it is in good condition and that the connection does not come into contact with liquid. To keep power loss to a minimum, use the following table to choose the minimum wire size extension cord.
| Extension Cord Length | Gauge A.W.G. |
| 0 – 50 ft. | 14 |
| 50 – 100 ft. | 12 |
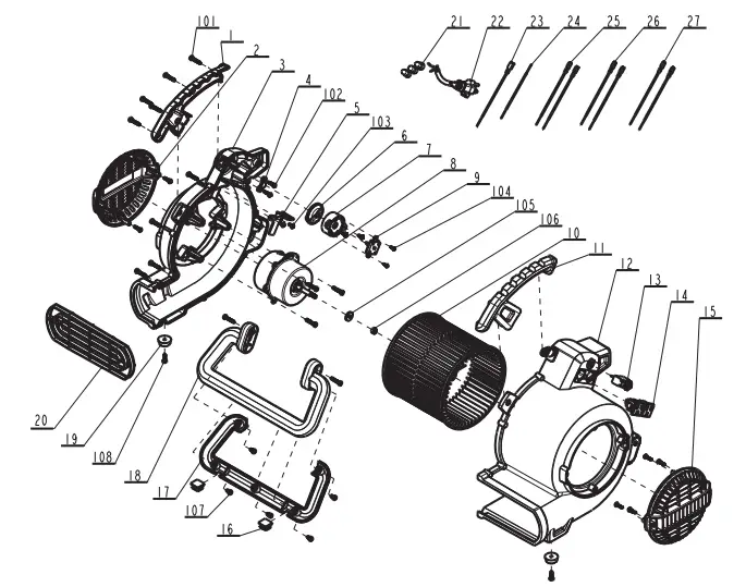
EXPLODED VIEW AND PARTS LIST

| PART | DESCRIPTION | QTY |
| 1 | Handle(left) | 1 |
| 2 | Wind window(left) | 1 |
| 3 | Chassis(left) | 1 |
| 4 | Cord clamp | 1 |
| 5 | Trunking plate | 1 |
| 6 | Knob | 1 |
| 7 | Motor Assembly | 1 |
| 8 | Switch | 1 |
| 9 | Multi-leaf fan | 1 |
| 10 | Handle(right) | 1 |
| 11 | Chassis(right) | 1 |
| 12 | Overcurrent protector | 1 |
| 13 | Socket | 1 |
| 14 | Wind window(right) | 2 |
| 15 | Rubber Foot(behind) | 1 |
| 16 | Foot cover | 2 |
| 17 | Foot | 1 |
| 18 | Rubber Foot(front) | 1 |
| 19 | Outlet stencil | 2 |
| 20 | Crimping cap | 1 |
| 21 | Power cord | 3 |
| 22 | Internal wire1 | 1 |
| 23 | Internal wire2 | 1 |
| 24 | Internal wireA | 1 |
| 25 | Internal wireB | 2 |
| 26 | Internal wireC | 2 |
| 101 | Self-Tapping Screw ST4.8x25F | 2 |
| 102 | Self-Tapping Screw ST3.9x16F | 20 |
| 103 | Self-Tapping Screw ST3.9x10F | 10 |
| 104 | Self-Tapping Screw ST2.9x10F | 4 |
| 105 | Washer A φ6 | 2 |
| 106 | Nut M5 | 1 |
| 107 | Self-Tapping Screw ST4.8x12F | 1 |
| 108 | Self-Tapping Screw ST4.8x16F | 5 |
Defi nitions: Safety Guidelines
The de notions below describe the level of severity for each signal word. Please read the manual and pay attention to these symbols.
DANGER: Indicates an imminently hazardous situation which, if not avoided, will result in death or serious injury.
WARNING: Indicates a potentially hazardous situationwhich, if not avoided, could result in death or serious injury.
CAUTION: Indicates a potentially hazardous situation which, if not avoided, may result in minor or moderate injury.
NOTICE: Indicates a practice not related to personal injury which, if not avoided, may result in property damage.
IMPORTANT SAFETY INSTRUCTIONS
WARNING:
When using electric appliances, always follow basic safety precautions to reduce the risk of fire, electric shock and personal injury, including the following:
BEFORE USING THIS APPLIANCE, READ AND FOLLOW ALL INSTRUCTIONS.
WARNING:
To reduce the risk of electric shock. Do not expose to rain. Store indoors.
- Do not leave the appliance when it is connected to a power source. Unplug it from outlet when not in use and before servicing.
- Do not allow the appliance to be used as a toy. Pay close attention when the appliance is used by or near children.
- Use this appliance ONLY as described in the manual. Use only DEWALT recommended attachments.
- Do not use this appliance with a damaged cord or plug. If the appliance is not working correctly, or if it has been dropped, damaged, left outdoors, or dropped in water, return it to a service center.
- Do not pull or carry this appliance by the cord, use the cord as a handle, close a door on the cord, or pull the cord around sharp edges or corners. Do not run the appliance over the cord. Keep cord away from heated surfaces.
- Do not unplug this appliance by pulling on the cord. To unplug, grasp the plug, not the cord.
- Do not handle the plug or appliance with wet hands.
- Do not put any objects into the openings of the appliance. Do not use the appliance with any opening blocked; keep free of dust, lint, hair and anything else that may reduce air flow.
- Keep hair, loose clothing, fingers, and all body parts away from the openings and moving parts.
- Turn off all controls before unplugging appliance.
- Use extra care when cleaning on stairs.
- If your Air Mover is not working as it should, has missing parts, has been dropped, damaged, left outdoors, or dropped into water, call customer service.
- Do not pull or carry by cord, use cord as handle, close a door on cord, or pull cord around sharp edges or corners. Keep cord away from heated surfaces.
- Do not run cord under carpeting. Do not cover cord with throw rugs, runners, or similar coverings. Do not route cord under furniture or appliances. Arrange cord away from traffic area and where it will not be tripped over.
CAUTION: This appliance is not intended for use by persons (including children) with reduced physical, sensory or mental capabilities, or lack of experience and knowledge, unless they have been given supervision or instruction concerning use of the appliance by a person responsible for their safety.
Children should be supervisde to ensure that they do not play with the appliance.
SAVE THESE INSTRUCTIONS
ADDITIONAL SAFETY RULES
- An extension cord must have adequate wire size (AWG or American Wire Gauge) for safety. The smaller the gauge number of the wire, the greater the capacity of the cable, that is 16 gauge has more capacity than 18 gauge. An undersized cord will cause a drop in line voltage resulting in loss of power and overheating. When using more than one extension to make up the total length, be sure each individual extension contains at least the minimum wire size. The following table shows the correct size to use. If in doubt, use the next heavier gauge. The smaller the gauge number, the heavier the cord.
| Minimum Gauge for Cord Sets | ||||||
| Ampere Rating | Volts | Total Length of Cord in Feet (meters) | ||||
| 120V | 25 (7.6) | 50 (15.2) | 100 (30.5) | 150 (45.7) | ||
| 240V | 50 (15.2) | 100 (30.5) | 200 (61.0) | 300 (91.4) | ||
| More Than | Not More Than | AWG | ||||
| 0 | 6 | 18 | 16 | 16 | 14 | |
| 6 | 10 | 18 | 16 | 14 | 12 | |
| 10 | 12 | 16 | 16 | 14 | 12 | |
| 12 | 16 | 14 | 12 | Not Recommended | ||
GROUNDING INSTRUCTIONS
This appliance must be grounded. If it should malfunction or breakdown, grounding provides a path of least resistance for electric current to reduce the risk of electric shock. This appliance is equipped with a cord having an equipment-grounding conductor and grounding plug. The plug must be inserted into an appropriate outlet that is properly installed and grounded in accordance with all local codes and ordinances.
This appliance is for use on a nominal 120-volt circuit, and has a grounded plug that looks like the plug illustrated in sketch A. A temporary adapter that looks like the adapter illustrated in sketches B and C may be used to connect this plug to a 2-pole receptacle as shown in sketch B if a properly grounded outlet is not available. The temporary adapter should be used only until a properly grounded outlet (sketch A) can be installed by a qualified electrician.
The green colored rigid ear, lug or the like extending from the adapter must be connected to a permanent ground such as a properly grounded outlet box cover. Whenever the adapter is used, it must be held in place by a metal screw.

In Canada , the use of a temporary adapt Or is not permitted by the Canadian Electrical code. Make sure that the appliance is connected to an outlet having the same configuration as the plug. No adapter should be used with this appliance.
WARNING:
This product can expose you to chemicals including lead which is known to the State of California to cause cancer and birth defects or other reproductive harm. Wash hands after handling. For more information go to www.P65Warnings.ca.gov/products.
SAVE THESE INSTRUCTIONS OPERATING INSTRUCTIONS
WARNING:
TO REDUCE THE RISK OF FIRE OR ELECTRIC SHOCK, DO NOT USE THIS AIR MOVER WITH ANY SOLID-STATE SPEED CONTROL DEVICE.
Follow these instructions to operate your air mover:
- Unpack air mover from carton.
- To use your unit, place the unit in the area most suitable for your application. Several factors need to be considered; the unit must be placed close enough to an AC outlet to be plugged in, there must be a minimum clearance of two feet from either side of the unit to allow for proper air flow, and the unit should not be placed where it can
become a tripping or safety hazard. - Place unit in the proper operating position for your application.
Refer to the Operating Positions section in this manual. - To use multiple air movers, refer to the Multiple Air Mover instructions in this section.
- Plug unit into the wall.
- Turn unit on and select air speed by turning the switch, located near the top handle, clockwise.
- When your drying job is completed, turn the unit off and follow the directions for Storage in this manual.
Multiple Air Movers Operating - Your unit comes with receptacles for the use with multiple units. To use this feature, position the first air mover following the instructions listed above in this section. This unit may be turned on while connecting multiple units.
- Plug the second unit into one of the receptacles on the first unit. Place the second unit in the operation position and the area most suitable for your application. The second unit may be turned on at this time.
- A third unit may be plugged into the remaining receptacles on the first unit or plugged into one of the receptacles in the second unit. The third unit maybe turned on at his time.
- If desired, follow the same steps to add more units. (totally not more than 5 units with the main unit include)
- The receptacles on the unit are equipped with a circuit protector (Figure 1) that will shut off power to the unit should the receptacles become overloaded. If this happens, move the switch to the off position on the unit and any units connected to it. Press the reset button located above the receptacle; then turn the unit on and any units connected to it.

CAUTION:
After you plug the power cord into the wall receptacle, turn the unit “ON” by pushing the switch position with 3 embossing straps is the “ON” position.

Air Mover Position Operating
The air mover may be set in one of three operating positions. Pick the position best suited for your application.
- Use the down position (Figure 2) for applications such as; drying wet floors, shampooed carpets, etc. To use this position simply place unit on its base.
- Use the angle position (Figure 3) for applications such as, drying plaster on walls or drying wet furniture. To use this position, tilt unit backwards so it rests on the support.
- Use the up position for applications such as; drying paint on the ceiling. To use this position, lay the unit on the back side with the front grill pointing towards the ceiling (Figure 4).

STORAGE
- Before storing your air mover it should be cleaned.
- Wrap the power cord around the carry handle on the top of the unit to keep it untangled (Figure 5).
THE AIR MOVER SHOULD BE STORED INDOORS.

TROUBLESHOOTING
WARNING:
unplug before any disassembly or servicing.
All disassembly and repairs should be performed by qualified personnel.
WARNING:
Minor problems often can be fixed without calling customer service.
| PROBLEM | CAUSE | SOLUTION |
| Unit will not run. | 1.No power to unit. 2.Switch not on. 3.Circuit breaker tripped. | 1.Plug unit in. Check circuit breaker. 2.Place in “ON” position. 3.Reset circuit breaker. |
| Unit runs but Air Mover makes loud scraping noise. | 1. Unit has been severely jolted causing blower wheel to rub against housing or housing to deform. | 1. Contact customer service. |
| Unit runs but vibrates excessively. | 1.Dirt build up on one side of Air Mover blower wheel. 2.Severe jolt has bent motor shaft. | 1.Clean blower wheel blades. 2.Contact customer service. |
| Unit runs but blower wheel does not turn. | 1. Blower wheel is jammed against housing. | 1. Contact customer service. |
| Unit runs briefly, then shuts off on overload. | 1.Intake grille and /or exhaust grille is obstructed. 2.Motor bearings are failing or motor has developed an internal electrical fault | 1.Remove obstruction. 2.Contact customer service. |
WARNING:
If the supply cord is damaged, it must be replaced by the manufacturer, its service agent or similarly qualified persons in order to avoid a hazard.
WARRANTY
Alton Industry Ltd. Group 3 year Limited Warranty
This warranty covers any defects in materials or workmanship of the enclosed product. Alton Industry Ltd. Group will repair or replace any defectivematerials due to craftsmanship of the product. This warranty does not cover any problem caused by misuse, abuse, accidents or acts of God, such as floods or hurricanes. Consequential and incidental damages are not covered under this warranty. Coverage terminates if you sell or otherwise transfer the ownership. If you feel you have a defective product, please submit a copy of your receipt to the address below and call 1-888-899-0146 for instructions prior returning this itemto the store or sending back to:
Alton Industry Ltd.Group
1031 North Raddant Rd
Batavia, Illinois 60510
We will inspect the product and contact you within 72 hours to give you the results of our inspection. We reserve the right to repair or replace the product at our discretion.
However,wemay replace the productwith one of similar but not exact features. Parts and Service Information available call Alton Industry at 1-888-899-0146.
This warranty gives you specific legal rights. You may have other rights which vary from state to state.
Copyright © 2018 DEWALT.
DEWALT ® and the DEWALT Logo are trademarks of the DEWALT Industrial Tool Co., or an affiliate thereof and are used under license.
The yellow/black color scheme is a trademark for DEWALT power tools & accessories.




















