
Catalog Full of Sportswear

PATRIOT
User Manual
PATRIOT Catalog Full of Sportswear
Dear Customer,
Thank you for purchasing our product. This exercise bike will help you meet your goal of being in good physical condition and developing your muscles properly within your
home environment.
Before putting the exercise bike into operation, please read the assembly and operating instructions carefully, even if you have purchased the machine assembled.
If you have purchased the machine in its original carton, i.e. in disassembled condition, please pay attention to the assembly instructions. Before starting the assembly, carefully remove the individual components from the box, check them for completeness/damage and follow the instructions for assembly. Use only the original parts supplied. We believe that you will be satisfied with the product you have purchased, and the machine will contribute to the consolidation of your health. We wish you much success, endurance, and strength in achieving your sporting goals.
If you have any questions, you can contact us using the methods below.
✉ www.alza.co.uk/kontakt
✆ +44 (0)203 514 4411
Importer Alza.cz a.s., Jankovcova 1522/53, Holešovice, 170 00 Prague 7, www.alza.cz
Safety rules
- Place the machine on a firm, level and clean surface and make sure it is stable. It is recommended to put protective layer/pad under the machine to prevent possible damage to the floor.
- Do not use the machine:
o Outdoors (the machine is specially designed for indoor use),
o On uneven surfaces,
o In direct sunlight or near a heat source,
o In damp or wet environments,
o In an enclosed space where air does not circulate (unventilated rooms) or in an area with flammable liquid or gas. - Leave a clear area of at least 60 cm around the machine in the direction of access (preferably on all sides). The clear space must also include space for emergency exit from the machine. If the machine is located close to other equipment, this free space can be shared.
- Insert the plug directly into the socket, do not use an extension cord or splitter. Errors may occur if the power supply is unstable. Please do not use the same electrical outlet as for computers, air conditioners, etc.
- If the supply cable fails, replace it with the supply cable provided by the manufacturer/importer of the machine. Contact your local distributor for replacement.
- WARNING: The safe level of training equipment can only be delayed if it is regularly checked for damage and wear. Periodically check all bolts and nuts for proper tightening. Check all parts regularly, if damaged, do not use the machine and replace damaged parts immediately or contact the supplier.
Remove the machine from service until it is repaired and fully operational. Ensure that none of the adjustments protrude, they could interfere with movement. - Make sure that the main switch is turned off and the machine is disconnected from the mains before removing the machine guard or carrying out maintenance or changing parts.
- Unplug the machine when not in use.
- There is a risk of electric shock or death if water enters the machine.
- Keep this manual for future reference and also if you need to order spare parts.
- A maximum of one person can use the machine at a time.
- Before starting the exercise, remove all dangerous objects with sharp edges from around the machine.
- Before exercising, adjust the saddle, its height, and the distance of the handlebars. You should be comfortable. The height of the saddle should be about the height of your hips. Your leg should not be fully extended, even when the pedal is at its lowest position. Your arms should be slightly bent when holding the handlebars. When training, try to keep your back straight (even if you are slightly bent over), keeping your head in extension of your spine.
Tip: Keep your gaze directed approximately two metres in front of the exercise bike, do not look down at your feet for long periods of time. For an effective and safe workout, secure your foot to the pedals with a strap. By exercising on the exercise bike, you are strengthening mainly the thigh, calf and buttock muscles. With proper and regular exercise, the cardiovascular system is also strengthened.
Start training with a moderate load and at a slower pace. It is equally important to end the training in this way. You can pedal the exercise bike sitting or standing. Pedal smoothly and rhythmically. It is also important to breathe correctly, regularly, and deeply (into the abdomen). - Please take extra care if you watch TV or engage in other entertainment while you are exercising on the machine. Other concurrent activities may distract your concentration and cause you to lose your balance and become injured.
- Improper use (e.g. excessive exercise, abrupt movements without warm-up, wrong settings) can damage your health. Consult your physician about your medical condition (cardiac system, blood pressure, orthopedical problems, etc.) before starting to exercise, especially if you suffer from any of the following conditions: high blood pressure, diabetes, respiratory diseases, other chronic or complicated diseases; also, if you are overweight, a smoker, or if the user is a pregnant or nursing woman. If you experience any of the symptoms listed below while exercising, stop exercising immediately and contact your physician. Such symptoms include chest pain/pressure, irregular heartbeat, very shortened breathing, feeling faint, light-headedness, nausea.
- Children, elderly persons, and pregnant women should not use the machine without supervision or without consulting a doctor.
- The manufacturer is not responsible for any injury, damage or failure caused by the use of this product or by improper assembly and maintenance of the machine.
- Consult a fitness trainer for the right way to exercise.
- When exercising, we recommend wearing comfortable sports clothing and suitable sports shoes. Your clothes should not be too loose to avoid getting caught by the machine.
- Please put away jewellery (chains, rings, etc.).
- Do not leave novice athletes and children unsupervised on or near the machine (especially when it is in use) to avoid possible injury. Do not leave children (under 12 years of age) or pets playing near the machine. This machine is not a toy.
- Please ensure you drink enough water if you exercise on the machine for more than 20 minutes.
- WARNING: The heart rate monitoring system (if equipped) may not be accurate. Overexertion during training can cause serious injury or death. If you experience nausea, stop exercising immediately!
The maximum user weight is 110 kg. The weight of the machine is 27,7 kg. The classification of the machine is Use Class H, that is, for domestic use only. The machine is not intended for commercial use and higher power loads. The accuracy class is C (low).
The machine complies with EN ISO 20957-1:2013 and EN ISO 20957-5:2016.
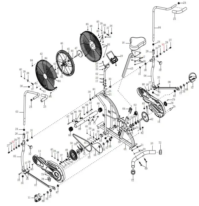
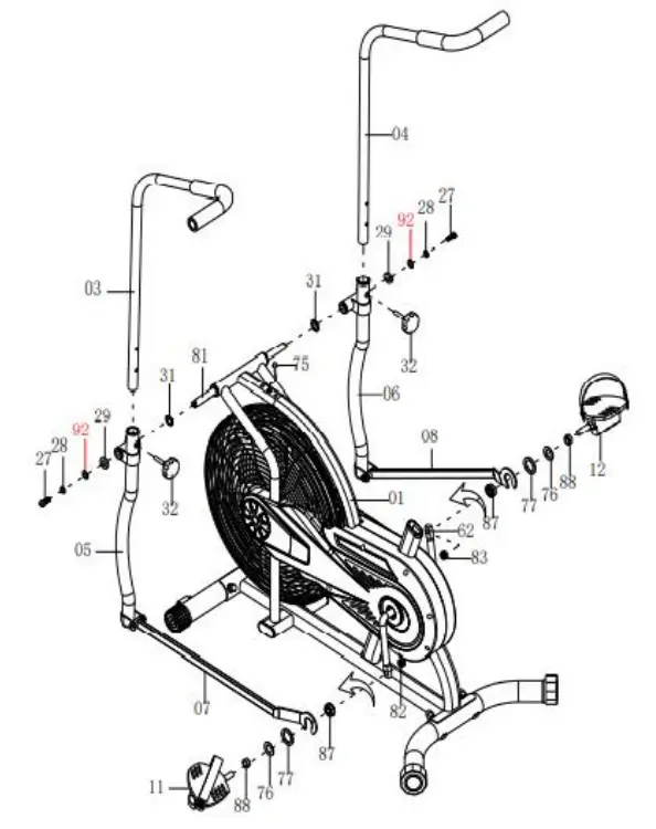
Parts list

| # | Name | × | # | Name | × |
| 01 | Main frame | 1 | 35 | Distance sleeve Ø 18ר 14ר 8×10 | 4 |
| 02 | Centre column | 1 | 36 | Flange nut M10×P1.0 | 4 |
| 03 | Left hand railing arm | 1 | 37 | Hinge with eye M6×36 | 4 |
| 04 | Right hand railing arm | 1 | 38 | U-shaped holder | 4 |
| 05 | Left handle | 1 | 39 | Spring washer Ø 6 | 8 |
| 06 | Right handle | 1 | 40 | M6 nuts | 4 |
| 07 | Left foot bar | 1 | 41 | Phillips head screw M6×10 | 5 |
| 08 | Right foot bar | 1 | 42 | Left flywheel cover Ø 490 | 1 |
| 09 | Front stabiliser Ø50 | 1 | 43 | Hexagon nut M10×P1×5 | 4 |
| 10 | Rear stabiliser Ø50 | 1 | 44 | Retaining ring Φ10 | 4 |
| 11 | Left foot pedal | 1 | 45 | Bearing 6000Z | 4 |
| 12 | Right foot pedal | 1 | 46 | Flywheel Ø 415×55 | 1 |
| 13 | Left cover | 1 | 47 | Axle housing | 1 |
| 14 | Right cover | 1 | 48 | Right flywheel cover Ø 490 | 1 |
| 15 | Saddlebag | 1 | 49 | Hexagon bolt M6×15 | 4 |
| 16 | The Saddle | 1 | 50 | Pulley with crank Ø 170 | 1 |
| 17 | Flat washer Ø8ר16×1,5 | 7 | 51 | Gear wheel | 1 |
| 18 | Nylon nut M8 | 5 | 52 | Axle Φ10×140 | 1 |
| 19 | Computer | 1 | 53 | Belt PJ390/J5 | 1 |
| 20 | Extension wire L=450mm | 1 | 54 | Chain | 1 |
| 21 | Wire plug Ø 12 | 2 | 55 | Flat hexagon nut 7/8″ | 1 |
| 22 | Phillips head screw M5×10 | 2 | 56 | Washer Ø 35×2 | 1 |
| 23 | Hexagon bolt M8×30 | 2 | 57 | 15/16″ puller case | 1 |
| 24 | Handrail arm end cap φ25 | 6 | 58 | Bearing Φ44,5 | 2 |
| 25 | Foam shoulder handle Ø 24ר 35×280 | 2 | 59 | Bearing sleeve Ø 55,6×16 | 2 |
| 26 | Plastic grommet Ø 32×1,5 | 2 | 60 | 7/8″ puller case | 1 |
| 27 | Hexagon bolt M10×20 | 2 | 61 | Flat washer Ø 40×2,8 | 1 |
| 28 | Spring washer Ø 19,5ר11,5×2,5 | 2 | 62 | Pulley with crank Ø 165 | 1 |
| 29 | Washer Ø 28ר 16×δ5 | 2 | 63 | Seat height adjustment knob M16 | 1 1 |
| 30 | Housing Ø 28ר 16×16 | 8 | 64 | Plastic seat post sleeve 50×25×1.5 | 1 |
| 31 | Wave washer Ø 22ר 17×δ0,3 | 2 | 65 | End cap for main frame | 2 |
| 32 | Shoulder adjustment knob railing M8 | 2 | 66 | End cap for front stabiliser Ø 50 | 2 |
| 33 | Hexagon bolt M8×48 | 2 | 67 | Hexagon bolt M6×45 | 2 |
| 34 | Plug Ø 32 | 2 | 68 | Movable wheel Ø 22ר 6.5×30.5 | 2 |
Standard parts/tools

Installation
Step 1

Step 2

Step 3

Step 4

Error code description
| PROBLEM | SOLUTION |
| No information is displayed on the computer screen. | Remove the computer console and verify that the cable coming from the computer console is properly connected to the wire coming from the handlebar column. Check that the batteries are correctly positioned, and the battery springs are in proper contact with the batteries. The batteries in your computer console may be low. Replace the batteries with new ones. |
| The air wheel wobbles when in use. | Rotate the rear stabilizer end cap as needed to align the air wheel. |
| The air wheel makes a squeaking sound when in use. | There may be loose bolts on the air wheel. Please check all screws and tighten any loose screws. |
Care and maintenance
Wipe off sweat after each exercise. Regularly wipe off dust and dirt from the surface of the entire machine with a soft damp cloth (water or mild detergents will suffice). After
cleaning, wipe the machine dry. Use the machine in a clean, well-ventilated and dry room.
Tighten all screws properly during assembly (check tightening again after about 10 hours of use). If there is increased noise, it is necessary to check that all connections are tightened correctly.
Battery: 1.5V AAA ×2. To replace the batteries, remove the computer from the holder, open the back cover and replace the batteries.
If the computer does not display correctly, check the connection of the scanning cables (between each other and with the display).
Storage
Store the machine indoors in a clean, dry area. Protect it from direct sunlight and high temperatures. Do not place any items on the treadmill. Make sure the main switch is off
and the machine is not plugged into electricity. Avoid using more static electricity with the exercise bike, which can interfere with the proper functioning of the meters or even
damage them.
Warranty conditions
A new product purchased from Alza.cz is covered by a 2-year warranty. In case of need for repair or other service within the warranty period, please contact the seller of the
product directly, it is necessary to present the original proof of purchase with the date of purchase.
The following shall be deemed to be a breach of warranty for which a claim may not be accepted:
- Use of the product for a purpose other than that for which it is intended or failure to follow the instructions for maintenance, operation and servicing of the product.
- Damage to the product due to natural disaster, unauthorized person or mechanical fault of the buyer (e.g. during transportation, cleaning by improper means, etc.).
- Natural wear and aging of consumables or components during use (e.g. batteries, etc.).
- The action of adverse external influences such as solar and other radiation or electromagnetic fields, liquid ingress, object ingress, mains surges, electrostatic discharge of voltage (including lightning), faulty supply or input voltage and improper polarity of this voltage, chemical processes such as used power supplies, etc.
- If anyone has made alterations, modifications, design changes or adaptations to change or extend the product’s functions from the design purchased or use nonoriginal parts.



















