Two Notes Le Preamp Dual Channel Tube Preamp

Foreword
Important Safety instructions
- Before using the product, it is necessary to carefully read and to bear in mind the following information. Keep this document in a safe place as it is important for the protection of the user and the product. If any malfunction of the machine is suspected, you should always seek the assistance of a qualified technician.
- Please verify that the voltage required by the mains power adapter matches the voltage in your country. If not or if unsure, do not connect the machine to the wall outlet. This could result in damage to the mains power adapter, the machine and injury to the user. This product must not be used when there is lightning present. In case of severe weather with a risk of lightning, unplug the power adapter to reduce the risk of electric shock and fire. The mains power adapter provided with the machine complies with the standards of the country where you purchased the product. If replacement is needed, please use a standard compliant mains power adapter.
- The Le Preamp must never be used near a heat source, near a flame, in the rain, in damp areas or near any liquid of any sort. When transporting the unit, care needs to be taken to avoid any shocks that could cause damage requiring the assistance of a qualified technician.
- Always use a dry and soft cloth with no alcohol or solvents for cleaning. Please keep the unit clean and free from dust
- All maintenance operations must be done by service centers approved by Two notes Audio Engineering or by qualified technicians. Never try to repair the machine by yourself.
Contents of the package
The shipped package contains:
- One Le Preamp unit in a protecting sleeve
- One power adapter
- One owner’s manual
The complete electronic version of this manual, as well as the Torpedo Remote and Torpedo Blend IR software’s are subject to updates. You can download the most recent versions of these products on the Two notes Audio Engineering website.
Declaration of conformity
Manufacturer: OROSYS SAS
Category of product: analog audio signal processor
Product: Le Preamp
Test Manager: Guillaume Pille
The Two notes Le Preamp is certified to be compliant to the CE and FCC standards:
- EN 55103-1 : 1996 and EN 55103-2 : 1996.
- EN 60065 05/2002 + A1 05/2006.
- EMC directive 89/336/EEC and Low Voltage Directive 73/23/EEC.
- FCC Part 15 : 2008.
- ICES-003 : 2004.
- AS/NZS 3548 class B for Australia and New Zealand.
- IEC : 2008 – CISPR 22 class B.
Disposal of Waste Equipment by Users in Private Household in the European Union
This symbol on the product or on its packaging indicates that this product must not be disposed of with your other household waste. Instead, it is your responsibility to dispose of your waste equipment by handing it over to a designated collection point for the recycling of waste electrical and electronic equipment. The separate collection and recycling of your waste equipment at the time of disposal will help to conserve natural resources and ensure that it is recycled in a manner that protects human health and the environment. For more information about where you can drop off your waste equipment for recycling, please contact your local city office, your household waste disposal service or the shop where you purchased the product.
Warranty
OROSYS SARL warrants that this TWO NOTES AUDIO ENGINEERING product shall be free of defects in parts and workmanship when used under normal operating conditions for a period of two (2) years from the date of purchase. This warranty shall apply to the original purchaser when purchased from an Authorized TWO NOTES AUDIO ENGINEERING dealer.
IMPORTANT: PLEASE RETAIN YOUR SALES RECEIPT, AS IT IS YOUR PROOF OF PURCHASE COVERING YOUR LIMITED WARRANTY. THIS LIMITED WARRANTY IS VOID WITHOUT YOUR
SALES RECEIPT.
Defective products that qualify for coverage under this warranty will be repaired or replaced, (at OROSYS SAS’s sole discretion) with a like or comparable product, without charge. In the event that warranty service be required, Please contact your authorized TWO NOTES AUDIO ENGINEERING dealer in order to obtain an RMA to return the complete product to the Authorized TWO NOTES AUDIO ENGINEERING Service Center closest to you, with proof of purchase, during the applicable warranty period.
Transportation costs to the service center ARE NOT INCLUDED in this limited warranty. OROSYS SAS will cover the cost of standard ground return transportation for repairs performed under this warranty. This limited warranty becomes void if the serial number on the product is defaced or removed, or if the product has been damaged by alteration, misuse including connection to faulty or unsuitable ancillary equipment, accident including lightning, water, fire, or neglect; or if repair has been
attempted by persons not authorized by OROSYS SAS.
Any implied warranties, including without limitation, any implied warranties of merchantability or fitness for any particular purpose, imposed under state or provincial law are limited to the duration of this limited warranty. Some states or provinces do not allow limitations on how long an implied warranty lasts, so the above limitations may not be applicable.
OROSYS SAS ASSUMES NO LIABILITY FOR PROPERTY DAMAGE RESULTING FROM ANY FAILURE OF THIS PRODUCT NOR ANY LOSS OF INCOME, SATISFACTION, OR DAMAGES ARISING FROM THE LOSS OF USE OF SAME DUE TO DEFECTS OR AVAILABILITY OF IT DURING SERVICE.
In case you must absolutely send your TWO NOTES AUDIO ENGINEERING product to any other location, it is of vital importance that you keep the original packing material. It is very difficult to avoid damage when shipping the product without that material. OROSYS SAS is not responsible for damages caused to the product by improper packaging and reserves the right to charge a reboxing fee for any unit returned for service without the original packing material.
THE FOREGOING CONSTITUTES THE ONLY WARRANTY MADE BY OROSYS SAS WITH RESPECT TO THE PRODUCTS AND IS MADE EXPRESSLY IN LIEU OF ALL OTHER WARRANTIES EXPRESSED OR IMPLIED.
About the Le Preamp
Introducing the Le Preamp
Two notes is first and foremost a team of music lovers who are all great admirers of musicians. We are highly qualified engineers, technicians, and musicians, whose purpose is to facilitate the life of guitar and bass players without infringing on their playing habits. Our mission consists in providing them with studio-grade products that are specifically designed for the guitar and bass.
From the moment we launched the Torpedo C.A.B. in 2012, we believed it was possible to build a high quality pedalboard to entirely replace a conventional tube amplifier system: the complete floor rig. Even with an almost limitless choice of available guitar effects, we always felt that finding a very good preamplifier in a pedal format was challenging. This is why Two notes is proud to premier its line of tube preamplifiers: Le Clean, Le Crunch, Le Lead and Le Bass. Associate them with the now available Torpedo C.A.B. M for the most powerful pedalboard-rig possible.
The concept
The selection of a preamplifier is the core of your overall tone and thus requires the greatest attention. When building a complete floor rig, only the very best will make the cut. The Two notes preamplifiers are a True High Voltage Design running internally at 200 volts to preserve the interaction between you and your guitar while working perfectly with your other effect pedals. Each of the four different versions deliver the unique tube warmth, dynamics, and the musical compression from the amps we know and love, now in a more convenient pedal package. And, of course, you can use them as an elaborate tube overdrive, in front of your favorite amplifier!
Two channels plus Fusion mode
The A and B channels are totally independent, each with their own voicing and eq section: Bass and Treble on A, Bass, Mid with Mid Sweep and Treble for B. On Channel A you will find a lower gain tube stage with a pre-gain EQ using a more vintage design approach, while Channel B offers more gain and a very powerful post-EQ (with mid sweep). The exclusive Fusion modes open new horizons. In “Hot Fusion”, A and B are cascaded, meaning A can be used as a boost for B with both A and B EQ’s available to shape the result. In “Cold Fusion”, the two channels are in parallel, meaning you can blend the cleaner sound from A and your more distorted sound in B to gain clarity and articulation.
Switching
Each preamp features 2 channel footswitches, A and B. Simultaneously pressing A and B will activate the Fusion mode. Pressing A, B or A and B will also send a specific Midi Program Change command, that can be used to select a preset on your Midi multi effects and/or Torpedo C.A.B.
In addition, the preamplifier may respond to a Program Change sent from another Midi device allowing a seamless integration into any pedalboard switching system. Combining several Two notes preamps on your pedalboard makes things really interesting. Connected via Midi, each preamp will listen to the others. They can be configured in Multi-channel mode: pressing A on preamp 1 will bypass preamp 2, like the channels of an amplifier. Alternately, when this mode is off: traditional on/off switching for all preamps, a preamp can be a boost/overdrive for the one that follows.
Le Preamp Sonic Guide
We designed four different preamplifiers, to match the modern needs of the demanding guitar and bass player.

- Le Clean takes its inspiration from the classic amps of southern California in all shades of brown, black and silver. Channel A has a pure ultra clean texture. Channel B lets you bring in classic sweet overdrive of a dark desert highway. The Cold Fusion mode gets right to the heart of Texas while Hot Fusion takes you out of the blue and into the gnarliest Tweed tones.
- Le Crunch combines the greatest tones of the classic British stack of amps that have defined Rock’n’Roll since the late 60’s. Channel A’s clean throaty voice is pure plexi heaven while Channel B screams move over, let there be rock! The Hot Fusion mode crosses over into the high gain territory where shredders and down tuned riffers write all the rules.
- Le Lead’s Channel A shines on the fusion of a clean to slight crunch tone of a perfect melody. Kicking in Channel B unleashes the fury of a super tight modern high gain amp, enhanced with the powerful mid sweep Eq. Hot Fusion takes it all over the top; huge gain, sustain and with the combined EQ’s, everything from metal to all out fuzz at your fingertips.
- With Le Bass, the ultra clean Channel A is perfect for today’s modern techniques with lightning fast response and a full spectrum of tone. Channel B tips its hat to the foundation of rock bass with solid punch and a sweet break up available when things get down and dirty. Cold Fusion lets you live in the limelight with the best of both worlds while Hot Fusion lets you take center stage with searing bass from a focused distortion to synth-like growls.
Product description
Side views

You will find in this first table a description of the various inputs and outputs featured in your new Le Preamp.
| < 100% 10% 20% 70% > | |||
| 1 | Channel B footswitch | This footswitch activates the clean Channel B or changes the page/parameter in MIDI programming. If the Channel A is already selected, pressing a second time will put your Le Preamp in bypass mode | |
| 2 | Instrument input | Connect a 1/4“ unbalanced shielded cable to your guitar or bass. | |
| 3 | Thru output | Connect a 1/4” unbalanced shielded cable to feed an amplifier with your instrument signal. This can be useful on stage of you want to keep an amp as monitor, or to record the dry signal from the guitar in studio. | |
|
4 |
FX Loop Send output | Plug here a 1/4“ unbalanced shielded cable to send the preamp signal to the pedals you want to put after the preamp stage. The FX Loop is bypassed when the Le Preamp is bypassed. In other words, the effects pedal that you put in this loop won’t be heard when your Le Preamp is bypassed. That is very interesting in case you have several Le Preamp and you wish to assign specific effects to each preamp. | |
| 5 | MIDI input | Connect a MIDI controller (to remotely control your Le Preamp) or another Le Preamp to this input. Use only a cable featuring a 5-pin DIN connector with all the pins wired (some cables only have pins 4, 2 and 5 connected). Pin 1 and 3 are used to carry the Multi-channel message. | |
| 6 | Power adapter connector | Plug here your power adapter | |
| 7 | Headphones output | Plug your headphones and play in the middle of the night without disturbing anybody! With headphones, and in case you don’t have speaker simulator such as a Torpedo C.A.B. M in the FX loop, we recommend you activate the analog speaker simulation | |
|
8 |
Speaker Simulation | This analog speaker simulation is specifically voiced for your Le Preamp Model, and based on our Torpedo simulator. The simulation is based on our classic Brit VintC 4×12 picked up with a Dyn57 for the Le Clean, Le Crunch, Le Lead and on a mix of the vintage Fridge 8×10 and more modern Alu XL 4×10, picked up with a Cnd87 for Le Bass. This speaker simulation affects the DI output and the Headphones output. |
| 9 | Ground Lift | |
| 10 | Balanced DI output | This direct balanced XLR output should be connected to a mixing desk, or a sound card for a recording. With the speaker simulation on that’s all you need to achieve a great sound! |
| 11 | MIDI output | Connect this MIDI output to a MIDI device or another Le Preamp you wish to control with your preamplifier. |
| 12 | FX Loop Return Input | Plug here an unbalanced 1/4” cable connected to the last pedal you put in the loop. The FX Loop is bypassed when the Le Preamp is bypassed. |
| 13 | Instrument output | Connect this output with a 1/4“ unbalanced shielded cable either to a power amplifier or a speaker simulator such as the Torpedo C.A.B. M, or directly into your digital audio interface for a recording. |
| 14 | Channel A footswitch | This footswitch activates the A “dirty” channel or enter a page in MIDI programming. If the channel B is already selected, pressing a second time will put your Le Preamp in bypass mode. |
Front view

You will find in this table a description of the volume, tone and channel selection options.
| 1 | Channel A footswitch | This footswitch activates the clean Channel A or changes the page/parameter in MIDI programming. If the Channel A is already selected, pressing a second time will put your Le Preamp in bypass mode |
|
2 | Channel A Input Gain | Determines the amount of gain for your clean tone. Increasing the gain can lead to more signal distortion, and even unwanted clipping. Adjust that parameter to your taste, the gain level you will be getting depends on Le Preamp, but also on your guitar/bass pickups level and the level of other products such as pedals you may have inserted between your guitar and Le Preamp. |
| 3 | Channel A EQ settings | The Channel A features a passive Bass (low frequency) and Treble (high frequency) voicing section. |
| 4 | Channel A volume | Determines the output volume of the channel A, the volume is located pre-FX Loop. This knob is inactive in Fusion mode. In case you hear unwanted clipping, try lowering the volume too and make sure the following device in your signal path is not overdriven. |
| 5 | Fusion mode selector | Pressing the A and B footswitches at the same time will activate the Fusion mode. The Fusion switch determines if either the Hot Fusion or the Cold Fusion modes will be activated. Read more about the Fusion modes in the following pages. |
| 6 | Fusion Level | In Hot Fusion, this knob determines the level of Channel A that will boost the Channel B. In Cold Fusion, this knob determines the volume of Channel A that will be added in parallel to the channel B. |
|
7 |
Channel B Input Gain | Select the amount of gain for your dirty tone. Increasing the gain will lead to more distortion of the signal, and even unwanted clipping. Adjust that parameter to your taste, the gain level you will be getting depends on Le Preamp, but also on your guitar/bass pickups level and the level of other products such as pedals you may have inserted between your guitar and Le Preamp. Always keep in mind that even if we put all our attention on keeping the noise level as low as possible, increasing the gain can lead to unwanted noises and undesirable feedback. |
| 8 | Channel B EQ settings | The channel B features a passive Bass (low frequency) and Treble (high frequency) voicing section, plus an active Mid (medium frequency) setting with Sweep. Thanks to the Sweep parameter you will be able to choose the center frequency of your medium range voicing |
| 9 | Channel B volume | Determines the output volume of the channel B. The volume is located pre-FX Loop. In case you hear unwanted clipping, try lowering the volume too and make sure the following device in your signal path is not overdriven. |
|
10 |
Tube window | With Le Preamp, you can see the finely selected tube working! Plus, depending on the channel, that area will display different colors: Green for Channel A, Yellow for Channel B, Blue for Cold Fusion mode and Red for Hot Fusion mode. The MIDI programming features different colors, read more about this in the MIDI section of this manual |
| 11 | Channel B footswitch | Connect this MIDI output to a MIDI device or another Le Preamp you wish to control with your preamplifier. |
Please note that the bypass mode is important in case you are either using several Le Preamp in your pedalboard or if you plan to use your Le Preamp as a distortion pedal. With multiple Le Preamp pedals, connect them in MIDI so the activation of one can defeat the others (Multi-channel function).
More on the Fusion modes
By pressing simultaneously the A and B switches, you will enter the Fusion mode. When the Fusion mode is activated, pressing A and B again will defeat your Le Preamp.

The Cold Fusion puts the Channels A and B in parallel. In other words, you will be able to adjust the level of Channel A that will be added to the output of Channel B. This technique consisting in adding a clean signal to a more distorted one is widely used in the studio to regain dynamics and articulation when the dirty sounds can be too compressed for example. The Fusion knob must be carefully adjusted and we recommend starting very low on this value and increasing gradually.
Hot Fusion
The Hot Fusion puts the Channels A and B in cascade. In this configuration, the Channel A can be considered a boost for the channel B, and the Fusion knob determines the amount of boost signal you send into B.

The gain on the channel A will be very important and it is the addition of this gain and the Fusion amount that will determine the overall distortion you will get. The channel A features an EQ, and changing the EQ will play a huge role in the overall tone. If you push the bass your sound will get more fuzzy, and if you push the treble you will have a more glassy distortion. With these very simple settings you will discover many tonal options! Always keep in mind that the sweet spot is rarely on the maximum values, take the time to increase each parameter gradually. Sometimes it’s better to have the Fusion knob at a lower value and increase the gain on channel A, remember these settings are very sensitive.
More on the Mid Sweep
The Mid Sweep is a very powerful tonal option. It can be used either to boost or to attenuate a medium frequency range. A good way to start with that function is, first, to set your Mid level to the max, then search for the frequency you want either boost or attenuate by adjusting the SWEEP level. When you hear that frequency, you can either lower a little the mid level or keep it that way for a medium boost, or strongly attenuate the frequency by decreasing the Mid level.
Connecting the Le Preamp
The Le Preamp can be used in various configurations: as a boost or distortion pedal for your amplifier, as a preamplifier connected to a power amplifier and cabinets, or in a direct setup for recording, playing on stage or simply at home with your headphones. The following diagram presents the various possible connections of the Le Preamp. Please note that this diagram doesn’t show all the wiring possibilities of the product, just the most common ones.

What if I want to use several Le Preamp?
You can, in fact, they were specifically designed to work together! Please refer to the following figure. On this figure you will find, in green, the MIDI connections, and in blue the audio connections. When connecting several Le Preamp with MIDI for the first time, switching on a preamp channel will defeat the other preamps. We call it the Multi-channel mode: having more Le Preamp is like adding channels on an amplifier, and it’s as simple as using a channel footswitch on a traditional
multichannel amplifier. When connecting several Le Preamp with a MIDI cable, make sure you use a 5-pin DIN cable with all the pins wired. Some cables only have pins 4, 2 and 5 connected. Pin 1 and 3 are used to carry the Multi-channel message Regarding the effects position:

- Before the first preamp, we put all the effects we may want to apply to any Le Preamp in the chain. It could be a distortion pedal, a compressor, a volume pedal, anything you can put in front of an amplifier.
- In the FX loop of each preamp, we put the effects we want to apply only to one of the preamps. For example, a specific delay we want only on Le Preamp 2.
- Finally, after the last preamplifier, we put all the global effects that are usually better sounding after the preamp stage: modulation or reverb effects, a speaker simulator such as the Torpedo C.A.B. M, and stereo effects. By placing the stereo effects at the end of the chain, the next device (mixer, stereo power amp, recorder etc…) can be fed by a stereo signal.
Tips & tricks
- If you use a Torpedo C.A.B. M with your Le Preamp, you may want to put the C.A.B. M in the FX loop of Le Preamp. That way, you can connect the XLR DI output of Le Preamp to the mixer and listen to the whole system, including the Torpedo C.A.B. M simulation, through Le Preamp’s headphones output.
- Even if it’s not shown on the connections diagram, you can use your Le Preamp like a “simple” tube overdrive/distortion. Just connect it in between your guitar/bass and your amplifier, like any pedal. If you take the time to carefully set the gain and volume of both channels on the preamp, you will be able to achieve amazing tones with your Le preamp!
- If you are using an overdrive or distortion pedal in front of your Le Preamp, you may want to lower the Bass level of the Channel A to keep a cleaner signal.
- If you choose to add pedals after your Le Preamp, using unbalanced connections, you may want to put a DI box before sending the signal to a mixer. Especially on stage, adding a DI will help fighting noise, and protect your last pedal against potential phantom power coming from the mixer.
- Having too much distortion in your tone can lead to a muddy sound that will lack dynamics, and create or considerably emphasize some unwanted artefacts such as hum, feedback… Ifyou need a lot of distortion and if the resulting noise is an issue, you may want to consider using a noise gate processor. Single coil pickups are more sensitive to noise than humbuckers, moving your guitar around can help you find a noise source (lights, amp’s internal transformer, computers, monitors…).
- In the studio, you can record three different signals coming from Le Preamp at the same time:
- The dry guitar signal from the THRU output. This one can be used later for reamping purposes.
- Le Preamp dry signal from the main output. This one can be processed by the Wall of Sound plugin to achieve the Torpedo speaker simulation.
- Le Preamp with analog speaker simulation from the DI output. This one will give a totally different sound and/or mix with the Torpedo simulation to thicken your tone. Always keep the unbalanced connections as short as possible.
If you want to keep a balanced connection between your Le Preamp and the following device connected to its output, you have to use the XLR DI output. If the following device only accepts 1/4”, it is possible to use an XLR to 1/4“ TRS jack cable.
The Torpedo Wall of Sound plugin
Wall of Sound (WoS) is a speaker and miking simulation plugin. A plugin is a software you can load on a track of your sequencer, such as Cubase, Logic, Pro Tools, Reaper, inside your Digital Audio Workstation. With your Le Preamp, Two notes gives you access to 16 virtual cabinets you can load in our award winning Wall of Sound plugin. With your Le Preamp and WoS you have the best configuration to record amazingly good guitar or bass tones for all your musical projects. To download your 16 cabinets, register your product on the Two notes Audio Engineering website, download and install the WoS plugin. You will be guided step by step through the process.
Once you have become familiar with the sound and operation of the Wall of Sound plug-in, please feel welcome to explore the in-app Two notes Boutique which will allow you to audition and have the option to purchase additional cabinets. You will find more information on WoS on the Two notes Audio Engineering website.
MIDI
Factory configuration
5 basic functions can be accessed through MIDI Program Changes (PC) sent by an external MIDI device. The default MIDI receive configuration is the following:
MIDI RECIEVE
| Le Preamp Model | Channel A | Channel B | Cold Fusion | Hot Fusion | Bypass |
| Le Clean | PC 1 | PC 2 | PC 3 | PC 4 | PC 5 |
| Le Crunch | PC 6 | PC 7 | PC 8 | PC 9 | PC 10 |
| Le Lead | PC 11 | PC 12 | PC 13 | PC 14 | PC 15 |
| Le Bass | PC 16 | PC 17 | PC 18 | PC 19 | PC 20 |
In other words, your Le Preamp can receive a MIDI PC asking for bypass or channel switch. Any MIDI message received will be transmitted to the MIDI output (MIDI Thru function). When using Le Preamp as a MIDI controller, you will be able to send a MIDI PC to trigger preset changes on another MIDI device, such as a Torpedo C.A.B. or an FX unit. The default MIDI send configuration is the following:
MIDI SEND
| Le Preamp Model | Channel A | Channel B | Cold Fusion | Hot Fusion |
| Le Clean | PC 1 | PC 2 | PC 3 | PC 4 |
| Le Crunch | PC 6 | PC 7 | PC 8 | PC 9 |
| Le Preamp Model | Channel A | Channel B | Cold Fusion | Hot Fusion |
| Le Lead | PC 11 | PC 12 | PC 13 | PC 14 |
| Le Bass | PC 16 | PC 17 | PC 18 | PC 19 |
Please note that bypassing a preamp does not send any PC message. The default MIDI channel is OMNI and the Multi-channel mode is ON.
MIDI programming
It is possible for the advanced user to change the MIDI configuration of Le Preamp, thanks to the setup configurator that you can start simply by pressing A while powering on Le Preamp. The configurator uses your Le Preamp LEDs and tube window color to guide you through the process. There are 7 pages on the menu and therefore 7 tube window colors.
| Page # | 1 | 2 | 3 | 4 | 5 | 6 | 7 |
| Function | MIDI Monitor | MIDI Learn | MIDI Channel | PC Number | Multi-channel mode | Factory Reset | Firmware Version |
| Color | White | Green | Yellow | Red | Purple | Blue | Turquoise |
You can navigate through the pages using the A switch, and you enter a page using the B switch. Once you entered a page you cannot go out, you will have to restart the configurator to access another page. On each page, a modified parameter is instantaneously stored. The storing process is validated by a fast flashing of the product’s LEDs.
MIDI Monitor
The MIDI monitor uses the LEDs to display the type of message and the channel used by the emitter. It is a powerful tool to help you debug a MIDI configuration issue. If you find that the MIDI behavior of Le Preamp is not what you expected, this short guide will help you fix the issue.
| Flash Color | Meaning | What to do? |
| No Light | No MIDI Message received | Control the connection between the MIDI output of your MIDI controller and the MIDI input of Le Preamp. Control and eventually change the MIDI cable. Make sure the MIDI controller is configured to send MIDI messages. |
| Red | MIDI message is not a PC | Make sure your MIDI controller is sending PC messages. |
| Yellow | MIDI message not on the active MIDI channel | Set your MIDI controller to the same MIDI channel as your preamp, or set the preamp to OMNI. |
| Green | MIDI message on the active MIDI channel | Configure your MIDI controller PC so it matches the default Le Preamp MIDI mapping. Or use the MIDI Learn function on Le Preamp so the MIDI PC you send triggers one of its functions. |
MIDI Learn
Your Le Preamp can “learn” how to behave depending on the MIDI message it receives from a MIDI controller. When entering the MIDI learn page, the tube window is white, indicating the Erase mode.
| Function | Process | Example |
| Erase a PC | MIDI controller sends a MIDI PC, this PC will not be interpreted by Le Preamp anymore | You want your Le Preamp not to react to PC42 . When the tube window is white, have your MIDI controller send the PC42. You can continue with other PC # you want to erase from memory |
|
Program a PC |
Channel A is selected, the MIDI controller sends a PC that is instantaneously stored | You want the channel Hot Fusion to be triggered by PC84. Your Le Preamp is in Erase mode (tube window is white) at first. Click on A+B and make sure the Fusion switch is on Hot. When your preamp is in the correct state, have the MIDI device send the PC 84. Several PCs can trigger the same channel on Le Preamp. If you send several PCs while in this state, the Hot fusion will be activated for each and every stored PC. You can continue by attributing other Le Preamp states (Channel A, B…) to other MIDI PC, simply by selecting another channel and sending another PC(s) from your MIDI controller. |
MIDI Channel
This page uses the A and B LEDs flashing to indicate the channel number, OMNI mode or MIDI Off.
| OMNI mode | A and B LEDs are on, that is the factory setting. To go into OMNI mode, just select a channel over 16 |
| MIDI Off | A and B LEDs are off. In this mode, any MIDI message sent to your Le Preamp will be sent to the MIDI output without being interpreted. When in OMNI, press A or B once to enter this mode. Pressing A or B another time will start the Channel Selection process. Please note the Multi-Channel function remains active (on or off) even when MIDI is off |
| Channel Select | A LED flashes to indicate the decade (off or 10) and B the unity (off, 1 to 6). For example, “14” will be A flashing once followed by B flashing 4 times, “8” will be A off and B flashing 8 times. After a pause, the flashing sequence is shown again. Press the A switch to add 10 to the channel number and B to add 1. Going over 16 will bring the MIDI mode back to OMNI. |
PC number
Your Le Preamp sends a PC every time you press either A, B or A + B. You can select the MIDI PC number sent by the A switch, that we call “x”. “x” is a number between 1 and 125. The other PCs sent by the other switches are deducted from “x”, following this rule:
| Channel | A | B | Cold Fusion | Hot Fusion |
| PC number | x | x+1 | x+2 | x+3 |
Press the A switch to add 10 to “x” and B to add 1. The PC number is displayed using A and B LEDs flashing. A indicates the decade and B the unity. For example, A flashing 11 times and B flashing 8 times means PC118.
Multi-channel Mode
The Multi-channel mode can be either ON (green tube window) or OFF (LEDs red tube window). Press A to change this parameter.
Factory Reset
The factory reset will bring back the Le Preamp MIDI configuration to its initial state. Once you entered that page, the tube window LEDs will flash in blue. Press simultaneously the A and B switches to reset your Le Preamp. Once the reset is done, Le Preamp will reboot.
Firmware version
The firmware version number is displayed using A and B LEDs flashing. A indicates the decade and B the unity. For example, A staying off and B flashing 3 times means firmware V03.
Specifications
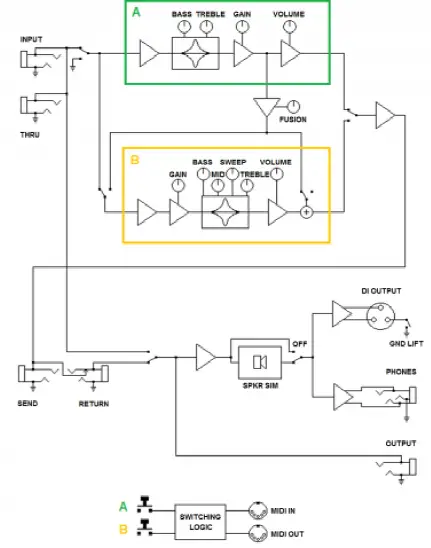
Block Diagram

Connectors wiring

Technical data
| Input | Jack 6.35 mm (1/4”) unbalanced (TS, Tip/Sleeve) – Impedance : 1 MOhms |
| Return | Jack 6.35mm(1/4“) unbalanced (TS) – Max input level : 17 dBu – Impedance : 2,2 MOhms – Unbuffered, directly connected to Output when active |
| Output | Jack 6.35 mm (1/4”) unbalanced (TS) – Max output level : 11 dBu – Impedance : 300 Ohms |
| Thru | Jack 6.35 mm (1/4“) unbalanced (TS) – Unbuffered, directly connected to Input |
| Send | Jack 6.35 mm (1/4”) unbalanced (TS) – Max output level : 11 dBu – Impedance : 300 Ohms |
| DI Output | XLR, balanced – Impedance : 600 Ohms balanced, 300 Ohms unbalanced – Max output level : -7 dBu |
| Phones | Jack 3.5 mm (1/8“) stereo (TRS, Tip/Ring/Sleeve) |
| Tube | Ruby 12AX7AC5 HG |
|
Tone control | A channel : Passive Bass/Treble tonestack B channel : Passive Bass/Treble tonestack Active Mid/Sweep control – Gain : -18 to +6 dB Freq. (Le Clean, Le Crunch, Le Lead) : 300Hz to 1.5kHz – Freq. (Le Bass) : 220Hz to 1.5kHz |
| Power | Mains power adaptor DC Jack 2.1mm, negative center Input voltage : 12V DC – Power consumption : approx. 6W – Current draw : 500mA |
| Dimensions | 124 x 189 x 50 (mm) – 4.88 x 7.44 x 1.97 (in) |
| Weight | 750g – 1.65 lb |
Technical support
Should you encounter a problem with your product or need help regarding any technical aspects, please note that Two notes Audio Engineering has developed on-line services to provide you with fast
and efficient technical support, the Two notes Help Desk.
Don’t hesitate to browse the Knowledgebase, which contains all sorts of useful informations, or submit a ticket if you have any question or need assistance with a Two notes product.
Two notes Website
On the Two notes Audio Engineering website, you will find:
- news about the company and the products (news on the homepage),
- comprehensive information about the Le Preamp and its many applications (FAQ),
- firmware and software updates to download (products/Le Preamp/downloads),
- access to the Two notes Store where you can buy new cabinets,
- the Torpedo BlendIR software (products/Le Preamp/downloads),
- an official forum where you can share tips and advice with other Torpedo users (forum).
The Two notes Team often visits specialized forums to help out users.
We do not offer technical support via e-mail. Please contact us via the Help Desk at the address above.
From:
http://wiki.two-notes.com/ – User’s manuals
Permanent link:
http://wiki.two-notes.com/doku.php?id=le_preamp_series:le_preamp_series_user_s_manual



















