Slim Line II Video Doorbell
Instruction Manual
Video Doorbell
Installation Manual
Installation Support: (877) 998-1457
AAA.com/SmartHome-Install
Slim Line II Video Doorbell

Alarm.com Wi-Fi Doorbell
Introduction
Your customers will always know who is at the front door with an Alarm.com Doorbell Camera. Now with two options to choose from our original Wi-Fi Doorbell Camera and our new Slim Line II it’s easy to deliver front door awareness to even more customers!
Each Alarm.com Doorbell Camera features a doorbell with an integrated camera, PIR motion sensor, and digital microphone and speaker, enabling homeowners to answer the door and speak to visitors via Two-Way Audio all right from their app.
Included materials
- Wall mounting bracket
- Wall screws
- Masonry anchors
Device compatibility with Alarm.com
Alarm.com Doorbell Cameras
The following doorbell cameras are fully compatible with Alarm.com:
Slim Line II incompatible with SkyBell and other platforms
The Slim Line II is not compatible with other platforms and apps, such as the SkyBell platform.
SkyBell HD cameras
Certain SkyBell HD cameras, not purchased through Alarm.com, may not be compatible with the Alarm.com platform.
SkyBell V1 and V2 not compatible
SkyBell V1 and V2 cameras are not compatible with Alarm.com.
Requirements
Power and chime type
10-36 VAC (16-24 VAC is recommended), 10 VA or 12 VDC, 0.5 to 1.0 A wired to an in-home mechanical or digital doorbell chime.
Note: A SkyBell Digital Doorbell Adapter must be installed if a digital doorbell chime is present. See below for more information.
Note: Do not install more than two doorbell cameras on a single transformer.
WARNING: An in-line resistor (10 Ohm, 10 Watt) is required when installing the doorbell camera without a wired, in-home doorbell chime. This is typically done when testing the doorbell or giving a demonstration. Failure to install a resistor when a chime is not present may result in damage to the doorbell camera.
Wi-Fi
Upload speed of 2 Mbps is required. Compatible with Wi-Fi 802.11 b/g/n, 2.4 GHz or 5 GHz for the Slim Line II (on the 20 MHz bandwidth channel) up to 150 Mbps.
Mounting
The mounting plate affixes to a flat surface (a power drill may be required) and uses the existing doorbell wiring.
Mobile app
Download the latest Alarm.com mobile app for iOS or Android (versions 4.17 for 4.15.1 respectively or higher for video streaming).
Pre-installation checklist
Working doorbell check
A wired doorbell circuit is required to provide power to the doorbell camera. First check that the existing wired doorbell is working and that it is wired properly. There is a power issue if the existing doorbell does not ring the indoor chime when the button is pressed. This issue must be addressed before beginning the doorbell camera installation process.
Wired doorbell check
Check that the existing doorbell is wired by visually inspecting the doorbell button for wires. If necessary, the doorbell can be removed from the wall to check for wiring. You can also inspect the chime inside the home a chime plugged into a power outlet might indicate that an incompatible wireless doorbell system is in place.
Doorbell chime type check
Locate the chime inside the home and remove the faceplate. Identify the chime as one of the following types:
- Mechanical chime
If the chime has metal bars and a striker pin, it is mechanical and will work without additional hardware. - Digital chime
If the chime has a speaker that plays a tone when pressed, it is digital and will require the installation of the SkyBell Digital Doorbell Adapter and the enabling of the digital doorbell setting in the app to function properly. - Tube chime
If the chime has a series of tubular bells, it is a tube chime and is incompatible with the doorbell camera. - Intercom system
If the doorbell button fixture includes a speaker, it is an intercom system and is incompatible with the doorbell camera. - No chime
If there is no chime in the system, the customer will receive alerts only on their phone, and a resistor (10 Ohm, 10 Watt) must be used in-line with the doorbell camera.
SkyBell Digital Doorbell Adapter
The SkyBell Digital Doorbell Adapter is available for purchase through the Alarm.com Partner Portal.
Wi-Fi password check
Make sure you have the password for the Wi-Fi network in the home where you plan to install the doorbell camera. Verify the Wi-Fi credentials before you begin by connecting a smartphone or laptop to the Wi-Fi network and attempting to access a website.
Internet & Wi-Fi speed check
A Wi-Fi Internet upload speed of at least 2 Mbps is required at the location where the doorbell camera is installed.
Follow these steps to check the connection speed:
- Go to the location where the doorbell camera will be installed
- Close the door
- Disable the cellular (LTE) Internet connection on your device and connect to the home’s 2.4 GHz or 5.0 GHz for Slim Line II Wi-Fi network
- Run a speed test (for example, SpeedOf.me or speedtest.net) to determine the Internet speed
- In the test results, note the upload speed. The Alarm.com Doorbell Cameras require an upload speed of at least 2 Mbps.
Hardware installation
Alarm.com Doorbell Cameras
Alarm.com’s Doorbell Camera hardware must be used:
Alarm.com Wi-Fi Doorbell Camera
Alarm.com Slim Line II Doorbell Camera
SkyBell HD consumer hardware is not supported. Slim Line II Doorbell Camera hardware is not supported on the SkyBell platform or other service provider platforms.
Remove existing doorbell button
Take care to prevent the existing doorbell wires from slipping into the wall.
Attach the doorbell mounting bracket to the wall
Feed the existing doorbell wires through the hole in the center of the bracket. Affix the bracket firmly to the wall by driving the provided wall screws through the top and bottom holes in the bracket. Failure to make the bracket flush to the wall could cause a poor power connection between the bracket and the doorbell camera.
Connect power wires to the mounting bracket
Loosen the terminal screws and insert the wires beneath the screws. Do not short (touch together) the wires during this process. Tighten the screws. The wires must be of approximately equal thickness, and the screws should be tightened approximately the same amount so that the screwheads are flush. If the wires are thick, splice short lengths of additional thinner wire. The splice joints can be hidden inside the wall, and the thinner wire can be used to connect to the mounting bracket.
Attach the doorbell camera to the mounting bracket
Slide the top of the doorbell camera down onto the mounting bracket and push the front of the doorbell camera toward the wall. Tighten the set screw located on the bottom of the camera, being careful not to damage it (power tools should not be used with the set screw). The camera’s LED should begin to illuminate.
Connecting the SkyBell Digital Doorbell Adapter
If the home has a mechanical chime, you may skip this section. If the home has a digital chime, a SkyBell Digital Doorbell Adapter is required.
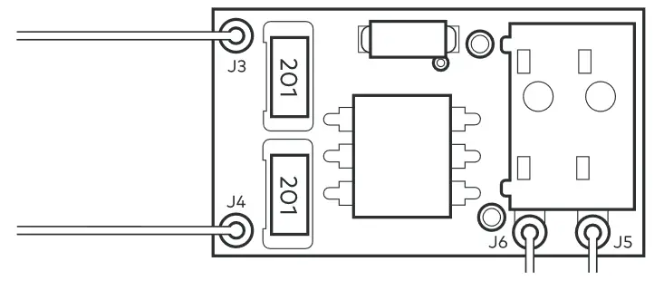
Remove the cover from the digital chime and locate the wire terminals. Completely remove the screws from the terminals and temporarily move the wires out of the way. Some digital chimes come installed with a diode in place. In these circumstances, the diode must be removed prior to installing the SkyBell Digital Doorbell Adapter. If the diode remains in place, it may cause the SkyBell Digital Doorbell Adapter to fail, leading to issues such as constant ringing. Connect the SkyBell Digital Doorbell Adapter wires to the chime:
- J4 -> “Front” Terminal (on Digital Doorbell)
- J3 -> “Trans” Terminal (on Digital Doorbell)
Connect the J5 wire to a wire from the wall, and connect the J6 wire to a wire from the wall. Reassemble and reinstall the digital chime in its original location.
Note: The adapter may say “TO SKYBELL” on the side. Please disregard.
Syncing with Alarm.com
Ready to sync
The doorbell camera is ready to sync when the LED is alternating Red and Green. This LED pattern indicates that the camera is in Wi-Fi Access Point (AP) mode. In this mode, the camera broadcasts a temporary Wi-Fi network. During the syncing process, you will connect to this network when instructed by the app. The app will configure the doorbell camera.
If the LED is not alternating Red and Green, see the troubleshooting section below.
Note: Alarm.com Doorbell Cameras can be installed through the Mobile Tech app as well.
Mobile Tech > Select Customer > Equipment > Video Devices > Add Video Device > Install Doorbell.
Add a new doorbell camera
Navigate to the doorbell camera page by selecting the Doorbell Camera tab in the left navigation bar. If a doorbell camera is already installed on the account, you can add a new camera by selecting the Settings icon on the existing doorbell camera’s screen.
Note: If you do not see the Doorbell Camera tab, the Doorbell Cameras service package add-on needs to be added to the account. You may also need to check the customer’s login permissions to ensure they have permission to add a doorbell camera.
Follow the on-screen Instructions
Keep your mobile device on the home’s Wi-Fi network (or on LTE) and follow the on-screen instructions. You will be prompted to provide a name for the camera.
When instructed, connect to the doorbell camera’s temporary Wi-Fi network
The syncing process will instruct you to connect to the doorbell camera’s temporary Wi-Fi network. The network is named Skybell_123456789 (or Skybell HD_123456789), where 123456789 corresponds to the device’s serial number. On iPhone or iPad, you must leave the Alarm.com app, enter the Settings app, select Wi-Fi and select the SkyBell network. On Android, this process is completed within the app.
It is recommended to remain within six feet of the doorbell camera throughout the entire enrollment process to ensure the mobile device and the doorbell camera stay connected.
During installation, your mobile device may display a message indicating that there is no Wi-Fi available.
This is expected. Dismiss the message and continue to stay connected to the doorbell camera’s temporary Wi-Fi during the installation process.
Enter the home’s Wi-Fi password
Very carefully enter the home’s Wi-Fi password. If you must configure static IP addresses or the customer has a hidden Wi-Fi network, use the Manual Configuration tab.
Enable push notifications & recording schedules
The mobile device that is syncing the doorbell camera is automatically added as a notification recipient.
Enable the SkyBell Digital Doorbell Adapter in the app
If you installed a SkyBell Digital Doorbell Adapter, the device must be enabled from the Alarm.com app. Open the Alarm.com app and select the Doorbell Camera tab. Select the Settings icon for the camera and turn on the option to enable the digital door chime. Select Save.
Notifications & recording schedules
Notifications
Notifications are alerts that are sent immediately to the customer’s mobile phone when activity is detected by the Alarm.com Wi-Fi Doorbell Camera. Push notifications help the customer take full advantage of their new doorbell camera. Acknowledging a doorbell camera push notification will route the user directly to the call screen and enter a two-way audio call.
Button pushed
Receive a notification when the doorbell button is pushed. By acknowledging the notification, you will automatically join a two way audio call and receive a live video feed from the camera.
Motion
Receive a notification when the doorbell detects motion. By acknowledging the notification, you will automatically join a two way audio call and receive a live video feed from the camera.
Importance of push notifications
Enabling push notifications and adding recipients are critical to the success of a doorbell camera installation. Push notifications allow the customer to instantly see, hear and speak to visitors at the door. We recommend the customer select the “Keep me logged in” option on the Login screen in the Alarm.com app so that they can respond to push notifications from the doorbell camera more quickly.
Recording schedules
Recording schedules control the times and events during which the doorbell camera records clips.
Call (button pushed)
Record a clip when the doorbell button is pushed.
Motion
Record a clip when the doorbell detects motion. Reduce the number of motion-triggered clips by selecting the “Low” motion sensitivity setting. Navigate to the customer website Video Device Settings page and adjust the “Sensitivity to Motion” slider to the “Low” position.
Event triggered (for example, alarm)
Record a clip after a sensor is activated or after an alarm.
Notes:
Recording duration is typically around one minute. Clips are longer during an alarm or when a mobile user joins a call after a button or motion event.
Recording schedules do not need to match notification settings. You can enable recording schedules for both button and motion events but only enable notifications for button events if desired.
Accounts have a maximum number of clips that can be uploaded in a month and saved on the account. Doorbell camera clips count toward that limit.
Battery charging
If the LED is alternating between Red and Blue (HD Edition) or pulsing Blue (Slim Line II), the doorbell camera’s battery is charging. The duration of the pre-syncing charge process varies due to differences in existing doorbell circuits but normally takes less than 30 minutes. See the Power information & troubleshooting section if this state persists.
Wi-Fi connectivity
If the LED is flashing Orange, the doorbell needs to be manually placed into AP mode. Press and hold the Main button until the LED begins rapidly flashing Green, then release. The LED will flash Green as the doorbell camera scans the Wi-Fi networks in the area. The doorbell camera should enter AP Mode after a couple of minutes and the LED should begin alternating Red and Green.
Enter AP Mode (Broadcast Syncing Mode)
Press and hold the Main Button until the LED begins a Green rapid strobe flash, then release the button.
When the LED flashes Green, it means the Alarm.com Wi-Fi Doorbell Camera is in the process of entering AP Mode.
The LED will alternate Red and Green when the device has entered AP Mode.
Power cycle
Press and hold the Main Button until the LED begins a Blue rapid strobe flash. The power cycle could take up to 2 minutes.
Note: You can power cycle the Alarm.com Wi-Fi Doorbell Camera when it is in AP Mode (see instructions above). Press and hold the button until the LED flashes Blue.
Factory reset
Caution: If you initiate a factory reset, the doorbell camera will need to be re-connected to Wi-Fi and re-synced with the account.
Press and hold the button until the LED begins a Yellow rapid strobe flash. The reset could take up to 2 minutes.
Notes:
The Alarm.com Wi-Fi Doorbell Camera will flash Blue before it flashes Yellow do not release during the flashing Blue phase (this will power cycle the device).
You can factory reset the device when it is in AP Mode (see instructions above). Press and hold the Main button until the LED flashes Yellow. If a factory reset is performed on a camera that is already connected to Wi-Fi, the camera will need to be re-installed to re-establish its Wi-Fi connection. If the LED on the doorbell camera is not showing any color, there may be a power issue or the LED may have been turned off in the Video Settings on the customer website.
Online resources
Visit alarm.com/doorbell for troubleshooting tips, installation videos and more.
Power information & troubleshooting
Wired power supply
The Alarm.com Wi-Fi Doorbell Camera requires a wired power supply.
Standard doorbell power
Standard doorbell power is 16 VAC (Volts Alternating Current) provided by a transformer that steps mains (120 VAC) power down to low voltage. A common transformer is 16 VAC 10 VA (Volt Amps) this is standard if the home has a single chime. If there are multiple chimes, the transformer will normally have a higher power (Volt Amps) rating. Other doorbell transformers offer variable Voltage outputs from 8 VAC to 24 VAC.
Battery for uninterrupted supply
The doorbell camera has a battery supply to provide power when the indoor doorbell chime is rung. To make the existing doorbell chime ring, the doorbell camera must short the doorbell circuit, diverting power from the camera. During this time, the battery is used to power the doorbell camera. The camera cannot run solely on battery power a wired power supply is required. The built-in lithium battery has an expected battery life of 3 to 5 years, depending on usage.
Battery charging
When the LED is alternating Red and Blue (HD Edition) or pulsing Blue (Slim Line II), the battery is charging. The battery may need to charge prior to first-time use. The duration of the pre-syncing charge process varies due to differences in existing doorbell circuits but normally takes less than 30 minutes.
Power supply issues
The protection circuitry in doorbell transformers degrades over time and with use. This causes the power output of the doorbell transformer to drop. Eventually the power provided by the transformer drops below the power required by the Alarm.com Wi- Fi Doorbell Camera. At this point, the transformer needs to be replaced.
If installation is attempted and the doorbell transformer’s power output does not meet the required power, the doorbell camera’s LED will flash with a Red (HD Edition) or Blue (Slim Line II) rapid double-flash pattern. If this pattern persists, the doorbell transformer must be replaced to provide sufficient power for doorbell camera operation.
Transformer replacement
If you have confirmed there is a transformer failure, there are two options for transformer replacement. You can either use a plug-in wall-wart style transformer or wire a new transformer into the home’s mains lines, physically replacing the existing transformer (a professional electrician is recommended for this installation).
If you choose the first option, you can use an AC-AC Wall-Adapter transformer like those commonly used to power security panels.
Next, identify a power outlet near the existing transformer. Remove the low-voltage wires from the existing transformer and connect those wires to the new transformer. Plug the new transformer in to the power outlet and secure it in place.
Power configurations
No chime – With doorbell camera – Resistor required
Mechanical chime – Before installation
Mechanical chime – With doorbell camera
Digital chime – Before installation 
8281 Greensboro Drive
Suite 100
Tysons, VA 22102
201130
© 2020 Alarm.com. All rights reserved.



















