Lika SFES1-02000 Draw Wire Encoders

This publication was produced by Lika Electronic s.r.l. 2023. All rights reserved.
This document and information contained herein are the property of Lika Electronic s.r.l. and shall not be reproduced in whole or in part without prior written approval of Lika Electronic s.r.l. Translation, reproduction and total or partial modification (photostat copies, film and microfilm included and any other means) are forbidden without written authorisation of Lika Electronic s.r.l.
The information herein is subject to change without notice and should not be construed as a commitment by Lika Electronic s.r.l. Lika Electronic s.r.l. reserves the right to make all modifications at any moments and without forewarning.
This manual is periodically reviewed and revised. As required we suggest checking if a new or updated edition of this document is available at Lika Electronic s.r.l.’s website. Lika Electronic s.r.l. assumes no responsibility for any errors or omissions in this document. Critical evaluation of this manual by the user is welcomed. Your comments assist us in preparation of future documentation, in order to make it as clear and complete as possible. Please send an e-mail to the following address [email protected] for submitting your comments, suggestions and criticisms.
Typographic and iconographic conventions
In this guide, to make it easier to understand and read the text the following typographic and
iconographic conventions are used:
- parameters are coloured in GREEN;
- alarms are coloured in RED;
- states are coloured in FUCSIA.
Some icons in the pages are expressly designed to highlight the parts of the text which are of great interest and significance for the user. Sometimes they are used to warn against dangers or potential sources of danger arising from the use of the device. You are advised to follow strictly the instructions given in this guide in order to guarantee the safety of the user and ensure the performance of the device. In this guide the following symbols are used:
![]() | This icon, followed by the word WARNING, is meant to highlight the parts of the text where information of great significance for the user can be found: user must pay the greatest attention to them! Instructions must be followed strictly in order to guarantee the safety of the user and a correct use of the device. Failure to heed a warning or comply with instructions could lead to personal injury and/or damage to the unit or other equipment. |
![]() | This icon, followed by the word NOTE, is meant to highlight the parts of the text where important notes needful for a correct and reliable use of the device can be found. User must pay attention to them! Failure to comply with instructions could cause the equipment to be set wrongly: hence a faulty and improper working of the device could be the consequence. |
![]() | This icon is meant to highlight the parts of the text where suggestions useful for making it easier to set the device and optimize performance and reliability can be found. Sometimes this symbol is followed by the word EXAMPLE when instructions for setting parameters are accompanied by examples to clarify the explanation. |
Preliminary information
This guide is designed to provide the most complete and exhaustive information the operator needs to correctly and safely install and operate the SFES1-01500 and SFES1-02000 incremental draw-wire encoders.
SFES1-01500/SFES1-02000 cable-pulling encoder is aimed at speed and position measurements and controls in a variety of industrial applications through the movement of a 1,500 mm (59.055”) or 2,000 mm (78.74”) stainless steel wire. The typical back and forth travel of the moving equipment causes the wire to reel and unreel and thus the linear movement to be converted into a rotative motion detected by the encoder which is coupled to the drum.
SFES1-01500/SFES1-02000 provides quadrature signals through the universal output circuit HTL/TTL (Push-Pull or Line Driver output signals).
To make it easier to read and understand the text, this guide is divided into two main sections.
In the first section some general information concerning the safety, the mechanical installation, and the electrical connection as well as tips for setting up and running properly and efficiently the SFES1- 01500/SFES1-02000 cable-actuated encoder are provided.
In the second section, entitled Output signals, you can find detailed information on the quadrature output signals.
Safety summary
Safety
Always adhere to the professional safety and accident prevention regulations applicable to your country during device installation and operation;- installation and maintenance operations have to be carried out by qualified personnel only, with power supply disconnected and stationary mechanical parts;
- device must be used only for the purpose appropriate to its design: use for purposes other than those for which it has been designed could result in serious personal and/or the environment damage;
- high current, voltage and moving mechanical parts can cause serious or fatal injury;
- warning ! Do not use in explosive or flammable areas;
- failure to comply with these precautions or with specific warnings elsewhere in this manual violates safety standards of design, manufacture, and intended use of the equipment;
- Lika Electronic assumes no liability for the customer’s failure to comply with these requirements.
Electrical safety
Turn OFF the power supply before connecting the device;- connect according to the explanation in the ”Electrical connection” section on page 13;
- the wires of unused output signals must be cut at different lengths and insulated singularly;
- in compliance with 2014/30/EU norm on electromagnetic compatibility, following precautions must be taken:

- before handling and installing the equipment, discharge electrical charge from your body and tools which may come in touch with the device;
- power supply must be stabilized without noise; install EMC filters on device power supply if needed;
- always use shielded cables (twisted pair cables whenever possible);
- avoid cables runs longer than necessary;
- avoid running the signal cable near high voltage power cables;
- mount the device as far as possible from any capacitive or inductive noise source; shield the device from noise source if needed;
- to guarantee a correct working of the device, avoid using strong magnets on or near by the unit;
- minimize noise by connecting the shield and the frame to ground. Make sure that ground is not affected by noise.
Mechanical safety
Install the device following strictly the information in the “Mechanical installation” section on page 9;- mechanical installation has to be carried out with stationary mechanical parts;
- do not disassemble the unit;
- do not tool the unit;
- delicate electronic equipment: handle with care; do not subject the device to knocks or shocks;
- respect the environmental characteristics of the product;
- we suggest installing the unit providing protection means against waste, especially swarf as turnings, chips, or filings; should this not be possible, please make sure that adequate cleaning measures are in place in order to prevent the wire from jamming;
- to avoid failures, never exceed the maximum measuring length and prevent the wire from tangling up;
- never release the wire freely, always help the wire wind properly: risk of personal injury and/or equipment damage;
- always keep the wire aligned not to damage the equipment;
- the stroke per turn of the draw-wire unit is 100 mm (3.937”).
Identification
Device can be identified through the order code and the serial number printed on the label applied to its body. Information is listed in the delivery document too. Please always quote the order code and the serial number when reaching Lika Electronic. For any information on the technical characteristics of the product refer to the technical catalogue.
Warning: encoders having order code ending with “/Sxxx” may have mechanical and electrical characteristics different from standard and be supplied with additional documentation for special connections (Technical Info). |
Mechanical installation
WARNING
Installation has to be carried out by qualified personnel only, with power supply disconnected and mechanical parts compulsorily in stop.
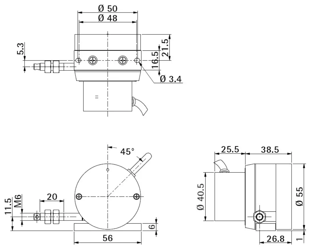
Overall dimensions

Values are expressed in mm
Mounting instructions

- Fasten the draw-wire unit onto a fixed support using two M3 screws 1;
- remove the transport safety wire that pins the end of the measuring wire;
- fix the end of the measuring wire to the moving element using the provided M6 nuts 2.
WARNING
We suggest installing the unit providing protection means against waste, especially swarf as turnings, chips, or filings; should this not be possible, please make sure that adequate cleaning measures are in place in order to prevent the wire from jamming.
To avoid irreparable failures, never exceed the maximum measuring length and prevent the wire from tangling up.
Never release the wire freely, always help the wire wind properly: risk of personal injury and/or equipment damage.

Always keep the wire aligned not to damage the equipment (maximum deviation: 3°).

Useful information
If you want to know the maximum measuring length and the resolution of the draw-wire encoder please refer to the order code. The stroke per turn is always 100 mm (3.937”), the maximum number of turns is 15 for SFES1-01500 and 20 for SFES1-02000.
EXAMPLE 1
SFES1-01500-H4-00500-RL010
Stroke per turn = 100 mm (3.937”)
Resolution per turn = 500 PPR
Linear resolution = 0.2 mm = 200 µm
Max. number of turns = 15
Max. measuring length = 1,500 mm (59”)
Number of information = 7,500 pulses
EXAMPLE 2
SFES1-02000-H4-00250-RL020
Stroke per turn = 100 mm (3.937”)
Resolution per turn = 250 PPR
Linear resolution = 0.4 mm = 400 µm
Max. number of turns = 20
Max. measuring length = 2,000 mm (78.74”)
Number of information = 5,000 pulses
Maintenance
The measuring system does not need any particular maintenance; anyway it has to be handled with the utmost care as any delicate electronic equipment.
From time to time we recommend the following operations:
- the unit and the wire have to be cleaned regularly using a soft and clean cloth to remove dust, chips, moisture etc.; do not use oil to clean the wire.
Electrical connection
WARNING
Electrical connection must be carried out by qualified personnel only, with power supply disconnected and mechanical parts compulsorily in stop.
WARNING
If wires of unused signals come in contact, irreparable damage could be caused to the device. Thus they must be cut at different lengths and insulated singularly
I8 cable connection
Function | I8 cable |
A | Yellow |
/A | Blue |
B | Green |
/B | Orange |
0 | White |
/0 | Grey |
+5Vdc +30Vdc | Red |
0Vdc | Black |
Shielding | Shield |
I8 cable specifications
| Model: | LIKA encoder cable type I8 |
| Cross section: | 8 x 0.22 mm2 (24 AWG) |
| Jacket: | PVC, oil and flame retardant |
| Shield: | Tape aluminium/PET, coverage 100% |
| Outer diameter: | 5.1 mm ±0.2 mm / 0.2” ±0.0079” |
| Min. bend radius: | Outer diameter x 10, static application Outer diameter x 15, dynamic application |
| Work temperature: | -20°C +80°C / -4°F +176°F, static application -5°C +70°C / +23°F +158°F, dynamic application, not for continuous use |
| Conductor resistance: | £ 92.5 W/km |
Ground connection
Minimize noise by connecting the shield and the frame to ground. Make sure that ground is not affected by noise. The connection point to ground can be situated both on the device side and on user’s side. The best solution to minimize the interference must be carried out by the user. You are advised to provide the ground connection as close as possible to the encoder.
Output signals
Quadrature signals

Positive counting direction (count up information) when pulling the wire out
NOTE
We advise the complementary signals to be always connected if the subsequent electronic equipment is capable of accepting them. Otherwise each output must be insulated singularly.
WARNING
Connecting /A, /B, or /0 signal wires to each other or to +Vdc or to 0Vdc may cause permanent damage to the unit.
The number of output pulses is proportional to the displacement of the moving unit (axis) the wire is fastened to.
The resolution can be read in the order code:
Order code | Resolution x1 | Resolution x4 |
| SFES1-…-00500… | 0.2 mm / 200 µm | 0.050 mm / 50 µm |
| SFES1-…-00250… | 0.4 mm / 400 µm | 0.100 mm / 100 µm |
| SFES1-…-00200… | 0.5 mm / 500 µm | 0.125 mm / 125 µm |
| SFES1-…-00100… | 1.0 mm / 1000 µm | 0.250 mm / 250 µm |
Resolution x1: reading 1 edge at every period.
Resolution x4: reading 4 edges at every period.
The 0 and /0 signals are generated every 100 mm (i.e. once per revolution).
NOTE
Please consider that the output position value is expressed in pulses. Thus you have then to convert the number of pulses into a linear measuring unit. To convert the position value into millimetres (mm) or micrometres (µm) you have to multiply the number of information by the linear resolution of the encoder expressed in millimetres or micrometres. The linear resolution of the encoder can be easily read in the order code. Anyway it can be got from the following calculation; please consider that the stroke per turn is 100 mm / 3.937”.
The linear resolution results from the following calculation:
| Linear resolution = | Stroke per turn mm |
| Resolution PPR |
Then if you want to know the linear position value you will need to multiply the position value by the linear resolution.
Linear position value = transmitted position * linear resolution
EXAMPLE
Let’s say we are connected to the SFES1-01500-H4-00500 type encoder. The resolution of the measuring device is 500 PPR.
As stated, the linear resolution results from the following calculation:
| Linear resolution = | Stroke per turn mm |
| Resolution PPR |
| Linear resolution= | 100 mm | = 0.2 mm= 200 µm |
| 500 PPR |
Let’s say that the transmitted position value is: 123.
Thus the linear position value will be as follows:
Linear position value = transmitted position * linear resolution
Linear position value = 123 * 0.2 = 24.6 mm = 24,600 µm
Maintenance
The measuring system does not need any particular maintenance; anyway it has to be handled with the utmost care as any delicate electronic equipment. From time to time we recommend the following operations:
- the unit and the wire have to be regularly cleaned using a soft and clean cloth to remove dust, chips, moisture etc.; do not use oil to clean the wire.
Order code
EXAMPLES
Document release | Release date | Description | HW | SW | Installation file version |
| 1.0 | 22.02.2012 | First issue | – | – | – |
| 1.1 | 13.04.2015 | General revision | – | – | – |
| 1.2 | 02.02.2023 | New product name, new order code, Italian and English versions separated | – | – | – |




Lika Electronic
Via S. Lorenzo, 25 • 36010 Carrè (VI) • Italy
Tel. +39 0445 806600
Fax +39 0445 806699
[email protected] • www.lika.biz




















