REGENCY F200B-2 Albany Freestanding Wood Fireplace

Dimensions

RESIDENTIAL INSTALLATION
- Please read this entire manual before you install and use your new wood fire. Failure to follow instructions may result in property damage, bodily injury or even death. Be aware that local Codes and Regulations may override some items in this manual. Check with your local inspector.
- THE APPLIANCE AND FLUE-SYSTEM SHALL BE INSTALLED IN ACCORDANCE WITH AS/NZS 2918:2001 AND THE APPROPRIATE REQUIREMENTS OF THE RELEVANT BUILDING CODE OR CODES.
APPLIANCES INSTALLED IN ACCORDANCE WITH THIS STANDARD SHALL COMPLY WITH THE REQUIREMENTS OF AS/NZS 4013 WHERE REQUIRED BY THE REGULATORY AUTHORITY.
ANY MODIFICATION OF THE APPLIANCE THAT HAS NOT BEEN APPROVED IN WRITING BY THE TESTING AUTHORITY IS CONSIDERED TO BE IN BREACH OF THE APPROVAL GRANTED FOR COMPLIANCE WITH AS/NZS 4013.
CAUTION: MIXING OF APPLIANCE OR FLUE-SYSTEM COMPONENTS FROM DIFFERENT SOURCES OR MODIFYING THE DIMENSIONAL SPECIFICATION OF COMPONENTS MAY RESULT IN HAZARDOUS CONDITIONS. WHERE SUCH ACTION IS CONSIDERED, THE MANUFACTURER SHOULD BE CONSULTED IN THE FIRST INSTANCE. - Select a position for your Regency Heater.
Consult the minimum clearance chart for your model and set the heater in place. For close clearance installation use listed double-wall connector systems. - To ensure vertical alignment, suspend a plumb bob from the ceiling over the exact center of your heater flue and mark a spot on the ceiling to indicate the center of the flue.
- Check that the area above the ceiling is clear for cutting. Re-confirm the clearance from the heater to combustibles to ensure that they are within the prescribed limits.
- Mark the location of the pedestal base on the floor, then move the heater aside and mark the position of the floor protector.
- Install the flue according to the flue manufacturers’ instructions. The performance of your wood fire is governed to a very large part by the flue system. Too short a flue can cause difficult start-up, dirty glass, back smoking when the door is open, and even reduced heat output.
Too tall a flue may prompt excessive draft which can result in very short burn times and excessive heat output. - The floor protector must be of noncombustible material. Refer to page 7 for floor protector clearances.
- When the floor protection is complete, position the heater with the flue collar centered under the installed flue.
- In seismically active areas, Regency recommends that your unit is secured to the floor by using bolt-down holes inside the pedestal.
- Do not connect this unit to a flue serving another appliance.
SAFETY GUIDELINES AND WARNINGS
- Never use petrol, petrol-type lantern fuels, kerosene, charcoal lighter fuel, or similar liquids to start or ‘freshen up’ fire in your heater. Keep all such liquids well away from the heater while it is in use.
- Keep the door closed during operation and maintain all seals in good condition.
- Do not burn any quantities of paper, or garbage, and never burn flammable fluids such as petrol, naptha or engine oil in your heater.
- If you have smoke detectors, prevent smoke spillage as this may set off a false alarm.
- Do not overfire the heater. If the flue connector, flue baffle or heater top begins to glow, you are overfiring. Stop adding fuel and close the draft control. Overfiring can cause extensive damage to your heater including warpage and premature steel corrosion.
Overfiring will void your warranty. - Do not permit creosote or soot build-up in the flue system. Check and clean the flue at regular intervals. Failure to do so can result in a serious flue fire.
- Your Regency heater can be very hot. You may be seriously burned if you touch the heater while it is operating, keeping children, clothing, and furniture away. Warn children of the burn hazard. For safety reasons, a guard around the fire is recommended.
- The heater consumes air while operating, provides adequate ventilation with an air duct or opens a window while the heater is in use.
- Do not connect this unit to a flue serving another appliance.
- Do not use grates or andirons or other methods for supporting fuel. Burn directly on the base or bricks where supplied.
- Open the draft control fully for 10 to 15 seconds prior to slowly opening the door when refueling the fire.
- Do not connect your unit to any air distribution duct.
- Your wood fire should burn dry, standard firewood only. The use of cut timber, plywood, “mill ends”, etc. is not allowed as this fuel can easily overheat your wood fire.
Evidence of excessive overheating will void your warranty. As well, a large portion of sawmill waste is chemically treated timber, which is illegal to burn in many areas. Salt driftwood and chemically treated fire logs also must not be burned in your wood fire. - No combustible material should be closer than the clearances as specified on page 7.
- DO NOT OPERATE WITH BROKEN GLASS.
WARNING
Ensure that curtains, blinds and drapes cannot extend to or anywhere near the fire as this could cause an extremely dangerous operating condition. These must be secured by any means possible. Examples not limited to : If a window or door is opened, the wind/breeze could cause them to move. Physical movement by an adolescent child.
CAST PLATE INSTALLATION
Insert the rear cast plate first and then the side plates ensuring the cutout sections lock in firmly. The bricks can then be placed on the base of the firebox between the cast side and rear plates.
A firebrick is included to extend the life of your heater and radiate heat more evenly.
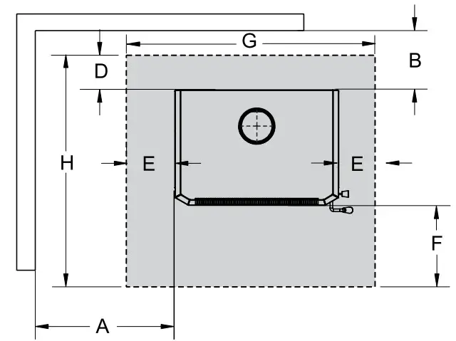
MINIMUM CLEARANCE TO COMBUSTIBLE MATERIALS
| Flo-Met Super Single -(l) | Hawkwind Standard | AHD Special Insulated -(2) | |
| A | 400mm | 400mm | 450mm |
| B | 210mm | 180mm | 300mm |
| C | 200mm | 200mm | 200mm |
| D | 181mm | 181mm | 181mm |
| E | 123mm | 123mm | 123mm |
| F | 400mm | 400mm | 400mm |
| G | 1015mm | 1015mm | 1015mm |
| I-1 | 1120mm | 1120mm | 1120mm |
Floor Protection
A combustible floor must be protected by non-combustible material (like tile, concrete board, or as defined by local codes) extending beneath the heater as follows;
| From Sides: | 123mm |
| From Front: | 400mm |
| From Back: | 181mm |
The floor protector should consist of 6mm thick cement fiber sheet which has a thermal resistance of 0.8m 2 k/w for 4mm sheets of cement fiber sheet.
IMPORTANT
- (1) The Flomet Super Single flue kit must be installed with a 130 o x 900mm stainless reflective shield between deco mesh.
- (2) The AHD Special Insulated flue kit must be installed with a 40mm air gap around the flue to any combustible surfaces and the ceiling ring must be spaced as such to provide an air gap of 20mm to the ceiling. The AHD Special Insulated flue kit must be installed with a perforated ceiling plate and 250mm dia. x 195mm high heatshield positioned directly above the ceiling plate.


The flue pipe shall extend not less than 4.6m above the top of the floor protector.
NOTE: Installation must be carried out by a licensed installer in accordance with AS/NZS 2918:2001.
Maintenance
OPERATING INSTRUCTIONS
With your unit now correctly installed and safety inspected by your local authority, you are now ready to start a fire. Before establishing your first fire, it is important that you fully understand the operation of your draft control.
- CAUTION: THIS APPLIANCE MUST BE MAINTAINED AND OPERATED AT ALL TIMES IN ACCORDANCE WITH THESE INSTRUCTIONS.
- CAUTION: THE USE OF SOME TYPES OF PRESERVATIVE-TREATED WOOD AS A FUEL CAN BE HAZARDOUS.
- WARNING: ANY MODIFICATION OF THE APPLIANCE THAT HAS NOT BEEN APPROVED IN WRITING BY THE TESTING AUTHORITY IS CONSIDERED AS BREACHING AS/NZS 4013.
- WARNING: DO NOT USE FLAMMABLE LIQUIDS OR AEROSOLS TO START OR REKINDLE THE FIRE.
- WARNING: DO NOT USE FLAMMABLE LIQUIDS OR AEROSOLS IN THE VICINITY OF THIS APPLIANCE WHEN IT IS OPERATING.
- WARNING: DO NOT STORE FUEL WITHIN HEATER INSTALLATION CLEARANCES.
- WARNING: OPEN AIR CONTROL (AND DAMPER WHEN FITTED) BEFORE OPENING THE FIRING DOOR.
For safety reasons and in order to avoid overfiring your unit do not burn your fire with the door open or ajar.
3 Speed Internal Fan Wiring Diagram (240V)
AIR SLIDE CONTROL
Both the primary and air wash drafts are controlled by the control rod located on the right side of the unit (when facing the unit). To increase your draft – pull open, and to decrease – push closed. All units have a second draft system that continually allows combustion air to the induction ports at the top of the firebox, just below the flue baffle. 
WARNING: To build a fire in ignorance or to disregard the information contained in this section can cause serious permanent damage to the unit and void your warranty.
FIRST FIRE
When your installation is completed and inspected you are ready for your first fire.
- Open control fully.
- Open the firebox door and build a small fire using paper and dry kindling on the firebrick hearth. Secure the door on the firebox and wait a few minutes for a good updraft in the flue to establish the fire. (Leaving the door slightly open will help your fire start more rapidly.)
CAUTION: Never leave the unit unattended if the door is left open. This procedure is for fire start-ups only, as the unit may overheat if the door is left open for too long. - With the draft still in the fully open position add two or three seasoned logs to your fire.
Form a trench in the ash bed to allow air to reach the rear of the firebox prior to closing the door. - After about 45 minutes, when your wood has begun to burn strongly, adjust your draft control down to keep the fire at a moderate level.
WARNING: Never build a roaring fire in a cold heater. Always warm your heater up slowly! - Once a bed of coals has been established on the base of the firebox, you may adjust the draft control to a low setting to operate the unit at its most efficient mode.
- During the first few fires, keep the combustion rate at a moderate level and avoid a large fire. Only after 5 or 6 such fires can you operate the heater at its maximum setting, and only after the metal has been warmed.
- For the first few days, the heater will give off an odor from the paint. This is to be expected as the high-temperature paint becomes seasoned. Windows and/or doors should be left open to provide adequate ventilation while this temporary condition exists. Burning the heater at a very high temperature the first few times may damage the paint. Burn fires at a moderate level the first few days.
- Do not place anything on the heater top during the curing process. This may result in damage to your paint finish.
- During the first few days it may be more difficult to start the fire. As you dry out your firebrick and your masonry flue, your draft will increase.
- For those units installed at higher elevations or into sub-standard masonry fireplaces, drafting problems may occur. Consult an experienced dealer or mason on methods of increasing your draft.
- Some cracking and popping noises may be experienced during the heating-up process. These noises will be minimal when your unit reaches temperature.
- Before opening your door to reload, open the draft fully for approximately 10 to 15 seconds until the fire has been re-established.
This will minimize any smoking. - All fuel-burning appliances consume oxygen during operation. It is important that you supply a source of fresh air to your unit while burning. A slightly opened window is sufficient for the purpose. If you also have a fireplace in your home, a downdraft may be created by your Regency Heater causing a draft down your flue. If this occurs, slightly open a window near your unit.
CAUTION: If the body of your unit, flue baffle or any part of the flue connector starts to glow, you are overfiring. Stop loading fuel immediately and close the draft control until the glow has completely subsided. - Green or wet wood is not recommended for your unit. If you must add wet or green fuel, open the draft control fully until all moisture has been dispersed by the intense fire. Once all moisture has been removed, the draft control may be adjusted to maintain the fire.
- If you have been burning your heater on a low draft, use caution when opening the door. After opening the damper, open the door a crack, and allow the fire to adjust before fully opening the door.
- The controls of your unit or the air supply passages should not be altered to increase firing for any reason.
- If you burn the unit too slowly or at too low a setting your unit will not be operating as efficiently as it can. An easy rule of thumb says that if your glass is clean, then your flue is clean and your exhaust is clean.
Burn the heater hot enough to keep your glass clean and you won’t need to clean your flue as often.
CREOSOTE
When wood is burned slowly, it produces tar and other organic vapors, which when combined with moisture, form creosote. The creosote vapors condense in the relatively cool flue of a slow-burning fire. As a result, creosote residue accumulates on the flue lining. When ignited, this creosote can result in an extremely hot fire.
WARNING: Things to remember in case of a flue fire:
- Close all draft and damper controls.
- CALL THE FIRE DEPARTMENT.
Ways to Prevent and Keep Units Free of Creosote
- Burn heater with the draft control wide open for about 10-15 minutes every morning during burning season.
- Burn the heater with the draft control wide open for about 10 – 15 minutes every time you apply fresh wood. This allows the wood to achieve the charcoal stage faster and burns up any unburned gas vapors which might otherwise be deposited within the system.
- Only burn seasoned wood! Avoid burning wet or green wood. Seasoned wood has been dried at least one year.
- A small hot fire is preferable to a large smoldering one that can deposit creosote within the system.
- The flue and flue connector should be inspected at least once every two months during the heating season to determine is a creosote buildup has occurred.
- Have the flue system and unit cleaned by competent flue sweeps twice a year during the first year of use and at least once a year thereafter or when a significant layer of creosote has accumulated (3 mm) it should be removed to reduce the risk of a flue fire.
WOOD STORAGE
Store wood under cover, such as in a shed, or covered with a tarp, plastic, tar paper, sheets of scrap plywood, etc., as uncovered wood can absorb water from rain or snow, delaying the seasoning process.
It is very important to carefully maintain your heater, including burning seasoned wood and maintaining a clean heater and flue system. Have the flue cleaned before the burning season and as necessary during the season, as creosote deposits may build up rapidly. Moving parts of your heater require no lubrication. The integrity of all heater parts including baffle plates, cast iron liners, fire bricks, air tubes, air bars, door rope seals, and door glass is imperative for the correct operation and longevity of your Regency Wood heater. They should be inspected on a regular basis and replaced if they show any signs of undue wear or damage. Failure of any of these components can damage the heater and void the warranty.
GLASS MAINTENANCE
Your Regency heater is supplied with 5 mm Neoceram ceramic glass that will withstand the highest heat that your unit will produce. In the event that you break your glass by impact, purchase your replacement from an authorized Regency dealer only, and follow our step-by-step instructions for replacement.
Allow the heater to cool down before cleaning the glass, do not clean the glass when it is hot.
Do not use abrasive cleaners.
DOOR LATCH ADJUSTMENT
The door latch may require adjustment as the door gasket material compresses over time.
Follow the steps below to allow the latch to be moved closer to the door frame, causing a tighter seal;
- Unscrew the latching sleeve.
- Remove the Allen screw.
- Spin the door handles clockwise to the desired depth.
- Re-install Allen screw and latching sleeve.
- Adjust the set screw to the proper depth to ensure that the handle does not rotate 360 degrees.

Note: Thermodisc (temp. switch) in the fan control circuit. Heater/ Thermodisc must come up to operating temperature for fan to operate.

Parts list
HEATER ASSEMBLY

| Part # | Description | |
| 1 | 1160106 | Baffle Top |
| 2 | 1160118 | Securing Pins |
| 3 | 1170202 | Panel Outer Side Left |
| 4 | 1170203 | Panel Outer Side Right |
| 5 | 1172001 | Top Plate/ Panel |
| 6 | 1172004 | Rear Panel |
| 7 | 8010301 | Bricks Set (Set 9) |
| 8 | 8010302 | Liner Cast Iron (Set) |
| 9 | 8010303 | Liner Cast Iron Sides (L & R) |
| 10 | 8010305 | Liner Cast Iron Back |
| 11 | 8010306 | Air Bar Stainless Steel |
| 12 | 8010307 | Glass Neoceram With Glass Gasket |
| 13 | 8010313 | Door Assembly (without handle) |
| 14 | 8010309 | Air Slide |
| 15 | 8010310 | Ash Lip Panel |
| 16 | 8010114 | Door Handle Set |
| 17 | 300-917 | Fan Assembly |
| 18 | 1172003 | Pedestal Assembly |
| 19 | 936-060 | Door rope seal 5 ft .6″ (not shown) |
Warranty
Limited Warranty
FPI Fireplace Products International Ltd. (“the manufacturer”) through its wholly owned subsidiary, Fireplace Products Australia Pty Ltd (for Australia and New Zealand customers) and sold under the Regency® brand of fireplace products (collectively referred to herein as “FPI”), extends this Limited Warranty to the original purchaser of this appliance provided the product remains in the original place of installation. The items covered by this limited warranty and the period of such coverage is set forth in the table below.
Some conditions apply (see below).
The policy is not transferable, amendable or negotiable under any circumstances.![]()
| Wood Products | Component Coverage | Labor Coverage | |||
| Components Covered | 15 years | 2 years | 1 year | Warranty | (Years) |
| Welded Firebox Steel | 5 | ||||
| All Stainless Steel Components, Smoke Deflectors, Heat Shields etc. | 1 | ||||
| Air Tubes | 1 | ||||
| Airmate | 1 | ||||
| Door handle and latch assembly, all hardware | 1 | ||||
| Glass Thermal Breakage Only | 1 | ||||
| Steel Faceplates, Accessory Housings | 1 | ||||
| All Plating | 1 | ||||
| Ash Drawer, Heatshields, Pedestal | 1 | ||||
| All Baffles-Steel, Ceramic, Vermiculite | 1 | ||||
| All castings, firebox, surrounds, doors, panels etc. | 1 | ||||
| All Electrical, Fans, wiring, switches etc. | 1 | ||||
| Glass – Crazing | 1 | ||||
| Catalyst Assembly (see below for specific details) | 6 Years Prorated | 3 | |||
| Flue components | 1 | ||||
| Firebricks | Nil | Nil | |||
After the original warranty coverage for any of the parts above have expired, any repair and/or replacement parts purchased by the consumer from FPI or through an accredited distributor or dealer will carry a ninety (90) day warranty (valid only with an original copy of the tax invoice). No labor coverage is included with any repair and/or replacement part.
Replacement parts are limited to one per warranty term. Airtube and baffle replacements are limited to one replacement per term.
Catalyst Assembly
IMPORTANT WARRANTY INFORMATION FOR UNITS WITH A CATALYTIC CONVERTER
FPI will replace, at no charge to the consumer, ‘one’ catalytic converter that ceases to function within three (3) years from the date of purchase by the original consumer, provided that the following conditions are met:
- The catalytic converter must not have been mechanically abused
- Only recommended fuels have been used in the appliance
If after three (3) years the catalytic converter fails to function, a prorated warranty will provide for replacement at the following fee schedule to be paid by the consumer*:
- Year 4…………………$90*
- Year 5…………………$100*
- Year 6…………………$110*
* Prices subject to change without notice. Conditions (1) and (2) above also apply for prorated warranty periods.
AFTER YEAR SIX (6), THE CONSUMER MUST PURCHASE ANY CATALYTIC CONVERTERS THAT NEED REPLACEMENT AT THE CURRENT RETAIL PRICE, AND WILL BE RESPONSIBLE FOR ANY LABOUR COSTS TO REMOVE AND/OR SERVICE.
LABOR WILL ONLY BE COVERED ON THE CATALYTIC CONVERTER FOR THE FIRST THREE (3) YEARS.
Conditions:
The warranty protects against defects in the manufacture or FPI factory-assembled components only, unless herein specified otherwise. This warranty will only apply to those products which are acquired at the time of this warranty being effective. FPI will not be liable for any damage or loss that falls outside the scope of the warranty.
Any part(s) found to be defective during the warranty period as outlined above will be repaired or replaced at FPI’s option through an accredited distributor, dealer or pre-approved and assigned agent provided that the defective part is returned to the distributor, dealer or agent for inspection if requested by FPI. Alternatively, FPI may at its own discretion fully discharge all of its obligations under the warranty by refunding the verified purchase price of the product to the original purchaser. The purchase price must be confirmed by an original copy of the tax invoice.
The authorized selling dealer, or an alternative authorized FPI dealer if pre-approved by FPI, is responsible for all in-field diagnosis and service work related to all warranty claims. This warranty does not cover dealer travel costs for diagnostic or service work. Dealers may charge homeowners for travel and additional time. Check with your selling dealer in advance for any costs to you when arranging a warranty call. FPI is not responsible for the results or costs of workmanship of unauthorized FPI dealers or agents in the negligence of their service work. Additional service fees may apply if you are seeking warranty service from a dealer other than the dealer from whom you originally purchased the product.
At all times FPI reserves the right to inspect reported complaints on location in the field claimed to be defective and determine whether the warranty will apply prior to processing or authorizing of any claim. Failure to allow this upon request will void the warranty.
All warranty claims must be submitted by the dealer servicing the claim, including an original copy of the tax invoice (proof of purchase by you). All claims must be complete and provide full details as requested by FPI to receive consideration for evaluation, including proof of maintenance records. Incomplete claims may be rejected.
FPI has absolute discretion to assess and determine any warranty claim and may accept or reject a claim as it considers appropriate. Any part or parts of the unit found to be defective will be repaired or replaced at FPI’s option, through an accredited distributor or service agent provided that the defective part be returned to the distributor or agent, Transportation Prepaid if requested. It is the general practice of FPI to charge for larger, higher-priced replacement parts and issue credit once the replaced component has been returned to FPI and evaluated for manufacturer defect.
If a consumer has a unit installed outside an accredited distributor, dealer or pre-approved service agent’s service area, or the closest approved service agent is situated more than thirty (30) kilometers from the installation, FPI is not obliged to arrange warranty repairs or shipping/transportation costs. In these cases, the consumer must arrange warranty service with its selling dealer, and shipping, travel, and/or additional labor charges will apply.
The unit must be installed according to all manufacturers’ instructions as per the manual.
All Local and National required codes must be met.
The installer is responsible to ensure the unit is operating as designed at the time of installation.
The original purchaser is responsible for annual maintenance of the unit, as outlined in the owner’s manual. As outlined below, the warranty may be voided due to problems caused by lack of maintenance. Annual maintenance records should be retained.
Exclusions:
This Limited Warranty does not extend to paint, rust or corrosion of any kind due to a lack of maintenance or improper venting, combustion air provision, corrosive chemicals (i.e. chlorine, salt, air, etc.), firebrick (rear, sides or bottom), door or glass gasket, or any other additional factory fitted gasket.
Malfunction, damage or performance-based issues as a result of environmental conditions, location, chemical damages, downdrafts, installation error, an installation by an unqualified installer, incorrect chimney components (including but not limited to cap size or type), operator error, abuse, misuse, use of improper fuels (such as unseasoned timber, mill-ends, construction timber or debris, off-cuts, treated or painted timber, tea tree, metal or foil, plastics, garbage, solvents, cardboard, coal or coal products, oil-based products, waxed cartons, compressed pre-manufactured logs), accidents, lack of regular maintenance and upkeep, acts of God, weather-related problems from hurricanes, tornados, earthquakes, floods, lightning strikes/bolts or acts of terrorism or war, which result in a malfunction of the appliance are not covered under the terms of this Limited Warranty.
FPI has no obligation to enhance or modify any unit once manufactured (i.e. as products evolve, field modifications or upgrades will not be performed on existing appliances).
Any unit showing signs of neglect or misuse will not be covered under the terms of this warranty policy and may void this warranty. This includes units with rusted or corroded fireboxes which have not been reported as rusted or corroded within three (3) months of installation/purchase. Any alteration to the unit which causes sooting or carboning that results in damage to the exterior fascia or overfiring that can cause component or firebox/heat exchanger failure will not be covered by this warranty.
Units that show evidence of being operated while damaged, or with problems known to the purchaser and causing further damages will void this warranty.
Units where serial no. has been altered, deleted, removed or made illegible will void this warranty.
Minor movement, expansion and contraction of the steel is normal and is not covered under the terms of this warranty.
Freight damages for products or parts are not covered under the terms of the warranty.
Porcelain/Enamel: Absolute perfection is neither guaranteed nor commercially possible. Any chips must be reported and inspected by the authorized selling dealer within three (3) days of installation. Any damage of this type not reported after this time period will be subject to rejection and any related warranty will not apply.
Special Finishes: Expect some changes in color as the product “ages” with constant heating and cooling. The manufacturer warranty does not cover tarnishing, changing colors and/or marks (i.e. fingerprints, etc.) after the purchase of the product. Damage from the use of abrasive cleaners is not covered by warranty.
Products made or provided by other manufacturers and used in conjunction with the FPI appliance without prior authorization from FPI may void this warranty.
INCORRECT INSTALLATION IS NOT COVERED BY WARRANTY. A SERVICE OR CALLOUT FEE WILL BE CHARGED IN THESE CIRCUMSTANCES.
Limitations of Liability:
- Exclusion of implied terms
The customer may have the benefit of consumer guarantees under the Australian Consumer Law. To the maximum extent permitted by law, all terms, conditions or warranties that would be implied into this Warranty or in connection with the supply of any goods or services by the supplier under law or statute or custom or international conventions are excluded. - Limitation of liability
- (a) To the maximum extent permitted by law and subject to clauses 1 and 3, the supplier’s total liability arising out of or in connection with its performance or its obligations pursuant to this Warranty, or arising out of or in connection with the supply of specific goods or services (including pursuant to or for breach of this Warranty, under the statute, in equity or for tort, including negligent acts or omissions) is limited as follows: (i) the supplier shall have no liability to the customer for any Consequential Loss; (ii) without limiting the effect of clause 2(a)(i), the supplier’s total aggregate liability for Loss, however arising, shall not exceed the GST exclusive aggregate price paid by the customer to the supplier for the specific goods or services that gave rise to the Loss in question.
- (b) The limitations and exclusions in this sub-clause do not apply to the extent that any Loss is directly attributable to: (i) the personal injury or death caused by the supplier’s default, breach of this Warranty or negligence; or (ii) fraud by the supplier.
- (c) Each party must take reasonable steps to mitigate any Loss it suffers or incurs.
- Limitation of liability under Australian Consumer Law Guarantees
- (a) To the extent that goods supplied by the supplier are not goods of a kind ordinarily acquired for personal, domestic or household use and the customer is deemed to be a consumer for the purposes of section 64A of the Australian Consumer Law, the customer agrees that the supplier’s liability for a failure to comply with a consumer guarantee that the customer may have a benefit under the Australian Consumer Law (other than a guarantee under sections 51 (title), 52 (undisturbed possession) and 53 (undisclosed securities)), is limited to, at the option of the supplier, one or more of the following: (i) replacement of the goods or the supply of equivalent goods; (ii) the repair of the goods; (iii) the payment of the cost of replacing the goods or of acquiring equivalent goods; or (iv) equivalent goods; or (v) the payment of the cost of having the goods repaired.
- (b) To the extent that services supplied by the supplier are services other than services of a kind ordinarily acquired for personal, domestic or household use or consumption, the supplier’s liability for failure to comply with a consumer guarantee that the customer may have the benefit of is limited to, at the option of the supplier: (i) the supply of the services again; or (ii) the payment of the cost of having the services supplied again.
- Subject to Change
This Limited Warranty is given at the time of sale and purchase of the relevant fireplace product. The terms of this Limited Warranty may be amended from time to time by FPI in accordance with changes to business practices, consumer laws or other legal requirements. The rights and protections granted under the Limited Warranty are those in force in relation to a fireplace product at the time and in the place of sale of that product, and only those terms will be applicable in respect of that product. - Severability
Any term of this Limited Warranty that is invalid or unenforceable in any jurisdiction is to be read down for the purposes of that jurisdiction, if possible, so as to be valid and enforceable and is otherwise capable of being severed to the extent of the invalidity or unenforceability, without affecting the remaining provisions of this Limited Warranty or affecting the validity or enforceability of that provision in any other jurisdiction. - Definitions
For purposes of clauses 1, 2 and 3:- (a) Consequential Loss means loss of expected savings, loss of use, loss of opportunity, loss of profit, loss of revenue, increased financing costs, loss arising from delay, or any consequential, special or indirect loss or damage, whether or not the possibility or potential extent of the loss or damage was known or foreseeable, and whether arising from a claim under an indemnity, contract, tort (including negligence), statute or otherwise.
- (b) Loss means any expense, cost or damage of any kind and includes Consequential Loss and a fine or penalty imposed by a statutory or other authority.
How to Obtain Warranty Service:
Customers should contact the authorized selling dealer to obtain warranty service. In the event the authorized selling dealer is unable to provide warranty service, please contact FPI by mail at the address listed below. Please include your name, address, purchase date, selling dealer, serial #, type of unit, a brief description of the problem, email and telephone contact information, and a copy of your original tax invoice. A representative will contact you to make arrangements for an inspection and/or warranty service. (See below for Western Australia and/or New Zealand)
Please note Fireplace Products Australia Pty Ltd does not provide installation services.
Fireplace Products Australia Pty Ltd
99 Colemans Road
Dandenong South, VIC
Australia, 3175
Phone: +61 3 9799 7277
Fax: +61 3 9799 7822
To obtain warranty service in Western Australia and/or New Zealand, please contact one of our authorized distributors in those areas:
| Western Australia: Air Group Australia 28-30 Division St. Welshpool, WA Australia, 6106 Phone: (08) 9350 2200 Fax: (08) 9353 4225 | New Zealand: Aber Holdings Ltd PO Box 10095 Te Rapa, Hamilton New Zealand, 3241 Freephone: 0800 161 161 |
Product Registration and Customer Support:
Thank you for choosing Regency Fireplace. Regency strives to be a world leader in the design, manufacture, and marketing of hearth products. To provide the best support for your product, we request that you complete a product registration form at http://www.regency-fire.com.au/Customer-Care/Warranty-Registration.aspx within ninety (90) days of purchase.
Product Registration and Customer Support:
Thank you for choosing Regency Fireplace. Regency strives to be a world leader in the design, manufacture, and marketing of hearth products. To provide the best support for your product, we request that you complete a product registration form found on our Web Site under Customer Care within ninety (90) days of purchase.
For purchases made in CANADA or the UNITED STATES:
http://www.regency-fire.com/Customer-Care/Warranty-Registration.aspx
For purchases made in AUSTRALIA:
http://www.regency-fire.com.au/Customer-Care/Warranty-Registration.aspx
You may also complete the warranty registration form below to register your Regency Fireplace Product and mail and/or fax it back to us, and we will register the warranty for you. It is important you provide us with all the information below in order for us to serve you better.
Warranty Registration Form (or Register online immediately at the above Web Site):
| Warranty Details | |
| Serial Number (required): | |
| Purchase Date (required) (mm/dd/yyyy): | |
| Product Details | |
| Product Model (required): | |
| Dealer Details | |
| Dealer Name (required): | |
| Dealer Address: | |
| Dealer Phone #: | |
| Installer: | |
| Date Installed (mm/dd/yyyy): | |
| Your Contact Details (required) | |
| Name: | |
| Address: | |
| Phone: | |
| Email: | |
| For purchases made in CANADA: FPI Fireplace Products International Ltd. 6988 Venture St. Delta, British Columbia Canada, V4G 1H4 Phone: 604-946-5155 Fax: 1-866-393-2806 | For purchases made in the UNITED STATES: Fireplace Products US, Inc. PO Box 2189 PMB 125 Blaine, WA The United States, 98231 Phone: 604-946-5155 Fax: 1-866-393-2806 | For purchases made in AUSTRALIA: Fireplace Products Australia Pty Ltd 99 Colemans Road Dandenong South, Vic. 3175 Australia Phone: +61 3 9799 7277 Fax: +61 3 9799 7822 |
For fireplace care and tips and answers to the most common questions please visit our Customer Care section on our Web Site.
Please feel free to contact your selling dealer if you have any questions about your Regency product.
















