Yealink ZVC Series Zoom Rooms Kit User Guide
Package Contents
Yealink ZVC640 Zoom Rooms Package
- UVC84

- 2.5m USB Cable

- 7.5m Ethernet Cable

- Power Adapter 48V/0.7A

- Mounting Bracket and Accessories

- Velcro×5

- VCR20 Remote Control

- Quick Start Guide

UVC84 Package (Camera)
- CP960 Zoom Rooms Edition

- Ethernet Cable (7.5m CAT5E UTP cable)

- PoE Adapter

- Quick Start Guide

CP960 Package
- MCore

- 1.8M HDMI Cable×2

- Bracket

- Power Adapter

- Velcro×2

- Expansion Screws and Machine Screws

- Screwdriver

- Quick Start Guide

MCore Package (Mini-PC)
- MShare

- 7m USB Cable

- 1.2m HDMI Cable and 1.2m Mini-DP Cable (for content sharing)

- 3M Cable Tie Mounting Base×2

- Cable Ties×2

- Velcro×2

- Quick Start Guide

(Optional) MShare Package
- Pen Holder

Yealink ZVC300 Zoom Rooms Package
- UVC30 Room

- Camera Lens Privacy Cover

- Mounting Bracket and Accessories

- Screwdriver

- Quick Start Guide

UVC30 Room Package
- CP960 Zoom Rooms Edition

- Ethernet Cable (7.5m CAT5E UTP cable)

- PoE Adapter

- Quick Start Guide

CP960 Package
- MCore

- 1.8M HDMI Cable×2

- Bracket

- Power Adapter

- Velcro×2

- Expansion Screws and Machine Screws

- Screwdriver

- Quick Start Guide

MCore Package (Mini-PC)
- MShare

- 7m USB Cable

- 1.2m HDMI Cable and 1.2m Mini-DP Cable (for content sharing)

- 3M Cable Tie Mounting Base×2

- Cable Ties×2

- Velcro×2

- Quick Start Guide

(Optional) MShare Package
- Pen Holder

Tip: We recommend that you use the accessories provided or approved by Yealink. The use of unapproved third-party accessories may result in poor performance.
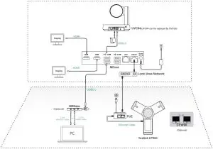
Overview of Yealink Solution for Zoom Rooms
After connecting the CP960 running Zoom Rooms version to the same LAN as the MCore, you can take it as Zoom Rooms controller, speaker, and microphone.
Yealink Plugin for Zoom Rooms and Zoom Rooms app have been installed on the MCore.
And the UVC84/UVC30 camera is Plug-and-play.
Make sure your phone and MCore can access the Internet.

Tip: The CP960 should be powered by PoE adapter (54V/0.56A) or PoE switch. All devices are powered separately.
The cable should be replaced at once if its skin is broken.
Assembling the CP960
- 1a. Connect the power and wired network.

- 1b. Connect the power and wireless network.

Refer to Wireless Network Connection mentioned below in Configuring Your CP960 for more information.
- 1a. Connect the power and wired network.
- (Optional).Connect the wireless microphone.

Step:- Put the CPW90 on the charging cradle.
- Connect the micro USB port on the charging cradle to the USB port on the CP960 using a 0.3m USB cable.
The CPW90 enters the registration mode automatically.
And the mute LED indicator on the CPW90 fast flashes yellow. - Swipe down from the top of the CP960 touch screen and then
tap Settings->MIC-> + . - Long press the mute key on the CPW90 for 5 seconds.
The CPW90 is registered with the CP960 conference phone automatically.
Tip: For more information about the instructions of Mute LED indicator on the CPW90, refer to Yealink CPW90 Quick Start Guide.
Connecting the MCore

For convenience, we recommend that you connect a wireless USB dongle to the back of the MCore to use mouse and keyboard to manage devices.
For more information on how to assemble and install the MCore, refer to Yealink MCore Quick Start Guide (EN, CN).
Pairing the Zoom Rooms with CP960
Before using CP960 as the Zoom Rooms controller, you need to pair the CP960 (preload the Zoom
Rooms Controller) with the MCore (preload the Zoom Rooms app).
Ensure that the plugin is in operation.
Procedure
- After the MCore is powered on, the Zoom Rooms app will be started automatically.
The pairing code will be displayed on the screen. Otherwise, you need to open the Zoom Rooms app manually.
Starting the MCore for the first time may take a long time to configure the Windows system, and you need to connect the wireless keyboard and mouse to complete the initial configuration. - Enter the pairing code on the touch screen of the CP960.
Then the CP960 (Zoom Rooms Controller) is paired with the MCore (Zoom Rooms app) successfully.
Using CP960 as an Audio Input and Output Device
After pairing your CP960 with the MCore, you can use it as a default audio input and output device for the system.
- Tap
on the touch screen. - Disable Lock Settings.
You need to enter the room password to change the setting.
- Tap the Microphone field and then select Echo Cancelling Speakerphone (Yealink CP960 Speakerphone) as your audio input device from the SOURCE field.
- Tap the Speaker field and then select Echo Cancelling Speakerphone (Yealink CP960 Speakerphone) as your audio output device from the SOURCE field.

Generally, you can use the Yealink solution for Zoom Rooms after pairing your phone with the MCore and setting your phone as an audio input and output device.
For more information about your phone and Yealink Plugin for Zoom Rooms, read below.
Using CP960 as Zoom Rooms Controller
After pairing your CP960 with the MCore, you can use it as a Zoom Rooms controller.
Signing into your Zoom account on your phone
- Tap
Sign In on the touch screen. - Enter the email and password.
- Tap Sign In.
The account is signed into the Zoom Room app synchronously.
Basic features on the home screen of the phone:
After you sign into an account on your phone, more features are available on the phone.

- Meet Now: Tap Meet Now to create an instant meeting.
- Join: Tap Join to join a meeting by entering the meeting ID or personal link name.
- Phone: Tap Phone to place a call.
- Presentation: Tap Presentation to start a presentation.
: Tap
to check the status of the connected microphone, speaker and camera, and configure basic settings.
You can also view the Controller version, Zoom Rooms version and Controller IP at the path of
->About.- Camera Control: During a meeting, tap Camera Control to control the camera.
Configuring Your CP960
Configuring via web user interface Accessing the web user interface:
- Swipe down from the top of the screen to enter the device setting screen.
- Tap Status to obtain the IP address of the phone.
- Open a web browser on your computer, enter the IP address into the address bar (For example., “http://192.168.0.10” or “192.168.0.10”).
- Enter the user name (default: admin) and password (default: admin) in the login page and then click Login.
Network Settings: On the web user interface, click Network->Basic.
Customizing your phone: On the web user interface, click Settings to configure the time and date.
Click Settings->Preference to set the backlight active level and time.
Configuring via phone user interface
Device Settings of the CP960:
Swipe down from the top of the screen to enter the device setting screen.

Network Settings: On the device setting screen, tap Settings->Advanced Settings (default password: admin)->Network.
Wireless Network Connection:
- On the device setting screen, tap Settings->Basic Settings->Wi-Fi.
- Turn Wi-Fi on.
The phone will automatically search for available wireless networks in your area. - Tap an available wireless network from the list of networks.
- If the network is secure, enter its password in the Password field and then tap Connect.
Setting the signal port of Yealink Plugin: On the device setting screen, tap Settings-> Advanced Settings (default password: admin)->Yealink Plug-in Settings->Signal Port.
Customizing your phone: On the device setting screen, tap Settings->Basic Settings-> Language & Input to set the language and input for the phone. Tap Settings->Basic Settings-> Display to set the backlight active level, backlight time, screensaver wait time and screensaver type.
Using Hybrid Mode
Yealink Solution for Zoom Rooms supports the hybrid mode that allows you to switch between SIP mode and Zoom Rooms mode to experience Zoom video conferences as well as SIP calls and conferences. In SIP mode, you can use basic call features, including placing/answering calls, initiating a conference, recording calls, and so on.
Enabling the Hybrid Mode
- On the device setting screen, tap Settings->Advanced Settings (default password: admin).
- Turn Hybrid Mode on.
It prompts that if you are sure to switch mode. - Tap OK.
This configuration will take effect after a reboot.
Switching Between SIP Mode and Zoom Rooms Mode
After the hybrid mode enabling, you can switch between SIP mode and Zoom Rooms mode quickly on the phone when you are not in a call.
- Under the Zoom Rooms mode, tap the floating circle to switch to the SIP mode.
- Under the SIP mode, tap the floating circle or tap the Zoom Rooms app icon to switch back to the Zoom Rooms mode.
Wireless Content Sharing
You can use Yealink WPP20 wireless presentation pod for wireless content sharing. You need to purchase WPP20 separately.
Make sure the MShare is connected to the MCore.
Procedure

- Connect the WPP20 to the USB port of the MShare.
- Wait for about 3 seconds, the WPP20 LED indicator glows green.
The WPP20 is paired with the MShare successfully. - Connect the WPP20 to the PC.
Devices Management
ZoomRooms account is the default account from which the Zoom Rooms app runs. Only the ZoomRoomsAdmin account has access to return to the desktop of the MCore to manage the devices.
After switching the user account to ZoomRoomsAdmin, you can enable Windows Update service to update the devices
And we also support updating the firmware for CP960 via web user interface or on the Yealink device management platform. For more information on how to update a batch of phones on the Yealink device management platform, please go to http://support.yealink.com, and then click Download->Service->
Device Management Platform/Management Cloud Service to see the administrator guide.
Switching to the ZoomRoomsAdmin Account
- Press Ctrl+Alt+Delete and then select Sign out.
- Click the ZoomRoomsAdmin account from the bottom-left corner and then enter the password (default: zoom123) to return to the desktop of the MCore.
Tip: The default password required to switch back to the ZoomRooms account is zoom123.
Enabling Windows Update Service
- Open a command prompt Windows on your MCore.
- Type services.msc, and press Enter.
- Find Windows Update service, and double-click to open Properties.
- Enable Windows Update service from the Startup type field.
- Click OK.
Update the Devices
The devices can be upgrade manually or can be automatically upgraded if you enable automatically Windows Update.
Enabling Automatically Windows Update
- Click the Start button, and then go to Settings->Upgrade & Security->Windows Update, and select Advanced options.
- Enable Automatically download updates, even over metered data connections (charge may apply).
Manually Windows Update
Do one of the following:
- Press the Windows key + X or right-click the Start to open the Power User Menu.
- Click Device Manager.
- Right click the desired device and then select Update driver.
- Select a desired way to update.
- Click the Start button, and then go to Settings->Upgrade & Security->Windows Update, and select Check for updates.
Select the plugin or UVC84/UVC30 camera and then complete the installation.







































































