ALORAIR HD35P Sentinel Instruction Manual
Warranty Registration
Congratulations on purchasing a new Sentinel Dehumidifier. Your new dehumidifier comes with an extensive warranty plan. To register, simply fill out and return the warranty form provided in the dehumidifier box.
Be sure to note your dehumidifier serial number as you will need it for registration.
Safety Notes
- The Sentinel Series Dehumidifier must always be connected using a grounded electrical connection (as required for all electrical appliances). If non-grounded wiring is used, all | iability reverts to owner and the warranty is voided.
- Sentinel Dehumidifiers should only be maintained and repaired by a qualified technician.
- Sentinel Dehumidifiers are only intended for operation when oriented with the unit sitting on its feet and level. Operating the unit in any other orientation could allow water to flood electrical components.
- Always unplug dehumidifier before moving.
- If there is a chance that water flooded the dehumidifier, it should be opened and allowed to dry thoroughly before reconnecting to electrical power and restarting.
- To ensure proper operation, neither the inlet nor discharge should be positioned against a wall. The inlet requires a minimum of 6′ clearance and the discharge requires a minimum of 6′ clearance.
- For better use of the dehumidifier, both air inlet and air outlet should be facing the open area of the space.
- Do not insert your fingers or any object into the inlet or discharge.
- All work on the dehumidifier should be done with the unit “off” and unplugged.
- Do not use water to clean the exterior of the machine. To clean unit, unplug from power, then use a damp cloth to wipe exterior.
- Do not stand on the machine or use it as a device to hang clothes.
Identification
For future reference, write down the model, serial number, and date of purchase for your dehumidifier. This is extremely helpful if you need to seek assistance in the future. The data label on the side of your unit has the key characteristics of your specific machine.
Model Number: Sentinel HD35P
Serial Number:———————– Date of Purchase:—————————–
For additional questions concerning your dehumidifier, the following options are available:
- Contact your installing contractor
- E-mail: [email protected]
Electrical Supply
- Power Supply: 115V, 60 Hz AC, Single Phase
- Outlet Requirement: 3-Prong, GFCI
- Circuit Protector: 15 Amp
WARNING240 Volts AC may cause serious injury from electric shock.
To reduce risk of injury:
- Disconnect electrical power before servicing .
- Only plug unit into grounded electrical circuit..
- Do not use an extension cord.
- Do not use a plug adapter.
Principle of Operation
The Sentinel Series Dehumidifier utilizes its integral humidistat to monitor the conditioned space. When the relative humidity goes above the selected set point, the dehumidifier will energize. Air is drawn across an evaporator coil, which is cooler than the dew point of air. This means moisture will condense out of the air. The air is then reheated through the condenser coil and distributed back into the room.
Installation
The area to be controlled should be sealed with a vapor barrier. If unit is installed in a crawlspace, all vents should be sealed.
WARNING Do not install your dehumidifier in a corrosive environment. Some liquid vapor barriers dry via “solvent evaporation”. Always make sure that barrier is completely dry and area is throughly ventilated before installing dehumidifier.
Step #1: Place dehumidifier on a level surface.
Do not place directly on vapor barrier. For example, use blocks, or pavers to create a level surface. If the unit is handled in such a manner that the compressor did not remain in the upright posi you will need to place it on a level surface, then wait a minimurm of 2 hours before turning
Step #2: Set Up Drain Line.
The included drain line attaches to unit via a compression type fitting on the discharge end of the unit. To attach drain line, remove the compression nut and slide it over the end of the hose to be at tached to unit. Slide compression nut side of hose over the insert on the compression fitting com pletely. Tighten compression nut
Step #3: Plug unit into 15 amp grounded circuit.
Key Functions
- Power Key

- Use this button to tum the dehumidifier on and off. Press once to turn machine on. You will hear 1 beep and the
light will iluminate green. Press the power bution a second time and you will hear one beep “as the machine shuts down. Note that there is a one minute fan delay on shut – down.
- Use this button to tum the dehumidifier on and off. Press once to turn machine on. You will hear 1 beep and the
- Arrow Buttons

- Use the button to set the desired humidity setpoint on the display screen.
The setpoint can be any number between 25-80%. Creating a setpoint means that when the indoor humidity is lower than the set point, the machine will stop automatically. Conversely, when the indoor humidity is higher than the set level, the unit will operate. NOTE: The humidty levels displayed are approximate only (+/- 5%)
- Use the button to set the desired humidity setpoint on the display screen.
- Continuous Mode
- When the set humidity is >80%, return the “CO” to continuous mode. When the indicator on the display board is green, it indicates that you have successfully switched to continuous mode. The display will show “CO”, 25%—30%—36%……75%—>80%—CO—25%…… power-off memory.
- When set to continuous mode, the dehumidifier will no longer be affected by the temperature and will run continuously. To stop the machine, please turn off the unit or switch to normal humidity controller operation.
- Water Pump Drainage
- To extend the storage or movement of the machine, press the “drain” button and water is discharged through the accumulation tray of water pump.
- GPP button
- For switching between RH humidity mode and GPP moisture content mode; GPP moisture content range 25 10 200.
- In RH mode, the relative humidity is displayed and the device operates according to the set value of relative humidity.
- In GPP mode, the current moisture content is displayed and the device operates according to the set value of moisture content.
- Aux. Terminal A1~A6
- A1, A2 are designed as a dry contact, adding a relay on the circuit board, when the machine is tumed on, the relay is closed, and when the machine is tumed off the relay is disconnected. (Note: If the machine is running by a fault shutdown, the relay will be disconnected, such as E4, H1, LO, etc. Defrosting is in normal working condition.)
- A3 and A4 are designed to be connected with the HVAC system, tum to HVAC control after pressing the HVAC control on/off button. And the machine enters continuous mode and will not controlled by its own on/off switch, except drainage and GPP button
(Note: A3,A4 are 24V AC/DC input terminals, when the external HVAC system inputs 24V signal, the machine will run in continuous mode after receiving the signal. (It will stop if there is a fault such as E4, H1, LO, etc.) - A5, A6 are designed for external pump. When these two interfaces are connected for 14s continuously, the machine will judge E4 fault and stop the machine. But you can still press the drain button to drain water. After the E4 fault is resolved, itll automatically restarts without re-powering. (This E4 fault notice is the same as built-in pump E4 fault.)
Indicator Lights
- Humidity Display Screen

- The display screen has two functions: 1. When the unit is powered on, it shows the humidity of the space.
- While setting the desired humidity level, the screen will show the set humidity. After a brief delay, the display will revert to current humidity level.
- Power Indicator Light

- This indicator indicates that the device is powered on and ready for operation. Always ensure that the device is in the “off” state before performing any service. After power is powered on, the buzzer will beep twice, and the machine will enter the standby state, and this light is not on. The lightis steady on after the machine is turned on and off after the machine is turned off. In other states, the indicator blinks (for example, error codes H1 and LO, humidity reaches slowly blinks, defrosting quickly blinks). (Note: This light is off when error code E4 stops.)
- Continuous Mode

- When this light illuminates green, it indicates that the dehumidifier is set to continuous operation mode.
- Pump Pattern Light .

- Water pump mode, this light is on; Gravity drain mode, this light is off. The default mode of the device is gravity drainage.
- GPP Mode Light

- When the compressor is in GPP mode, the light is on. In normal mode, this light s off.
Remote Control Instructions
Sentinel Dehumidifiers can be controlled using an optional remote accessory. The Sentinel Remote Control connects to your Sentinel Series Dehumidifier via a 25′ CAT 5 cable. The remote control contains an integrated sensor which gives you multiple options for remotely controlling your unit, in addition to monitoring the conditions surrounding the dehumidifier.
One application for the remote control is to install the dehumidifier in one room with the conditioned air ducted into a second room that contains the remote. For example, the dehumidifier could be installed in a laundry room and ducted into a living room. The remote would then be mounted in the living room o the remote sensor can control the humidity and provide easy controls for the user.
Another useful application for the remote control i if the dehumidifier is in area that’s difficult to access on a regular basis. For instance, if your dehumidifier is installed in your crawl space, the remote could be mounted in your living space or garage. This provides you with an easy way to monitor the dehumidifier
- Press the Olof button and the machine will start running (one beep). Press the button again to the tum the machine off.
- Up Button 4 / Down Button v
Use the Up and Down arrow buttons to adjust the. hunidity level. ducted Use the appiication. Mode button to switch between dehumidification and a L- The ® symbol on the display board indicates the sensor on o) the remote control s being utlized – The & symbol on the display board indicates the sensor on the dehumidifier is being utiized.
- Temperature T
Press the temperature button to display the current temperature on the screen. Press the button again to turn off the display. - Continuous €
Press this button to switch the unit into continuous mode. cent. ~ will appear on the display to indicate continuous mode. - Drain Pump P
Use this button if the unit will not be in use for an extended period of time. Pressing the drain pump bution wil remove water from the pump reservoir, so the unit can be safely moved or stored. THIS FUNCTION IS ONLY AVAILABLE ON THE Sentinel HDI65, Sentinel HDI90, Sentinel HD35P model.
NOTE: Symbols indicated above will only appear when the dehumidfier is powered on.
Operating Instructions
- Start the Machine
Press the power key to turn the machine on. - Adjust the Settings
Use the up arrow keys to adjust your desired setpoint. - Stop the Machine
Press the power key again and the machine will stop. Note the fan will continue to operate for 1 minute after the unit has turned off. NOTE: Do not disconnect the power cord to force unit to stop. Always use the power button. - Water Drainage
During normal operation, the Sentinel HD35P will automatically drain by the force of gravity. If you want to move or store your machine, wait at least 10 minutes to allow the machine to completely defrost, then lean unit gently towards drain to ensure that it is completely drained.
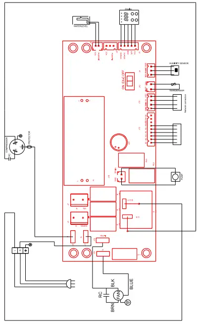
Sentinel HD35P Diagram
Front View
Back View
Maintenance
WAENING Always unplug the unit before doing any maintenance.
CIeaning the machine body
Use a soft damp cloth to clean exterior of unit. Do not use any soap or solvents.
Coil Maintenance
- Once per year, clean the coils with an approved coil cleaner.
- Coll cleaner should be a seffrinsing, foaming cleaner such as WEBG® Goil Cleaner.
Dehumidifier Storage
If the unit will be stored for an extended period of time, complete the following steps:
- Turn off the unit and allow to dry.
- Wrap and secure the power cord
- Cover the filter mesh.
- Store in a clean, dry space.
Troubleshooting
| Symptom | Cause | Solution |
| Machine Won’t Run | Power Supply | Verify that there is power (o the outlet and that the plug is properly installed in outlet |
| Room Temperature Over 105°F (Display HI) or Below 33°F(Display Lo) | The unit outside the operating temperature range. Modify the room conditions o the temperature is between 33°F-105°F and operation will commence. (The sot humidity must be lower than the. ambient humidity) | |
| Low Air Flow | Air Fitter s Clogged | Clean the fitter mesh according to instructions listed in manual |
| A net or Outlet s Blocked. | Clear the blockage from inlet or outlet. | |
| Loud Noise | Machine Is Not Level | Move the dehumidifier 1o flat, film ground |
| Fitter Mesh is Blocked | Clean the fret mesh according to instructions sited in manual | |
| Trouble Code E:1 | Eve=Humidify Sensor issues | Check to ensure that is connected at both ends. If no issues are visible, the sensor may be faulty. |
| Trouble Code E:4 | Pump has failed | [Verity that the pump is working. If so, unplug It unit for two minutes, then restart. |
| Trouble Code: HI or LO | Room Temperature Over 105°F or Below 33°F(Display LO) | “The unites outside the operating temperature range. Modify the room condition’s so the temperature s between 33F-105°F andoperalion will commence. If tom condition’s are within temperature range, replace defective sensor. |
| Trouble Code E:5 | The coil temperature s faulty o the. compressor lacks refrigerant. | Check whether the col temperature sensor falls off or the coil temperature: falls, or the compressor lacks refrigerant. |
Pump Alarm- Trouble Code E4
If a pump alarm is shown on the display, complete the following steps:
- Reset the unit by disconnecting the power cord and then reconnecting it
NOTE: UNIT WILL NOT FUNCTION UNTIL ERROR CODE HAS BEEN CLEARED. - Manually check to see if pump is operational by pressing the drain button. Check if the pump ener- gizes and de-energizes properly. Additionally, check to see if any water purged from the system.
- 1f you haven’t cleaned the system recently, check the discharge line for an obstruction, then clean the balance of the pump system (see “Maintenance” on page 8 for details).
- Replace the hoses and/or pump, if maintenance alone isn’t sufficient.
Water Pump Matainence and Application
Normal use of water pump
Determine whether the forced drainage function is useful
When the power is on, press the “Drain” button, the water pump runs normally, the pumping water is normal, there is no vibration and noise, and the water flows smoothly.
Gravity Drain
Drain
Pump Drain
Determine whether the automatic drainage function of the water pump water level line is useful
Press the ”
” button, the machine will perform dehumidification work. When the water level in the water collector reaches a certain height, the floating ball rises, and the water pump automatically enters the water pumping state, without vibration and noise, and the water flows smoothly.
Turn on the power and run the dehumidifier
If there is no abnormality in the forced drainage function and the automatic drainage function, the user can rest assured to use this equipment. If the water pumping is abnormal, the machine will display an error code of “E4”, at this time, the user can simply repair the pump failure by himself. When the user is unable to repair, contact the manufacturer via email or phone.
Usage of gravity drainage pipe (It can choose gravity drain or pump drain with the working environment)
For gravity drainage, the dehumidifier should be placed on a plane with a certain height. Pull out the screw tooth rubber plug at the outlet of the water collector of the dehumidifier, and plug in the water pipe. The condensate dripping from the coil will be discharged along the water pipe, which can be collected into the water storage container or discharged out of the room (Note: the water pipe should not be higher than the dehumidifier and should be discharged towards the ground).
Water pump function
- Solve the inconvenience that gravity drainage can only place the machine at a fixed height, it can be putin various places in the house for work.
- The drainage pipe can be laid at will, without space restriction, up to 19.6 ft.
- It can be allowed to pump water automatically when it reaches a certain water level, or it can be pumped manually at any time, which is more flexible and convenient.
- The advantages of the water pump itself, low noise, low vibration, small size, long life, self-priming function, simple maintenance and easy replacement.
- Use the rubber stopper plug the drain hole when you use the pump drain
The fault judgment and maintenance method of the water pump
Problem judgment when “E4” error code appears:
- The drainage hose is blocked or bent and deformed by foreign matter.

- The drainage height exceeds the standard.

- Water level switch failure.

- Water pump failure or expiration of service life.
- Internal water pump hose is blocked or bent and deformed by foreign matter.

Pump repair method
- Use a Phillips screwdriver to unscrew the five screws on the water pump panel, you can see the fixed state of the water pump.

- Use Philips screwdriver to loosen the two screws of the water pump fixing bracket.

- Pull out the hose fixed in the water storage box, and take out the water pump for replacement.

- Install the new water pump toots original position according to the above steps.
Sentinel HD35P Spare Parts
| Sentinel HD35P – Parts | |
| Part# | Description |
| S-100 | Remote Control Package(cable remote) |
| $-108 | Main Control Board |
| S-109 | Display Board |
| S-110 | RH/Temperature Sensor |
| 5-60 | Fan Motor |
| 5-602 | Complete Fan Assembly |
| 5-603 | Fan Capacitor |
| S-604 | Compressor |
| S-605 | Compressor Capacitor |
| 5-606 | Coil Assembly |
| S:607 | RH/Temperature Sensor Cable |
| S-608 | Display Cable |
| 5-609 | A1-A6 Cable Groups |
| S-610 | Foot, adjustable |
| S-611_| | Condensate Pump Assembly |
| Sentinel HD35P – Filters | |
| Part# | Description |
| 5-612 | MERV-1 Filter |
Limited Warranty
This limited warranty starts from the date of purchase. Alorair Solutions Inc. warrants to the original purchaser that this ALORAIR product is free from manufacturing defects in material or workmanship for the limited warranty period of: Six (6) Month parts and labor. This includes the shipments charges for replacement parts or unit.
\One (1) year parts and labor. This does not include the shipment charge to send the defective product back to be repaired or replaced Three (3) years parts and labor on Refrigeration System ONLY (Compressor, Condenser, and evaporator). Transportation cost, not included.
Five (5) years parts on Refrigeration System ONLY(Compressor, Condenser, and evaporator). Transportation cost, not included.
This limited warranty is valid only on products purchased from the manufacturer or ALORAIR authorized dealer and operated, installed, and maintained according to the instructions included in this user guide or furnished with the product. Alorair Solutions Inc will not provide in-home service during or after the warranty period. You may be responsible for the shipping charge to bring the product to the manufacturer for service.
To receive warranty service, the purchaser must contact ALORAIR at 888-990-7469 or [email protected]. A proof of purchase or order number is required to receive warranty service. During the applicable warranty period, a product will be repaired or replaced at the sole option of ALORAIR.
Limited Warranty Exclusions
This limited warranty covers manufacturing defects in materials or workmanship encountered in normal household, commercial or noncommercial use of this product and shall not cover the following:
- Damage occurs in uses for which this product was not intended for.
- Damage caused by unauthorized modification or alteration of the product.
- Cosmetic damage including scratches, dents, chips, and other damage to the product’s finishes.
- Damage caused by abuse, misuse, pest infestation, accident, fire, floods, or other
acts of nature. - Damage caused by incorrect electrical line current, voltage, fluctuations, and surges.
- Damage caused by failure to perform proper maintenance of the product
The use of this product in SPA o a room with OUTDOOR POOL invalidate or voids limited warranty.

Q¥VO NOILVYLSIOFY ALNVIVM
- If you have any questions, please feel free to contact us at 888-990-7469 or visit vnomalorair.com
- Register your unit for warranty using this link: mauri Narran—Warranty-registration
- Warranty Registration scan this barcode to direct you loth*, warranty registration websito.























